Röhrenvorstufe mit der ECC81 für das Projekt 6550 / KT 88
Von Claus Knipschild





Es ist soweit, hier ist nun nun die passende Vorstufe zu meinem Endstufenprojekt 6550 / KT 88, das auf dieser Seite und auch im ersten Buch von Jochen zu finden ist. Die Vorstufe habe ich vom Design auf die Endstufe angepasst, man kann sie daher auch unter die Endstufe stellen. Das Gehäuse ist wieder aus MDF, furniert und mit Schellack poliert.


Ihre hattet euch bestimmt schon bei der Endstufe gefragt, warum dieses ungewöhnliche Design in Holz. Der Grund sind meine Lautsprecher, eine Tannoy Edinburgh:


Klanglich ist diese Vorstufe keinem Zweifel erhaben, sie ist durch den schlichten Aufbau klanglich sehr neutral. Durch die Wahl der Röhren kann man sich den Klang "gestalten"! Es kann auch eine ECC 82 verwendet werden, sie ist allerdings etwas zurückhaltender. Einfach mal ausprobieren!
Auf einen Phonozweig habe ich bewusst verzichtet, da es dabei oftmals zu Rausch / Brummproblemen kommen kann. Hier könnte bei Bedarf über den Aux-Eingang ein separates Phonoteil angeschlossen werden.


Der Aufbau wurde frei verdrahtet und in drei Teile aufgeteilt. Links der Netzteilbereich, in der Mitte die Signalverarbeitung und rechts die Signalwege der Eingänge und des Ausgangs.
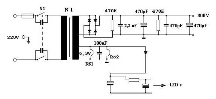
Das Netzteil ist klassisch schlicht aufgebaut, ohne irgendwelche Besonderheiten.


Hier ist die Signalaufbereitung zu sehen, hier sind alle Leitungen, die ein Signal führen sind bewusst abgeschirmt worden, um jegliche Störungen auszuschließen. Bei einem Gehäuse aus Holz kann es immer mal zu Einstrahlstörungen kommen.


Für die Lautstärkeregelung habe ich ein Poti der Firma Alps gewählt, um beste Kanalgleichheit zu haben.
Hier die Schaltung mit Eingangswahl


Hier ist das Netzteil zu sehen




Damit man sich ein Bild davon machen kann, wie das ganze nun insgesamt, in der Gesamtübersicht, aussieht folgen hier noch drei weitere Fotos:






Claus Knipschild, 29.01.2006

Zurück zur Hauptseite