EL84-HiFi-Amp "Fine Amp"
von Michael Krämer



Immer wieder erwähnte ich es bei Freunden und Bekannten: Jaja, einen Röhrenverstärker, den werde ich mir auch noch bauen. Denn der Klang ist ja super, ja so ist das.......
Bis mir dann ein Kollege sagte: "Ja du, dann fang doch mal endlich an, Du strunzt rum mit dem Klang eines Röhrenverstärkers und hast selber gar keinen !! - Recht hatte er, und ich hatte den Salat !

Ich fing also an, die Teile zusammenzusuchen, aber das war überhaupt nicht einfach, denn kaufen wollte ich sie nicht.
So half mir mein Vereinskollege Hubert mit den Ausgangsübertragern, die er noch liegen hatte, Alfred hatte noch ECC83 und EL84 "rumfliegen", Röhrenfassungen lötete ich aus alten Geräten aus, es wurde getauscht und gemacht, und ich packte alles in eine Tüte und stellte sie in den Keller, weil das irgendwie nach sehr viel Arbeit roch, und davon habe ich eigentlich schon genug.

Doch der Kollege gab nicht nach, drängelte des öfteren und fragte: "Was macht denn dein Verstärker ??" - Und jedesmal musste ich kleinlaut zugeben, daß ich noch gar nicht angefangen hatte damit.
Doch das sollte sich dann ändern !

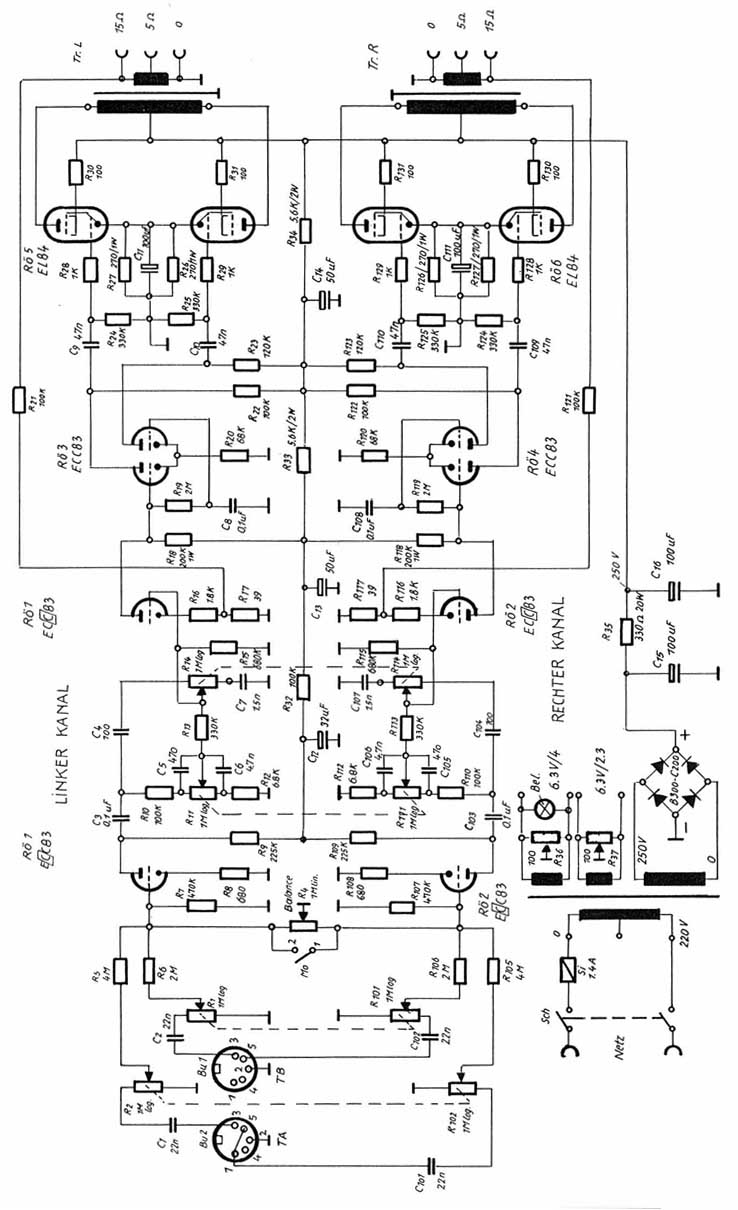
Als erstes suchte ich mir in JogiĀ“s Röhrenbude die geeignete Schaltung aus. Nun wusste ich, was in das Chassis alles hinein musste und konnte auch mit dem Layout und Design beginnen, was mir auch eigentlich dann problemlos glückte.

Das Chassis jedoch machte mir Sorgen, ich wollte es eigentlich aus 1,5mm Aluminium machen, jedoch hatte ich solch ein Blech nicht. Also nahm ich Stahlblech, was ich dann auch nicht bereut habe, denn so viel schwieriger ist die Bearbeitung wirklich nicht.
Ich kantete das 1,5 mm Blech, stanzte, bohrte feilte sägte und fluchte, sandstrahlte es und übergab es einem Arbeitskollegen zum lackieren, Pulverlackbeschichtet ist eben am besten. (Meine erste Lackierung aus der Sprühdose ging nämlich gründlich daneben...)
Danach konnte ich schon mit dem Einbau der Teile beginnen, und auch die Verdrahtung liess nicht lange auf sich warten.
Tagsüber kümmerte ich mich um die Abdeckkappen für die Trafos, auch um die Kappen der Vorstufenröhren, abends wurde gelötet. - Der arme Kollege an der Drehbank tut mir jetzt noch leid, jedesmal wenn ich kam, rollte er schon mit den Augen :-)

Als alles verdrahtet war, kam jedoch der erste Rückschlag...: es brummte.
Ich übergab das ganze dem Hubert, denn der kennt sich da besser aus. - Den Brumm hatte ich eingebaut, Brummschleife... das war schnell behoben.
Als ich ihn zurübekam spitzte ich die Ohren : Super, einfach traumhaft, dieser Klang !! Diese Höhen...
Und erstmal die Bässe, einfach Spitze !! - Wenn Mark Knopfler seine Gitarre zupft, so meint man echt, der steht hier bei mir im Wohnzimmer.
Zum Brumm kann man nur sagen: Nichts, absolut gar nichts zu hören, auch nicht wenn man bis zum Anschlag aufdreht (natürlich ohne Signal), alles ist sauber.

So rundum zufrieden liess ich mir dann noch die 3 Drehknöpfe drehen, polierte sie hochglanz und entwarf dann das Emblem. Nachdem es fertig war, bin ich zum Drucker gefahren und habe ihm eine CD mit dem Emblem gegeben, mit dem Auftrag einen geplotteten Aufkleber daraus zu erstellen.
Das war zwar nicht ganz billig, aber ich meine, er ist verdammt gut gelungen !!

Der Frequenzgang geht von 20 hz - 30 khz im Linearbetrieb.

Abschliessend kann ich nur sagen: Es war viel Stress, und Rückschläge wie Brummen oder ähnliche Probleme nerven unheimlich, aber wenn sowas erst dann richtig funktioniert, ist man umso glücklicher.

Wenn man jedoch blöderweise mal unvorsichtig ist und an die Elkos kommt, dann weiß man auch gleich, warum man den Netzstecker bei solchen Geräten zieht, wenn man daran bastelt. - Ich sage jedoch immer: Man ist hinterher umso wachsamer :-))

Ich kann wirklich nur jedem empfehlen, so etwas auch mal zu bauen, eure Ohren werden es euch sicherlich danken :-)
Auch der Kollege zieht übrigens mittlerweile den Hut vor diesem Gerät !
Auch zeigte ich diesen Verstärker auf dem Radiotreff (Vereinstreffen vom Radio & Telefonmuseum), >alle waren begeistert. Der Schaltplan macht die Runde, und ich hoffe, bald weitere Geräte vorgestellt zu bekommen.
Hier ist übrigens der Schaltplan, viel Spass beim Nachbauen !







Hier das Gerät von innen... ich weiss, man kann es besser verdrahten, aber so habe ich es nun gemacht :-)
Ui, da sehe ich gerade, auf dem Trimmer steckt noch die Abstimmachse..:-)



Hier nochmal das ganze von hinten... rechts die Lautsprecher-Klemmleiste, Links der Eingang.



Zurück zur Hauptseite