Einkreis - Audion

von Michael Schnellmann

Ich bekam ein paar alte amerikanische Röhren geschenkt und wollte damit (6D6, 75, 42 und 80) einen schönen Empfänger aufbauen. So suchte ich in Brockenhäusern nach einer alten Holzkiste. Schliesslich fand ich diese Kiste zu einem Preis, mit dem man nicht mal einen Kaffee bekommt! Auf dem Schrottplatz an unserem Institut fand ich einmal ein altes Netzkabel, ein schön umflochtenes verdrilltes mit einem Keramikstecker...seeehr alt. Das Kabel habe ich sanft gewaschen, getrocknet und auf Kurzschlüsse geprüft. Den Stecker habe ich ersetzt, da der alte heute keinen Sicherheitsbestimmungen mehr entsprechen würde.
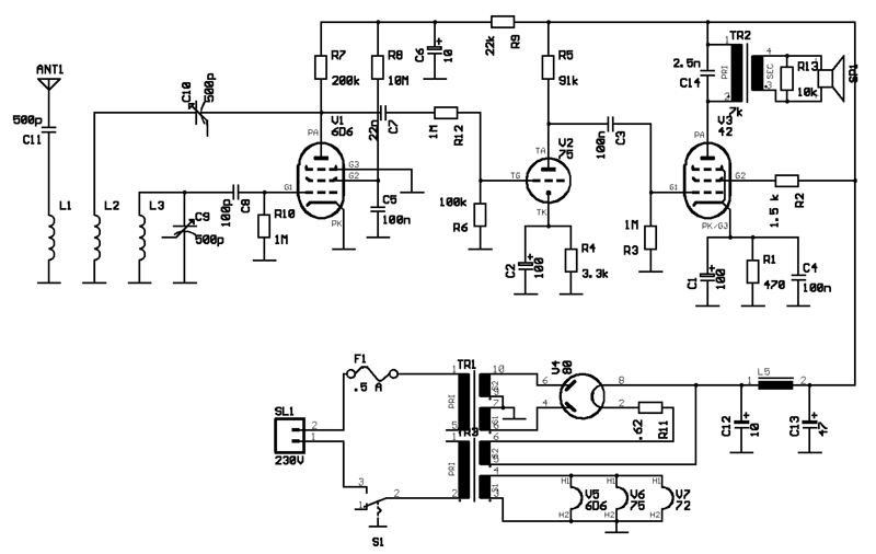
Nach einem Monat intensiven Studiums von Audionschaltungen, entwickelte ich meine eigene Schaltung, die etwas von allen haben sollte: gute Trennschärfe, weiche Rückkopplungseinstellung, hohe Empfindlichkeit, lauter Lautsprecherempfang.


Als ich zum ersten Test die Antenne anschloss, konnte (unfreiwillig) das ganze Haus mithören. Ich hatte nie geglaubt, dass mit 5 Watt eine so grosse Lautstärke möglich ist!
Dank einer zweistufigen NF-Verstärkung ist schon mit einer kurzen Antenne (1-2m) guten Lautsprecherempfang möglich. Die Rückkopplung setzt weich ein und so können nachts auch schwächere Empfänger gut getrennt werden. Mit einer langen Antenne (>10m) ist die Empfindlichkeit so gross, dass vom 45 km enfernten 500 kW-Sender Beromünster die erste Oberwelle (!! ) emfangen werden kann. Auch die Trennschärfe kann sich (mit einem 500pF-Drehko als Antennenankopplung auf die Antennenspule) mit heutigen Supern messen.
Hier sieht man die Audionröhre 6D6 mit Antennen-, Schwingkreis- und Rückkopplungsspule (von rechts nach links).


Als Gitterkappe verwendete ich die Abschirmung eines ZF-Filters aus einem defekten Transistorgerät.



Zurück zur Hauptseite