Röhren-Aktivantenne
von Thomas Moppert



Diese Schaltung widme ich unserem Webmaster Jochen. Er hat im Januar 2004 die Diskussion über die Möglichkeit einer Röhren-Aktivantenne angeregt.
Eine Aktivantenne dient in erster Linie der Impedanzanpassung einer, im Vergleich zur Wellenlänge, sehr kurzen Antenne an den Eingang des Empfängers. Das Einfügen eines abstimmbaren Parallel-Resonanzkreises führt zur Preselektor-Wirkung und zu höheren Spannungen.
Im Allgemeinen werden Antennenstäbe von ca. 1 m Länge verwendet und direkt - oder über eine kleine Kapazität - an den Hochpunkt des Kreises angeschlossen.
Am Schluss des Beitrages wird auf die Möglichkeit einer Loop-Antenne eingegangen.

Die Schaltung

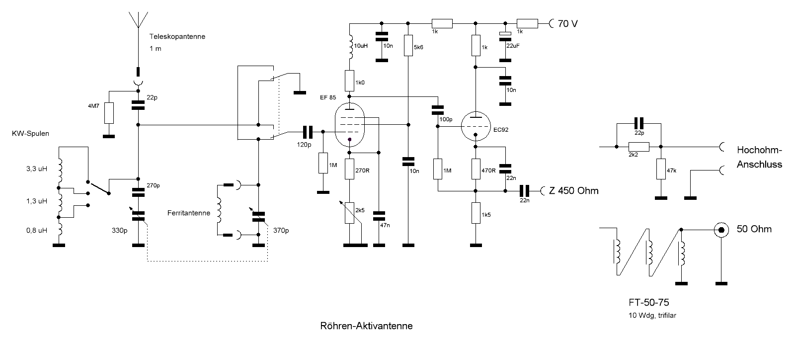
Schaltbild Aktivantenne
(Mit der Maustaste das Schaltbild anklicken, es wird dann in voller Auflösung dargestellt.)

Das Gerät arbeitet mit 70 V, gewonnen aus 12 Volt mittels Spannungsvervielfacher. Der Trafo mit 2 mal 6 V ist über ein 3-adriges Kabel an das Gerät angeschlossen.
Die Pentoden EF 85 und EF 183 bringen identische Resultate. Die EF 89 ist deutlich schwächer. Die EF 80 funktioniert auch sehr gut, der Einstellbereich für die Verstärkung mit dem Poti ist aber kleiner als bei den Regelpentoden.
Mit den angegebenen Bauteilen, insbesondere der "L-Kompensation" in der Anodenleitung der Pentode, wird erreicht, dass die Verstärkung über den ganzen Frequenzbereich gleichmässiger ausfällt.






Wer nur Mittelwelle hören will, dafür aber gerne höhere Spannungen hätte, z.B. für Detektorempfang, kann Folgendes tun:
Katodenwiderstand der Pentode 390 Ohm, Schirmgitterwiderstand 18 k, Anodenwiderstand 3k3, keine Drossel.
Ich konnte mit einem Detektorgerät auf diese Weise auch am Tag mehrere Sender empfangen!

Die Verstärkung wird über die Vorspannung am Steuergitter eingestellt, der Stellbereich beträgt etwa 18 dB.

Die Ausgangsimpedanz des Katodenfolgers mit der EC 92 beträgt 450 Ohm.
Mittels Breitband-Impedanztransformation auf 50 Ohm kann eine Koaxleitung angeschlossen werden.

Der Transformator besteht aus einem Amidon-Ferrit-Ringkern FT-50-75 (AL 2750 mH/1000Wdg), trifilar bewickelt mit 10 Windungen. Die Windungsenden werden, wie im Schaltbild gezeigt, miteinander verbunden.
Für Empfänger mit "hochohmigem" Antennenanschluss ist am 450-Ohm Ausgang ein Widerstand in Serie geschaltet. So wird die Eingangsimpedanz der üblichen, niedrig-induktiven Antennenankopplungen erreicht. Der Parallel-Kondensator verringert die Impedanz bei Kurzwelle.












Da der Abstimmkreis kaum belastet wird, resultieren mit hochqualitativen Spulen hohe Kreisgüten mit schmalen Resonanzkurven. Dies erfordert feinfühliges Abstimmen. Ein untersetzter Luft-Drehkondensator ist hier sehr von Vorteil.
Für die Kurzwellenspulen bieten sich Amidon-Ringkerne an.
Zum Beispiel:
0,8 uH: T-50-6, AL 40 uH/100 Wdg: 14 Wdg
1,3 uH: T-50-6, AL 40 uH/100 Wdg: 18 Wdg
3,3 uH: T-68-2, AL 57 uH/100 Wdg: 24 Wdg
Die Induktivitäten werden, wie im Schaltplan gezeigt, für die beiden tieferen Frequenzbereiche in Serie geschaltet. Es ergeben sich sich etwa folgende Empfangsbänder:
5,4 bis 10 MHz, 9 bis 16 MHz und 14,6 bis 27 MHz. Für Mittelwellen- und Langwellenempfang ist eine drehbare Ferritantenne ideal. Sie empfängt vor allem den magnetischen Anteil des elektromagnetischen Feldes. Elektrosmog im Nahfeld führt daher zu deutlich weniger Störungen.
Die sehr hohe Güte der Ferritantenne führt zu sehr schmalen Resonanzkurven, was leider DRM Empfang "verunmöglicht".
Wer DRM auf MW empfangen will, kann den Kreis mit einem Parallelwiderstand bedämpfen. Der Wert dieses Widerstandes muss ausprobiert werden.

Anschluss an ein Audion
Während beim Detektor und Superhet der Resonanzwiderstand des Eingangskreises - und damit die Impedanz der Antennenspule - nur mit der Frequenz ändert, ist beim rückgekoppelten Audion die Sache anders:
Durch die Entdämpfung des Kreises bei angezogener Rückkopplung steigt der Resonanzwiderstand stark an. Bei gleichbleibender Antennenkopplung würde nun der Kreis durch die Antenne wiederum stärker bedämpft.
Es gibt mehrere Möglichkeiten,um die Antennenkopplung veränderlich zu machen:
- Antennenspule mit mehreren Anzapfungen,
- Drehkondensator in der Antennenzuleitung, - Schwenkspulen.
Die Aktivantenne muss also lose angekoppelt werden können.
Wenn das Audion eine veränderliche Antennenkopplung hat, kann es an den 450 Ohm- oder an den Hochohm-Anschluss angeschlossen werden. Wenn die Antennenkopplung fix ist, kann ein Poti 47k (oder grösser) zwischen 450-Ohm-Ausgang und den Antenneneingang geschleift werden.
Um das Audion vor zu starken Signalen zu schützen, ist die Verstärkung einstellbar.

Erdung: Probieren! Ich hatte teilweise deutlich mehr Störungen, wenn die Antenne geerdet war.
Handempfindlichkeit konnte ich keine feststellen. Die interne Abschirmung der Pentode wird an Masse gelegt.

Ergebnisse
Die Aktivantenne bringt an verschiedenen Empfängern, im Vergleich mit einer 12 m langen Drahtantenne bis ins 13-m-Band, gleich gute Resultate.
Bei Tag ist sie eher noch besser, d.h. sie bringt höhere Pegel ohne vermehrtes Rauschen.
Bei Dunkelheit konnten im 60-m-Tropenband besonders gute Ergebnisse erzielt werden.
Die drehbare Ferritantenne leistet sehr gute Dienste, bei Gleichwellenempfang kann die Peilwirkung gut ausgenützt werden.

Kurzwellen-Loop
Anstelle der Spulen und des Antennenstabes kann für Kurzwelle auch eine Drahtschleife (Loop) verwendet werden. Die Schleife bildet dann mit dem Drehko einen Parallelkreis. So entsteht auch für Kurzwelle eine magnetische Antenne.

Die Loop soll mechanisch stabil sein und eine gute Leitfähigkeit haben. Geeignet ist zum Beispiel Kupferrohr. Es funktioniert aber auch dicker Installationsdraht, gestützt durch ein Haltekreuz aus Holzlatten.
Eine Schleife kann z.B. einen Durchmesser von einem Meter haben. Man wird sehen, welche Frequenzen mit einem gegebenen Drehko abstimmbar sind.
Wenn die Induktivität zu klein ist für die niedrigsten zu empfangenden Frequenzen, kann entweder die Kapazität des Drehkos mit (schaltbaren) Parallel-Kondensatoren vergrössert werden, oder die Induktivität der Loop wird durch Serienschaltung von Spulen vergrössert.
Für die höheren Frequenzen muss eine kleinere Loop gebaut werden.

Guten Empfang wünscht Thomas

Zurück zur Hauptseite