5-Band-Kurzwellenempfänger "Cristallina"
- von Thomas Moppert




Einleitung
Ein möglichst kleiner Empfänger sollte es diesmal werden. Auf das Doppelsuper-Prinzip wollte ich aber nicht verzichten. So entstand das folgende Gerät mit 7-Stift-Miniatur-Röhren.
Jeder Bandoszillator ist mit einem Quarz (engl. Crystal) ausgestattet, daher der Name des Radios (Natürlich ist die Cristallina auch ein bekannter Berg im Val Bedretto, Kanton Tessin).

Funktionsübersicht

Cristallina Blockschaltbild:

Blockschaltbild
(Mit der Maustaste das Schaltbild anklicken, es wird dann in voller Auflösung dargestellt.)

Das Blockschaltbild zeigt einen mit Quarzoszillatoren gesteuerten Frequenzkonverter. Dieser mischt das gewünschte Rundfunkband auf ein Bandfilter. Dieses Bandfilter, welches im Parallellauf mit dem Hauptoszillator abgestimmt wird, bildet den Eingangskreis des nachfolgenden Supers.
Der Hauptoszillator (VFO) überstreicht ein Frequenzband von 500 kHz, somit sind alle Bänder 500 kHz breit.

Nach diesem Schema funktionieren die bekannten Empfänger von Collins, Drake und so weiter.
Der Vorteil ist, dass der VFO für alle Bänder in Betrieb bleibt und somit nach einer Aufwärmphase eine hohe Frequenzkonstanz erreicht wird.
Indem der VFO auf einer niedrigen Frequenz arbeitet (hier 2,75-3,25 MHz) wird zusätzlich die Frequenzkonstanz erhöht.
Mit raffinierter Antriebstechnik -vor allem bei Collins- wurden die Vorkreise, die Zwischenkreise, die variable ZF und der VFO allesamt über den Hauptabstimmknopf synchron abgestimmt. Elektromechanische Wunderwerke!

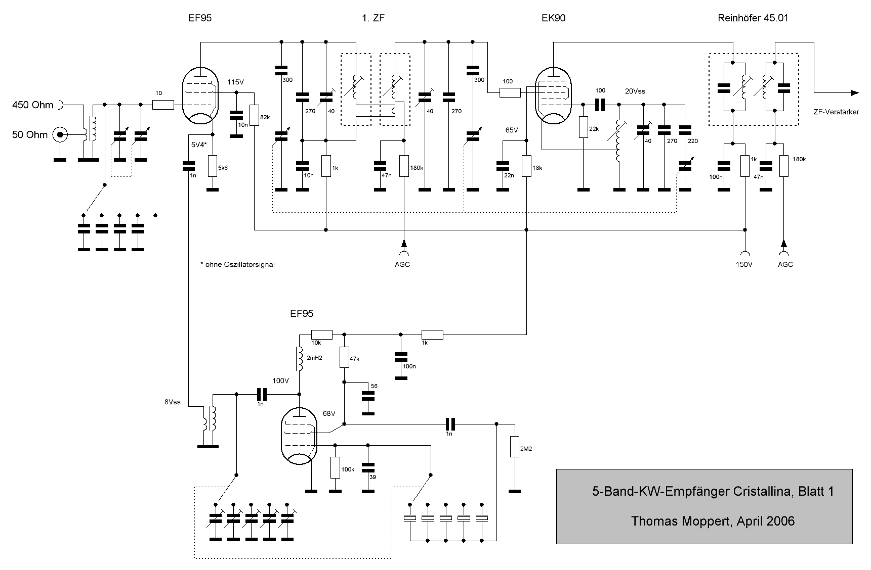
Cristallina Schaltplan Blatt 1:

Schaltbild Teil 1
(Mit der Maustaste das Schaltbild anklicken, es wird dann in voller Auflösung dargestellt.)

Vorselektion



Der Eingangskreis besteht aus einer Induktivität, einem UKW-Drehko mit parallel geschalteten Plattenpaketen und schaltbaren Kondensatoren.
Natürlich wäre es ideal, für jedes Band eine separate Induktivität und passende Kapazität vorzusehen. Damit könnten die charakteristischen Impedanzen für alle Bänder gleich gewählt werden und die Antennenanpassung wäre auch überall gleich gut.
Ich wollte bei diesem Gerät diesen Aufwand, auch aus Platzgründen, nicht treiben.
So, wie ich es hier gemacht habe, steigt die charakteristische Impedanz zu den höherfrequenten Bändern an. Sie beträgt beim 49 m Band 130 Ohm und beim 19 m Band 340 Ohm.

Noch besser, auch im Hinblick auf die Abstrahlung des Oszillator-Signales über die Antenne, wären Bandfilter am Eingang.


Erster Mischer mit der EF95
Die EF95 arbeitet als additiver Pentodenmischer. Das Eingangssignal stammt vom Vorkreis, das Oszillatorsignal wird an der Kathode eingespeist. Um die Röhre mit dem Oszillatorsignal nicht in den Gitterstrombereich zu steuern, muss an der Kathode mindestens die halbe Oszillatorspannung (hier also 4 Volt) plus 1,3 Volt liegen. Gitterstrom würde den Eingangskreis belasten.
Zur Mischung dient der gekrümmte Kennlinienteil, was bei der gewählten Arbeitspunkteinstellung der Fall ist.
Die Mischverstärkung, gemessen vom Antennen-Eingang bis zum Ausgang der 1. ZF, beträgt 34 dB.

Quarzoszillatoren mit der EF95




Die Quarze schwingen auf ihrer Grundwelle. Die Auskopplung des Signals erfolgt mittels eines Resonanzkreises an der Anode. Die Trimmer werden gleichzeitig mit den Quarzen umgeschaltet. Das Ausgangssignal ist praktisch oberwellenfrei. Die Windungszahl der Koppelspule richtet sich nach der gewünschten Amplitude.
Infolge der festen Frequenzen der Bandoszillatoren werden die umgesetzten Frequenzen an den Quarzfrequenzen invertiert.
Beispiel 41 m Band: Die Frequenz 7100 kHz erscheint in der ZF-Ebene auf 2795 kHz (9895 - 7100 = 2795), also am oberen Bandende der ZF. Umgekehrt erscheint die Frequenz 7600 kHz auf 2295 kHz (9895 - 7600 = 2295), also am unteren Ende des ZF-Bandes.

Erste Zwischenfrequenz


Die variable erste Zwischenfrequenz wird im Parallellauf mit der Hauptabstimmung mittels eines 3-Fach-Drehkos abgestimmt. Sie liegt um die zweite ZF (455 kHz) tiefer als der Hauptoszillator, also zwischen 2,295 und 2,795 MHz. Weshalb diese Wahl?
Erstens liegen in diesem Bereich keine starken Rundfunksender (Stichwort: ZF-Durchschlag).
Zweitens liegen auf den Spiegelfrequenzen dieser ZF keine Rundfunkbänder.
Die Kopplung des Bandfilters ist induktiv über eine einzige Koppelwindung.
Wie erwähnt, erscheinen die tiefen Frequenzen eines Bandes am oberen Ende des ZF-Bandes. Bei den meisten Drehkos mit Untersetzung nimmt die Kapazität beim Drehen nach rechts ab.
Nicht so beim verwendeten Oppermann-Drehko. Dies macht ihn besonders attraktiv, denn die gewohnte Drehrichtung nach rechts zu höheren Frequenzen ist damit wieder hergestellt.

ZF-Frequenz: 2,295 - 2,795 MHz = Drehko 3 mal 15 - 350 pF
Mit Parallel-Kondensator, Trimmer in Mittelstellung und Serien-Kondensator ergibt sich eine Kapazitätsvariation von 304 - 450 pF, L = 10,69 uH
Spulenkörper mit Glockenkern, Schraubkern und Abschirmbecher, 30 Wdg (Vogt 2165).
Koppelspule 1 Wdg.
Achtung: Auf gute Isolation dieser Koppelwindung gegenüber der Kreisspule achten, da die Anodenspannung darüber geführt wird.

Zweiter Mischer und Hauptoszillator
Die Mischröhre EK90 weist einen hohen äquivalenten Rauschwiderstand von 200 KOhm auf. Als Mischröhre ohne Vorverstärkung ist sie also für empfindliche Empfänger nicht geeignet (Deshalb habe ich als ersten Mischer eine Pentode genommen).
Hier arbeitet die EK90 als sogenannter Pentagrid-Converter, also als selbstschwingende Mischstufe. Durch das Bandfilter der ersten ZF wird ihr ein schmales Frequenzband angeboten. Trotz der erheblichen Mischverstärkung des ersten Mischers konnten keine Intermodulationsprobleme festgestellt werden.
Im Ausgangskreis liegt das erste Bandfilter für die zweite ZF (455 kHz).

Um den Parallellauf mit dem ZF-Bandfilter zu erreichen, hat der Verkürzungskondensator des Oszillatordrehkos eine Kapazität von 220 pF, die entsprechenden Kondensatoren beim ZF-Bandfilter haben Werte von 300 pF.

Die Oszillatorspule soll eine möglichst hohe Güte aufweisen, denn die Rückkopplung soll bei einer möglichst kleinen Windungszahl abgenommen werden. Zwischen Masse und Kathode darf die Wechselspannung gemäss Datenblatt höchstens 1,4 Veff. betragen (Bei 250 Volt Betriebsspannung).
Ausserdem ergibt eine lose Rückkopplung eine oberwellenarme Oszillatorspannung. Hier konnte ich mit 150 Volt Betriebsspannung 20 Vss Oszillatorspannung erreichen (Bei 250 Volt Betriebsspannung sollen es 30 Vss sein).
Die EK90 ist in die automatische Verstärkungsregelung einbezogen. Die Mischverstärkung beträgt im ungeregelten Zustand 36 dB.

Oszillatorfrequenz: 2,75 - 3,25 MHz = Drehko 15 - 350 pF
Mit Parallel-Kondensator, Trimmer in Mittelstellung und Serien-Kondensator ergibt sich eine Frequenzvariation von 304 - 425 pF, L = 7,88 uH
Spulenkörper wie oben, 25 Wdg, Rückkopplungsanzapfung nach 4 Wdg. vom kalten Ende

Cristallina Schaltplan Blatt 2:

Schaltbild Teil 2
(Mit der Maustaste das Schaltbild anklicken, es wird dann in voller Auflösung dargestellt.)

Zwischenfrequenzverstärker


Der zweistufige ZF-Verstärker mit den Regelpentoden EF93 ist in beiden Stufen mit Schirmgitterneutralisation ausgestattet. Die Regelspannung wird über die Bandfilter zugeführt. Schwingneigung konnte keine festgestellt werden.
Da ohne Eingangssignal bereits eine Regelspannung von -2 Volt generiert wird, konnte ich auf (überbrückte) Kathodenwiderstände verzichten.
Das S-Meter wird über die gleitende Schirmgitterspannung der zweiten ZF-Röhre gesteuert.


Demodulation und Regelspannungserzeugung
Die Demodulation und Erzeugung der Regelspannung erfolgt mit Germaniumdioden. Alternativ können Schottky-Dioden verwendet werden (z.B. BAT 83).
Die Demodulatordiode wird, wie üblich, in Serienschaltung betrieben. Die Diode für die Regelspannungserzeugung liegt in Parallelschaltung am Primärkreis des letzten ZF-Bandfilters.
Da die Regelspannung ohne Verzögerung gebildet wird, liegen ohne Eingangssignal bereits ca. -2 Volt Spannung auf der AGC-Leitung.
Nach der Demodulation folgt ein Tiefpass für die Niederfrequenz. Durch die Koppelkondensatoren zum Poti und zur Endstufe von je 2n2 ergibt sich ausserdem ein Hochpass mit einer Grenzfrequenz von ca. 70 Hz.

Niederfrequenzverstärker
Obwohl die EF95 eine HF-Pentode ist, habe ich sie hier als Niederfrequenzverstärker in Triodenschaltung eingesetzt.
Für Kopfhörerbetrieb ist der Trafo mit 10 Kiloohm Primär- und 4 Ohm Sekundärimpedanz kapazitiv an die Anode geschaltet und erlaubt an einem Walkman-Hörer mit parallel geschalteten Systemen (2 mal 32 Ohm) eine gute Lautstärke und einen ausgewogenen Klang.
Bei einem Isolationsdefekt am Trafo kann durch die kapazitive Anschaltung nichts passieren.

Ich habe versuchsweise den Trafo in die Anodenleitung gelegt, die EF95 also wie eine Endröhre (immer noch als Triode) beschaltet. Der Kathodenwiderstand kann dann 390 Ohm betragen. Die Stromaufnahme steigt von 2,4 mA auf 4,5 mA. Die Verstärkung steigt um ca. 6 dB. Sogar bescheidener Lautsprecherbetrieb ist dann möglich!

Ergebnisse
Die gemessene Spiegelfrequenzdämpfung bezüglich der ersten Zwischenfrequenz beträgt im 49-m-Band -42 dB, im 19-m-Band -35 dB. Für bessere Werte müsste ein mehrkreisiges Vorfilter benützt werden. Wie ich aber schon bei der Frequenzwahl zur ersten Zwischenfrequenz bemerkte, liegen auf den Spiegelfrequenzen keine Rundfunkbänder. Das Spiegelfrequenzsignal bezüglich der zweiten ZF konnte akustisch ganz knapp nachgewiesen werden. Messen konnte ich mit meinen Geräten nichts mehr. Die Empfindlichkeit ist ganz enorm. Zum Vergleich diente ein Halbleitergerät mit einer spezifizierten Empfindlichkeit von 1uV für 10 dB S+N/N. Beide Geräte waren über eine Weiche an der gleichen Antenne angeschlossen.
Das Röhrengerät hat dieselbe Empfindlichkeit. Die Sprachverständlichkeit bei sehr leisen Signalen ist gleich gut. Unangenehmes Rauschen bei schwachen Signalen tritt beim Halbleitergerät stärker auf, als beim Röhrengerät.
Eine zusätzliche Verstärkung von Signalen an der Hörbarkeitsgrenze mit einem sehr rauscharmen Antennenverstärker bewirkte nur im 19-m-Band eine geringe Verbesserung des Signal/Rauschabstandes. Das Halbleitergerät profitierte mehr von der Vorverstärkung.
Auch mit einer kurzen Wurfantenne am 450-Ohm-Antennenanschluss ist guter Empfang möglich.
Bei Signalen oberhalb der Rauschgrenze wird das Hören zum Vergnügen mit ausgewogenem Klang und ohne Verzerrungen (abgesehen von Problemen mit Selektivschwund und Sendern, die ihren Träger komplett übermodulieren).
Die Trennschärfe ist befriedigend. Natürlich kommt in einigen Situationen der Wunsch nach noch besserer Selektion auf.
Eine grosse Überraschung ist die Grosssignalfestigkeit des Gerätes. An einer 11 m langen Dachbodenantenne treten keinerlei Intermodulationsstörungen auf. Auch nicht nach Einbruch der Dunkelheit und bei breitbandiger Vorverstärkung mit 10 dB!
Pro Band gibt es einige wenige, schwache Eigenpfeifstellen. Sie sind kaum störend. Die einzig starke Pfeifstelle liegt bei ca. 6037 kHz, dort erscheint die erste Oberwelle des VFO.
Natürlich werden die Signale der Quarzoszillatoren an der Antenne abgestrahlt. Gemessen habe ich 8 mVss am 50-Ohm-Antenneneingang. Das Oszillatorsignal von 8 Vss erscheint also um 60 dB gedämpft an der Antennenbuchse.

Insgesamt ist dieses Radio viel besser, als ich es mir bei seiner Planung wünschen konnte. Wie das Ergebnis sein würde, war mir vor der Fertigstellung nicht genau bekannt. Vorversuche halfen mir nur, die einzelnen Komponenten zu entwickeln.
Unbekannt blieb in erster Linie das wirkliche Funktionieren des ersten Mischers zusammen mit der Folgeschaltung.

Bezugsquellen
Mehrfach-Drehko: Firma Oppermann, Steyerberg
UKW-Drehko: Box 73, Amateurfunkservice (www.funkamateur.de)
455-kHz-ZF-Filter: Reinhoefer-Electronic (www.roehrentechnik.de)
Röhrenfassungen: Reinhoefer-Electronic (www.roehrentechnik.de) und Tube-Audio (www.tube-audio.de)

Quarze: Andy Fleischer (www.andyquarz.de)

Literatur
Reinhard Birchel, DJ9DV: Kurzwellen-Amateurfunkgeräte in Röhrentechnik, Beam-Verlag 2003
Helmut Pitsch: Lehrbuch der Funkempfangstechnik, Akademische Verlagsgesellschaft Geest und Portig, Leipzig 1950
Ludwig Ratheiser: Das grosse Röhrenhandbuch, Franzis-Verlag, Reprint 1995
Joachim Gittel: Neues aus Jogis Röhrenbude, Franzis-Verlag 2005

Dank
Jochen, unserem Webmaster, möchte ich sehr herzlich danken. Er hat wieder einen schönen Beitrag aus meinen Unterlagen gestaltet.

Basel im April 2006

Guten Empfang wünscht Thomas

Zurück zur Hauptseite