Mittelwellen-Super mit Batterie-Röhren
- von Thomas Moppert





Das Gerät ist mit einer rauchfarbenen Plexiglasscheibe abgedeckt, für das folgende Foto wurde diese Scheibe entfernt:


Schaltungsbeschreibung

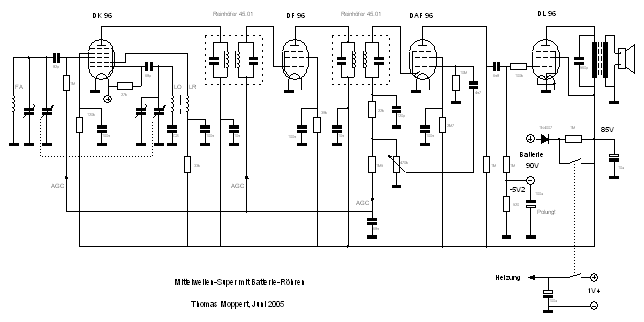
Schaltung Vorstufe
(Mit der Maustaste das Schaltbild anklicken, es wird dann in voller Auflösung dargestellt.)

Im Eingang findet sich eine Ferritantenne. Die verschiebliche Spule soll für gute Abgleichbarkeit etwa im vierten Fünftel des Ferritstabes ihre korrekte Induktivität haben.


Die Misch- und Oszillatorstufe mit der DK 96 ist das Kernstück des Empfängers und sollte nicht unterschätzt werden, obwohl die Schaltung einfach aussieht. Deshalb gleich weiter zum Oszillator:




Oszillator: Es wird Serienspeisung der Oszillatoranode und Abstimmung im Gitterkreis angewendet. Die Kopplung zwischen Oszillatorkreisspule und Rückkopplungsspule muss eng sein. Ich habe die Rückkopplungswindungen über die Kreisspule gewickelt. Die Zahl der Windungen beträgt 25-35 % der Windungszahl der Kreisspule (Beispiel bei diesem Gerät: LO 110 Wdg, LR 32 Wdg).
Die grösste Mischsteilheit wird mit einer Oszillatorspannung von 4 Volt eff. am Oszillatorgitter erreicht. Der Oszillator-Gitterstrom beträgt dann 85 uA.
Der Widerstand 27 KOhm muss an den positiven Heizfadenanschluss der DK 96!

Berechnung des Verkürzungskondensators CS und der Oszillatorspule für den Dreipunktabgleich:
Der Oszillator soll in jeder Stellung des Doppel-Drehkos eine Frequenz erzeugen, welche genau um die ZF oberhalb der Empfangsfrequenz liegt. Deshalb muss die Frequenzvariation des Oszillators an die Frequenzvariation des Eingangskreises angepasst werden.
Dazu wird ein Verkürzungskondensator benötigt, er liegt in Serie zur Oszillatorspule. Dies deshalb, weil bei Empfängern mit mehreren Wellenbereichen für die verschiedenen Bereiche andere Werte benötigt werden.
Der Wert dieses Verkürzungskondensators CS hängt vom vorhandenen Drehko ab.
Eine Formel zu dessen Bestimmung kann ich nicht angeben. Es gelten aber folgende prinzipielle Ueberlegungen:
Für MW:
Eingangskreis:   520 kHz - 1620 kHz, Frequenzvariation = 1:3,115
Oszillator (bei 455 kHz ZF):   975 kHz - 2075 kHz, Frequenzvariation = 1:2,128
Die Frequenzvariation eines Schwingkreises mit Drehko ergibt sich aus der Wurzel der Division von maximaler zu minimaler Kapazität, wobei Schaltkapazitäten und Kapazitäten der Paralleltrimmer miteinbezogen werden müssen.

Eingangskreis: Mit der Kapazität des eingedrehen Drehkos, den Schaltkapazitäten (ca. 20 pF) und dem Mittelwert des Paralleltrimmers (z.B. 20 pF) kann die Spule berechnet werden. Das obere Ende des Frequenzbandes muss jetzt durch Abgleich des Trimmers einstellbar sein, das untere Frequenzende wird durch Verschieben der Spule auf dem Ferritstab angepasst.


Oszillatorkreis: für die Schaltkapazitäten und den Paralleltrimmer können die gleichen Werte wie für den Eingangskreis angenommen werden. Nun muss mit Proberechnungen die Frequenzvariation mit verschiedenen Verkürzungskondensatoren CS eingeschränkt werden:
Beispiel:
Bei einem Oszillator-Drehko von 500 pF beginnt man zum Beispiel mit 470 pF. Man bestimmt zuerst den Maximalwert: hier: 500 + 20 + 20, in Serie mit 470 = 251 pF.
Die Kapazität des ausgedrehten Drehkos muss, wenn möglich, gemessen werden, sonst wird sie geschätzt. Sie beträgt meist noch 3-5 %. Beispiel: 4 % von 500 = 20 pF + Schaltkapazität 20 pF + Trimmer 20 pF = 60 pF, in Serie mit 470 pF = 53 pF. Man rechne: 251:53, und daraus die Wurzel, dies ergibt 2,176. Wir haben also schon ziemlich genau die geforderten 1:2,128.

In der realen Schaltung sind die Verhältnisse nach dem Abgleich der Spule und des Trimmers wohl etwas anders, sodass ich diesen Wert des Kondensators ausprobieren würde.
Der Abgleich in der Schaltung verläuft wie immer: An der unteren Frequenzgrenze Abgleich mit dem Spulenkern, an der oberen Grenze mit dem Trimmer.
Duch den Serienkondensator verändert sich der Kapazitätsverlauf des Drehkos. Ein Parallellauf mit dem Eingangskreis ist nicht gegeben. Das bedeutet, dass nicht im ganzen Frequenzband die Differenz von Eingangs- zu Oszillatorfrequenz konstant ist, und der gewählten ZF entspicht. Es sei denn, die Plattenschnitte der Pakete berücksichtigen diese Tatsache.
Deshalb wird der Abgleich für den Parallellauf nicht an den Frequenzgrenzen vorgenommen, sondern bei ca. 600 kHz und bei 1480 kHz. Dann ergibt sich etwa in der Mitte des Frequenzbereiches automatisch ein dritter Punkt des Parallellaufes (deshalb 3-Punkt-Abgleich).
Die Induktivität der Oszillatorspule rechnet sich einfach mit der grössten Kapazität, im Beispiel 251 pF, und der niedrigsten Frequenz, im Beispiel 975 kHz. Dies ergäbe hier also 106 uH.

Der ZF-Verstärker mit der DF 96 ist problemlos. Selbstverständlich wird die Verstärkung geregelt.




Die benutzten ZF-Filter sollen für hohe Resonanzwiderstände ein hohes L/C-Verhältnis und eine hohe Güte haben. Die Filter von Reinhoefer-Electronic sind bestens geeignet, die Parallel-Kondensatoren messen 150 pF, Q beträgt grandiose 240 !
Die Kopplung der Filter lässt sich einstellen, so kann ein guter Kompromiss zwischen Tonfrequenzumfang und Trennschärfe gefunden werden.




Die Demodulation und AGC-Spannungserzeugung erfolgt mit der Diode in der DAF 96.




Nach dem Lautstärkesteller folgt die NF-Vorverstärkung im Pentodenteil der DAF 96. Dieses System ist sehr hochohmig, eine korrekte Leitungsführung mit abgeschirmtem Kabel und eine masseschleifenfreie Erdung sind absolut notwendig!
Die DAF 96 ist klingempfindlich. Bei diesbezüglichen Problemen wird empfohlen, die Verstärkung zu reduzieren und den Lautsprecher und die Röhre mechanisch zu entkoppeln.
Wenn die Verstärkung der DAF 96 reduziert werden soll, wird empfohlen, ihren dynamischen Aussenwiderstand zu reduzieren, indem der Gitterableitwiderstand der Endröhre verkleinert wird.

Die NF Endverstärkung mit der DL 96 ergibt eine erstaunlich gute, verzerrungsarme Lautsprecherwidergabe!




Beim vorliegenden Gerät habe ich eine 3,5 mm Klinkenbuchse für Kopfhörer vorgesehen.


Je nach Impedanz muss zur Anpassung an den Ausgangstrafo ein Widerstand parallel geschaltet werden. Im folgenden Bildausschnitt erkennt man diesen (hier, für Lautsprecherbetrieb, einseitig abgekniffenen) Widerstand:


Beim Kopfhörermodus bietet es sich an, von der Möglichkeit der sogenannten Sparschaltung der DL 96 Gebrauch zu machen, indem nur einer der beiden parallelen Heizfäden benutzt wird.
Die Erzeugung der negativen Gittervorspannung geschieht, indem die Betriebsspannung über den Widerstand 520 Ohm nach Masse geführt wird. Das Gerät zieht bei 90 Volt Batteriespannung etwa 10 mA. Damit fallen an besagtem Widerstand 5,2 Volt ab.






Der Widerstand 100 KOhm am Steuergitter soll noch erwähnt werden: Ich zitiere aus dem Buch von E. Rodenhuis:
Beim Einschalten der Betriebsspannung wird der Koppelkondensator zwischen Anode der DAF und dem Steuergitter der DL aufgeladen. Die linke Belegung des Kondensators muss eine positive Ladung aufnehmen, die rechte eine negative. Im Augenblick des Einschaltens entspricht der Kondensator einem Kurzschluss. Die Betriebsspannung verteilt sich über den Anodenwiderstand der DAF und dem Gitterableitwiderstand der DL. Das Steuergitter ist also in diesem Augenblick stark positiv gegenüber dem Heizfaden, was zur Folge hat, dass der sich aufheizenden Katode ein starker Strom entzogen wird. Die DL hätte nur ein kurzes Leben...
Der Widerstand 100 k begrenzt diesen Strom auf unschädliche Grössen.
Der genannten Problematik kann weiter begegnet werden, indem der Elko 10 uF immer in geladenem Zustand gehalten wird. Dies bewirkt der Widerstand 1M, welcher parallel zum Schalter liegt.
Der Ausgangstrafo sollte optimal eine Impedanz von 13 KOhm aufweisen. Ich habe in meiner Bastelkiste einen Trafo mit 10 KOhm Impedanz gefunden.

Ergebnisse:
Tagsüber können mehrere Sender empfangen werden. Ein grösserer Super an einer Langdrahtantenne brachte auch nicht wesentlich mehr.
Bei Dunkelheit geht das Radio richtig zur Sache: Empfangen wird Sender neben Sender mit ausgezeichneter Trennschärfe, welches den erwähnten, hervorragenden Filtern von Reinhoefer zu verdanken ist.
Sender auf gleicher Frequenz können durch Drehen des Empfängers ausgeblendet werden, die Ferritantenne ist sehr richtungsempfindlich.

Insgesamt bin ich sehr erstaunt und angetan von den Emfangsqualitäten dieses doch recht einfachen Vier-Röhren-Radios!
Uebrigens funktioniert das Radio bereits ab 45 Volt Batteriespannung. Unterhalb dieses Wertes schwingt der Oszillator nicht mehr an. Natürlich ist der Empfang dann lange nicht mehr so stark, wie mit höheren Spannungen.

Bauteile: ZF-Filter: Reinhoefer-Electronic, www.roehrentechnik.de
Literatur: L. Ratheiser: Das grosse Röhren-Handbuch, Franzis-Verlag
E. Rodenhuis: Röhren für Batterie-Empfänger, Philips` Technische Bibliothek, 1956

Dank Die Photos stammen von Jochen, unserem Webmaster, wofür ich ihm hier herzlich danke.
Dank auch für die Möglichkeit, dieses Projekt in seiner Rubrik "Leserbeiträge" vorzustellen.

Basel, im Juni 2005,
Thomas Moppert

Nachtrag von mir, Jochen:
Ich habe mir, wie bereits an anderer Stelle meiner Homepage ausführlich beschrieben, ein Anodenbatterie-Pack aus ausgedienten Polaroid-Batterien erstellt, die ich mir von meinem Fotohändler habe schenken lassen (und er war froh, dass er sie nicht kostenpflichtig entsorgen musste...). Diese Batterien sind meist immer noch randvoll, eine gute hat noch fast 6 Volt bei richtig hohem Strom!
Mit anderen Worten: Dieser im folgenden noch einmal gezeigte Batteriepack wird noch Jahrelang halten...





Bild von der Unterseite:







Am Empfänger angeschlossen: