Hybrid-Doppelsuper-Kurzwellenempfänger mit mechanischem Collins-Filter
- von Thomas Moppert




Einleitung

Meine Idee war es, bei diesem Empfänger ein grosssignalfestes Frontend in Halbleitertechnik mit einem zweiten Mischer, ZF-Verstärker, Demodulator und Niederfrequentzeil in Röhrentechnik zu kombinieren.
Neben dem Problem der Grosssignalfestigkeit beschäftigte mich die Selektivität der Bandfilter. Manchmal wünschte ich mir, in verzwickten Situationen trennschärfere Zwischenfrequenzfilter zu haben.
Zufällig konnte ich im Frühjahr ein für Röhrenschaltungen geeignetes, mechanisches Collins-Filter erwerben!
Noch eine Vorbemerkung: Die hier gezeigten Schaltungen stammen natürlich nicht von mir, ich bin kein Ingenieur! Ich habe sie aus verschiedenen Artikeln und Büchern (siehe Literaturverzeichnis) zusammengetragen und für meine Zwecke umdimensioniert.

Gerät von oben, Büchsen-Deckel geschlossen :


Konzept

Nach der Vorselektion und dem optionalen HF-Vorverstärker gelangt das Signal an den ersten Mischer, einen kommerziellen Schottky-Dioden-Ringmischer. Es folgen die Anpassung an den Mischerausgang und der Vorverstärker für die erste Zwischenfrequenz. Abschluss dieses Zuges ist das Filter für die erste Zwischenfrequenz mit 2,545 MHz.
Es bietet sich an, auch die Oszillatoren in Halbleitertechnik und die Abstimmung mit Varicap-Dioden zu realisieren.
Nach dem Filter für die erste ZF, wo also die Signalpegel noch niedrig sind und die HF schon viel schmalbandiger ansteht, folgt der Schaltungszug in Röhrentechnik.
Die Signalpegel sind bei Vollröhren-Konzepten bereits vor der Nahselektion, also vor der zweiten ZF, naturgemäss viel höher, denn die Vorstufe und der erste Mischer mit seiner hohen Mischverstärkung tragen massgeblich zur Gesamt-Signalverstärkung bei (Beispiel: Mein Vollröhrendoppelsuper: Vorstufenverstärkung bis 40 dB, Mischverstärkung des ersten Mischers 26 dB).
Diese "fehlende" Verstärkung musste mit einer zweiten ZF-Stufe wieder aufgeholt werden.
Wie ich noch zeigen werde, ist die niedrige Verstärkung vor der zweiten ZF kein Nachteil, sondern im Gegenteil eine Voraussetzung, wenn man "moderne" keramische, oder mechanische Filter einsetzen möchte.
Die Demodulation für die NF und zur Regelspannungserzeugung erfolgt getrennt. Nach einem Tiefpass und der Vorverstärkung gelangt die NF zum Ausgangs-Kathodenfolger.

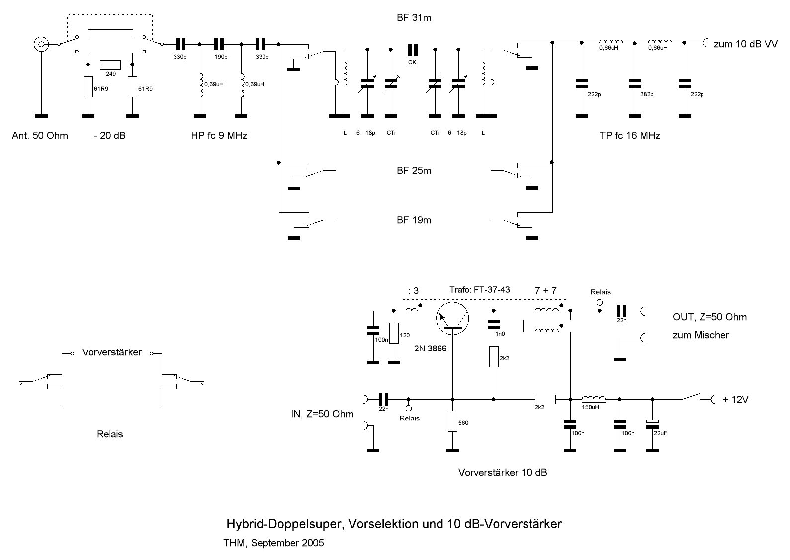
Vorselektion und Vorverstärker

Schaltplan Vorselektion und 10 dB-Vorverstärker :

Schaltung Vorselektion und 10 dB-Vorverstärker
(Mit der Maustaste das Schaltbild anklicken, es wird dann in voller Auflösung dargestellt.)

Die Vorselektion hat die Aufgaben, die Spiegelfrequenzen genügend zu dämpfen und den ersten Mischer vor unnötig hohen HF-Summenspannungen zu schützen, um Uebersteuerungen zu vermeiden.

Vor den einzelnen Bandfiltern liegt ein Tschebyscheff-Hochpass mit einer Grenzfrequenz von 9 MHz. Danach folgen die drei Bandfilter für das 31m, 25m und 19m Band. Umgeschaltet wird mittels Relais am 50-Ohm-Port. Die nicht benutzten Bandfilter liegen an Masse.
Anschliessend folgt ein Tschebyscheff-Tiefpass mit einer Grenzfrequenz von 16 MHz.

Daten für die Eingangsbandfilter :
Frequenz (kHz) Induktivität L Koppel-Wdg. CTr CK
31-m-Band 9350-9950 8,77 uH 2 20 p p82
25-m-Band 11450-12150 7,40 uH 2 20 p p82
19-m-Band 15100-15800 5,58 uH 2 10 p p68

Alle Induktivitäten wurden auf Amidon-Ringkerne T-68-2, respektive T-68-6 gewickelt.

Bild mit Vorselektion :


Der Vorverstärker soll bei Bedarf das Signal soweit anheben, dass ein besseres Signal/Rauschverhältnis resultiert. Obwohl er hinter der Vorselektion liegt, muss er grosssignalfest sein, also linear arbeiten und natürlich äusserst rauscharm sein. Ich verwende deshalb einen X-gegengekoppelten Hochstrom-Verstärker. Mit dem Emitter-Widerstand (hier 120 Ohm) ergibt sich ein Strom von 17 mA. Bei Wunsch nach noch besserer Intermodulationsfestigkeit kann ohne Weiteres ein kleinerer Widerstand eingesetzt werden. Mit 39 Ohm ergeben sich 37 mA. An der Verstärkung ändert sich damit nichts.
Der Verstärker wird über ein Relais in den Signalweg eingeschleift, oder er wird überbrückt, sowie sein Strom abgeschaltet.

Bild mit Vorverstärker


Band-Oszillatoren

Schaltplan Bandoszillatoren :

Schaltung Bandoszillatoren
(Mit der Maustaste das Schaltbild anklicken, es wird dann in voller Auflösung dargestellt.)

Die verwendeten Oszillatoren sind rauscharm und beim Bandwechsel muss keine Hochfrequenz geschaltet werden. Es wird nur die Stromzufuhr umgeschaltet.
Ursprünglich sind sie für wesentlich höhere Frequenzen gedacht, und es wurde eine Drehko-Abstimmung verwendet. Hier wollte ich eine Varicap-Abstimmung realisieren. Die Signalamplitude an der Diode darf also nicht höher werden als die niedrigste Abstimmspannung. Deshalb musste ich die Kapazität des Kondensators C5 gegenüber dem Originalvorschlag erhöhen. - Wer mit Drehko abstimmt, kann für C4 und C5 die gleichen Werte einsetzen.
Um die Kreisgüte durch die Varicap-Diode nicht allzusehr zu verschlechtern, sollte sie maximal 20% zur gesamen Kreiskapazität beitragen.
Nach dem Oszillator folgen eine Pufferstufe und die Impedanzanpassung an 50 Ohm.

Frequenzstabilität der Oszillatoren:
Drift in den ersten 5 Minuten: + 3 kHz
Drift in den weiteren 10 Minuten: + 1-2 KHz.
Drift nach 15 Minuten: im Bereich 100 Hz/Minute
Die erste Oberwelle liegt, je nach Band, ca 20 - 24 dB unter der Grundwelle.

Daten für die Oszillatoren:

31-m-Band 25-m-Band 19-m-Band
Frequenz des Osz. 11895-12495 kHz 13995-14695 kHz 17645-18345 kHz
Induktivität L 2,0 uH 1,67 uH 1,33 uH
Amidon T-50-6 22 Wdg 20 Wdg 18 Wdg
C1 82 p 56 p 27 p
C2 22 p ¦¦ Trimmer 20 p 18 p ¦¦ Trimmer 10 p 15 p ¦¦ Trimmer 5 p
C3 47 p 39 p 33 p
C4 270 p 240 p 180 p
C5 330 p ¦¦ 300 p 330 p ¦¦ 240 p 360 p ¦¦ 51 p
C6 2p2 2p7 5p6


Bild Büchse Oszillatoren :


Oszillator-Verstärker und Diodenringmischer

Schaltplan Oszillator-Verstärker, Mischer, Diplexer, ZF-VV, 1. ZF :

Schaltung 
Oszillator-Verstärker, Mischer, Diplexer, ZF-VV, 1. ZF
(Mit der Maustaste das Schaltbild anklicken, es wird dann in voller Auflösung dargestellt.)

Der Mischer SBL-1 von Mini-Circuits benötigt eine Oszillatorleistung von +7 dBm, das heisst eine Signalspannung von 500 mVeff an 50 Ohm. Dies wird mit dem Oszillator-Verstärker in der angegebenen Dimensionierung erreicht.
Die Funktion des Verstärkers muss an einem 50-Ohm Widerstand getestet werden, da nach Anschluss an den Mischer die Signalform und -höhe durch die durchschaltenden Dioden des Mischers verändert werden.
Wer höhere Ansprüche an die Grosssignalfestigkeit hat, kann einen Mischer mit Level 13, 17, oder sogar 23 einsetzen. Er muss lediglich durch Umdimensionieren des Verstärkers die Oszillatorleistung anpassen...

Diplexer

Ein Diodenringmischer will an allen Ports eine Impedanz von genau 50 Ohm sehen. Sonst verschlechtern sich seine Eigenschaften, insbesondere die Intermodulationsfestigkeit. Deshalb muss am ZF-Ausgang für alle Frequenzen diese Impedanz angestrebt werden.
Der Diplexer leitet mit seinem auf die ZF abgestimmten Längskreis (in Serienresonanz) die ZF ungehindert weiter. Gleichzeitig hat der Querkreis (in Parallelresonanz) seinen höchsten Resonanzwiderstand. Je mehr nun die anstehenden Frequenzen von der ZF abweichen, desto weniger leitet der Längskreis, und der Widerstand im Querkreis sinkt, was zu einer Ableitung und Absorption dieser Hochfrequenzenergien im 50-Ohm-Widerstand führt.

ZF-Vorverstärker

Um weiter den Mischer vor Signal-Reflexionen zu schützen, muss vor der Selektion im ersten ZF-Filter ein rückwirkungsarmer Verstärker in den Signalweg geschaltet werden. Ausserdem können dadurch die Verluste von 6 dB im Mischer kompensiert werden. Ein FET in Gateschaltung ist dazu geeignet. Er ist ohne Gegenkopplung grosssignalfest, und es stellt sich bei einem Drainstrom von 20 - 25 mA eine Vorwärtssteilheit von 20 mS ein, was einem Eingangswiderstand von 50 Ohm entspricht.
Am Ausgang liegt ein mit 2 Kiloohm bedämpfter Schwingkreis, dessen Induktivität in der Mitte angezapt ist, womit die Ausgangsimpedanz 500 Ohm beträgt.

Spulendaten für den Verstärker-Ausgangskreis :
Induktivität 9u88: Amidon-Kern T-68-2, AL 57 uH/100Wdg., ergeben 21 + 21 Wdg.

Erste Zwischenfrequenz: 2,545 MHz

Diese ZF hat sich bewährt. Sie ist hoch genug, um mit den Vorkreisen die Spiegelfrequenzen genügend zu dämpfen und gleichzeitig nicht zu hoch, sodass mit den freilaufenden Oszillatoren für AM-Rundfunk noch eine genügende Frequenzstabilität erreichbar ist.
Die Frequenzwahl soll auch berücksichtigen, dass auf den Spiegelfrequenzen keine Rundfunkbänder zu liegen kommen.
Die Selektivität muss hoch genug sein, um die Spiegelfrequenzen bezüglich der zweiten ZF genügend zu unterdrücken. Ich habe hier ein dreikreisiges Filter eingesetzt. Der erste Kreis wird mit 7 Windungen an den Ausgang des ZF-Vorverstärkers angepasst.

Daten für das erste ZF-Filter :
Amidon-Kerne T-68-2, AL 57 uH/100Wdg. 12 uH, entsprechend 46 Windungen.
Koppelwicklung für die dritte Induktivität: 1 Wdg.

Bild Büchse Mischer etc.:


Zweiter Mischer, Impedanzanpassung an das Collins-Filter (und andere Filter)

Schaltplan 2. Mischer, 2. ZF :

Schaltung 2. Mischer, 2. ZF
(Mit der Maustaste das Schaltbild anklicken, es wird dann in voller Auflösung dargestellt.)

Als zweiter Mischer/Oszillator arbeitet die ECF 80. Diese Schaltung hat sich bewährt, ich habe sie deshalb unverändert aus dem Röhren-Doppelsuper übernommen.
Am Ausgang des Mischers liegt ein Spulenbandfilter. Es übernimmt auch die Anpassung an das mechanische Collins-Filter.
Das Collins-Filter F-455-N40 ist in einem wunderschönen, zylindrischen Metallgehäuse untergebracht.

Daten:
- Bandbreite bei -6 dB: 3,6 kHz
- Bandbreite bei -60 dB: 8,5 kHz.

Am Ein- und Ausgang verlangt es Impedanzen von 100 Kiloohm, ausserdem Parallelkapazitäten von 130 pF.
Zur Impedanzanpassung verwendete ich ein modifiziertes Bandfilter 45.01 von Reinhoefer-electronic. Seine Leerlaufgüte beträgt 240. Bei der eingebauten Parallelkapazität von 150 pF beträgt die Induktivität 815 uH. Die Spule besteht aus drei Kammern mit je 72 Wdg. Der AL-Wert errechnet sich zu 175 uH/100 Wdg.
Unter der Annahme, dass die Betriebsgüte ca. 100 beträgt, rechnete ich:
Resonanzwiderstand = 2 pi * f * L * Q (Ohm, MHz, uH).
Umgeformt: L = Resonanzwiderstand dividiert durch (2 pi * f * Q).
Die Rechnung ergibt für einen Resonanzwiderstand von 100 Kiloohm eine Induktivität L = 350 uH, entsprechend 141 Wdg.
Der Einfachheit halber habe ich 1 Kammer abgewickelt, es bleiben noch 144 Wdg. Die Totalkapazität errechnet sich zu 330 pF, es bleiben also noch 180 pF, die ich extern anbrachte.

Diese Art des Anschlusses eines mechanischen Filters an die Mischröhre findet sich genauso bei Collins-Geräten.
Jedenfalls ist die Signal-Amplitude im Durchlassbereich recht konstant ausgefallen, soweit ich dies ohne Wobbelmesssender, lediglich mit dem Oszilloskop und dem Gehör feststellen kann.
Die Filterdämpfung im Durchlassbereich beträgt 15 dB. Collins spezifiziert ein Maximum von bis zu 21 dB!!
Das Filter ist für Rundfunkempfang recht schmal. Deshalb habe ich eine Ueberbrückung vorgesehen. Mittels Relais kann ich das Filter umgehen und die erste ZF-Röhre über eine Koppelkapazität ansteuern. Somit habe ich die Wahl von zwei Filterbandbreiten und kann je nach Situation umschalten, sehr komfortabel !

Bild Collins-Filter :


Um auch modernere Filter (z.B. Keramikfilter von Murata, mechanische Filter von Collins), die im Allgemeinen Ein- und Ausgangsimpedanzen von 2 Kiloohm haben, anschliessen zu können, muss natürlich eine Impedanztransformation vorgenommen werden. Dazu wird das Filter am Besten an eine Anzapfung eines einkreisigen Spulenfilters angeschlossen. Ich würde am Ausgang des Filters wieder hochtransformieren, und mit diesem Signal die erste ZF-Röhre ansteuern. Man profitiert auf diese Weise von der Spannungstransformation.
Eben dies war meine Idee, bevor ich zufällig das "alte" Collins-Filter fand. Deshalb habe ich die Verstärkung im Front-End so tief gehalten. Die Verstärkung durch den zweiten Mischer ist dann noch hoch genug (40 dB). Ich gehe davon aus (habe allerdings keine Zahlen), dass die modernen Filter die hohen Pegel kaum ertragen, die in den historischen Röhrengeräten an dieser Stelle vorkommen.

Zwischenfrequenzverstärker 455 kHz

Schaltplan ZF-Verstärker :

Schaltung ZF-Verstärker
(Mit der Maustaste das Schaltbild anklicken, es wird dann in voller Auflösung dargestellt.)

Die erste Stufe mit der EF 89 ist konventionell aufgebaut.
Bei der zweiten EF 89 sind die Widerstände zum Schirmgitter und zum kalten Ende des Ausgangs-Bandfilters grösser als üblich. Diese Dimensionierung fand ich in einem Philips-Tuner für LW, MW, KW und UKW.
Ich probierte auch die Variante mit den üblichen, kleineren Widerständen. Interessanterweise rauscht die Stufe dann mehr, dies bei kaum höherer Verstärkung. Also behielt ich die Philips-Variante bei. Ausserdem wird in der zweiten Stufe Schirmgitterneutralisation angewendet, die Dimensionierung der Kondensatoren entstammt ebenfalls dieser Philips-Schaltung.

Die ZF-Röhren werden mit einer verzögert einsetzenden Regelspannung geregelt. Damit auch ohne Regelspannung kein Gitterstrom fliesst, benötigen die Röhren eine Gittervorspannung.
Diese Grundgittervorspannung habe ich für beide Röhren auf -2,5 Volt gelegt. Diesen Wert empfielt H. Pitsch in seinem Buch (siehe Literaturverzeichnis).
Da die zweite EF 89 weniger Strom zieht, ist ihr Kathodenwiderstand grösser. Ausserdem ist der Widerstand aufgeteilt. Am unteren, nicht überbrückten Widerstand kopple ich die ZF aus, um sie (über einen Impedanzwandler an 50 Ohm) dem Synchrondetektor zuführen zu können. Auch bei schwächsten Sendern können hier die minimal geforderten 15 mVss abgenommen werden.

Ich habe auch mit anderen Grundgittervorspannungen experimentiert. Tiefere Werte ergeben naturgemäss eine grössere Verstärkung, die aber gerade bei den Sendern an der Rauschgrenze nicht in eine höhere Empfindlichkeit umgesetzt werden kann, das Signal/Rauschverhältnis wird nicht besser.
Höhere Werte vermindern natürlich die Verstärkung.
Zusammenfassend kann gesagt werden, dass H. Pitsch mit seiner Empfehlung einen guten Kompromiss getroffen hat!

Oft wird empfohlen, die letzte ZF-Röhre vor dem Demodulator weniger zu regeln als die anderen Röhren. Die Signalspannungen an der letzten ZF-Röhre können schon so hoch sein, dass eine zu starke Regelung zu Übersteuerungen führen würde. Im Sinne eines Spannungsteilers könnte am Knotenpunkt des Widerstandes von 220 Kiloohm zum kalten Ende des Bandfilters ein Widerstand von z.B. wiederum 220 Kiloohm nach Masse gelegt werden. Dann erhielte die zweite EF 89 nur noch die halbe Regelspannung.
Ich habe das probiert, obwohl ich auch bei starken Sendern keine Verzerrungen beobachtet habe (Achtung: Es ist sicher schon vielen Hörern aufgefallen, dass es Sender mit stark verzerrter Modulation gibt...). Diese Massnahme hat keinen Vorteil gebracht, was mich auch nicht wunderte, denn die Signalpegel vor dem ZF-Verstärker sind niedrig. Die grösste Verstärkung bringt der zweite Mischer mit 40 dB.
Bei Empfängern mit Vorstufenverstärkung und erster Mischröhre mit hoher Mischverstärkung sind die Verhältnisse natürlich anders, siehe Abschnitt "Konzept".

Bild Gerät von oben, Büchsen-Deckel abgenommen :


Demodulation, Regelspannungserzeugung, Niederfrequenz

Schaltplan Demodulation, AGC, NF :

Schaltung Demodulation, AGC, NF
(Mit der Maustaste das Schaltbild anklicken, es wird dann in voller Auflösung dargestellt.)

Diese Stufe mit der EBC 81 zeigt keine Besonderheiten. Die Regelspannung wird, wie gesagt, mit Verzögerung erzeugt, sodass bei schwachen Stationen die volle ZF-Verstärkung zur Verfügung steht.
Die gewonnene NF wird nach einem mehrpoligen Filter mit einer 6-dB-Grenzfrequenz von 4,5 kHz und nach dem Lautstärkesteller zur Verstärkung an die Triode der EBC 81 geführt. Nach einem weiteren Tiefpass folgt der Kathodenfolger mit der EC 92. Am Ausgang stehen 250 mVeff NF-Spannung an.

Wie immer habe ich einen Kopfhörer-Ausgang vorgesehen. Der Hörer ist mit einem kleinen, aus einem Transistorradio ausgeschlachteten Transformator angepasst. Mit einem Walkman-Hörer mit parallel geschalteten 32-Ohm-Systemen ist sehr gute Lautstärke und ausgezeichnete Audio-Qualität zu erreichen.

Frequenzanzeige

Ich benutzte wieder das Display aus dem Verlag des "Funkamateur". Es zeigt auf 100 Hz genau an.
Trotz Abschirmung und Verdrosselung der Stromzufuhr erzeugt es einige wenige, schwache Pfeifstellen. Deshalb habe ich die Stromversorgung schaltbar ausgeführt.

Stromversorgung

Der Transformator ist ausgelagert. Im Empfänger werden die Hochspannung und die Spannungen 18V, 15V und 12V stabilisiert.

Bild Gerät von unten :


Empfangsergebnisse

Die Empfindlichkeit des Empfängers ist noch etwas besser, als diejenige des Voll-Röhren-Doppelsupers. Dies wirkt sich vor allem im 19-m-Band positiv aus.
Die Sprachverständlichkeit der schwächsten Sender, die knapp über der Rauschgrenze liegen, ist nicht ganz so gut, wie bei meinem besten, noch etwas empfindlicheren, Halbleitergerät.
Die Regelcharakteristik ist mit zwei geregelten ZF-Stufen ebenfalls besser als beim Vollröhrengerät.
Spiegelfrequenzprobleme konnte ich keine feststellen. Und zwar weder bezüglich der ersten, noch bezüglich der zweiten ZF. Intermodulationsstörungen fehlen vollständig! Diese Rechnung ist zu meiner vollsten Zufriedenheit aufgegangen.
Das Collins-Filter leistet in verzwickten Trennschärfesituationen gute Dienste. Bei der schmalen Bandbreite kann zur besseren Sprachverständlichkeit an die Flanke abgestimmt werden.

Insgesamt befriedigt mich dieses Gerät. Sender, welche einigermassen oberhalb des Rauschens liegen, kommen mit schöner Klarheit, ohne Rauschen. Meist ist die Selektivität mit den Spulenfiltern absolut genügend. Die Möglichkeit der schmaleren Bandbreite mit dem Collins-Filter ist ein Privileg, für AM-Rundfunk aber keine Bedingung. Das Halbleiterfrontend scheint gut mit der Folgeschaltung in Röhrentechnik zu harmonieren.

Kritik

Wie erwähnt, ist mein bester Halbleiterempfänger noch etwas empfindlicher, als dieses Gerät. Wer eine DX-Maschine bauen will, müsste sich hier etwas einfallen lassen.
In vielen kommerziellen Röhrenempfängern sind mehr als zwei ZF-Stufen vorhanden. Dies allein erhöht die Empfindlichkeit allerdings nicht, verbessert aber die Regelcharakteristik.
Vor dem ersten Mischer zusätzlich zu verstärken, macht wenig Sinn, wenn man die Grosssignaleigenschaften nicht wieder verschlechtern will.
Wenn es keramische oder mechanische Filter verkraften *, würde ich nach dem ersten ZF-Filter eine zusätzliche, regelbare, oder schaltbare, rauscharme Verstärkung in der Grössenordnung von maximal 20 dB vorsehen. Flankierend würde ich das erste ZF-Filter um einen weiteren Kreis erweitern, um den zweiten Mischer vor breitbandiger Übersteuerung zu schützen. Immerhin werden in kommerziellen Doppelsupern an dieser Stelle Quarzfilter eingesetzt!
Man könnte auch das erste ZF-Filter als 2 zweikreisige Bandfilter ausbilden und den Verstärker dazwischen plazieren.

* Zu den Signalverträglichkeiten von beispielsweise Murata-Filtern habe ich keine Angaben gefunden. Im Katalog finden sich interessanterweise keine Angaben dazu.

Bauteile-Beschaffung

ZF-Filter:   Reinhoefer-electronic (www.roehrentechnik.de)
PIC-Frequenzdisplay:  Shop der Zeitschrift "Funkamateur" (www.funkamateur.de)
Diodenringmischer:  RFW Elektronik (www.rfw-elektronik.de)

Literatur

Reinhard Birchel, DJ9DV: Kurzwellen-Amateurfunkgeräte in Röhrentechnik, Beam-Verlag, 2003
Helmut Pitsch: Lehrbuch der Funkempfangstechnik, Akademische Verlagsgesellschaft Geest und Portig, Leipzig 1950
E.T. Red: Arbeitsbuch für den HF-Techniker, Franzis-Verlag, München 1986 (vergriffen, Nachdruck im Beam-Verlag erschienen)
E.T. Red: Funkempfänger-Schaltungstechnik praxisorientiert, Franzis-Verlag, München 1985 (vergriffen, Nachdruck im Beam-Verlag erschienen)
W. Schnorrenberg, DC4KU: Rauscharmer VFO für grosssignalfeste KW-Empfänger, Zeitschrift Funkamateur 2001, Nr. 10, 11 und 12
W. Schnorrenberg DC4KU: Grosssignalfestes HF-Eingangsteil, Zeitschrift CQ DL 2000, Nr.7 und 8

Dank

Ich möchte mich an dieser Stelle sehr herzlich bei Jochen bedanken, der mir wieder die Möglichkeit offerierte, dieses Projekt in seiner "Röhrenbude" zu veröffentlichen, obwohl es teilweise in "Sand" gebaut ist.

- Und ich, Jogi, bedanke mich herzlich bei Thomas für diesen, wieder einmal ausgezeichneten, Beitrag!

Basel, im September 2005
Guten Empfang wünscht Thomas

Zurück zur Hauptseite