Nils 845 - Amp
- von Nils Vormoor
Hallo, Jochen.
Hiermit stelle ich meinen 845 PSE Amp vor, der sich gerade in der Aufbauphase befindet. Weitere Fotos und Berichte werden
folgen.
Der Amp spielt schon sehr gut, hat einen weichen warmen Triodenklang. Die Leistung beträgt etwa 50 Watt. Laut
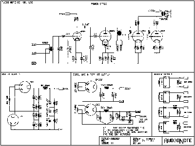
Schaltplan von AudioNote sollte er 75 Watt bringen, jedoch benötigt man dazu vielleicht die originalen Teile. (Es ist
die "AudioNote Ankoru" Schaltung)
Betrachtet man den Amp von vorne, sieht man rechts und links die beiden 845 für die Endstufe. Diese werden durch den
Interstage/Zwischenübertrager angesteuert. Die Treiberstufe bildet die 300 B und die Vorstufe eine 7044 oder E 182 CC.
Die beiden Systeme der 7044 sind parallel geschaltet.
Insgesamt hat der Amp noch vier Drosseln. Für die Endstufe 7 H und jeweils 10 H für Vorstufe, Treiberstufe und
Gittervorspannung (- 100 bis - 150 Volt).
Die Gleichrichterröhren habe ich erst einmal weggelassen, dafür wurden Brückengleichrichter verwendet. Nun
besitzt der Trafo für die Anodenspannung der beiden 845 eine 900 Volt Wicklung.
Die Heizungen der 845 sind über 20 Ohmwiderstände symmetriert. Ich habe keine Gleichstromheizung genommen, da unter
Umständen durch die einseitige Heizung (Kathodenemissionen) die Lebensdauer der 845 verkürzt wird.
Bei dem Aufbau des Verstärkers sollte man auf ein gut isoliertes Anodenspannungskabel für die 845 achten (1200
Volt!!).
Zur Beschaffung der Transformatoren:
Gerd Reinhöfer war sehr freundlich und hat mir bei der
Zusammenstellung der Trafos geholfen und außerdem gute Tipps gegeben (Drosseln, Ausgangsübertrager). - Nur den
Interstage hatte ich noch über. Er hat primär 3 Kohm und 5 Kohm. Sekundär ebenfalls 3 Kohm und 5 Kohm. Ich
habe ihn an der 300 B Seite (prim) auf 3 Kohm und bei den 845 (sek) auf 5 Kohm angeschlossen, so habe ich zusätzlich
noch eine Spannungsverstärkung. - Evtll. lasse ich mir auch noch mal einen besseren Interstage von Gerd wickeln.
Die gesamte Schaltung wurde auf Lötleisten frei verdrahtet.
Jetzt muss ich den Verstärker nur noch überarbeiten bzw. vervollständigen, wie Abdeckungen bauen usw.
Zum Schluss: Meiner Meinung nach sollte man bei dieser Schaltung einen Amp (einen Kanal) in ein Gehäuse bauen. Ich
habe mit zwei Monoblöcke gebaut, somit hat man z.b. bei Hochspannung genug Abstand, Lötmöglichkeiten etc.
Gruß,
Niels Vormoor
- Mit einem Mausklick auf das Schaltbild wird es in voller Auflösung angezeigt
