Der ECC82er.Amp
von Patrik Schindler


Eine Endstufe mit Trioden. Das wäre was. Aber mit echten Trioden, nicht eine EL-irgendwas mit Schirmgitter an die Anode geknotet. Ein Versuchsballon mit ECC82.
Die Ausgangstrafos habe ich bei BtB mit der Angabe "Bitte 2 x ECC82-Übertrager, Gegentakt" wickeln lassen. Kostenpunkt wie ECL86-Eintakt, ist aus der dortigen Preisliste ersichtlich.

Die Schaltung des Verstärkerchens
Konzipiert als Kleinleistungsverstärker mit entsprechend geringer Leistungsaufnahme, z.B. für den Computerschreibtisch, macht sich die Schaltung sehr gut, gelangt mit ihren nicht ganz 2 x 1W Sinus aber schnell an ihre Grenzen. Es empfiehlt sich hier, Schallwandler mit möglichst hohem Wirkungsgrad (und möglichst wenig leistungsfressender Frequenzweiche) zu benutzen, dann ist die Schaltung auch für größere Wohnräume ausreichend und schafft ohne hörbare Verzerrungen mehr als Zimmerlautstärke! Schön ist in dem Zusammenhang, daß die Ausgangsleistung bei wesentlich geringerer Ruhestromaufnahme sehr ähnlich derjenigen des EL95-Verstärkers.

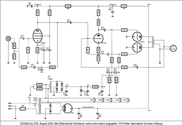
Schaltbild
(Mit der Maustaste das Bild anklicken, es wird dann in voller Auflösung dargestellt.)

Ein paar Worte zur Schaltung: Hier habe ich versucht, über das Laustärkepoti und die Pentode eine gehörrichtige Lautstärkeeinstellung zu realisieren, die auch leidlich gut funktioniert. Der Nachteil ist, daß sich die Lautstärke nicht ganz auf 0 reduzieren läßt. Bis auf die Auswahl der zugegebenerweise exotischen ECF802 als Treiberröhre bietet die Schaltung ansonsten nichts besonderes. Mit einem passenden Trafo läßt sich der sowieso schon geringe Störabstand durch Einsetzen von PCF802 und 0,3A Gleichstromheizung noch weiter drücken. Die EZ80 als Gleichrichterröhre ist eher ein optischer denn ein funktioneller Faktor.


Gesamtansicht von der besten Seite.
Der DIN-Stecker in der Bildmitte fungiert im Moment nur als Kurzschlußstecker, hier habe ich eine Postpentoden-Andockmöglichkeit für einen noch zu bauenden Subwooferteil vorgesehen.

Der Aufbau ist zur Abwechslung mal relativ locker. Im Schaltbild derzeit nicht berücksichtigt ist der Eingangswahlschalter. Das ordentliche Verlegen der Leitungen hat sich im Nachhinein als Katastrophe erwiesen: Das Teil schwingt munter, wenn man den Eingangswiderstand der Pentode zu sehr vergrößert (Rg1). Hier werde ich mal noch nachbessern.
Brummen und Rauschen ist bei dieser Schaltung so gut wie nicht vorhanden, eine sehr positive Nebeneigenschaft. Man kommt daher auch mit kleinen Netzelkos aus.


Das Innenleben, rechts oben sieht man gut die Netzdrossel.

Inzwischen habe ich an dem Verstärkerchen noch kleinere Modifikationen vorgenommen, die noch nicht in diese Beschreibüng eingeflossen sind (kommt aber noch). So ist der auf den Bildern ersichtliche DIN-Kurzschlußstecker, der für einen späteren Subwooferanschluß (aktiv) gedacht war, rausgeflogen, weil ich das eh nicht realisiert bekomme, rein zeitlich. Dafür habe ich als Lochstopfer eine EAA91 eingebaut, die im Zusammenspiel mit zwei Stück 1N4004 einen Brückengleichrichter für die Gittervorspannung bilden.

Meßwerte liefere ich bei Gelegenheit mal nach. Das Aufnehmen der Meßkurven verschlingt einiges an Zeit...
Gruss, Patrik Schindler


Zurück zur Hauptseite