Kondensatorprüfer C-Check
von Paul Heussner

Die Idee zu diesem Gerät entstand Ende letzten Jahres. Zu der Zeit veröffentlichte Wolfgang Holtmann im RM eine Schaltung zur "Messung des Isolationswiderstandes von Kondensatoren", mit einer EM800 als Anzeigeröhre.
Genau so etwas fehlte mir noch zur Überprüfung der Kondensatoren bei meinen Radiorestaurationen, und die Sache machte mich Neugierig.
Es handelt sich um eine verbesserte Version des schon in den 50er Jahren von Fritz Kühne gemachten Vorschlages in RPB 88.


(Mit freundlicher Genehmigung von Wolfgang Holtmann)

Ein Probeaufbau (Drahtigel) war sehr vielversprechend und der Bau des Gerätes beschlossene Sache. Beim Rumspielen kam mir dann noch die Idee, das eigentlich eine eingebaute Kapazitätsmessfunktion noch sehr nützlich sei. So hat man nur ein Gerät auf dem Tisch stehen und kann beides testen, der Prüfling ist ja eh schon angeschlossen.

Zur Realisierung dieser Funktion hatte ich ürsprünglich an eine zusätzliche Röhre für einen Frequenzgenerator gedacht, um auch kleine Kapazitäten messen zu können. Wolfgang überzeugte mich aber mit einer sehr simplen Schaltungserweiterung (Meßbrücke) unter Verwendung der Netzfrequenz. Die ganz geringen Kapazitäten lassen sich jetzt zwar nicht messen, sie stellen aber auch weniger die Problemfälle bei den alten Radiogeräten dar. Mir erschien es wichtiger, mit dem Gerät die Kondensatoren prüfen zu können, die üblicherweise bei den Restaurationen die Probleme bringen. Das ist möglich, und selbst große Elkos, wie sie an den Kathoden der Endstufenröhren zu finden sind, lassen sich prüfen.

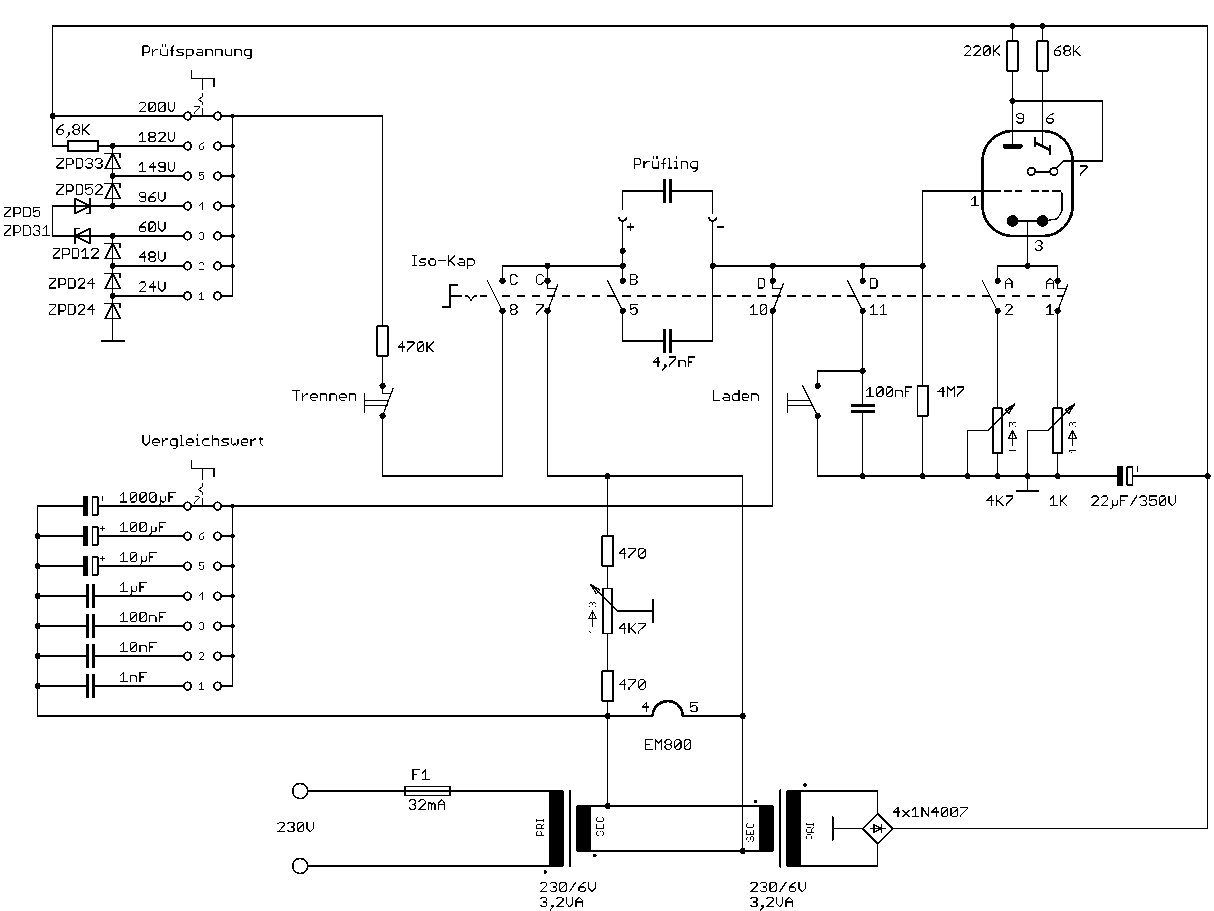
Die Schaltung des endgültigen Gerätes:

Schaltung
(Mit der Maustaste das Schaltbild anklicken, es wird dann in voller Auflösung dargestellt.)

Die Schaltung besteht im wesentlichen aus vier Bereichen. Netzteil zur Versorgung der Schaltung, Meßbrücke zur Kapazitätsmessung, Isolationsmessung und Anzeigeteil mit der EM800. Für den Isolationstest wurden 7 verschiedene Prüfspannungen vorgesehen.
Die Spannungen sind so gewählt, das sie jeweils knapp unterhalb der zulässigen Gleichspannung der üblichen Abstufung bei Kondensatoren liegen, also z.B. 60 V für einen 63 V Kondensator. Die maximale Spannung liegt bei 200 V.

Zur Kapazitätsmessung wurden ebenfalls 7 Stufen vorgesehen. Die Vergleichskondensatoren liegen von 1 nF bis 1000 µF. Damit lassen sich Kondensatoren im Bereich von 200 pF bis 5000 µF bestimmen.

Zwischen beiden Meßverfahren kann über einen Schalter einfach gewechselt werden. Da bei der Kapazitätsmessung auf Minimum abgeglichen wird, bei der Isomessung der Leuchtbalken der EM800 aber auf Maximum stehen muß, wurde eine zusätzliche Umschaltung des Kathodenwiderstandes notwendig. Der Leuchtbalken läßt sich nun getrennt justieren und die Einstellung kann von außen durch die Geräterückseite erfolgen.

Der Bau des Gerätes:
Nach dem erfolgreichen Drahtigelaufbau ging es daran, ein Gerät zu bauen. Als erstes stand die Suche nach einem brauchbaren Gehäuse auf dem Programm. Die vorhandenen Blechgehäuse waren entweder viel zu groß, oder so flach, das die Trafos nicht mit ausrechendem Sicherheitsabstand montiert werden konnten. Außerdem sollte die EM800 unbedingt im Gerät sein und nicht nach außen herausstehen. Schließlich sollte es kein Show-Verstärker werden, sondern ein nützliches Meßgerät, das alltagstauglich sein muß.
So fiel die Wahl schließlich auf dieses Gehäuse, das wohl mal einen kräftigen Sturz nicht gesund überlebt hatte:


Ausgeräumt bot das Gehäuse ausreichend Platz. Hier sollte eigentlich alles hineinpassen. Und von außen lackiert ist es auch schon.

Für das Netzteil wurde eine kleine Leiterplatte entworfen. Sie trägt zusätzlich die beiden Trimmer, die durch Bohrungen in der Gehäuserückwand einstellbar sind (Neben dem rechten Trafo, auf der Lötseite montiert).
Hier (folgendes Foto) ist die Leiterplatte bereits eingebaut und auf dem Gerät sind schon die beiden Buchsen für den Anschluß des Prüflings montiert:


Der ursprüngliche Gehäusedeckel konnte leider nicht mehr gerettet werden und daher wurde eine mißlungene Leiterplatte als Deckel zweckentfremdet. Nachdem die Problematik der Befestigung geklärt war (die alte Front wurde von hinten mit Blechschrauben befestigt) wurde gebohrt, gefräst, lackiert und die Platte mit einem hübschen Aufkleber versehen.


Die Frontplatte wurde bestückt und mit der Verdrahtung begonnen. Die Rückseite der Platte sieht nun so aus, wie auf den folgenden Bildern gezeigt. Die Befestigungschelle der EM800 stammt übrigens aus einer alten Radioleiche.




Ein paar passende Knöpfe (von einem russischen Scope) fanden sich auch noch und fertig montiert sieht das Gerätchen doch ganz nett aus. Außer für ein EM800 (meine ist mir beim spielen vom Tisch gerollt und zerdeppert) sind keine weiteren Kosten angefallen. Alle Bauteile, ja selbst der Lack, waren vorhanden, bzw. es wurde so geplant, das Vorhandenes verwendet werden konnte.


Was beim Nachbau besonders zu beachten ist:
Mit dieser Schaltung sind Widerstände bis in den G-Ohm-Bereich meßbar. Es muß daher auf sehr gute Isolation der Prüfbuchsen und der Gitterverkabelung geachtet werden. Der 4,7 nF-Kondensator muß von sehr guter Qualität sein und hohe Isolationswerte haben. Der 4,7 MOhm-Widerstand sollte direkt an der Fassung befestigt werden, die ebenfalls qualitativ hochwertig sein sollte.

Wie wird nun gemessen?

Die Kapazitätsmessung:
Der Schalter Iso-Kap wird auf Kap gestellt. Danach mit Vergleichswert der einzustellende Meßbereich entsprechend der aufgedruckten Kapazität des Kondensators gewählt.
Der Prüfling wird angeschlossen, wobei die Polarität bei Elkos keine Rolle spielt. Anschließend wird mit dem Poti Kapazität auf minimalen Ausschlag der EM800 abgeglichen. Die Kapazität des Prüflings kann dann nach der Potistellung berechnet werden.
Beispiel: Der zu messende Kondensator soll 47 µF haben. Als Meßbereich wird 100 µF gewählt und nach Abgleich wird x 0,2 abgelesen. Der Prüfling hat dann 100 µF * 0,2 = 20 µF, also eindeutigen Kapazitätsverlust und ist unbrauchbar.

Hinweis: Bei der Bestimmung großer Kapazitätswerte kann es einige Sekunden dauern, bis die Kondensatoren umgeladen sind und die Anzeige reagiert.

So sieht dann die Messung eines Kondensators aus. Der Kapazitätswert des Prüflings ist in diesem Fall mit 5000 pF angegeben:


Die Isolationsmessung:
Hinweis: Elkos haben von Hause aus viel niedrigere Isolationswiderstände als Papier- oder Folienkondensatoren. Daher sind diese von der Isolationsmessung ausgeschlossen! Die Messung ist optimiert für den Test von Koppelkondensatoren im Bereich von 200 MOhm bis in den G-Ohm Bereich. Unterhalb von ca. 10 MOhm ist keine deutliche Anzeige mehr möglich.

Bemerkung: Hier muß zunächst gesagt werden, das eine direkte Skalierung in Ohm nicht möglich ist. Einerseits hängt es zu sehr von der Qualität der Bauteile und des Aufbaues ab, andererseits aber auch von der verwendeten Prüfspannung. Die höchste Empfindlichkeit hat die Schaltung auch mit der höchsten Prüfspannung.
Mit der Zeit bekommt man ein Gefühl dafür, wie man die Anzeige interpretieren muß. Ein Kondensator mit sehr hohem Isolationwiderstand bewirkt kaum einen Rückgang des Ausschlages. Ein schlechter Kondensator (auch wenn direkt mit dem DMM noch nichts meßbar ist) läßt die Anzeige dagegen herunterfahren.
Für genaue Angaben in Ohm müßte das jeweilige Gerät mit definierten Widerständen bei den verschiedenen Prüfspannungen kalibriert werden.

Zur Messung wird am Schalter Prüfspannung die gewünschte Spannung, je nach Spannungsfestigkeit des Kondensators, eingestellt und der Schalter Iso-Kap auf Iso gestellt. Nun wird der Prüfling angeschlossen.
Während der Aufladung des Kondensators fährt die Anzeige der EM800 nach unten, da der jetzt fließende Ladestrom einen Spannungfall am Gitterwiderstand der EM800 verursacht und das Gitter positiv ansteuert. Nach einiger Zeit ist der Aufladevorgang beendet und die Anzeige erreicht ihren Maximalwert für diesen Prüfling. Bei einem Kondensator mit guten Isolationswerten sollte die Anzeige nun im oberen Endbereich liegen. Je tiefer sie liegt, desto schlechter sind die Isolationeigenschaften.
Bei großen Kapazitätswerten kann der Ladevorgang sehr lange dauern. Zur Verkürzung kann dann die Taste Laden gedrückt werden.

Für Aussagen im G-Ohm-Bereich ist diese direkte Messung nich mehr brauchbar und es muß indirekt gemessen werden. Dafür dient der Taster Trennen. Eine sehr gute Erklärung zur Funktionsweise hat Wolfgang erstellt, die ich hier wiedergebe:
Wir wissen alle, ein einmal aufgeladener Kondensator hält seine Ladung, nach Trennung von der Spannungsquelle, für eine gewisse Zeit fest. Wird nach dieser Zeit die gleiche Spannung wie zuvor angelegt, dann zeigt ein empfindliches µA-Meter bei einem (idealen) Kondensator mit unendlich hohem Isolationswiderstand, keinen erneuten Ladestrom an. Logisch, es besteht ja kein Potentialunterschied. In der Praxis jedoch, entlädt sich jeder Kondensator mehr oder weniger schnell. Das ist wiederum abhängig vom Isolationswiderstand! Daher kann man eine GUT-SCHLECHT Aussage (mehr nicht) machen, ob (und wie stark) nach z.B. 10 Sekunden ein erneuter Ladestrom nötig war.

Bei einem Kondensator mit guten Isolationswerten sieht das Ergebnis der Messung dann so aus, der Leuchtbalken der EM800 steht fast auf Maximum:


Und so bei einem schlechten Kondensator, den es zu entsorgen gilt:


Fazit:
Dieses Gerätchen ist zwar einfach und simpel, aber ausgesprochen nützlich. Die Anzahl der Kondensatoren in meiner Bastelkiste hat sich dadurch schon drastisch reduziert.
Nebenbei kann man nicht nur Kondensatoren damit prüfen. Auch bei Drosseln, Trafos etc. lassen sich Aussagen über die Isolation machen. Für den Tester ist es nichts anderes, als ein mehr oder weniger guter Kondensator.

Gruss, Paul

Zurück zur Hauptseite