Sarg-Radio zur Erinnerung an den Sender Königs Wusterhausen
von Peter Karpowski

Hallo Jogi,
eigentlich hatte ich bereits votrr einem Jahr schon vorgehabt, Dir meinen Beitrag per CD Rom und Brief zukommen zu lassen, da ich keine eigene E-mail Adresse hatte. Nun habe ich endlich einen DSL Zugang und eine E-mail Adresse und kann Dir meine Dateien zusenden.
Beim stöbern im Internet über alte Rundfunktechnik entdeckte ich Deine wirklich tollen Seiten. Als erstes einen schönen Dank, dass Du auf diese Weise allen Röhrenfreaks die Möglichkeit eröffnest, miteinander zu kommunizieren und an den Erfahrungen anderer teilzuhaben.
Weiter so ! Lasse Dich nicht von den ewigen Besserwissern ärgern, ich habe schon mit zwölf Jahren Allstromempfänger gebaut oder repariert und lebe immer noch. Man leckt halt nicht an 220 Volt !
Zu meiner Person: Ich heiße Peter, bin 49 Jahre alt, Autoelektriker und seit meiner frühesten Kindheit begeisterter Bastler. Meinen ersten Detektorempfänger baute ich mit Hilfe meines Vaters in meinem ersten Schuljahr.
Meine Kindheit verbrachte ich oft im Garten meiner Eltern bei Königs Wusterhausen.
Die weithin sichtbaren Sendemasten faszinierten mich von Anfang an und ich erinnere mich noch heute an den Anblick des damals noch stehenden "Dicken"(Mittelturm). - Was habe ich in den Ferien mit einem gleichgesinnten Freund in seiner Bude herumgebastelt. Im kleineren Umkreis betrieben wir eine Zeitlang -man solle uns vergeben - sogar einen kleinen UKW Sender, aus einem alten Rundfunktuner gebastelt und anodenmoduliert. Die paar Milliwatt reichten zumindest, um unsere eigene Musik im Kofferradio am Strand zu hören.
So oder so ähnlich hat wohl jeder "infizierte" mal angefangen!
Wir wurden älter, es kamen neue Interessen hinzu, man begann die Lehre und "bastelte" lieber an den Mädchen, gründete später eine Familie und irgendwann geriet das einstige Hobby in Vergessenheit.
Ein auf einem Dachboden aus seinem Dornröschenschlaf geweckter Empfänger Lumophon W100 weckte vor einigen Jahren den in mir schlummernden Bastelvirus erneut.
So kam ich dann wieder zur Radiobastelei und -sammelei sowie dem verwunderten Kopfschütteln meinen lieben Mitmenschen.
Den letzten Anstoß gab mir die Entdeckung Deiner Seiten und der nunmehr offensichtlichen Tatsache, dass es noch mehr solche Irren wie mich gibt. Ist ja auch letztlich irgendwie beruhigend!

Heute möchte ich Dir also eines meiner gelungensten Projekte vorstellen. Sollte es Dir gefallen, habe ich die große Bitte an Dich, es doch vielleicht auf einer Deiner Seiten auch anderen vorzustellen.
Wie Du sicher von anderen Freunden oder aus der Presse erfahren hast, haben wir es der Ignoranz und dem Profitdenken einiger Schlipsträger aus den Reihen der Telekom zu verdanken, dass nunmehr die letzte Erinnerung an die Wiege des Dt. Rundfunks -das Rundfunkmuseum Königs Wusterhausen- geschlossen wurde.
Die Mietverträge mit dem Förderverein wurden im April 2005 nicht mehr verlängert und eine weitere Zukunft des wirklich tollen Museums ist trotz großen Besucherinteresses bis jetzt noch völlig unklar.




Dies veranlasste mich zum Bau dieses, nachfolgend beschriebenen, Batterieröhreneinkreisers, um dem Rundfunksender KW ein persönliches, würdiges Denkmal zu setzen.

Viele Grüße
Peter Karpowski



Baubeschreibung
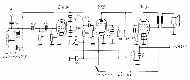
Bei dem von mir in ca.2 Monaten Bauzeit fertig gestellten 3-Röhren-Einkreiser handelt es sich um einen Diodengleichrichter mit Rückkopplung und nachfolgendem zweistufigen NF Verstärker.
Die Eingangsstufe ist einer Schaltung von Dieffenbach entlehnt und hat wirklich hervorragende Empfangseigenschaften, siehe auch Sachertortenradio.
Den Eingangangskreis habe ich mit einer Ferritantenne versehen, welche mir in Berlin auch tagsüber den Empfang der Ortssender ermöglicht (Dt. Welle seit September leider nur noch Gänsehaut erzeugendes digitales Rumgerausche).
Jenseits der Berliner Elektrosmogglocke im beschaulichen Garten gelang mir Mitte September Abends gegen 23 Uhr an einer zwei Meter langen Hilfsantenne in zwei Meter Höhe über dem Boden der Empfang von ca. 45 einwandfrei zu trennenden Stationen. Wirklich, kein Bastlerlatein!

Die Röhrenbestückung besteht aus den bekannten Batterieröhren DAF 96 , DF 96 und DL 96.




Umfangreiche Vorversuche brachten mir die Erkenntnis, dass drei Röhren das Optimum in einem solchen Empfänger darstellen, da alle bisherigen Versuche mit zwei Röhren nach meinem dafürhalten entweder zu leise oder zu unempfindlich mit den angestrebten niedrigen Anodenspannungen arbeiteten.
Auch habe ich die Erfahrung gemacht, das sich ein direktes anschließen des Kopfhörers an den Anodenkreis einer nicht als Endröhre vorgesehenen Pentode sowohl negativ auf den Klirrfaktor als auch auf die zu erzielende Lautstärke auswirkt.
Zu einem befriedigenden Ergebnis kam ich, auch mit Rücksicht auf die angestrebte Größe des fertigen Empfängers mit 36 Volt Anodenspannung, aus 4 Blöcken 6 F 22 und einer echten Endpentode mit Ausgangsübertrager in der Endstufe.
Mit dieser Anordnung brüllt die Kiste an einem HiFi Kopfhörer recht ordentlich und es ist auch ein bedingter Lautsprecherempfang möglich. Der Klang übertrifft alle meine vorherigen Erwartungen !

Schaltplan des Sargradio
(Mit der Maustaste das Schaltbild anklicken, es wird dann in voller Auflösung dargestellt.)


Die Schaltung zeigt eigentlich keine Besonderheiten, nur eine Eigenheit bereitet mir seit der Fertigstellung Kopfzerbrechen. Vielleicht hat ja jemand eine Idee? Ich musste nämlich den Schirmgitterkondensator der ersten NF Stufe (DF 96, 100 nF) weglassen. Ist er angeschlossen, tritt ein mörderisches Blubbern auf. Ohne ihn spielt es toll...
Seine Heizspannung bezieht der kleine Empfänger aus einer alkalischen Babyzelle, was für mehrere Stunden ungetrübten Hörgenuss sorgt.
Das äußere des Empfängers wurde, wie den Bildern zu entnehmen, als Sarg ausgelegt. Dieser wurde aus Sperrholz gefertigt, gebeizt und mit Parkettlack lackiert. Die Beschläge wurden aus Messing gefertigt, sämtliche Scharniere sind mit Epoxydharz eingeklebt. Die Plättchen der Drehknöpfe wurde gegen solche aus Messing getauscht.
Da es die Höhe des Ausgangsübertragers nicht anders zuließ, musste dieser ebenfalls mit einem kleinen Kästchen aus Messing abgedeckt werden.
Für eine ansprechende Repräsentation sind die drei Röhren mit einem Spiegel hinterlegt und durch zwei blaue LED von unten beleuchtet. Sieht wirklich toll aus, zumal man das Leuchten der Heizfäden eh kaum sieht.


Das Messingschild auf dem Deckel des Sarges wurde nach vorherigem abdecken mit Seno Transfer Folie und Tesafilm geätzt, anschließend schwarz lackiert. Die durch das ätzen nunmehr erhabenen Buchstaben wurden mit 400er Nassschleifpapier freigeschliffen und anschließend das ganze Schild mit farblosem Lack überzogen. Ebenso wurde das Firmenschild gefertigt.
Das Foto im Deckel stammt aus den frühen zwanziger Jahren, dem Beginn erster Rundfunkausstrahlungen und ist durch eine Glassscheibe geschützt.
Eine kleine Messingkette verhindert ein zu weites öffnen des Deckels und verbessert die Repräsentation des Fotos.
Die Blechteile des Aufbaus wurden mit schwarzer Möbelfolie beklebt.
Unter dem Klappdeckel befinden sich die Halter für Heiz- und Anodenbatterien. Im "Sarg" liegt eine kleine Haspel aus Pertinax für die Hilfsantenne, welche über einen Miniaturbananenstecker im Bedarfsfall angeschlossen werden kann.


Die Verbindung zum Kopfhörer stellt eine 3,5 mm Stereoklinkenbuchse her. Bei dem erwähnten Ausgangübertrager handelt es sich um einen kleinen Netztrafo 15 Volt aus meinem Fundus, der seinen Dienst überraschend gut tut. Er hat primärseitig einen Gleichstromwiderstand von 2,7 k Ohm und sekundär 20 Ohm. Bei der ersten Inbetriebnahme stellte sich sofort heraus, dass aufgrund der hohen Verstärkung eine Abschirmung der Eingangsröhre unerlässlich ist, sofern man den Empfänger nicht unbedingt als " Leitungssucher " benutzen möchte. Diese wurde auch aus Messingblech gefertigt und mit der Masse verbunden.


Das Sargradio macht mir seit geraumer Zeit viel Freude und sorgte schon bei vielen Leuten für ungläubiges Staunen!

Das letzte Foto zeigt mich mit weiteren Eigenbauten.



Zurück zur Hauptseite