Der GU50-Amp
von Schippi



Vorgeschichte:
Als Hobby-Boxenbauer (mit beruflichem Hintergrund) habe ich im Laufe der Zeit viel Geld in den Kauf von Lautsprecherchassis und viel Zeit in den Bau von Boxengehäusen verschiedener Bauart gesteckt, ohne mit dem Ergebnis jemals restlos zufrieden zu sein. Mit verschiedenen (Transistor-) Receivern und Verstärkern kam mir der Klang immer irgendwie verschnupft und nervig vor, ohne dass ich sagen konnte, woher dieser Effekt kam.
Ein Quantensprung im Klangeindruck tat sich auf, als ich eine Quad-Röhrenkombination Quad II / Quad 22 zur Reparatur im Haus hatte.
Nach der Hörprobe des Quad war klar: ein Röhrenverstärker muss her.
Ich erstand also bei einem örtlichen Händler einen Jolida SJ502-A, der klanglich der Quad-Kombination nur wenig nachstand.
Nach kurzer Zeit nervte mich jedoch störendes Trafobrummen und mangelhafter Poti-Gleichlauf des Lautstärkeeinstellers. Also ersetzte ich die billigen Potis durch Alps-Typen und den brummenden Netztrafo durch einen Ringkerntrafo. Das Ergebnis war O.K. - ,Jeder ahnt jedoch, wie´s weitergeht: Der Röhren-Virus schlug bei mir gnadenlos zu.

Im Internet fand ich auf diversen DIY-Seiten die abgefahrensten Selbstbauprojekte und beschloss, es auch noch mal zu versuchen (meinen ersten Verstärker mit 2 x EL84 baute ich so um 1965 und hatte nach dem Rückzug der Röhre aus der Unterhaltungselektronik nichts mehr mit Röhrentechnik zu tun gehabt).

Der neue Verstärker sollte: 1. Nicht zu teuer sein
2. Nicht zu gross und schwer werden
3. Auch normale Lautsprecher ansteuern können
4. Einen zumischbaren Eingang für meinen Synthi haben
5. Einen Ausgang für einen SubbassAmp haben
6. Und wenns geht sollte er auch ein bisschen chic aussehen
Als ein Bekannter mir eine Schachtel voller GU50- Senderöhren mitbrachte, war es soweit. Der GU50-Amp tauchte aus dem Nebel verschiedener möglicher Konzepte auf und nahm dann schnell materielle Form an.

Der mechanische Aufbau








Die Form des Chassis ergab sich aus folgenden Vorgaben:
Ausser den Röhren und Bedienelementen sollte von vorne kein Bauteil sichtbar sein und der Verstärker sollte auch nicht zu gross und technisch aussehen.






Das Netzteil wurde komplett ausgelagert und sitzt in einem eigenen Gehäuse, welches versteckt untergebracht werden kann. Dadurch entfallen auch Probleme mit magnetischen Einstreuungen aus dem Netztrafo in den Verstärker.




Die Verbindung der beiden Komponenten erfolgt über ein 12-poliges Steuerkabel mit Spezialstecker.


Die Ausgangstrafos sind zwei Ringkerntrafos 3A524 von Amplimo / Holland. Diese sind für eine Leistung von 40W ausgelegt und haben einen Frequenzbereich von 3 Hz bis 21 KHz / -1dB. Durch die geringe Bauhöhe passen sie genau ins Gehäuse.

Chassis
(Mit der Maustaste das Bild anklicken, es wird dann in voller Auflösung dargestellt.)

Das Chassis besteht aus einem Rahmen aus U-Profilalu mit aufgeschraubten Aluplatten und zusätzlichen L-Profilen für den Aufbau mit den Röhrenfassungen.
Als Sichtblende habe ich zwei Deckbleche auf der Biegebank zurechtgebogen und die Löcher für die Röhren gebohrt bzw. gesägt.
TIP: alle Löcher grösser 4mm bohre ich nur noch mit dem Stufenbohrer im Bohrständer (Sprühöl nicht vergessen). Die Löcher werden absolut rund, mit der nächsten Stufe entgratet man das Loch oder setzt eine leichte Senkung. Macht einfach Spass und geht schnell !
Den Abschluss bildet oben ein Lochblech zur Belüftung des Amps, welches an den Kanten ebenfalls abgewinkelt ist.
TIP: bei schmalen Kanten erst Biegen, dann zusägen, sonst springt das Blech aus der Abkantbank.


In das Bodenblech kamen an strategisch wichtige Stellen Löcher zur Belüftung.


Die Frontplatte aus 4mm Alu habe ich wegen der Beschriftung bei Fa. Schaeffer Apparatebau in Berlin fräsen lassen.
Dann habe ich die sichtbaren Bleche zum Verchromen gebracht (huh, war echt teuer).
Die eingefräste Beschriftung habe ich mit Farbe ausgefüllt und nach dem Antrocknen überstehenden Lack mit Papier weg"poliert".


Die Rückseite des Verstärkers und Front- und Rückseite des Netzteilgehäuses habe ich rot lackiert, mit goldenen Abreibesymbolen beschriftet und mit Klarlack geschützt.
Den seitlichen Abschluss des Verstärkerchassis bilden zwei Holzbacken aus garantiert unökologisch geschlagenem Tropenholz. (Gelobt sei meine Fräse, die als einziges Werkzeug mit dem Hartholz fertig wurde.)
Wer kleine Kinder in der Familie hat, sollte einen rechteckigen Käfig aus feinmaschigem Gitter über das Verstärkeroberteil stülpen, der mit den Holzwangen zusammen an das Chassis geschraubt werden kann.

Die Schaltung des Verstärkers

Schaltbild Amp
(Mit der Maustaste das Bild anklicken, es wird dann in voller Auflösung dargestellt.)

Der Verstärker baut auf die sehr verbreitete Schaltung von Williamson auf. Auf die gleichspannungsgekoppelte Phasenumkehrstufe folgt je eine Treibertriode, so dass die Steuerspannung für die GU50 ausreichend hoch ist.
Im Interesse des guten Klangs sitzen im Signalweg keine Elkos und die Gegenkopplung vom Lautsprecherausgang auf die Kathode der Eingangstriode ist klein gehalten.
Mit einer zweiten 12AX7 wird das geregelte Eingangssignal für den Subbassausgang ausgekoppelt, verstärkt und impedanzgewandelt. Ein Einschaltverzögerungsmodul schliesst den Ausgang kurz, bis sich die Arbeitspunkte der Röhre stabilisiert und der Ausgangskondensator aufgeladen hat und sperrt den Ausgang sofort nach Ausschalten des Gerätes wieder.
Bei mir laufen die Endröhren in Triodenschaltung, was wegen der maximal erlaubten Schirmgitterspannung von 250V weit ausserhalb der Röhrenspezifikation liegt. Die negative Gittervorspannung muss dabei ca. 80V betragen, um einen Ruhestrom von 40 mA zu ermöglichen.
- Nicht zur Nachahmung empfohlen, gefällt mir vom Klang her aber gut.

Aufbau, Verdrahtung und Masseführung






Wie man auf den Fotos sehen kann, sind die Röhren liegend beidseitig eines pyramidenförmigen "Kanals" in der Mitte des Verstärkers angeordnet. In der Mitte dieses Kanals verläuft die Masseschiene und zwei Lötleisten, welche die Bauteile zur Gleichspannungsversorgung aufnehmen.
Alle Widerstände zwischen Röhrenfassungen und Masse / Plusleitung liegen quer in dem Schacht und somit im Luftstrom, der von der Bodenplatte durch den Schacht und schliesslich durch das Abschlussgitter aufsteigt.




Die Kondensatoren sind unten im Chassis angebracht und erwärmen sich daher minimal. Durch diese Anordnung sind alle Bauteile gut erreichbar und die Masseverbindungen kurz. Die Masseschiene verläuft vom Eingang des Verstärkers (vorne) zum Ausgang (hinten), wo die Leitungen vom Netzteil ankommen. Der Eingangswahlschalter befindet sich hinter einem Abschirmblech direkt in der Nähe der Cinchbuchsen.
Die Einschaltverzögerung habe ich in ein kleines Modulgehäuse in Kondensatorform gesteckt und wie die Kondensatoren auch von unten mit Silikonkleber aufs Chassis geklebt.

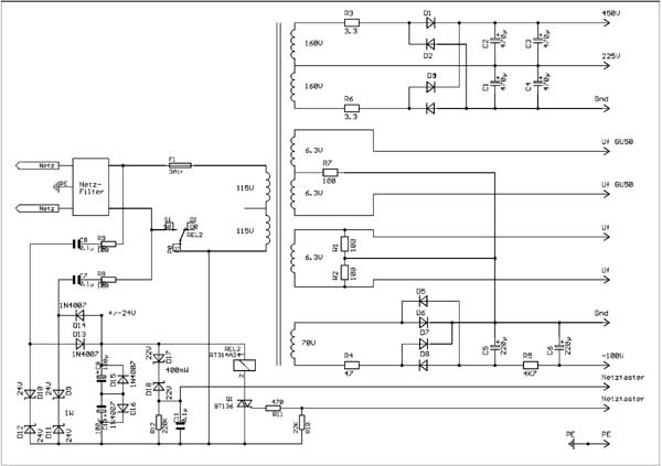
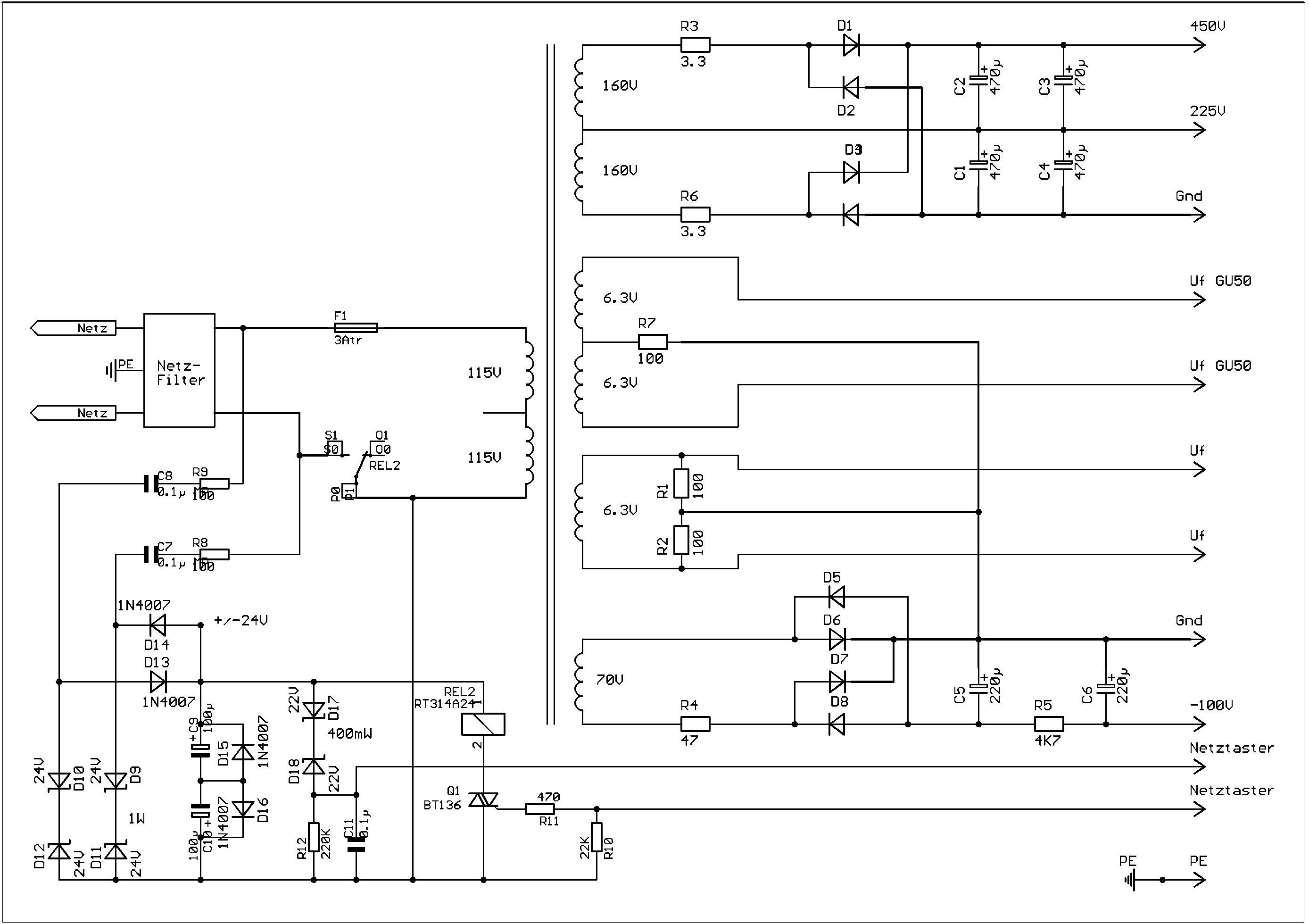
Das Netzteil:
Die eigentliche Netzteilschaltung birgt keine Überraschungen.

Schaltbild Netzteil
(Mit der Maustaste das Bild anklicken, es wird dann in voller Auflösung dargestellt.)

Die Heizspannungen sind gegen Masse symmetriert. Die Hochspannung setzt sich aus zwei 225V- Spannungen zusammen. Das schont die Elkos und ermöglicht die stabile Versorgung der Schirmgitter der GU50s.
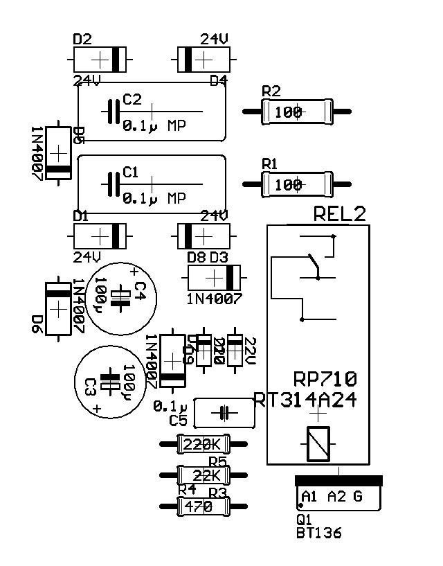
Dafür ist der "Netzschalter" etwas aufwendiger geraten:
Der Netztaster im Verstärker steuert über den Triac das bistabile Relais Rel2, dessen Versorgungsspannung zum Umschalten umgepolt werden muss. Die etwas wüst anmutende Schaltung mit den vielen Dioden und Z-Dioden erzeugt bei ausgeschaltetem Amp -24V zum Einschalten des Verstärkers und bei eingeschaltetem Amp +24V zum Ausschalten desselben. - Funktioniert prima, geht aber natürlich auch ohne Elektronik mit einem (teureren) Stromstossrelais.




Die Schaltung für den Netzschalter sitzt auf einer kleinen Platine im Netzteil.

Schaltbild des Netzteils
(Mit der Maustaste das Bild anklicken, es wird dann in voller Auflösung dargestellt.)






Nachwort
Nach dem Bau des Gerätes habe ich versucht, die Widerstandswerte in Bezug auf maximale Aussteuerungsfähigkeit zu optimieren, da ich die Grösse nach Gutdünken (ohne Berechnungen) ausgesucht hatte. Merkwürdigerweise waren die Werte jedoch optimal. Ich kenn´s auch anders: manchmal ist eine scheinbar einfache Schaltung nur mit grösster Mühe zum Laufen zu kriegen.
Die abgegebene Leistung liegt bei ca. 20W Sinus pro Kanal, weitere Messungen habe ich nicht durchgeführt. Man kann das Rechteckverhalten bei 1KHz noch mit einem Parallelkondensator in der Gegenkopplung leicht verbessern, mangels Klangunterschied habe ich ihn doch nicht eingebaut.
Was erstaunlich ist: die Phasenumkehrstufe erzeugt je nach verwendeter Röhre (Typ, Alter etc.) verschieden grosse Signale am Anoden- und Katodenwiderstand, obwohl diese doch gleich gross sind. (Gitterstrom?) Es empfiehlt sich daher, die Röhre zu selektieren.





Also, Was würde ich beim nächsten Mal anders machen??
Keine Ahnung, bin eigentlich rundherum zufrieden mit dem Teil.
Schön wäre vielleicht ein SE-Amp, aber wo würde ich die fetten Ausgangstrafos unterbringen?

Trotzdem ist das nächste Projekt natürlich schon in Arbeit:
In einem Workshop bauen wir einen Verstärker mit den wunderschönen kleinen 4P1L - Pentoden, natürlich auch liebevoll designt und akribisch aufgebaut.
Bericht und Bilder folgen nach Fertigstellung!

Gruss, Peter Schippmann (Schippi)

Zurück zur Hauptseite