PL82 - SE-Amp
von Rainer Horsch

Vorwort.
Bevor ich hiermit wieder eine Voodoo-Diskussion auslöse: es gibt Modifikationen, deren Wirkung sich nicht erklären
oder messen lässt, die aber einen subjektiv anderen Höreindruck mit sich bringen. Mir geht es hier um den
bestmöglichen Höreindruck für meinen Geschmack. Wenn jemand anderer Meinung ist, kann er ja seine Anlage
anders bauen.
Einstieg in die Röhrentechnik
Alles begann mit dem Kauf eines Shanling CDT-100 CD-Players. Auch das Auge hört mit. Dazu gab es auch eine passende
Röhrenendstufe, meine Vorstellung ging jedoch eher in die Richtung 300B-Endstufe mit optisch ansprechenderen Röhren.
Bei diversen Händlern im Internet wurden 300B-Endstufen angeboten, auch unter 2000 Euro. Gleichzeitig bin ich bei
nächtlicher Suche auf Jogis Röhrenbude gestoßen und habe mich, vorbelastet durch meine Elektronikerfahrungen
in der Jugend, erst mal in das Thema Röhrenverstärker eingelesen. Wenig später stand fest: die Endstufe wird
nicht gekauft, sondern selbst gebaut.
Nach Betrachtung der Leserprojekte und einer Empfehlung von Jochen war die Auswahl auf die 6C33SE von Klaus gefallen und
ich begann mit dem Bauteilesammeln. Durch einen Zufall bekam ich zu dieser Zeit das Buch "Höchst empfindlich",
welches in selbiger Nacht gelesen wurde. Da ich bereits im Internet Hinweise auf die dortige PL82-Endstufe gefunden habe,
hoffte ich, aus dem Buch weitere Informationen zu gewinnen - leider war dem nicht so. Trotzdem habe ich mich kurzerhand
entschlossen, diese Endstufe als Einstiegsprojekt zu bauen, da sie mir wesentlich einfacher erschien als die 6C33. Zum
Sammeln von Erfahrungen muss es ja nicht gleich ein Großprojekt sein, zumal meine Stärke nicht gerade in der
Metallbearbeitung liegt.
Da ich nicht einfach nur einen Verstärker nachbauen, sondern auch die Funktion bis ins Detail verstehen wollte,
hatte ich mir viele Abende und Nächte vor dem Bau mit Literatur versüßt. Dann ging es an den Bau. Bei der
Auswahl der Bauteile wurde nicht auf den Preis, sondern auf bestmögliche Qualität geachtet. Es wurden auch einige
Teile während des Baus durch bessere ersetzt. - Am Ende zählt nicht der Preis, sondern der Klang.
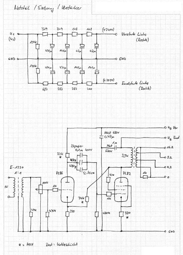
Da mir die "verfügbaren" Netzteile für diese Endstufe nicht zusagten, entschied ich mich dafür, ein
Netzteil mit reiner RC-Siebung zu planen. Die ersten Rechenversuche gestalteten sich schwierig.....
.....da die Katze immer auf den Berechnungen lag. Das Netzteil wurde mit Röhrengleichrichtung konzipiert, da ich absolut
keine Halbleiter benutzen wollte. Der Netztransformator bedient beide Kanäle, da ja bei A-Betrieb die Stromaufnahme
annähernd unabhängig von der Aussteuerung ist. Ab dem Gleichrichter erfolgte eine strikte Kanaltrennung.
Das Netzteil:
- Röhrengleichrichter (EZ81) pro Kanal
- 4-stµFige RC-Siebung für Vorstufe pro Kanal
- 4-stµFige RC-Siebung für Endstufe pro Kanal
RC-Glieder der Vorstufensiebung lt. Berechnung:
R1/C1: 5000 Ohm / 136 µF
R2/C2: 5000 Ohm / 136 µF
R3/C3: 5000 Ohm / 136 µF
R4/C4: 5000 Ohm / 136 µF
S = 210,5 dB
RC-Glieder der Endstufensiebung lt. Berechnung:
R1/C1: 470 Ohm / 470 µF
R2/C2: 470 Ohm / 470 µF
R3/C3: 470 Ohm / 141 µF
R4/C4: 470 Ohm / 141 µF
S = 150,5 dB
Nach der Berechnung der Siebung wurde der Trafo und die Ausgangsübertrager bei Experience Electronics in Auftrag
gegeben, wobei ich hier nochmals Herrn Haas für seine Mithilfe danken möchte, der die angegebenen Daten nochmals
kontrolliert und mir einige sehr wertvolle Tipps mit auf den Weg gab. Die Bauteile hatte ich mittlerweile zusammen, das
größte Problem lag noch vor mir - das Gehäuse.
Ich entschied mich für ein 19-Zoll-Gehäuse der Firma Elcal, damit meine mechanischen Katastrophen wenigstens
nur im Gehäuse zu sehen sind. Außerdem sind die Röhren nicht gerade optische Leckerbissen, sie müssen
nicht zwingend offen auf dem Gehäuse stehen.
Der Verstärker wurde zuerst auf einer Aluplatte aufgebaut, danach mit Trennwänden versehen und in das Gehäuse
eingesetzt. Die Röhren wurden auf kleinere Aluplatten gesetzt, wobei unter den Verstärkerröhren freiverdrahtet
die Bauteile liegen.
Die Kondensatoren für das Netzteil wurden auf Lochrasterplatinen gesetzt, die Widerstände auf Lötleisten,
damit eine spätere Änderung möglich ist (dies war auch sehr sinnvoll !).
(Mit der Maustaste das Bild anklicken, es wird dann in voller Auflösung dargestellt.)
Probeaufbau
Nach dem Probelauf des Netzteils mit Glühbirnen als Last zeigte sich, dass die gemessene Spannung erheblich unter der
berechneten Spannung lag. Grund hierfür war ein höherer Spannungsabfall an der Gleichrichterröhre, als die
Berechnung ergab. Um trotzdem zu den passenden Anodenspannungen zu kommen, wurden die Widerstände der RC-Glieder
nochmals umdimensioniert. Dabei nahm zwar der Siebfaktor etwas ab, aber er lag immer noch im vorgesehenen Bereich.
Vorsorglich wurde der Netztrafo mit mehreren Abgriffen für die Anodenspannung konzipiert, somit stellte dies kein
Problem dar.
RC-Glieder der Vorstufensiebung nach Modifikation:
R1/C1: 3900 Ohm / 470 µF
R2/C2: 3900 Ohm / 141 µF
R3/C3: 1800 Ohm / 47 µF
R4/C4: 1800 Ohm / 47 µF
S = 181 dB
RC-Glieder der Endstufensiebung nach Modifikation:
R1/C1: 687 Ohm / 470 µF
R2/C2: 387 Ohm / 470 µF
R3/C3: 387 Ohm / 141 µF
R4/C4: 200 Ohm / 141 µF
S = 143 dB
Da im Betrieb Spannungsschwankungen von über 15V am Netzeingang messbar waren, wurden bei der Anodenspannung 5V Reserve
eingerechnet. Nach dem 4. RC-Glied waren die Spannungsschwankungen auf ein erträgliches Maß reduziert. Dies
gefällt mir allerdings nicht, ich möchte eine 100% stabile Anodenspannung. Evtl. werde ich noch mit einer
Parallelregelung in Röhrentechnik experimentieren, es kommen mir definitiv keine Halbleiter ins Netzteil.
Bei diversen Messungen ist mir das unterschiedliche Verhalten des Spannungsverlaufs an den Kondensatoren der (jeweils
pro Kanal) identischen Netzteile aufgefallen. Nach dem Austausch der bisher verwendeten Standard-Elkos aus dem
Elektronik-Versand gegen hochwertige Typen war Gleichlauf vorhanden. Künftig werde ich nur noch Elkos ausgewählter
Hersteller einsetzen.
Der Verstärker wurde nach dem bekannten PL82-Schaltplan aus "Höchst Empfindlich" mit genau den
angegebenen Bauteilen gebaut, an das zuvor getestete Netzteil angeschlossen und nun zum ersten Mal in Betrieb genommen. Als
Lautsprecher wurden Saba-Greencones in einer kleinen Schallwand angeschlossen.
Entgegen aller Empfehlungen zur Inbetriebnahme eines Röhrenverstärkers vertraute ich auf mein Perfektionsstreben
und schaltete einfach ein. Gemessen wurde lediglich der Strom nach der Gleichrichterröhre, dieser lag im zulässigen
Bereich.
Der erste musikalische Eindruck mit einem normalen CD-Player als Quelle war derart beeindruckend, dass der Probelauf auf 5
Stunden ausgedehnt wurde und einige CDs durchgehört wurden. Die Auflösung im Hochtonbereich und die
Räumlichkeit waren hervorragend, ohne dabei künstlich und hart zu klingen.
(Mit der Maustaste das Bild anklicken, es wird dann in voller Auflösung dargestellt.)
Gesamtansicht des Verstärkers (ohne Modifikationen)
Die Ausgangsübertrager:
Die Eingangsübertrager, Lautstärkeregelung:
Die freiverdrahtete Schaltung:
Das Netzteil:
Modifikation: Eingangsübertrager, Ölpapierkondensatoren:
Modifikation Netzteil: Einschaltverzögerung Röhrenheizung:
Gesamtansicht nach Modifikation:
Probleme
Es zeigte sich ein leichter Brumm in der Mittelstellung des Lautstärkereglers. Mit dem Oszilloskop war dieser nicht
deutlich messbar, da er durch ein hochfrequentes Signal überlagert wurde. Zuerst vermutete ich ein Schwingen des
Verstärkers, das HF-Signal war aber auch bei ausgeschaltetem Verstärker messbar. Weitere Messungen ohne Röhren
ergaben, dass dieses Signal auch bei abgeschalteten Verstärker an der Sekundärwicklung des Ausgangstransformators
messbar war. Da im selben Raum mehrere PCs und Schaltnetzteile arbeiten, wurde dies nicht weiter verfolgt. Der Brumm musste
aber gefunden werden. Mit einem Millivoltmeter wurden am Lautsprecherausgang etwa 2mV gemessen, die Störung war aber
bereits deutlich (!) hörbar.
Daraufhin wurden die bereits geplanten Eingangsübertrager eingebaut. Da ich die Anzahl der Kondensatoren im
Signalweg auf ein Minimum reduzieren wollte, wurde der Lautstärkepoti ohne Koppelkondensator an die Vorstufe gekoppelt.
Insofern dienen die Eingangsübertrager durch ihre galvanische Trennung auch zum Schutz des vorherigen Gerätes,
damit bei einem Defekt nicht die ganze Kette abraucht. Der Brumm war aber immer noch vorhanden. Ein testweise eingeschleifter
Koppelkondensator zwischen Vorstufe und Lautstärkepoti verschlimmerte das Ergebnis auf etwa 5mV.
Der nächste Verdacht war die Wechselstromheizung der Röhren. Diese abgeklemmt und die Röhren über
ein Labornetzteil beheizt, war der Brumm nicht mehr hörbar, die Messung ergab einen Störsignalpegel vom 0,3mV am
Lautsprecherausgang. Die Umstellung der Heizung auf Gleichstrom (mit LM317 als Konstantstromquelle) brachte leider nicht das
gewünschte Ergebnis, der Brumm war nach Einbau immer noch vorhanden.
Weitere Messungen führten zufällig zum Ergebnis: Nachdem die Heizung über das Oszilloskop mit Erde verbunden
war, war das Brummen verschwunden - also zwei Symmetrierwiderstände an die Heizung und gegen Masse, damit war das
Problem gelöst. - Ein altbekannter Trick...
Die Gleichstromheizung wurde wieder ausgebaut, da der Trafo hierfür nicht vorgesehen war und die für den
Regler verfügbare Spannung bei unter 4V lag.
Die Einschaltstrombegrenzung sollte jedoch beibehalten werden, möglichst auch eine Begrenzung für die
Gleichrichterröhren. Dort war ein Regler nicht möglich, da bei 6,3V / 2A der Spannungsabfall an einem Gleichrichter
bereits zu groß war.
Ich entschied mich für ein 2-stufiges Anfahren der Heizung, erst einige Sekunden über einen Vorwiderstand, dann
direkt. Dafür wurde eine kleine Schaltung mit einem Komparator (diesmal in Halbleitertechnik) und 2 Relais entworfen,
die nach der Anlaufzeit die Vorwiderstände im Heizkreis überbrückt. Als Anlaufzeit zeigten sich nach Messung
der Einschaltströme der Heizung 15 Sekunden als brauchbarer Wert.
Nach weiteren Stunden des Probehörens mit verschiedensten Titeln wurde mit dem einzigen Koppelkondensator in der
Schaltung experimentiert (der Verstärker wurde zuerst völlig nach den Bauteile-Vorgaben des Buches
"Höchst empfindlich" konzipiert). Nach ersten Versuchen entschied ich mich, diesen mit zwei
Silbermica-Kondensatoren mit je 430pF zu brücken. In Verbindung mit den Greencones (mit Hochtöner) hatte mir diese
Version am besten gefallen. Die Detailauflösung und die Räumlichkeit waren besser als alles vorher gehörte,
gerade bei klassischen aufnahmen kam man damit dem realen Orchester ziemlich nahe.
Die Probeschallwände waren nicht gerade ideal, durch ihre geringe Größe ist der Tieftonbereich sehr mager.
Zudem ist die Werkstatt als Abhörraum auch keine Ideallösung. - Trotzdem, etwas störte mich immer noch am
Klang, ohne dass ich dies genau beschreiben konnte. Einige Wochen später bekam ich dann 2 russische
Ölpapierkondensatoren - gleich eingebaut und den Verstärker an Lastwiderständen eine Nacht lang mit
UKW-Rauschen eingespielt (auch wenn ich nicht an Voodoo glaube, schaden kann es nicht). In Verbindung mit den zwei
Silbermicas klingt er jetzt richtig rund, jetzt passt einfach alles. Der Hochtonbereich mag für andere Ohren etwas
überzogen klingen, für meinen Geschmack ist es aber passend. Zudem sind meine Ohren von 15 Jahren Discothek etwas
vorbelastet.
Bemerkungen
* Bei den Röhren entschied ich mich nach vielen Nächten des Hörens für eine Siemens-Bestückung.
* Bei sauberer Quelle ist absolut kein Nebengeräusch zu hören - auch wenn man in den Lautsprecher kriecht.
* Die Anlage wird an einem Netzfilter betrieben, dies erhöht die Präzision der räumlichen Abbildung.
* Der Lautstärkepoti kommt später in den Vorverstärker.
Ich habe mir bisher verkniffen, den Frequenzgang und den Klirrfaktor zu messen, und mich nur auf mein Gehör verlassen.
Die Messungen erfolgen nur interessehalber, wenn ich in langen Winternächten etwas Zeit übrig habe.
Zudem möchte ich den Einfluss der Eingangsübertrager statt eines Koppelkondensators auf dem Verstärkerfrequenzgang
und den Phasenverlauf ermitteln. Von Höreindruck her gefällt mir die Übertragervariante besser.
PL82-Amp an Greencone-Schallwand
Erstaunlich ausgewogenes und präzises Klangbild, auch wenn der Tieftonbereich nicht ganz so kräftig ist. Sehr
grosse und tiefe Bühne, aber starke Richtwirkung der Chassis.
PL82-Amp und Lancetta (Breitband-TML-Box):
Sehr leise, da Wirkungsgrad der Box zu gering. Bassbereich überbetont, Hochtonbereich sehr zurückhaltend. Da beim
PL82-Amp keine Klangregelung vorhanden ist, ist diese Kombination nicht ideal. Das Klangbild ist jedoch den vorhandenen
Transistorendstufen überlegen, weit feinere Auflösung.
PL82-Amp und Acoustic 3311-Studiomonitore
Erreicht keinesfalls die Lautstärke der Greencones, klingt zwar nicht schlecht, aber dem Klangbild fehlt die Lebendigkeit,
die es bei den Greencones zeigt. Es wirkt etwas gepresst - kein Wunder, wenn der Verstärker auf Anschlag läuft.
PL82 an Greencone-Box
Erstaunlich rundes Klangbild, für diesen Lautsprecher eine unglaubliche Tieftonwiedergabe! Der Bass ist keinesfalls mit
den üblichen Discoboxen zu vergleichen, klingt aber bei entsprechenden Aufnahmen sehr natürlich, manchmal fast
schon etwas bedrohlich. Im Bereich von 80-150 Hz ist das Klangbild etwas dünn, aber unter 80 Hz sehr kräftig - ich
vermute aber auch Raumresonanzen durch die Aufstellung. Der Hochtöner wurde übrigens mit einem 4µF -
Ölpapierkondensator angekoppelt, diese Variante gefällt mir besser als der etwas rauh klingende 4,7µF MKT1813 -
Kondensator.
Durch die starke Richtwirkung der Chassis ist eine leicht schräge Aufstellung nötig, je nach Sitzposition. An
Orchester-Originallautstärke komme ich in einem 18qm-Raum nicht ganz ran, aber viel fehlt nicht mehr. Bei 56qm reicht
es auch noch für überdurchschnittliche Zimmerlautstärke.
Es gäbe zwar einige interessante Boxenkonstruktionen mit Breitbandchassis, aber bereits beim Ansehen der komplexen
Frequenzweiche stellt es einem schon die Haare. Zur Abschreckung: An meiner Surroundanlage hängen zwei
Visaton-Säulenboxen mit 9 Chassis und 5 Frequenzbereichen. Diese Boxen spielen zwar glasklar und messerscharf,
anspruchsvolle Musik klingt aber total künstlich, leblos und unrealistisch. Diese Boxen spielen nur (!) mit einem
Digitalverstärker brauchbar, alle anderen getesteten Verstärker (Revox, Nakamichi, Yamaha, Priboj-Röhrenendstufe)
bringen nur ein total schwammiges, verwaschenes Klangerlebnis.
Gruss, Rainer Horsch
Januar-August 2006
Es folgen noch ein paar Fotos die meine Anlage zeigen und den Verstärker so darstellen, wie er sich in meine
Gesamtanlage einfügt: