845 Trioden-Monoblöcke
- von Robert Trösch



Liebe Röhrenfreunde,
an dieser Stelle möchte ich Euch meine 845 Monoblöcke vorstellen.

Diese riesigen 845 Röhren haben mich schon lange fasziniert, so dass ich schon seit geraumer Zeit mit dem Gedanken schwanger ging, mir mit solchen Senderöhren Endstufen zu bauen. Da originale 845 Röhren kaum bezahlbar sind, musste ich auf chinesische 845 Röhren zurückgreifen. - Als kleiner Tipp an dieser Stelle, diese sind bei Schuricht Electronic für ca. 55,00 Euro plus Mehrwertsteuer zu kaufen, habe noch nirgendwo Preisgünstigere gesehen, bisher habe ich mit diesen Röhren gute Erfahrungen gemacht.
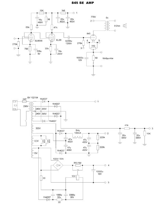
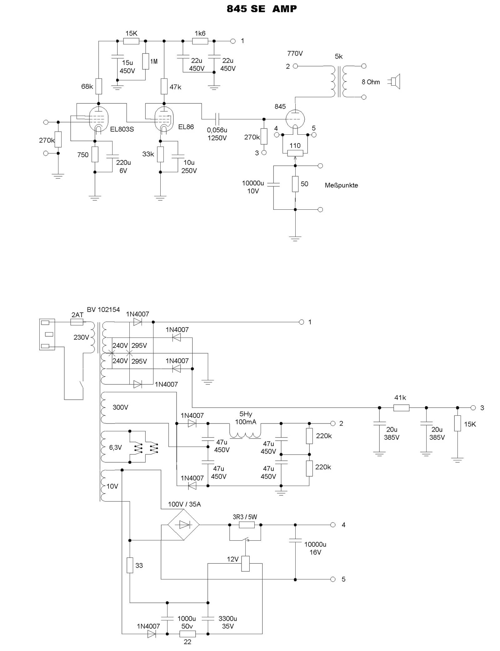
Da fertige Monoblöcke bestückt mit diesen Endröhren oftmals ähnlich viel kosten wie Kleinwagen, kam natürlich nur ein Selbstbau in Frage. Ich möchte hier an dieser Stelle den kompletten Schaltplan zur Verfügung stellen, um den Ein oder Anderen zum Nachbau zu animieren.

Schaltbild
- Mit einem Mausklick auf das Schaltbild wird es in voller Auflösung angezeigt

Das Gehäuse hat für mich ein Bekannter angefertigt, danach wurde es pulverbeschichtet. An dieser Stelle vielen Dank Jörg, für Deine Mühe, Spitzenarbeit.
Auch danken möchte ich Armin Ohrem, der mir mit seinem speziellen Computerprogramm beim Erstellen des Schaltplanes geholfen hat.




Die Übertrager, die Netztrafos und Drosseln für dieses Projekt habe ich von Reinhard Thöress aus Aachen. Vernünftige Übertrager sind meiner Erfahrung nach von größter Wichtigkeit um ein hervorragend klingendes Gerät auf die Beine zu stellen. Die beste Schaltung nützt wenig, wenn an dieser Stelle billige Übertrager oder Übertrager von zweifelhafter Herkunft verwendet werden. Experimente in diesem Bereich bei früheren Projekten habe ich immer bereut, so dass ich hier die verwendeten Thöress Übertrager nur wärmstens empfehlen kann.











Nun zum klanglichen Ergebnis:
Wie soll man objektiv sein bei solch einer Angelegenheit? Ich kann dazu nur sagen, ausgiebige Hörsitzungen mit Freunden und Bekannten im Vergleich zu sündhaft teuren anderen Geräten, z. B. Shindo, verschiedenen Lautsprechern, versetzte mich und alle Anderen immer wieder in Erstaunen. Aufgrund der relativ hohen Ausgangsleistung dieser Endstufen für einen Triodenverstärker lassen sich auch Lautsprecher die keinen überragenden Wirkungsgrad haben problemlos ansteuern.
Falls jemand Anregungen und Fragen zu dem Projekt hat, stehe ich gern zur Verfügung.
Viele Grüße
Robert Trösch
E-Mail: Biba1@netcologne.de











Zurück zur Hauptseite