SHM 002 SE
(Heinrich Siemens/Heiner Michels; Modellnummer 002; Single Ended)

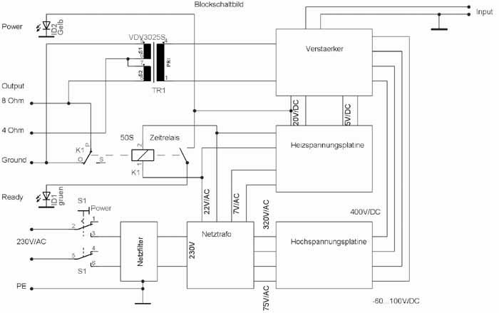
Aufbau:
Als Treiberröhre ist eine c3m verwendet, die durch sehr enge Fertigungstoleranzen sowie extrem geringes
Eigenrauschen und hohe Lebensdauer besticht und noch relativ gut beschaffbar ist.
Als Endröhre (Leistungsröhre) wurde eine 5300B aus chinesischen Fertigung verwendet. Diese Röhre ist
baugleich mit der WE 300B, besitzt allerdings eine Graphitanode und stärkere Heizung (ca. 2 A) so daß mit
etwa 12...16 Watt Leistung in Class A Betrieb zu rechnen ist.
Beim Entwurf lag der Gedanke zur Grunde, daß die Lebensdauer einer Leistungsröhre relativ gering ausfällt
(allgemein um die 2000 Betriebsstunden), und daß man später eventuell auf eine andere Röhre der 300-er
Reihe umstellen muss. Daher einstellbare, geregelte Heizspannung mit Softstart (2,5...6,3 Volt / Strom bis 3 A). Die
Anodenspannung ist auf 400 Volt festgelegt und ebenfalls geregelt und stabilisiert.
Negative Vorspannung ist geregelt, stabilisiert und einstellbar im Bereich - 40...- 100 Volt sodaß andere Röhren
(siehe oben) problemlos angepasst werden können.
Dieses Prinzip ist auch für die c3m angewendet worden. Auch hier ist die Heizspannung stabilisiert, geregelt und
10 bis ca. 22 Volt einstellbar, was der Lebesdauer der Röhren zur Gute kommt.
Beim Entwurf der Spannungsversorgung ist ein besonderer Wert darauf gelegt möglichst saubere und strompotente Spannung
den Röhren zur Verfügung zu stellen. Es sind Netzteilkondensatoren der Q - Reihe von Philips
verwendet worden sowie Nippon und RDE in Stabilisierungskreisen. Als Massepotential ist eine massive
Kupferschiene verwendet um die Übergangswiederstände möglichst gering zu halten. Ausserdem ist ein Netzfilter
verwendet um die Netzstöreinflüsse zu minimieren.
Die Netzteilschaltungen sind auf 2 Europlatinen aufgebaut (Layout folgt in Kürze).
Als Netztrafo ist ein Ringkerntrafo (IBR Ringler) eingesetzt, was ein sehr geringes Streufeld erzeugt und somit sehr
geringen Störeinfluss auf die Schaltkreise hat. Der Trafo ist mittels Gummistützen vom Gehäuse mechanisch
entkoppelt.
Des Weiteren ist eine Schutzvorrichtung für die Lautsprecherklemmen angewendet, die erst nach 50 Sekunden die
Lautsprecher frei gibt.
In den Signalwegen sind rauscharme Metalloxydschichtwiederstände angewendet sowie Polyropylenfolienkondensatoren
höher Güte.
Als Entkopplungselkos sind Siemens, RDE und desgleichen verwendet. Es sind Keramiksockel für die Röhren
sowie Keramiklötleisten eingesetzt.
Das Gehäuse ist aus 3 mm starkem eloxiertem Aluminiumblech modular aufgebaut, so daß jede Blende separat
abgeschraubt werden kann, was Service- und Updatetauglichkeit gewährleistet.
Als Ausgangstrafo ist ein Ringkernausgangsübertrager VDV 3025 S eingesetzt (siehe Datenblatt unter
www.amplimo.nl).
Der Verstärker ist in 2 Monoblöcken aufgebaut,was sehr gute Kanaltrennung gewährleistet.
Danksagung:
Besonderer Dank ist an Heiner Michels zu richten, der mir mit Rat und Tat beim Aufbau des Verstärkers beistand,
was auch das Einfliessen seines Namens zur Folge hat.
Wiesbaden,den 29.07.2001
Inzwischen habe ich die Layouts der Netzteilplatinen vom Heinrich Siemens erhalten :