Vorverstärker mit RIAA-Vorstufe
von Eric Schawaller

Hallo Jochen!
Durch den ECL86-Verstärker auf den Geschmack gekommen, habe ich jetzt ein weiteres Röhren-Projekt fertig gestellt - einen Vorverstärker nach Frank Raphaels Schaltung.
Natürlich ist mir nicht entgangen, dass der schon mehr als einmal nachgebaut wurde. Aber neben Platinenlayouts habe ich eine Steuerschaltung anzubieten, die Röhrenbudenbesucher vielleicht interessieren könnte, auch für andere Verstärker-Projekte.




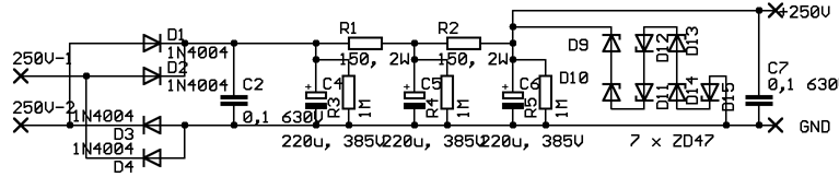
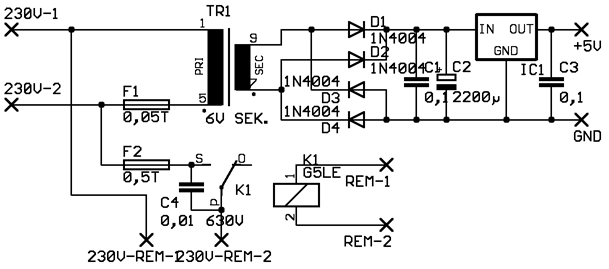
Das Hochvolt-Netzteil habe ich geringfügig verändert - um ein RC-Glied reduziert und um zwei Folienkondensatoren erweitert - die verwendeten Dioden (1N4007) sind nicht die schnellsten. Ebenfalls um einen Elko reduziert habe ich das Heiz-Netzteil, welches ich mit 6,3V betreibe (6,2V= bleiben übrig).

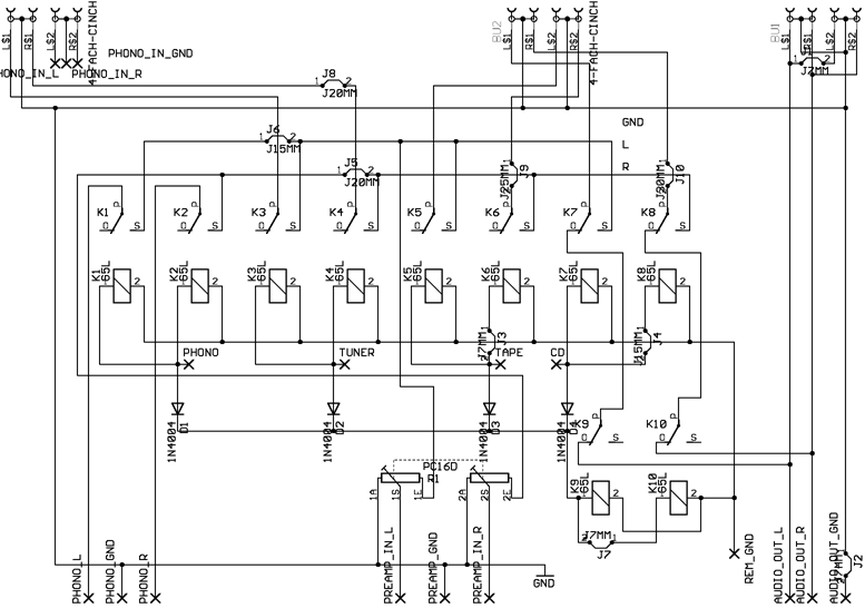
Die Kanalwahl erfolgt über eine Relaisplatine. Ist kein Kanal gewählt, wird der CD-Anschluss direkt auf die Ausgangsbuchsen geschaltet. Einen Aufnahmeanschluss sowie einen -Monitoreingang habe ich nicht vorgesehen, dafür aber einen zweiten geregelten Ausgang - schien mir bei der geringen Ausgangsimpedanz mehr Sinn zu machen, setzt aber natürlich einen Pegelregler am Aufnahmegerät bzw. an der Endstufe voraus.

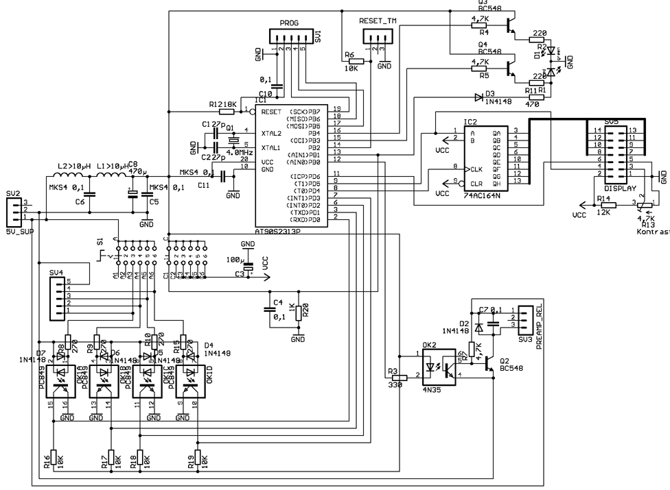
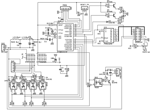
Für die Steuerung ist eigentlich nur ein Drehschalter erforderlich. Ich habe diesen um eine Mikrocontrollerschaltung ergänzt, die die Kanalanzeige übernimmt, den Verstärker ein- und ausschaltet und die Röhrenbetriebszeit misst.
Der verwendete Mikrocontroller (Atmel AT90S2313) verfügt über internen EEPROM-Speicher, der den Zählerstand auch ohne Stromversorgung behält.
Die Erfassung erfolgt in Sekunden, die Anzeige in Stunden. Der maximale Zählerstand beträgt 65535 Stunden.
Der interne Flash-Speicher ist groß genug, um noch Programmerweiterungen aufzunehmen, wie z.B. einen zweiten Zähler. Die Schaltung könnte so auch in einem Vollverstärker mit kurzlebigeren Endstufenröhren eingesetzt werden. Auch sinnvoll wäre vielleicht ein Aufschlag pro (Kalt-)start, um eine realistische Restbetriebszeit errechnen zu können.
Über die freien Portbits der Programmierschnittstelle sind sogar noch ganz andere Anwendungen möglich, wie z.B. eine "sanfte" Röhrenheizung über Pulsweitenmodulation etc.

Kurz zum Klang: Gefällt mir sehr gut! Sehr transparent. Allerdings fehlt es mir an Vergleichsmöglichkeiten.

Als Abschirmung habe ich gewöhnliche Aluminiumfolie verwendet (zwei Schichten), überdeckt von einer sehr dünnen Polystyrolplatte. Zu meiner eigenen Überraschung reicht das durchaus für einen tolerierbaren Störspannungsabstand - das vorhandene Brummen bei Phono-Betrieb geht im Rillenrauschen unter, nicht anders als bei meinem Transistorverstärker mit Metallgehäuse.


Bei der Montage der MC-Platine ist Vorsicht geboten - die verwendeten Polystyrolplatten laden sich leicht statisch auf.




Der Displaykontrast fällt nicht gerade überragend aus - aber eine Hintergrundbeleuchtung verbietet sich, wenn man das schwache Glimmen der Röhren im Hintergrund nicht überdecken will.


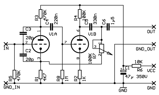
Vorverstärker


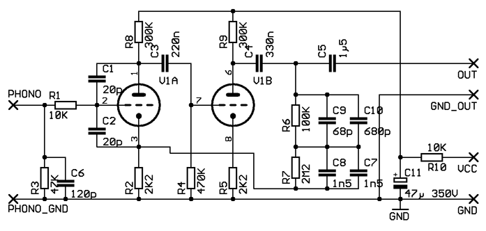
RIAA-Vorstufe


Anstatt der empfohlenen Styroflex-Kondensatoren für die RIAA-Entzerrung habe ich Polypropylen-Typen verwendet. Die waren wesentlich einfacher zu beschaffen, vor allem was die erforderlichen Toleranzwerte angeht - z.B. bei Conrad-Elektronik.

Hochvolt-Netzteil


Im Vergleich zur Originalschaltung geringfügig verändert - um einen Elko reduziert und um zwei Folienkondensatoren angereichert.

Heizsspannungs-Netzteil


Steuerschaltung


(Für Darstellung in voller Auflösung bitte Bild anklicken)


Netzteil für den Digitalteil


Kanalwahlschaltung


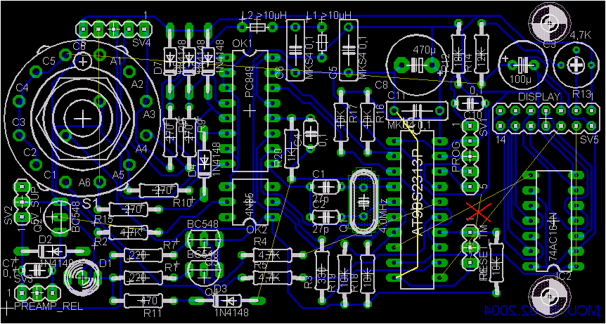
Die Layouts (s.u.) lassen sich auf 3 1/2 Eurokarten verteilen. Im Gegensatz zu meinem ersten Projekt (ECL86-Verstärker) sind die Leiterbahnabstände konsequent VDE-gerecht gehalten. Schon wegen des Korosionsschutzes würde ich aber trotzdem eine Acryllack-Versiegelung empfehlen.


Verdrahtungsplan für die Steuerplatine. Unbedingt die gelb eingezeichnete Verbindung anstatt der durchgestrichenen verwenden - Störungen durch die Relais (70 Ohm-Typen, es werden bis zu 5 davon gleichzeitig geschaltet) können den Mikrocontroller sonst zum Absturz bringen.



Downloads:
Sämtliche Layouts sowie Bestückungspläne als 300dpi TIF-Dateien (.ZIP, 382KB)
Software für den AVR inkl. Quellcode (.ZIP, 8,7KB)
Anschlussbelegung der MCU-Platine (Textfile)
Aufbau/Bohrschablone für Grundplatte und (Innen-)front (.PDF, 232KB)
Bohrschablone für die Cinchbuchsen (.PDF, 3,43KB)
Liste Bauelemente (Textfile)

Bauanleitungen für AVR-Programmier"geräte" sowie eine detaillierte Anleitung zur Verwendung gibt es bei http://s-huehn.de/elektronik/avr-prog/avr-prog.htm.

Für die einfachste Variante (Parallelport) sind neben den Steckverbindern nur zwei 1K-Widerstände erforderlich. Der Controller kann direkt in der Schaltung über die Stiftleiste SV1 programmiert werden.


Wer noch einen alten Adapter für die serielle Schnittstelle hat, kann diesen als Programmierkabel komplett recyclen.
Zum Übertragen der Software habe ich PonyProg verwendet, bis jetzt kostenlos verfügbar auf http://www.LancOS.com
Eine (ebenfalls kostenlose) Programmierumgebung inkl. Simulator und Compiler bietet das AVR-Studio von Atmel: http://www.atmel.com

Gruss, Eric Schawaller
eric@schawaller.com


Zurück zur Hauptseite