Bausatz eines einfach nachbaubaren Schiebespule-Detektorempfängers von ca. 1920

Mein Freund Frank baute sich vor einiger Zeit einen Schiebespule-Detektorempfänger und stellte ihn auf seiner Homepage vor.
Da ich selber einen Original-Schiebespule-Detektor besitze (von dessen Empfangseigenschaften ich jedoch nicht gerade begeistert bin..) - Frank aber von seinem Eigenbau sagte er hätte einen ausgesprochen guten Empfang damit - bat ich ihn mir einen solchen Detektoremfäger zu bauen.
Heute kam dieser mit der Post bei mir an. Erste Versuche bestätigten, was Frank mir erzählt hatte; in kräftiger Lautstärke bekam ich - zur Mittagszeit - 2 Sender klar und deutlich hinein - jetzt, am frühen Abend, sind es schon 4 Sender, gut trennbar.

Hier zunächst ein paar Fotos des Detektorempfängers:



Ich bat Frank, mir Zeichnungen der Bauteile anzufertigen, damit ich diesen hier in der Bastelschule vorstellen könnte. Frank "erfüllte" mir auch diesen Wunsch, die nachfolgenden Zeichnungen kamen mit dem Detektorempfänger heute bei mir an, mit Frank's Erlaubnis stelle ich sie nun hier vor.
Zunächst eine zeichnerische Übersicht des gesamten Gerätes :


Als erstes wird der Boden angefertigt, dieser besteht aus 2 Teilen, die zusammenverleimt werden. (Alle Maße in cm !)


Als nächstes werden die Seitenwände angefertigt.


Nun die vorderen und hinteren Seitenteile sowie der Deckel.


Die hohen Seitenwände werden mit dem Oberteil sowie den seitlichen Wänden (Vorder- und Rückseite) verleimt.
- Vorher jedoch muß noch die Spule hergestellt werden; Frank verwendete das Kunststoffrohr eines Staubsaugers, man kann aber auch ein Papprohr verwenden. Die Holzstange hat einen Durchmesser von ca. 3 cm und ist 16,5 cm lang. Sie wird mit 20 - 25 Windungen 0,5 mm dickem Kupferlackdraht bewickelt (Antennenwicklung) sowie etwa 250 Windungen 0,8 mm Kupferlackdraht.


Die auf der Zeichnung erkennbaren Einzelteile werden aus Messing angefertigt. Das im Bild erkennbare obere Teil ist der Schieber, dieser wird, wie erkennbar, mit einer Feder und einem Schleifkontakt, ebenfalls aus Messing, komplettiert.
Das als Masseverbindung bezeichnete Bauteil wird ebenfalls aus Messing angefertigt, es ist ein 0,5 - 1 mm dickes Messingblech, welches den Kontakt von den oberen Führungsstangen nach unten in das Gehäuse herstellt.
Die beiden Führungs- oder Schiebestangen aus 4 mm dickem Rundmaterial bestehen ebenfalls aus Messing, an beiden Enden wird auf 11 mm Länge ein 4-mm-Gewinde aufgebracht.
Auch aus Messing, werden 4 Stück Endmuttern angefertigt (unten links im Bild, über den Telefonbuchsen). Die Aussenplatte hiervon ist 1 mm dick und 9 - 10 mm im Durchmesser, das weitere Material sollte etwa 5 - 6 mm dick und mit einem 4-mm-Innengewinde versehen sein. Tip: Frank besorgte sie sich im Baumarkt; es sind Hohlmutter mit einem Aussendurchmesser von 6 mm und 4 mm Innengwinde, der Kopf ist wie bei einer Linsenkopfschraube geformt, mit Schlitz für den Schraubenzieher.
Zum Schluß wird noch (nicht in der Zeichnung eingezeichnet) ein Messingrohr benötigt, es sollte etwa 15 mm lang sein, einen Innendurchmesser von 4 mm und einen Aussendurchmesser von ca. 7 mm haben. Dieses Rohr wird - wie im Foto (ganz oben) erkennbar, auf die untere Führungsstange, rechts, aufgeschoben. Es verhindert daß der Schieber auf die Antennenwicklung geschoben werden kann.

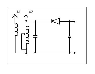
Zum Abschluß noch die Schaltungsskizze des Detektorempfängers :



Weitere aufschlußreiche Fotos zu diesem Projekt - aber auch zu weiteren tollen Projekten, die der Frank bisher verwirklichte, können auf seiner Homepage bewundert werden.

Zurück zur Hauptseite