Super-P-Tube, oder der Segen der Einknopfabstimmung
- von Ernst Schlemm -


Stichworte: Mitzieheffekt, Mitnahmeeffekt, Rückwirkung, Pulling, Pullen-Mixer, additive Mischung, multiplikative Mischung






Zusammenfassung:
Beim Superhet führt die Belastung des Oszillators durch einen Schwingkreis mit ähnlicher Resonanzfrequenz zum Mitziehen der Oszillatorfrequenz in Richtung der Resonanz des belastenden Schwingkreises. Der Mitzieheffekt oder Mitnahmeeffekt (engl. pulling) ist umso ausgeprägter, je geringer der relative Frequenzunterschied zwischen Empfangs- und Oszillatorfrequenz ist, also je höher die Empfangsfrequenz und je niedriger die Zwischenfrequenz ist und je fester Oszillator- und Empfangskreis aneinander gekoppelt sind. [1]
Diese Kopplung ist bei additiven Mischverfahren sehr ausgeprägt und kann bei KW-Empfängern mit Zwischenfrequenzen um 455 kHz nur mittels Neutralisation der internen Elektrodenkapazitäten durch eine Brückenschaltung oder durch Pufferstufen (Kathodenfolger) zwischen Vorkreis und Mischstufe sowie zwischen Mischstufe und Oszillator gemildert werden. [1][2]
Eine höhere Zf von z.B. 1600 kHz beseitigt das Problem im KW- Bereich aber bereits fast vollständig.
Bei multiplikativer Mischung mit Trioden-Hexoden, Trioden-Heptoden, Heptoden oder Oktoden ist die beschriebene Rückwirkung dadurch wesentlich reduziert, dass zwischen Steuer-, Mischgitter und Anode Hf- mäßig auf Massepotential liegende Schirmgitter eingeführt wurden. Das ist ein wesentlicher Pluspunkt dieses Mischverfahrens.
Praktisch bewirkt der Mitzieheffekt bei normalen Industrieempfängern mit multiplikativer Mischung, Einknopfabstimmung und einer Zf um 455kHz dennoch die Unmöglichkeit des exakten Vorkreisabgleichs bei Frequenzen höher als ca. 6 MHz. Die Sender laufen beim Nachgleichen der Spule, bzw. des Trimmers mit; ein Effekt, der im Mittelwellenbereich noch nicht merklich auftritt!
Falls bei Kurzwellenempfänger-Selbstbauten eine zu niedrige (erste) Zf, getrennte Abstimmung von Vorkreis und Oszillator und obendrein noch additive Mischung gewählt wurde, präsentiert sich die Lage wesentlich dramatischer, insbesondere dann, wenn man von den Zusammenhängen nichts ahnt, auch weil dieses Problem in der einschlägigen Bastelliteratur entweder gar nicht oder nur ansatzweise beschrieben wird.
Der nachfolgende Bericht beschreibt die gesammelten Erfahrungen und einen Lösungskompromiss.

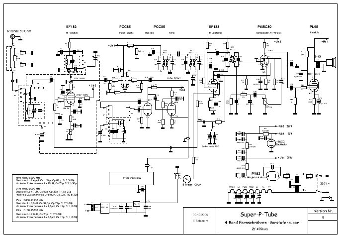
Die endgültige Schaltung:

engültige Schaltung Super-p-tube
(Mit der Maustaste das Bild anklicken, es wird dann in voller Auflösung dargestellt.)

Der Super-P-Tube
Ein Kurzwellensuper mit Fernsehröhren! Die Röhren dazu sind billig und die Auswahl in hervorragender Qualität überaus groß, also das wär´s doch eigentlich!
Damit die Sache nicht von vornherein zu kompliziert wird, ein Einfachsuper. Mit getrennter Vorkreis- und Oszillatorabstimmung, um dem Gleichlaufproblem aus dem Wege zu gehen.
Mit einer Zf von 455 kHz, weil es die schönen Filter gibt; mit Vorstufe und zwei abgestimmten Vorkreisen, damit die Spiegelselektion ausreicht und unbedingt mit additiver Mischung, wegen der hohen Mischsteilheit und der guten Großsignalfestigkeit.

Röhrenauswahl
Die PY82 kann als Einweg-Netzgleichrichterröhre mit max. 180mA belastet werden und verträgt einen Ladeelko von bis zu 60µF, ausreichende Siebung und Leistung sind also gewährleistet.
Die PL95, das Äquivalent zur EL95, liefert eine Sprechleistung von ca. 3 Watt, das ist für einen Kurzwellenempfänger mehr als ausreichend. Optimal angepasst ist sie über einen Ausgangstrafo mit einer Primärimpedanz von 10 kΩ.
Die PABC80 entspricht ist bis auf die Heizung der EABC80, eine ihrer drei Dioden (d2) hat eine separate Kathode, die anderen beiden Diodenkathoden sind mit der Kathode des Triodensystems verbunden. Gibt man der Kathode des Triodensystems und damit auch den Dioden d1 und d3 eine positive Vorspannung (hier ca. 1,5 V), erhält man eine verzögerte Regelung des Empfangs.
Ganz schwache Sender werden so nicht zurückgeregelt und der Super behält seine volle Leistung.
Die EF 183 ist die einzige regelbare (europäische) Fernseh- Hf- Pentode. Wegen ihrer großen Steilheit von 12,5 mA/V ist sie weder als Vorstufe noch als Zf- Röhre bei 455 kHz ideal. Schwingneigung im Zf- Bereich ist zu befürchten. Eine sorgfältige Abschirmung des Steuergitters von der Anode durch Einfügung einer Trennwand, kürzeste Leitungsführung und Schirmgitterneutralisation sind als Entkopplungsmaßnahmen auf jeden Fall angebracht.
Die PCF82 wurde in TV-Geräten als UHF Mischstufe eingesetzt und ist die Paralleltype zur ECF82. Einen mit der ECF82 aufgebauten additiven Pentodenmischer habe ich bei Gerzelka gefunden, mit einem Stabilisator versehen, um Frequenzdrift des Oszillators durch Netzspannungsänderungen zu vermeiden. [3]
Die EF80 ist nicht regelbar, mit 7,4 mA/V aber weit weniger steil als die EF183 - und sie wird im Funke- Mikrohet als geregelte!! Vorstufe eingesetzt. [4]
Also wäre sie eine Alternative zur EF183 und einen Versuch wert. Die EF183 müsste auch probiert werden.
Ebenso wie im Zf- Teil besteht im Bereich der Vorstufe die Gefahr der Selbsterregung, wenn zwei oder mehrere gleichresonante Schwingkreise mit hohen Resonanzwiderständen räumlich eng beieinander liegen.
Zudem könnte es passieren, dass die Mischstufe durch eine zu hohe Verstärkung in der Vorstufe übersteuert wird und dadurch Intermodulationsstörungen (Geistersender, brodelnde Hintergrundgeräusche, Pfeifen) entstehen.
Um den Verstärkungsgrad im Griff zu haben, sollte die Hf-Verstärkung durch ein Poti in der Kathodenleitung der Vorstufenröhre regelbar gemacht werden und zusätzlich ein Dämpfungsglied die Reduzierung der Antennenenergie ermöglichen. Siehe[5].
Zwei Drehkos mit 3 x 6-22 pF und einige Siemens-Drehschalter mit 2 x 2 x 6 Kontakten gab meine Bastelkiste noch her, die geringe Kapazitätsvariation der Drehkos führt zur Konstruktion eines Bandempfängers, die Wahl fiel auf das 49, 31, 25 und 19 m Band.

Komponenten / Chassis / Gehäuse
Der Netztrafo und die Bandfilter stammen von Gerd Reinhöfer, der Ausgangstrafo aus einem Grundig TK 25, das Frequenzdisplay von Box73 Amateurfunkservice und das S-Meter vom Flohmarkt. Das Chassis und die Frontplatte / Rückwand sind von Schaeffer. Die Alu-Seitenprofile sind Meterware und wie die Trennwände, Deckplatte und die Seitenteile des Gehäuses mit der Kreissäge bearbeitet. Die Drehschalter sind demontierbar.
Im Bereich der Vorstufe konnten die drei benötigten Schaltebenen (Antenne, Vorkreis, Zwischenkreis) durch Verlängern der Schalterachse in die Nähe der jeweiligen Schwingkreise gebracht werden.




Der Versuchsaufbau des Mischers
Schon während der Planungsphase entstand ein reger Briefwechsel mit Thomas Moppert, in dessen Verlauf er mir viele praktische Konstruktionstipps gab, für die ich ihm sehr danke. Ich gebe sie hier, soweit für den Empfänger relevant, an passender Stelle weiter.
Zu den verwendeten Amidon Kernen: Die Induktivität der Spulen lässt sich in geringem Maße verändern, indem die Windungen etwas auseinandergezogen, bzw. zusammengedrückt werden. Es lohnt sich, die Kerne entsprechend ihrer optimalen Frequenzbereiche auszuwählen, man erzielt auf diese Weise hohe Gütewerte. (Leerlaufgüten über 200, Betriebsgüten um 100.)
Um eine gute Selektionswirkung zu erreichen, sollte bei Vor- und Zwischenkreisen, also bei selektiven Kreisen, die gesamte Parallelkapazität (natürlich inklusive Schaltkapazität) in der Mitte des Abstimmbereiches etwa den Wert des Bandes in Metern haben, also ca. 49pF für das 49m- Band, das ergibt Blindwiderstände XL von 500 bis 600 Ohm.
Diese Regel bildet dann die Grundlage für die Berechnung der Spulen. Dazu später.
Im Oszillator liegen die Verhältnisse anders, ein hohes L/C- Verhältnis ist hier nicht nötig und auch nicht erwünscht, damit er stabiler schwingt, kleine z.B. durch Temperatureinflüsse ausgelöste Kapazitätsänderungen würden sonst eine unnötig große Frequenzdrift bewirken.

Alle Bänder sollen in etwa die gleiche Oszillatorspannung haben, somit müssen bei allen Oszillatoren etwa die gleichen Resonanzwiderstände, also die gleichen Blindwiderstände (X) der Komponenten wirksam sein.
Ein Wert von XL von ca. 300 Ohm (XL = 2 x pi x f x L) ist hier günstig.

Beispiel 1: 49m Band (5,800-6,200 MHz), der Oszillator schwingt bei 455 kHz Zf zwischen 6,255 und 6,655 MHz. Bandmitte ist 6,455 MHz
XL soll 300 Ohm L(µH) = XL: (2pi x f(MHz)) = 300: (6,28 x 6,455) = 7,4µH
Es ergaben sich auf diese Weise für die Oszillatorkreisspulen bei 49m 7,4 µH; bei 31m 4,7 µH; bei 25m 3,8 µH und bei 19m 3 µH. Die 49 und 31 m Spule ist auf dem Kern T68/2 gewickelt, 25 und 19 m auf T68/6.
Mit den Werten der Oszillatorkreisspulen lässt sich dann mit der Thomson´schen Schwingungsformel die nötige minimale Kreiskapazität (inklusive Schaltkapazität!) errechnen.

Beispiel 2: wieder 49m Band. Die minimale Kreiskapazität erscheint bei 6,655 MHz und ist
Cmin= 25300 : (f ˛ x L), also 25300: (6,655˛ x 7,4) = 77pF
Der vorhandene Drehko hat, alle drei Pakete parallel geschaltet, eine Kapazitätsvariation von 48 pF. Die im Oszillator verwendeten Trimmer sind die grünen Philips Trimmer 2,5-30 pF.
Im Buch von Schubert [6] ist in Teil 1, Kapitel 5.1 Schwingungskreise, ein Rechenverfahren angegeben, mit dem man mit den vorhandenen Daten die Werte der Parallel- (Cp plus Trimmer) und Verkürzungskondensatoren Cs berechnen kann. Einzig die Schaltungskapazität muss geschätzt werden. Zusammen mit der Röhren- und Spulenkapazität habe ich sie mit 20 pF angenommen.

Beispiel 3: wieder 49m Band. Zur Berechnung von Cs und Cp benötigt man:
1. die Frequenzvariation V (MHz) = fo: fu = 6,655:6,255 = 1,064
2. die minimale Kreiskapazität Co siehe oben, hier = 77pF
3. Delta C, die Kapazitätsvariation des Drehkos , End C - Anfangs C = 48pF
4. Cz = alle Zusatz-(Schalt) kapazitäten = 20pF
5. als erstes muss nun eine Hilfsgröße H berechnet werden:
H= Delta C (V˛ Co- Cz) (Co - Cz) : (Co (V˛ -1))
6. Cp erhält man zu: Cp = Wurzel aus ( Delta C˛ : 4 +H ) - Delta C :2
7. Cs erhält man zu: Cs = ( (Co-Cz) Cp) : (Cp-(Co-Cz))
8. H = 48 ( 1,132 x 77 - 20) ( 77- 20) : 77 (1,132 -1) = (48 x 67,16 x 57) : 10,164 = 18078
9. Cp = Wurzel aus (48˛ :4 + 18078) - 48:2 = (Wurzel 18654) - 24 = 136,57 -24 = 112 pF
10. Cs = ( ( 77-20) x 112) : (112- (77-20) = (57x 112) : ( 112 - 57) = 6384: 55 = 116 pF
Soweit zur Theorie! In der Praxis sind u.U. sogar deutliche Korrekturen der Frequenzvariation des Oszillators durch probeweises ändern von Cp und / oder Cs wegen der nur geschätzten Schaltungskapazität nötig, mit Hilfe des Frequenzdisplays aber kein Problem.
Im 19m Band musste die Kreisspule auf 2,6 µH verkleinert werden, weil die Schaltungskapazität zu groß war, um mit 3 µH die geforderten Frequenzwerte zu erhalten.
Die Windungszahl der Rückkopplungsspulen (ca. 20 bis 100 % der Kreisspulen) bestimmt die Höhe der Oszillatorspannung. Sie muss versuchsweise ermittelt werden, bis die Oszillatorspannung in etwa der von der verwendeten Mischröhre verlangten Oszillatorspannung entspricht. Falls der Oszillator nicht schwingt, Rk- Spulen umpolen. Die Höhe der Oszillatorspannung ist nicht unwichtig, man erzielt die maximale Mischverstärkung, wenn sie dem in den Röhrentabellen angegebenen Wert entspricht. Darüber und darunter fällt die Mischsteilheit rasch ab.

Nun zwei Bilder vom Versuchsaufbau des Mischers und der Durchlasskurve mit rechteck-moduliertem Hf-Signal.




Die Vorkreisspulen
Wie oben erwähnt, soll die gesamte Kreiskapazität idealerweise in Bandmitte dem Wert des Bandes in Metern entsprechen, das wird bei höheren Frequenzen wegen der Schaltkapazität schwierig und konnte von mir auch nicht erreicht werden. Das L/C Verhältnis verschlechtert sich hier etwas.
Das mittlere Paket des Dreifachdrehkos liegt auf Masse, die Kapazitätsvariation eines Pakets ist 6-22 pF, in Mittelstellung des Drehkos 12 pF. Als Schaltkapazität habe ich 15 pF angenommen. Die Berechnung der Spulen der Vor- und Zwischenkreise ging wie folgt:

Beispiel 4: 49m Band
Bandmitte 6,0 MHz, Drehko Mitte 12pF, Trimmer grün Mitte 15pF, Schaltkapazität 15pF; zusammen 42pF
L= 25300: (f˛xC) = 25300: (6˛x 42) = 16µH ( Kern T68/2)

19m Band
Bandmitte 15,450 MHz, Drehko Mitte 12pF, Trimmer blau Mitte 10pF, Schaltkapazität 15pF
Zusammen 37pF
L= 25300: (f˛xC)= 25300: ( 15,450˛x 37)= 2,8µH (Kern T68/6)
Für das 31 und 25m Band ergaben sich Spulenwerte von 6,5 µH bzw. 4,8 µH.
Die Antennen-Ankopplungsspulen haben auf 49, 31 und 25m je 2 Windungen und auf 19m 1 Windung.

Die Bandbreite der Vorkreise
Wegen der geplanten getrennten Abstimmung von Oszillator und Vorkreisen war ein gewisses Überschreiten der Bandgrenzen durch die sich ergebende Frequenzvariation der Vor- und Zwischenkreise erwünscht.
Im 49m Band (5,8-6,2 MHz) errechnete sich eine Bandbreite der Vorkreisresonanz von ca. 5,5 bis 6,6 MHz.
Im 31m Band (9,4-9,9 MHz) lag die Abstimmbandbreite der Vorkreise zwischen 8,6 und 10,4 MHz.
Im 25m Band (11,6-12,1 MHz) entsprechend zwischen 10,4 und 12,3 MHz und im 19m Band (15,1-15,8 MHz) zwischen 13,3 und 15,9 MHz.
Ich weise auf diesen "Überhang" so ausdrücklich hin, weil er für die noch zu beschreibenden Empfangsprobleme von entscheidender Bedeutung sein wird.




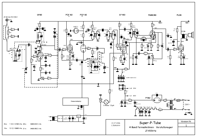
Hier die ursprüngliche Schaltung mit Pentodenmischer:

ursprüngliche Schaltung Super-p-tube
(Mit der Maustaste das Bild anklicken, es wird dann in voller Auflösung dargestellt.)

Die Falle (altes russisches Sprichwort: Wir taten unser Bestes, aber es kam wie immer)
Jeweils nach Verdrahtung einer Stufe, beginnend mit der Endstufe, dann Demodulator, Zf-Stufe und Mischer, erfolgte sofort die Funktionsprüfung. Alles O.K, selbst im Zf-Teil mit der EF183 keinerlei Schwingprobleme, auf 455 kHz wunderbar abgleichbar, AGC funktioniert ebenso!
Die Abstimmung des Oszillators war natürlich eine Fleißarbeit; die im ersten Entwurf noch angezapften Schwingkreisspulen (Hartley Oszillator, später Meissner mit separaten Rk- Spulen) mussten mehrmals neu gewickelt werden, weil die Anzahl der Rückkopplungswindungen noch nicht ausreichte, um eine genügend hohe Oszillatorspannung zu erhalten.
Die Oszillatorspannung sollte mit dem Oszilloskop und Tastkopf 1:10 gemessen werden. Sogar mit dem Tastkopf ist das Oszillatorsignal leicht belastet und damit die Ausgangsfrequenz nach unten verschoben und die Amplitude geringfügig tiefer. Korrektur dann mit Faktor 10 und Division durch 2.83 für Volt effektiv.
Es erfolgte die endgültige Inbetriebnahme nach Verdrahtung der Vorstufe. Um ein Schwingen der Vorstufe (gilt auch für Zf- Stufen) zu vermeiden, sind folgende Vorsichtsmassnahmen nützlich:
Möglichst kurze signalführende Leitungen. Keine zu steile Röhre verwenden. Abschirmblech zwischen Anode und Gitter. Ausreichenden Abstand der Spulen von Vor- und Zwischenkreis zueinander, so dass die Spulen nicht koppeln.
Vorwiderstände von 10 - 100 Ω oder mehr direkt an die Gitter und Anodenanschlüsse. Konsequentes Abblocken der Spannungszuführungen unmittelbar am Ort, wo sie gebraucht werden.


Schon vor dem Abgleich waren beim Durchdrehen des Oszillatordrehkos einige Sender hörbar, aber beim Versuch der Abstimmung der Vorkreise stellte sich ein erschreckendes Phänomen ein:
Die auf dem Display ablesbare Oszillatorfrequenz änderte sich beim Durchdrehen des Vorkreisdrehkos um bis zu 900 kHz! und das teilweise sprunghaft, inklusive starken Rauschens und unendlich vieler Pfeifstellen, bis hin zu Frequenzverwerfungen und Knacken mit Abreißen des Oszillators.
Diese Erscheinung war auf 49m mit ca. 20 kHz noch eher harmlos, aber auf 25m und 19m eine Vollkatastrophe!
Obendrein traten bei bestimmten Stellungen des Vorkreisdrehkos hässlichste Schwingzustände auf, die sich durch Klopfen grob auf den Gesamtbereich Oszillator / Vorstufe lokalisieren ließen.
Beim Versuch des Zwischenkreis- und Vorkreisabgleichs war zu beobachten, dass das Mitziehen nur beim Verdrehen des Zwischenkreistrimmers auftrat, nicht aber beim Abgleich des Vorkreises.
Abtrennen der Vorstufe beendete den Spuk - und den Empfang.
Ein kapazitiver Spannungsteiler (22p / 22p und andere Varianten) zur Verringerung der Kopplung zwischen Vorstufe und Mischer verringerte das Mitziehen deutlich, verschlechterte aber leider ebenso deutlich den Empfang (leiser und mehr Pfeifstellen).
Probeweises komplettes Abklemmen der Vorstufe und Anlöten nur des Vorkreises an den Mischer (müsste ja schon Empfang geben) beseitigte die beschriebenen Effekte nicht!!
Schon ein einfacher Schwingkreis zog den Oszillator mit und brachte die ganze Kiste zum Schwingen, auch ohne Vorstufe!
Was schwingt hier? Die Mischstufe? Oder vielleicht doch die Vorstufe? Oder alles?

Neuer Versuch, neue additiver Pentodenmischer mit der PCF82, jetzt der von Hillebrand S.42 [7].
Ergebnis negativ.

Eine Aufzählung der unzähligen in der Zwischenzeit an der Vor- und Mischstufe erfolgten erfolglosen elektrischen und mechanischen Verrenkungen, wegen des Verdachts, dass doch irgendwelche Kopplungen durch falschen Aufbau vorliegen, möchte ich dem bis hier vorgedrungenen Leser ersparen.
Man kann sich die Komik gar nicht bunt genug ausmalen. Noch´n Versuch, diesmal mit ECH81, also multiplikativer Mischung - was passierte - Schwingungen weg, Mitziehen fast weg, aber nicht weg, immer noch je nach Band 1-8 kHz! Aber Großsignalprobleme, mehr Rauschen und wesentlich geringere Empfindlichkeit. Also Ungenügend!

Der Pullen Mixer
Der Pullen Mixer ist keine Berufsbezeichnung aus dem Gastronomiefach, sondern ein Glücksfall, zufällig entdeckt, als ich "pulling" suchte. - Guxdu:
http://www.mines.uidaho.edu/~glowbugs/receivers.htm

K.A. Pullen´s Schaltung liefert alle Vorzüge eines idealen Mischers, wie z.B. vorzügliche Großsignalfestigkeit, hohe Mischsteilheit, Rauscharmut und ausgezeichnete Entkopplungseigenschaften zwischen Signal und Oszillator, besser noch als bei multiplikativer Mischung, wenn man die Oszillatorspannung über einen zusätzlichen Kathodenfolger einspeist. Man braucht nur eine Röhre mehr.
Ich fand eine Schaltung mit der ECC85 und probierte nun: Pullen-Mischer PCC85, Oszillator und Pufferstufe auch PCC85, siehe Schaltplan oben. Eine echte Offenbarung, keine Schwingungen, leider immer noch etwas Mitziehen, aber nochmals deutlich weniger als bei der ECH81 und klarer, kraftvoller Empfang! Die lange verdächtigte Vorstufe war die ganze Zeit unschuldig, also konnte die Regelröhre EF183 probiert werden. Mit Erfolg: kein Schwingen und ruhigerer Empfang durch verbesserte Regeleigenschaften.

Die Lösung
Genaue Beobachtung der Frequenzänderung auf dem Display bei langsamem Durchdrehen des Vorkreisdrehkos zeigte, dass die Änderungen stets bei eingedrehtem Drehko relativ langsam abliefen und dann bei weiterem Herausdrehen schneller wurden.
Bis zu einem Punkt, meist bei weit herausgedrehtem Drehko, von wo ab sie sich wieder verlangsamten.
Dann kam die Erleuchtung: Der Oszillator schwingt ja 455 kHz höher! Wegen der großen Frequenzvariation der Vorkreise in Kombination mit der niedrigen Zf, konnte man die Vorkreisresonanz bis hin zur Oszillatorfrequenz und darüber hinaus drehen!
Die Kreise beeinflussten sich jetzt massiv gegenseitig - ein Mitziehen fand statt - im Resonanzfall, ohne Pullen-Mischstufe oder multiplikativem Mischer mit ihrer trennenden Wirkung eine gegenseitige Beeinflussung bis hin zum allgemeinen Schwingzustand!
Es blieb als einzige Lösung, eine Einknopfabstimmung zu installieren und so einen 455kHz Sicherheitsabstand der Vorkreise zum Oszillator zu schaffen.
Die nötigen Verkürzungskondensatoren zur Eingrenzung der Bandbreite der Vor- und Zwischenkreise wurden durch Versuch ermittelt. Zwei Ebenen zur Umschaltung dieser Kondensatoren waren glücklicherweise noch frei.




Fazit

Der Empfänger läuft jetzt sehr gut, es gibt nur wenige Spiegelfrequenz-Pfeifstellen und er ist sehr empfindlich. Manchmal entstehen Großsignalprobleme, aber nur bei voller Hf-Verstärkung und voller Antennenenergie. Die gemessene Spiegelfrequenzunterdrückung ist: 49m 48 dB; 31m 45 dB; 25m und 19m 38 dB.

Endlich ist, um es mit einem Bild zu sagen, die Kuh vom Eis - eins aber ist sicher: Nie mehr baue ich einen reinen KW Empfänger mit so einer niedrigen Zf!

Gruss, Ernst

Literaturhinweise:

[1] Pitsch: Lehrbuch der Funkempfangstechnik Akademische Verlagsges. Leipzig 1948
[2] ARRL: The Radio Amateur´s Handbook 1966
[3] Gerzelka : Amateurfunk- Superhets RPB 108
[4] Birchel: Kurzwellen-Amateurfunkgeräte in Röhrentechnik. Beam- Verlag
[5] Moppert: Doppelsuper-Kurzwellenempfänger. Jogis Röhrenbude, Leserbriefe
[6] Schubert. Das große Radiobastelbuch Deutscher Militärverlag 2. Auflage 1962
[7] Hillebrand: Einseitenbandtechnik für den Funkamateur RPB 117/118

Zurück zur Hauptseite