Numiclock
von Stefan Guttmann
Vor ein paar Wochen, auf einem Funkerflohmarkt in Bremen, fand ich diese niedlichen Numitrons, die DA 2100 von Apollo
(vergleichbar mit den DR 2100 von RCA), da konnte ich nicht widerstehen. Leider waren es nur vier Stück, gebraucht und
ungeprüft. Egal, erstmal kaufen, nach Hause bringen und dann überlegen was damit anzufangen ist.
Die Entscheidung kam schnell: Uhren sind immer gut ...
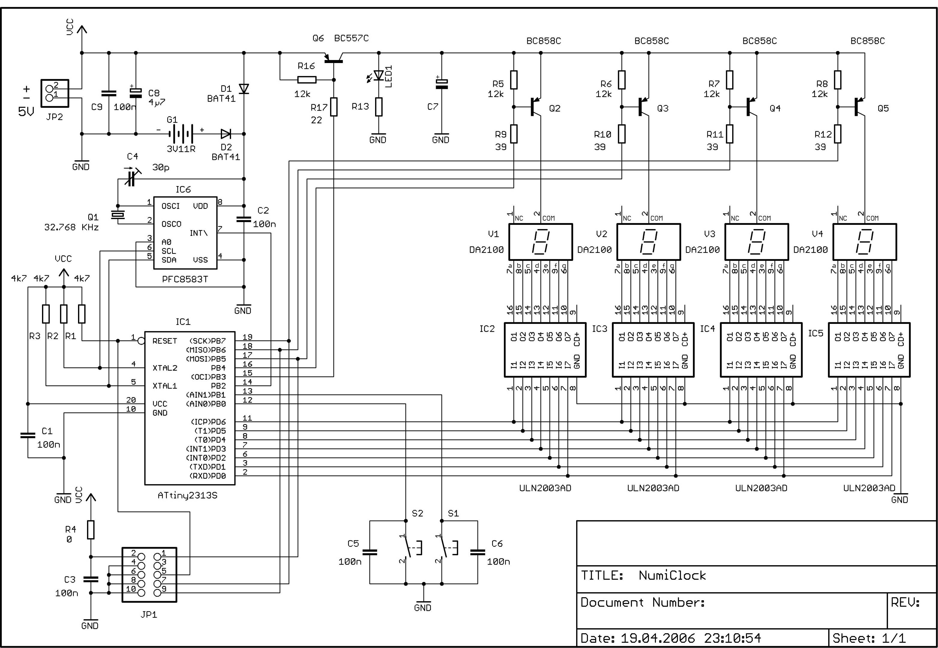
Entsprechend der Größe der Anzeigeröhren sollte auch die Leiterplatte klein ausfallen, also ist das
Ganze in SMD aufgebaut. Basis ist ein kleiner AVR (IC1) von Atmel, getaktet vom internen RC-Oszillator. Damit die Uhr auch
bei Netzausfall weiterläuft, wird ein Uhrenchip (IC6) verwendet der mit einer Batterie gepuffert wird. Angesteuert wird
dieser durch den IIC-Bus, die Erweiterung der Schaltung mit weiteren I/O-Funktionen ist also möglich.
Numitrons kann man nicht, wie LED's oder Nixies, im Multiplexbetrieb einfach zusammenschalten. Sie müssen durch
Dioden in den Segmentleitungen getrennt werden. Das macht also 28 Dioden, selbst in SMD brauchen die verhältnismäßig
viel Platz. - Da aber auch noch Treibertransistoren gebraucht werden, bot sich Verwendung von vier Darlington-Treiber
(IC2-IC5) an. Jeder Chip enthält sieben einzelne Transistoren samt Vorwiderstände, kann also direkt vom Controller
angesteuert werden.
(Mit der Maustaste das Schaltbild anklicken, es wird dann in voller Auflösung
dargestellt.)

Der Transistor Q6 wurde noch ganz zum Schluss eingesetzt, durch den PWM-Pin des Controllers kann damit (wenn gewollt) die
Helligkeit der Anzeige gesteuert werden. Der Kondensator C7 kann entfallen, die Anzeigen sind träge genug.
Mit den beiden Tastern wird die Stellfunktion realisiert, LED 1 ist eigentlich eine kleine Glühlampe, die zwischen
der Stunden- und Minutenanzeige plaziert ist.
Ein Netzteil ist auf der Platine nicht vorgesehen. Ein kleines (stabiliertes) Steckernetzteil (5 Volt, 300mA) reicht
dafür völlig aus.
Eine Stückliste findet sich in diesem pdf-File.
Das Programm für den Prozessor findet sich in diesem Zip-File.
Gruss, Stefan Guttmann
Die Platine kann auch mit den russischen
IV-9 bestückt werden.
Die Ansteuerung der Segmente erfolgt per Software, sie kann deshalb durchaus für andere Typen angepasst werden.
'Umgelegt' werden müsste also nur der gemeinsame Pol (Plus in diesem Falle). Der Rest ist dann mechanische Anpassung.
Falls die Fadenspannung geringer sein soll (wie bei der IV-9), diese Möglichkeit ist auch vorgesehen, mit der
Helligkeitssteuerung kann man dieses sehr leicht bewerkstelligen.
Die folgenden Fotos zeigen die mit den IV-9 fertig bestückte Platine, die ich von Stefan Guttmann erhielt. Die
Röhren fanden sich bei Jan Wuesten, www.die-wuestens.de, und Stefan erstellte
das für diese IV-9 - Numitrons angepasste neue Programm für den Controller-IC.
In der Zip-Datei sind die Gerber-Daten, die die Eagle-Datei
(Numiclock.brd) ist in diesem Link.
Es folgen zwei Bilder aus dem Eagle-Programm, die die Platine zuerst von der Bestückungs- und dann von der Lötseite
zeigen:
Der Umbau ist ganz einfach, wie man sehen kann. Die Anzeigeröhren musste ich etwas drehen, da der Betrachtungswinkel
der beiden Typen nicht ganz übereinstimmt. - Den Dezimalpunkt musste ich abklemmen, da ich ihn in dieser Version nicht
ansteuern kann.
Ein erstes Foto mit der IV-9:
Stefan schrieb mir weiterhin dazu:
Hallo Jochen !
wie versprochen, anbei die neue Software für die Uhr, in einem Zip-File.
Ganz neu dabei ist, dass nun beide Displaytypen mit der einen SW unterstützt werden. Dazu eine kurze
Funktionsbeschreibung:
Wenn wir von vorne auf das Display schauen, haben wir zwei Taster, den vorderen und den hinteren.
Im Normalbetrieb :
- der vordere Taster stellt die Stunden
- der hintere Taster stellt die Minuten
Displaytype auswählen :
- Stromversorgung der Uhr abschalten
- fuer DA2100 die hintere Taste drücken und halten
- fuer IV-9 die vordere Taste drücken und halten
- Stromversorgung einschalten
- in der Anzeige sollte nun "01 23" erscheinen
- Taste loslassen, die Uhr läuft nun normal weiter
- sofern eine Batterie eingesetzt ist, bleibt diese Einstellung erhalten, die Uhr läuft ebenfalls weiter
Hier noch Hinweise, wie man die HEX-Datei in den Chip bekommt:
Gebraucht wird dazu :
1. Den Programmier-Adapter
2. Die Download-Software
Den Adapter habe ich fuer 15 Euro über eBay bekommen. Dieser Adapter wird an die Druckerschnittstelle des PC
angeschlossen. An dem Kabel ist eine 10polige Buchsenleiste, die direkt auf die Uhrenplatine gesteckt wird.
Achtung ! Der Dongle wird aus der Platine, nicht vom PC gespeist, also muss die Uhr beim Download eingeschaltet sein.
Es gibt auch andere Adapter, die z.B. über die serielle Schnittstelle des PC funktionieren, auch die sind verwendbar.
Die Software ist kostenlos, einfach in Google den Suchbegriff "ponyprog" eingeben, schon hat man den Link
(http://www.lancos.com/prog.html ).
Falls jemand Interesse am Quellcode des Programmes hat, bitte über eMail-Anfragen an mich.
Wer einen Einblick in die professionelle Fertigung von Leiterplatten und anderen Elementen bekommen möchte findet
interessante Informationen bei dem Unternehmen Ihlemann unter SMD-Bestückung. Zudem ist es erwähnenswert, dass Ihlemann die
Arbeiten nicht wie andere Unternehmen ins Ausland verlagert, sondern in Deutschland produziert.
Viele Grüsse,
Stefan