Nixie-Zähler
- von Thomas Müller


Vor einiger Zeit mußte ich an meinem altehrwürdigen Nixie-Digitalmultimeter eine Anzeigeröhre austauschen. Bei der Suche nach Ersatz konnte ich gleich mehrere recht günstig ergattern. Die "übrigen" waren mir dann einfach zu schade um nutzlos in der Kiste herum liegen zu lassen, und so entschloß ich mich, quasi als Nebenprojekt, einen kleinen Frequenzzähler mit Nixie-Röhren aufzubauen.

Bei meinen Bastelprojekten gilt meist folgendes: Verwendet wird zuerst was da ist. Will heißen, es wird so konstruiert daß möglichst wenig dazu gekauft werden muß.
Die Schaltung ließe sich mit einem Controller natürlich viel kleiner und einfacher realisieren, abgesehen von den Nixie-Treibern wäre der Controller das einzige IC. Jedoch finde ich, daß erstens eine Europakarte voller CMOS- und TTL-ICs viel besser zu den Nixies paßt als ein moderner �C und zweitens "wird verwendet was da ist".

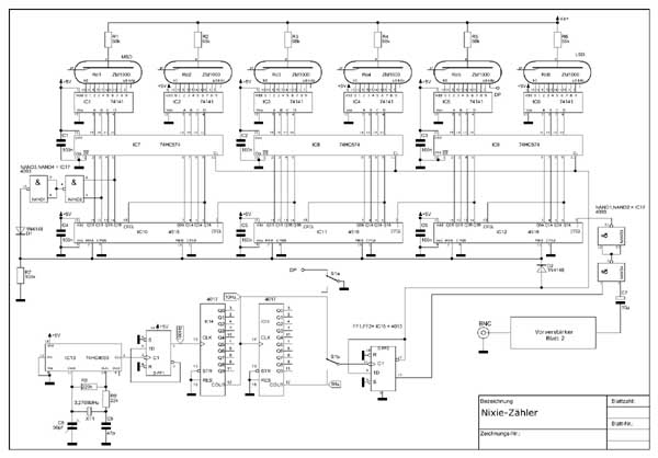
Schaltbild des Zählers
(Mit der Maustaste das Schaltbild anklicken, es wird dann in voller Auflösung dargestellt.)

Es ist der "klassische" Entwurf mit Quarz-Zeitbasis, Zählerkette, Latches und Anzeigetreibern.
Beginnend von unten sieht man als erstes die Zeitbasis, bestehend aus IC13 bis IC16. Der 4060 besitzt neben einem 14-stufigen Dualzähler praktischerweise gleich einen Oszillator, so daß am Ausgang Q13 eine 200Hz-Schwingung steht, die von den nachfolgenden Flipflops und den beiden Dekadenzählern in die eigentlichen Torzeiten 0,1s und 1s heruntergeteilt werden.
Zwei NANDs aus IC17 bilden die Verknüpfung zwischen Eingangssignal und Zeitbasis, das Haupt-Gatter also. Wer über einen genauen Zähler oder eine Referenzfrequenz-Quelle verfügt kann die Zeitbasis mit dem Trimmkondensator abgleichen.

Die eigentliche Zählerkette besteht aus IC10 bis IC12, der 4518 enthält je zwei BCD-Zähler. Die Zählerstände gelangen zu jeweils einem 8-bit D-Latch, von denen der 74HC574 je zwei enthält. Die beiden einzigen Steuersignale RESET und CLOCK sind im Prinzip nichts anderes als die inversen Zeitbasissignale, die "Steuerung" des Zählers ist daher an Einfachheit kaum zu unterbieten. Die Ausgänge der Latches müssen nun dekodiert und für die Nixie-Röhren angepaßt werden. Diesen Job übernehmen am besten die bekannten 74141, die immer noch in ausreichenden Mengen erhältlich sind.
Die Anodenwiderstände für die ZM1000 (das können natürlich fast x-beliebige andere Nixies sein) muß man an die jeweils vorhandene Anodenspannung anpassen, mit den hier angegebenen 68k leuchten die Nixies doch etwas schwach.

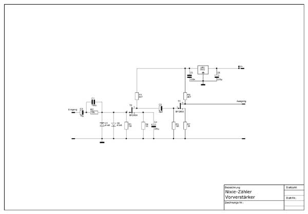
Schaltbild des Vorverstärkers
(Mit der Maustaste das Schaltbild anklicken, es wird dann in voller Auflösung dargestellt.)

Nur TTL-Pegel messen zu können ist natürlich etwas dürftig, daher muß Verstärkung her. Die hier gezeigte FET-Vorstufe schafft's zwar nicht ganz bis 10MHz (je nach Aufbau und Bauteiletoleranzen ist bei etwa 2-3 MHz finito), erweitert das Einsatzgebiet des Zählers aber bis herunter zu wenigen 10mV. Natürlich kann man diese Geschichte auch prima mit einer Röhre aufbauen, das hier vorhandene Gehäuse steht dem aber entgegen. Und natürlich kann man auch den Schalter für die Torzeitumschaltung weglassen und nur den 1MHz-Bereich nutzen, dann hat man einen schönen kleinen Zähler für den NF-Bereich.

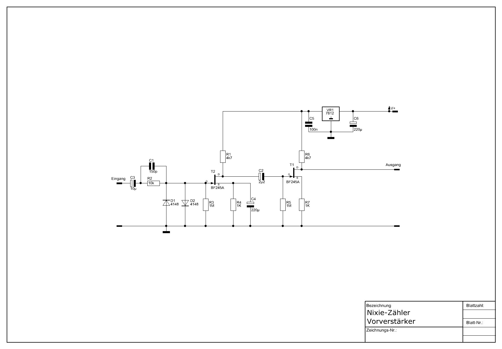
Schaltbild des Netzteils
(Mit der Maustaste das Schaltbild anklicken, es wird dann in voller Auflösung dargestellt.)

Apropos Gehäuse: Ursprünglich war dieses vor vielen Jahren mal für was ganz anderes gekauft worden, eigentlich ist es ja ein Einschubgehäuse für halbe Eurokarten.


Im hinteren Teil ist ein Netzteil untergebracht, das ich für diesen Zweck entsprechend umgestrickt habe. Allerdings ist es nun nicht mehr ganz so fotogen, weshalb ich hier auch keine Bilder davon gemacht habe...
Die Schaltung ist primitiv: Zwei mit den Sekundärwicklungen zusammen geschaltete Printtrafos liefern netzgetrennte 230V, gleichgerichtet und etwas geglättet gibt das die Anodenspannung für die Nixies. Aus den 12V AC werden die Betriebsspannungen +5V und +12V gewonnen. Der 7805 braucht etwas Kühlung; dazu reicht es aber, ihn ans Bodenblech zu schrauben.






Zuerst hatte ich daran gedacht, eine Platine zu entwerfen, mich dann aber aus folgenden Gründen dagegen entschieden: Erstens ist die Geschichte auf Lochraster in Fädeltechnik relativ schnell aufgebaut. Zwar ist die Verdrahtung der Nixies eine ziemliche Frickelei und man muß höllisch aufpassen - aber das muß man beim Layouten ja auch. Zweitens ergeben sich vermutlich in absehbarer Zeit noch einige Änderungen/Erweiterungen. So soll noch ein entsprechend empfindlicher Vorteiler dazu kommen, ebenso erweiterte Funktionen wie mehr Torzeiten, Periodendauermessung, Verhältnismessungen, Puls/Pausendauermessung, PLL-Schaltung für niedrige Frequenzen oder dergleichen.
Wenn das alles mal spielt, denke ich vielleicht nochmal über ein ordentliches Layout nach.


Eine Sache noch zum Schluß: Welchen Sinn macht das ganze, wo es doch industriell gefertigte Geräte mit ganz anderen Fähigkeiten relativ günstig zu kaufen gibt und beinahe jedes bessere DMM sowas auch kann ? - Antwort: So gesehen keinen, es ist der reine Spaß an der Bastelei ! Und ich bin der Meinung, daß so ein Nixie-Zählwerk viel schöner aussieht als ein banales LC-Display.

Fragen-Anregungen-Kritik: coranick ätt gmx punkt de

Gruß Tommi

Zurück zur Hauptseite