Bauanleitung für einen 300B-Verstärker
- von Torsten Poel



Mein 300B Verstärker war ursprünglich ein Bausatz von Trafo Baule. Allerdings wird dort ein CNC gefrästes Alu-Gehäuse angeboten. Ich habe es jedoch vorgezogen, ein eigenes zu bauen.


Enthalten im Bausatz waren Netztrafo, Übertrager, Röhren, Fassungen... eigentlich alles, bis auf einige kleinere Widerstände. - Trafo Baule ist zu empfehlen. Ein persönliches Gespräch vor Ort und eine ausführliche Beratung ist dort kein Problem. Zudem ist Trafo Baule nur 6 km von mir entfernt (Versandkosten..).
Zum Klang kann man nichts negatives sagen. Gerade der Tiefenbereich ist recht stark ausgeprägt. Der Verstärker liefert ca.7-8 Watt, was völlig ausreichend ist.


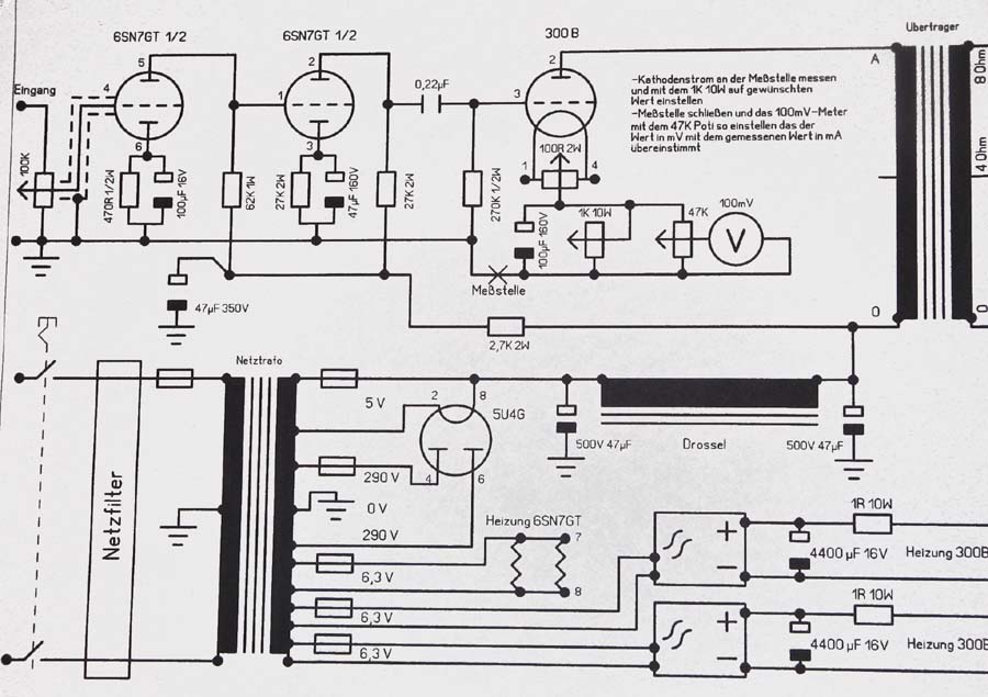
(Da ich keinen Scanner besitze konnte ich das Schaltbild nur fotografieren)


Die Verdrahtung ist nicht so schön geworden wie ichs mir vorgestellt habe. Na ja, kann ich mit leben... Ansonsten habe ich zwei umschaltbare Eingänge für CD und für das zukünftige Röhrenradio eingebaut, welches noch in Arbeit ist (gleiches Gehäuse... falls erwünscht folgen Bilder).


Das Gehäuse ist ein im entsprechenden Farbton lasierten Kiefer Massivholz Rahmen mit Nuten indem ein 2mm Stahlblech eingelassen ist(schwarz glänzend lackiert).
Die Lautsprecher sind handelsübliche "Eltax Millenium" 3Wege Lautsprecher, die von mir ein an dem Wohnzimmer angepasstes Gehäuse bekommen haben. Wichtig denke ich ist das die Lautsprecher einen Wirkungsgrad von 94 dB haben.
Für weitere Fragen stehe ich jederzeit zur Verfügung.

Ich hatte zunächst die 5u4c (rechts, im folgenden Bild) drauf gehabt, aber die hatte nach bereits wenigen Betriebsstunden aufgegeben (Funkenüberschlag innerhalb der Röhre). Ich habe dann, wie im Schaltplan vorgegeben, die 5u4g eingesetzt - keine Probleme mehr...



Im Anhang folgen noch weitere Fotos von aussen und innen.

Gruß, Torsten









Noch nicht ganz fertig:





Der 1k-Drahttrimmer zum einstellen des Anodenstroms:



Hier, vor dem Trafo, sitzen die beiden Schrauben zum einstellen der Drahttrimmer:



Der Ölpapierkondensator vor dem Steuergitter der 300B:



Das Symmetrierpotie für die Heizung der 300B:



Blaue Leuchterscheinung in der 300B:



Zurück zur Hauptseite