UKW-Empfänger mit Phasenwinkeldemodulation
von Hans Schulz






Die Phasenwinkeldemodulation mit der EQ 80 ist eine Demodulationsmethode aus der Anfangszeit des UKW Rundfunks, bevor sich die Industrie für den Ratiodetektor entschied. Später wurde sie nur noch im Tonteil von Fernsehern verwendet.
Eine etwas genauere Erläuterung der Funktionsweise erfolgt weiter unten.
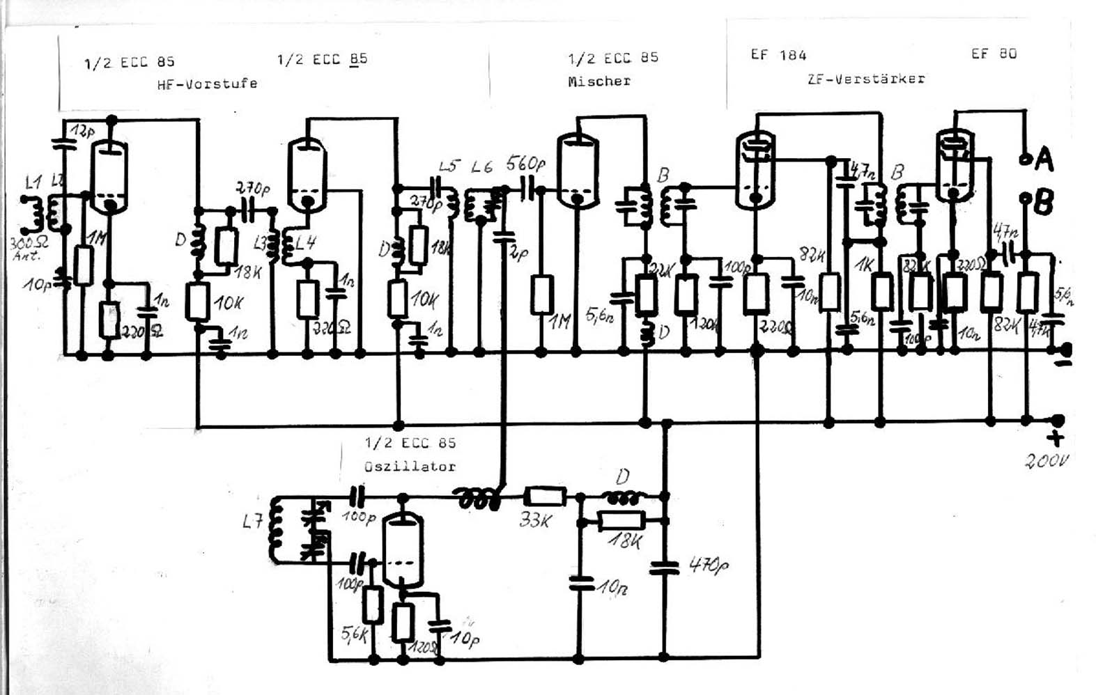
Die Hochfrequenzvorstufe soll die Oszillatorschwingung von der Antenne fernhalten und die Antennensignale verstärken. Ich habe mich für eine Cascodeschaltung entschieden, bei der (siehe Schaltung Teil 1) die erste Stufe in Kathodenbasisschaltung und die zweite Stufe in Gitterbasisschaltung arbeitet.

Schaltung Teil 1
(Mit der Maustaste das Schaltbild anklicken, es wird dann in voller Auflösung dargestellt.)

Die Spule L2 besteht aus 4,5 Wdgn. mit 1 mm CuL-Draht und 12 mm Durchmesser. Dazwischen wurde die Spule L1 mit 3,5 Wdgn. gewickelt und mit Klebstoff fixiert. Die Spulen L3 und L4 haben die gleichen Daten (siehe Bilder).


Alle Spulen in der Schaltung mit der Bezeichnung D sind UKW Breitbanddrosseln mit Kern (z.B. Conrad 535672-33). Die Spulenanordnung zeigen die Bilder. Es lassen sich auch Vorstufen mit nur einer Röhre bauen.
Im Mischer werden die Senderschwingungen und die Oszillatorschwingungen additiv zu einer neuen Zwischenfrequenzschwingung von 10,7 MHz gemischt. Der Eingangskreis besteht aus einem Amidon-Ringkern AL 6,5 (z.B. Firma Reichelt T44-0).


(Mischerspulen L5, L6 (braun); Oszillatorspule L7 (grĂ¼n), rechts unten im Bild)

Ringkerne haben den Vorteil geringer Streufelder, so dass auf eine Abschirmung verzichtet werden kann. Die Spule L 5 besteht aus 8,5 Wdgn. 0,5 mm CuL Draht, die Spule L6 aus 7,5 Wdgn. 0,5 CuL (siehe Bild).
Der Schwingkreis mit der Spule L6 und dem Trimmer 20 pF wird auf Bandmitte eingestellt. An dieser Stelle könnte man natürlich auch eine variable Abstimmung vornehmen, wenn man einen Dreifachdrehkondensator hat.
Im Anodenkreis liegt ein Bandfilter B für 10,7 MHz (z.B. Firma Reinhöfer (45.11 www.roehrentechnik.de). Möglich sind auch die billigeren von Conrad (516716-33), die aber nur einen abgestimmten Kreis enthalten. Die Anordnung ist in der Verdrahtungsgesamtansicht zu erkennen.




Der Oszillator erzeugt ein Schwingung, die um 10,7 MHz unterhalb der Empfangsfrequenz liegt, um eine gute Schwingsicherheit zu erhalten. Man kann die Oszillatorfrequenz natürlich auch oberhalb der Empfangsfrequenz ansiedeln. Der Spulenkern des Schwingkreises ist wieder ein Amidon-Ringkern mit AL 15 (z.B. Reichelt T37-12). Die Windungszahl beträgt 7,5 Wdgn. mit 0,5 CuL Draht (siehe Bild oben). Als Abstimmkapazität stand ein Luftdrehkondensator aus einem alten Transistorradio zur Verfügung, mit 3 UKW-Plattenpaketen mit 30 pF, von denen zwei benutzt wurden (siehe Bild).


Die Masseverbindung zwischen beiden Plattenpaketen kann aber auch weggelassen werden, was wichtig ist, wenn man nur ein Plattenpaket zur Verfügung hat. Die billigste Lösung ist also ein Trimmer von 30 pF als Notlösung, der über angeklebte Schnurlaufräder und untersetzendem Seilzug eine Bedienung erlaubt. Die Ankoppelung des Oszillators an den Mischer erfolgt über einen Draht, dessen eines Ende mit ein paar Windungen um die Anodenleitung der ECC 85 gewickelt wurde. Das andere Ende des 0,5 CuL-Drahtes ist über einen 2 pF Kondensator, der aber u.U. auch wegfallen kann, an das Gitter des Mischers angeschlossen.
Der zweistufige Zwischenfrequenzverstärker enthält keine Besonderheiten. Als Bandfilter wurde wieder eines von Reinhöfer verwendet. In der Anodenleitung der letzten Zf-Stufe liegt eine Festinduktivität von 1 mH (z.B. Conrad 535478-33). Eine weitere ZF-Stufe lässt sich natürlich auch hinzufügen.
Alle Widerstände in den Anodenleitungen sollten mindestens 0,5 Watt Last aushalten können.

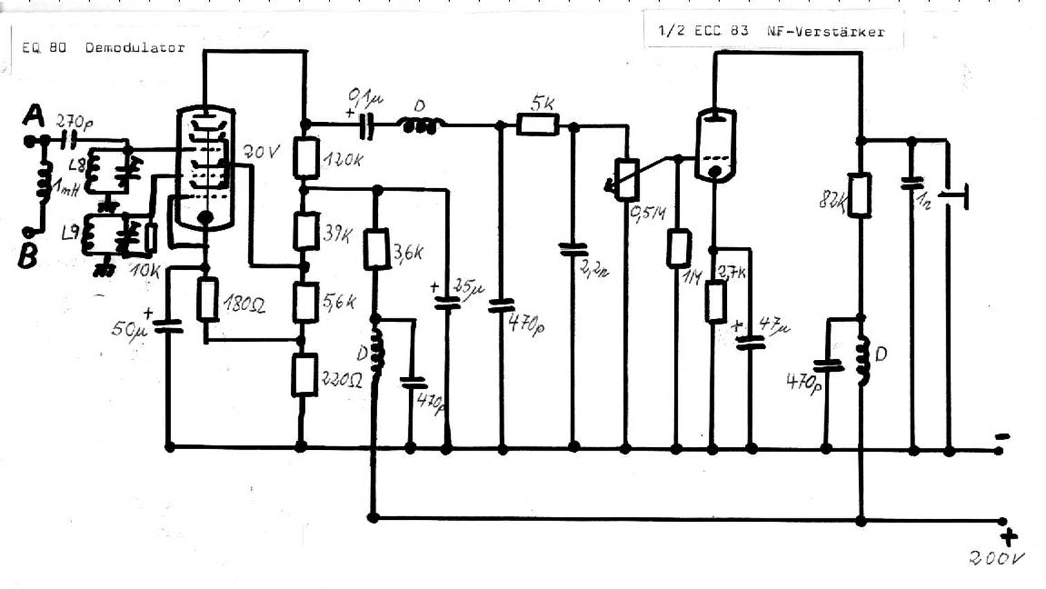
Nun zu Schaltung Teil 2, der Phasenwinkeldemodulation:

Schaltung Teil 1
(Mit der Maustaste das Schaltbild anklicken, es wird dann in voller Auflösung dargestellt.)

Bei der Frequenzmodulation ist die Information in der Frequenzänderung verborgen. Bei der Demodulation muss also die Frequenzänderung wieder in eine Amplitudenänderung zurückverwandelt werden.
Mit der Phase bzw. dem Phasenwinkel Phi (griechischer Buchstabe) kann man den augenblicklichen Zustand einer Schwingung angeben.
Auch der Unterschied der augenblicklichen Zustände zweier Schwingungen lässt sich über die Phasenwinkel erfassen. Das kann man sich an einer Uhr verdeutlichen, wo der relative augenblickliche Abstand der beiden Zeiger zueinander durch die Angabe der Winkelgrösse zwischen den beiden Zeigern erfolgen könnte. Denkt man sich nun zwei Schwingungen durch zwei Zeigerbewegungen dargestellt, könnte der Winkel zwischen den Zeigern auch eine Auskunft über Schwingungsunterschiede geben. Dieser Winkel ist die Phasenwinkeldifferenz. Weil die vorliegende Demodulationsmethode mit der Differenz der Phasenwinkel Phi zweier Schwingungen arbeitet, hat man sie Phi-Detektor oder auch Phasenwinkeldemodulation genannt. Genauer wäre der Begriff Phasenwinkeldifferenzdemodulation gewesen.
Man benötigt also zwei Eingangssignale. Das eine Signal ist das FM-Signal des Senders, das über den 270 pF Kondensator an den Bandfilterkreis mit Spule L8 und damit an Gitter 5 der EQ 80 gelangt.
Ich habe auch statt der kapazitiven Signaleinkoppelung eine induktive Einkoppelung mit einer Hilfsspule ausprobiert, die dicht neben Spule L8 liegen muss, durch die der Anodenstrom der Zf-Stufe fließt.
Das zweite Signal liefert der zweite Bandfilterkreis mit Spule L9 an das Gitter 3. Entspricht die Frequenz des Signals aus der ZF-Stufe der Resonanzfrequenz des Bandfilters mit zwei magnetisch gekoppelten Kreisen, so erfolgt eine Phasenverschiebung der Sekundärkreisspannung gegenüber der Primärkreisspannung um 90o.
Frequenzabweichungen von der Resonanzfrequenz, die im Wesen der Frequenzmodulation liegen, führen zu Veränderungen der Phasendifferenz zwischen den beiden Signalen.
In der EQ 80 erfolgt ein Vergleich der Phasenwinkel. Ein Anodenstrom findet nur in Zeitabschnitten statt, wenn an G3 und G5 gleichzeitig eine positive Spannung der Schwingungen anliegt. Es ergeben sich also zeitlich begrenzte Stromstösse zur Anode, deren Länge durch den Takt der Niederfrequenz bedingt ist.
Die Stromstösse werden durch den Anodenwiderstand und die Anodenkapazität zu einem mittleren Gesamtstrom integriert, der im Takt der Niederfrequenz seine Amplitude ändert.
Kurz gefasst könnte man sagen: Frequenzschwankungen des Antennensignals führen zu Schwankungen im zeitlichen Verlauf von zwei Schwingungen und dann zu Schwankungen der Dauer der Anodenstromimpulse und dann zu Schwankungen in der Amplitude des mittleren Anodenstromes.
Philips hatte die Spezialnonode EQ 80 zu diesem Zweck entwickelt (siehe Bild).


Sie begrenzt, demoduliert und verstärkt gleichzeitig. Die Amplitudenbegrenzung ist nach Angabe von Philips optimal, wenn an Gitter G2, G4 und G6 20 V Spannung anliegen. Durch Verändern der jeweiligen Spannungsteilerwiderstände muss man diesen Wert erreichen, wenn man andere Netzteilspannungen als 200 V benutzt.
Die Bandfilterspulen L8 und L9 sind auf einem Plastikkörper mit Eisenkern an jedem Ende aufgewickelt (Durchmesser 5 mm; siehe Bild).


Eine Spule ist fest, die andere ist verschiebbar angeordnet (25 Wdgn. O,5 CuL). Die Trimmerkapazität beträgt 20 pF. Die Kreise werden auf 10,7 MHz abgeglichen. Nach Philips soll die Güte des Sekundärkreises L9 30 bis 40 sein, was auch durch den Parallelwiderstand erreicht wird, während die Güte Q1 des Primärkreises möglichst hoch sein soll. Die Koppelung zwischen L8 und L9 soll lose sein. Hat man keinen geeigneten Messgerätepark, kann man grob voreinstellen und dann gehörmäßig, durch Veränderung der Trimmerkapazität der Kerne und des Spulenabstandes, auf geringste Verzerrung und größte Lautstärke einstellen.
Ich habe auch erfolgreich Luftspulen verwendet (siehe Bild).


Auf ein Papprohr von 16 mm Durchmesser habe ich zwei Spulen mit ungef. 30 Wdgn. 0,5 CuL Draht gewickelt und mit Klebstoff fixiert. Der Spulenabstand betrug 1,5 cm.
Die Niederfrequenzschwingung wird in einer üblichen Verstärkerstufe mit der ECC 83 verstärkt. Der Widerstand von 5 kOhm dient zusammen mit dem Kondensator 2,2 nF der Höhenebnung. Durch andere Kapazitätswerte lässt sich viel variieren. Da mir ein leistungsfähiges Netzteil fehlt, habe ich auf eine Endstufe verzichtet und einen 1200 Ohm Kopfhörer benutzt.

Der Empfänger ist kein 3-Stunden-Radio, sondern erfordert Geduld beim Aufbau. Das liegt am UKW-Bereich, in dem man sich jedes Verbindungsdrahtstückchen als Spule vorstellen kann. Zu lange Leitungen können zu Lautstärkeverlusten, Verzerrungen oder Versagen führen. Auf kürzeste Verbindungen sollte man deshalb in der Vorstufe, beim Oszillator und beim Mischer bei allen Hf-führenden Leitungen achten. Ich habe deshalb eine sternförmige Masseführung mit je einem Massepunkt bei jeder Röhrenstufe und am Ausgang geachtet. Auf den Bildern sieht man, dass sich die Schwingkreisspule in der Nähe der Röhrenfassung befindet. Die längeren Verbindungsdrähte zum Drehko gehören so zur Schwingkreisinduktivität. Erste Versuche, die Spule am Drehko anzulöten, führten zu Fehlschlägen wegen zu langer Verbindungsleitung zum Gitter.

Verbundröhren haben den Vorteil, kurze Verbindungen zu ermöglichen, führen aber zu einem sehr gedrängten Aufbau, der nachträgliche Veränderungen erschwert. Ich würde deshalb UKW-Einzelröhren vorziehen, wie die EC 92, EF 80, EF 183 oder EF 85.

Als Messgeräte standen mir ein Digitalmultimeter und ein Grid-Dip-Meter zur Abstimmung der Schwingkreise zur Verfügung, was Schwingkreisberechnungen überflüssig macht.

Dann habe ich mir noch ein empfindliches Ultraaudiongerät mit einstellbarer Rückkopplung gebaut.


Zunächst habe ich die Mischstufe zusammengelötet, an den Eingang eine Dipolantenne angeschlossen und an den Ausgang das Prüfaudion angelötet. Als Oszillator habe ich das Dipmeter verwendet, das ich an den Eingangskreis hielt. Nach Optimierung habe ich die Oszillatorstufe angefügt, wobei die Schaltung des Dipmeters übernommen wurde. Es folgten dann die Zwischenfrequenzstufen. Statt der EQ 80 war zunächst wieder das Prüfaudiongerät angeschlossen. Der Phasenwinkeldemodulator brachte zunächst wesentlich leiseren Empfang und benötigte geduldige Abstimmarbeit mit Kernverstellung, Spulenverschiebung und Trimmerverstellung bis zum Optimum.

Das Gehäuse (30 x 15 x 8) mit Bodendeckel habe ich aus einer Furniersperrholzplatte gesägt und dann zusammengeklebt. Innen ist Alufolie als Abschirmung eingeklebt und mit Masse verbunden.
Die Alu-Skalenscheibe ist ebenfalls mit Masse verbunden und dient zur Abschirmung der Handkapazität.
Als Antenne kann man den bekannten Faltdipol verwenden mit 75 cm Armlänge. Ich habe aber auch eine 150 cm lange Drahtlitze ausprobiert, die an das eine Ende der Eingangsspule angeschlossen wurde. Das andere Spulenende wurde geerdet.

Luftdrehkos für UKW kann man u.a. bei Jan Wuesten oder dem Funkamateur-Service (www.funkamateur.de) erhalten.
Die EQ 80 (entspricht 6 BE 7)erhielt ich bei BTB-Elektronik. Nachteil der EQ 80 ist das stärkere Stromverteilungsrauschen, das durch die zufallbedingte Schwankung der Aufteilung des Anodenstroms auf drei Schirmgitter bedingt ist, was ich aber in der Praxis kaum bemerkt habe. Außerdem sollte das Eingangssignal mindestens 8 V betragen.

Vorsicht beim Umgang mit lebensgefährlichen hohen Spannungen! Die Störstrahlungsbestimmungen der Post beachten !
Literatur zu UKW-Schaltungen mit Röhren ist leider meist nur antiquarisch erhältlich. Ein zentrales Verzeichnis antiquarischer Bücher ist unter www.zvab.de erreichbar.
Empfehlen kann ich:
H. Richter: UKW - FM (Phi-Detektor Erläuterung)
H. Richter: Radiopraxis
H.Mende: UKW-Empfang mit Zusatzgeräten
L.Ratheiser: Das große Röhrenhandbuch (viele Schaltungen)
A.Renardy: Die UKW-Röhren und ihre Schaltungen;
H.Schröder: Elektrische Nachrichtentechnik, Band 2 (sehr ausführliche Beschreibungen über Röhren und ihre Anwendungen mit den wichtigsten Formeln
O. Limann: Funktechnik ohne Ballast
H. Sutaner: Superhet - Empfänger mit Röhren und mit Halbleitern

Viel Spaß und Geduld beim Nachbau!

Zurück zur Hauptseite