Nostalgie-Radio mit UCL 11 für LW-MW-KW-Empfang
von Uwe Thomas


Zu diesem Radio ist eigentlich nicht viel zu sagen, die Fotos sprechen hier weitestgehend für sich selbst.
Das Gehäuse ist von einem Nostalgieradio, die Schaltung ist sehr an den DKE 38 angelehnt.
Der schwenkbare Antennenkoppler ist gleichzeitig auch der Lautstärkeregler.
Die Rückkopplung wird mittels einem Potie eingestellt.

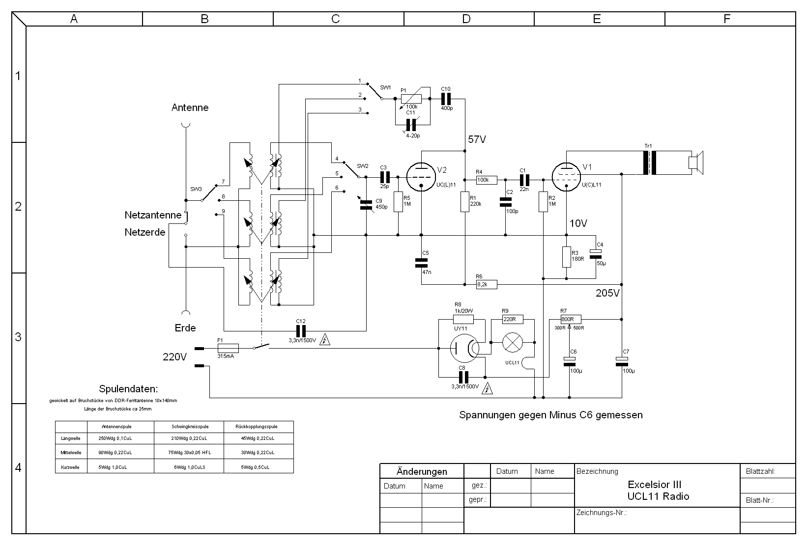
Schaltbild des UCL 11 - Radio
Durch anklicken mit der Maustaste wird das Schaltbild in Originalgrösse angezeigt
Im Schaltbild (unten links) sind die Spulendaten sehr ausführlich beschrieben.











Im folgenden Bild ist der Antennenkoppler aufgedreht :



- und hier zugedreht :