Verstärker "RADIO LAMPA" mit 22 Röhren 2SH27L
von Vico Pichotka

Hallo Bastlerfreunde.
Hier möchte ich euch meine Audio Endstufe "RADIO LAMPA" vorstellen.
Radio Lampa ist aus dem Russischem und bedeutet so viel wie Radioröhre, - Ich selber bin dem Russischen nicht
mächtig, musste es aber einige Jahre Büffeln wobei nur noch das kyrillische Schriftbild hängen geblieben ist
:-), womit der Amp beschriftet ist.
Entstanden ist der Aufbau "aus dem Bauch" heraus, aber schon mit einer gewissen Vorstellung. Der Grundgedanke war
eigentlich schon viele Jahre alt, aber der berühmte innere Sch.....hund wollte überwunden werden :-), weil es doch
ein sehr zeitintensives Projekt ist.
Bestückt ist der Amp mit 22 Röhren vom Typ 2SH27L, die eigentlich für NF anwendungen nicht sonderlich geeignet
ist, aber dennoch, wie bei so bvielen Röhren die nicht für NF entwickelt wurden, erstaunlich gute Eigenschaften
aufweist.
Sie wurden, wie auf einer anderen Seite in Jogis Röhrenbude beschrieben "ausgepackt", um nicht immer auf
Aluzylinder schauen zu müssen.
Die Ausgangsleistung ist ca 2 x 6 Watt an 8 Ohm, was völlig ausreichend ist. Der Klang ist sehr ausgewogen und kommt
ohne Gegenkopplung aus. - Der Schalter ist zwar vorhanden, aber eben nur da...
Das Design sollte Wohnzimmertauglich sein, aber das ist Geschmackssache, ich finde ihn schön.
Die Grundplatte habe ich mit dem Frontplattendesigner von Schaefer-AG gezeichnet und dort fertigen lassen.
Das Holzgestell auf das montiert wurde, ist ein Bilderrahmen von IKEA :-) er hat mir gefallen und paßte wie die
Faust aufs Auge.
Die Füße und andere Teile habe ich selbst angefertigt.
Die Trafos sind noch nicht ganz fertig, ich möchte sie noch Airbrushen, aber die Zeit...
Alle verbauten Widerstände, Elkos usw. sind von Reichelt, die Röhren von Pollin. Die Sockel sind von es ist also nichts ausergewöhnliches enthalten.
Achtung! Ich kann nicht Garantieren das die Schaltpläne fehlerfrei sind, da das Gerät "natürlich"
gewachsen ist - ich möchte damit sagen dass der Amp vor dem Schaltplan existierte!
Schaltung:
Klangregler
Um das Schaltbild in voller Auflösung auf dem Bildschirm zu bekommen, bitte mit der
linken Maustaste anklicken.
Der Amp besitzt 4 Eingänge, die über einem Stufenschalter wählbar sind. Der Eingang ist mit einem TDA1425
gestaltet, was eigentlich ein Vergehen darstellt - aber einen Sicherheisaspekt für meine angeschlossenen Geräte
bildet: Wenn... was eigentlich nicht vorkommen kann... Hochspannung am Eingang der Endstufe anliegen sollte, so ist nur der
TDA kaputt (kostet nur ca 2 Euro) und nicht der gesamte Rest. - Auf diese Art und Weise kann ich auch ruhiger schlafen :-).
Das er auch gleichzeitig noch Klang, Lautstärke und Balance stellen kann, ist ein angenehmer Nebeneffekt und wird
natürlich genutzt.
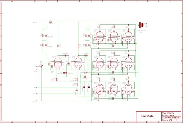
Endstufe
Alle eingesetzten Röhren arbeiten als Triode, was auf dem Hintergrund beruht das die Konstrukte in Pentoden sehr
hochohmig sind, um ddadurch noch mit bezahlbarem Bauteilen hinzukommen - ich denke da hauptsächlich an den AÜ. Deshalb
habe ich mich zu diesem Schritt entschieden.
Auf den TDA... folgt eine Pufferstufe, die auch gleich den Vorverstärker darstellt. Das Poti ist für die
Einstellung des richtigen Pegels.
Die nachfolgende Stufe ist der Treiber, der mit seinem Eingangspoti auf Leistungsmaximum (bis es unharmonisch wird)
herabgestellt wird, dadurch ist eine Übersteuerung eigentlich nicht möglich, aber bitte: steinigt mich nicht wegen
dieser Maßnahme :-).
Ich möchte darauf hinweisen das das "nicht so doll", aber durchaus praktikabel ist - denn das Gerät ist
wie bereits gesagt "natürlich" gewachsen und nicht perfekt - es funktioniert aber sehr gut!
Die restlichen 9 Röhren sind direkt parallel geschaltet.
Um etwas Symmetrie zu erhalten, haben sie nur jeweils 15 Ohm Wiederstände im Anodenkreis, was auch eine Ueberprüfung
des Ruhestroms ermöglicht um eventuelle Ausreißer auszusondern.
Der AÜ ist ein normaler 100V-AÜ wie er in ELA-Anlagen verwendet wird, wobei die Windungen zwischen 0 und 10W benutzt
wird, = ca 6 KOhm.
Am Gitter 1 wird eine Spannung von -3V eingestellt, was sich Gehörmäßig als Optimum heraus stellte und so
belassen wurde. Die Anodenspannung beträgt ca 150V mit ca 60-80 mA pro Kanal, was um die 9 Watt entspricht.
Um das Schaltbild in voller Auflösung auf dem Bildschirm zu bekommen, bitte mit der
linken Maustaste anklicken.
Netzteil
Das Netzteil ist auch etwas gewöhnungsbedürftig, aber es funktioniert. Alle Dioden sind 1N4007. Wenn jemand das
Teil nachbauen sollte, dann bitte daran denken das wir es hier mit Netzspannung zu tun haben - das tut wirklich weh ;-)!
Um das Schaltbild in voller Auflösung auf dem Bildschirm zu bekommen, bitte mit der
linken Maustaste anklicken.
Hier noch einige weitere Bilder:
Als erstes interessierte mich ob man die Röhren glühen sieht, was nicht unbedingt selbstverständlich ist -
also, "Saft dran" und geschaut, aber als Gruppe sieht das einfach besser aus (das Foto steht nicht Kopf, es ist
bei einer Testphase entstanden als der Amp gedreht war).
Aller Anfang ist schwer sagt man ... ist auch so :-) - Nachdem ich die ersten Versuche in Punkto "geht es oder nicht"
gemacht habe und dabei ca." 2 Millionen Kabel" etc. aufgearbeitet hatte, standen die ersten Schritte fest. Das
Bild zeigt den ersten Prototyp der PA im fliegendem Aufbau, da kamen schon fast 300 mW raus:
Nach dem ich mich durch diesen Testaufbau vergewissert hatte, dass das Projekt funktionieren könnte, habe ich die
Frontplatte gezeichnet und fertigen lassen - den "IKEA - Bilderrahmen" gab es auch bereits.
In diesem Abschnitt funktionierte der eine Kanal eigentlich schon, doch das eine oder andere fehlte noch.
- Der MD-Player unten links ist meine " Signalquelle " während des Aufbaus gewesen.
Als ich es dann geschafft habe alle Leitungen und Bauteile unterzubringen (was nicht einfach war weil das Gehäuse
gerade mal 30 mm hoch ist und "Große C┤s" auch leider groß sind... sah alles schon viel besser aus und
es folgte die erste Inbetriebnahme des rechten Kanals im Endstadium .... dachte ich jedenfalls, aber das kennt ihr ja auch:
"Wenn Du denkst, Du denkst - dann denkst Du nur, Du denkst..."
So nach etlichen Litern Kaffe (ist Überlebenswichtig !) und diversen Fertigmahlzeiten aus der Mikrowelle war er dann
endlich soweit; er macht keine Mätzchen und obskure Geräusche mehr, er funktionierte tadellos wie ich es wollte.
Nur das Gehäuse fehlte noch.
Da stand er nun: MEIN AMP ! - Ich wahr"stolz wie Oscar", es fehlten ihm noch hier und da eine Schraube, aber das
wahr auch schnell getan.
Der einzige Gedanke, der mich in dem Moment ereilte, war der "Warum die Röhren wohl solange gewartet haben"...
- Ich sollte an dieser Stelle wohl erwähnen dass die Röhren, laut Datumsstempel3 Jahre älter sind als ich ...
Sie haben sich aber gut gehalten ;-)
Gruss, Vico