Miniatur-Audion 0-V-2 für MW mit drei Raytheon-Miniatur-Röhren JAN 6088
von Vico Pichotka




Hallo Bastlerfreunde.
Dieser Audion-Empfänger entstand bei einem Gespräch mit einem Kumpel am Stammtisch.
Wir machten uns Gedanken wie es wohl währe wenn man ein Röhrenradio mit SMD aufbauen würde? - Zwischen Röhren und SMD-Technik liegen fast zwei Generationen von Bauteilen aber das es funktioniert und auch noch hübsch ist zeigt dieser Beitrag.

Die verwendeten SMD-Bauteile sind leicht beschaffbar (Reichelt). Die drei Röhren sind bei Pollin zu bekommen.
Das einzige Bauteil das Probleme machen könnte, ist der 10:1 Übertrager dieser Bauart, wobei es im Handel die eingegossene Version noch gibt, die aber deutlich größer ist. Gute Erfahrungen habe ich auch mit Trafos aus Kassettenrecordern gemacht; die dort eingesetzten "Sperrschwinger" für den Löschkopf haben ähnliche Eigenschaften, nur das Übersetzungsverhältnis ist ein anderes.
Das Holzkästchen ist von einem Fräsbohrersatz minderer Qualität aus dem Baumarkt, wobei die Bohrer gleich nach Erwerb (um ernste Verletzungen zu vermeiden) zu entsorgen sind :-).

Bei diesem Gerät handelt es sich um einen 0V2 wie er recht häufig anzutreffen ist, die Schaltung lehnt sich sehr an den 0V3 mit 4 x 1sh24b aus der Bastelbude an, da sich die hier eingesetzte JAN6088 bei dieser Beschaltung auch eignet.

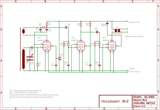
Schaltung des Raytheon-Audion
Um das Schaltbild in voller Auflösung auf dem Bildschirm zu bekommen, bitte mit der linken Maustaste anklicken.

Die erste Röhre arbeitet als Audionsstufe, die Rückkopplung wird durch eine Extrawicklung im Anodenkreis bewerkstelligt, die Verstärkung wird am Gitter 2 geregelt.
Dass das Poti direkt bis U-Anode regelbar ist hat sich im Aufbau ergeben (ich war zu faul noch einen R einzubauen ;-).
Der Schwingkreis sollte so ausgelegt werden das bei ca 50% Poti ein sicheres Anschwingen im ganzen Nutzfrequenzbereich möglich ist.


Bei meiner Version benutze ich einen 8x80 Feritstab mit ca 70 Wdg. Lack-Seide, wobei die Koppelspule aus nur 6 Wdg. im "heißen Ende" besteht und empfange damit den ganzen MW-Bereich.
Das Gerät ist bis über 90 MHz sicher zum schwingen zubekommen, der Schwingkreis muß dann entsprechen angepaßt werden.

Über die Röhre Nr.2 braucht man nichts zu sagen.

Der größte Unterschied ist in der "Endröhre", die als Triode arbeitet um etwas "Strom" durch den Übertrager zu bekommen.
Der angeschlossene Kopfhörer sollte 2 x 32 Ohm aufweisen, welche dann in Reihe geschaltet werden was dann 64 Ohm ergeben und so zu etwas besserer NF führt.

Das empfangen von DRM ist auch ohne Aufwand möglich, man zieht dazu die Rückkopplung bis zum schwingen an und sucht dann das Typische "DRM-Rauschen" - dann noch ein Kabel zum Rechner (Soundkarte - Line-In) und los geht's.

Als Anodenspannung benutze ich 24 x A386, was dann ca 35V/40mAh zur Verfügung stellt.
Für die Heizung findet ein normaler 1,2V 1300mA Akku Einsatz.


Aufbau der Schaltung:
Das Herzstück des Audions befindet sich auf einer kleinen, doppelseitig mit Kupferbeschichteten Platine mit 1mm Stärke (standart epoxi FR4).
Die eine Seite wird nicht behandelt und bildet die Masse, sie wird mit Durchkontaktierungen nach "oben" geholt.




Platinenlayout als PDF-File zum Download.

Das Layout der Platine im PDF-format ist einfach 1:1 ausdrucken; die Schrift muss lesbar sein.
Die SMD Bauelemente sind in Ausführung 1206 für alle Widerstände und 0805 für alle Kondensatoren ausgeführt. -Bei Kondensatoren auf Spannungsfestigkeit achten, 63V ist eigentlich Standard, aber.....
Die Anschlüsse der Röhren sind nach unten gebogen, dabei bitte sehr vorsichtig vorgehen, die Röhren sind immer noch aus Glas :-) !

Die Durchkontaktierungen sollten als erstes hergestellt werden, man nimmt einfach einen Drahtabschnitt und schiebt ihn durch die vorher eingebrachte Bohrung, winkelt ihn sehr stark ab so das er oben und unten ca 2mm auf der Platine aufliegt und dort oben und unten dünn aber sicher verlötet.
Als nächstes bestückt man sinnvoller weise die SMD Bauteile, wobei man das Bauteil erst auf einer Seite "anklebt" dann die andere Seite ordentlich verlötet, um danach die "geklebte" Seite in eine richte Lötstelle zu veredeln, es bedarf da etwas an Übung, aber es geht.


Der Lötkolben sollte die 20 W-Grenze nicht wesentlich überschreiten, da die Bauelemente auch nicht unbegrenzt Hitze vertragen.
Dann ist es Zeit für die Röhren. Bitte vorher beachten das die Röhre 2 und 3 über Kopf montiert werden, was auch beim abwinkeln der Anschlüsse wichtig ist.

Die beiden Schalter habe ich aus einem Sortimentsbeutel von Pollin, aber man kann nehmen was der Fundus hergibt, nur zu Gross dürfen sie nicht sein.
So, dann noch die restlichen Verbindungen herstellen und das ganze noch einmal überprüfen. Wenn man ein Problem hat das man sehen, hören oder riechen kann, dann bitte sofort abschalten und alle Verbindungen nochmals genauestens Überprüfen!

In dem Sinne, viel Spaß beim Nachbauen!
Gruß, Vico

Für an den Daten Interessierte stelle ich hier ein PDF-File zur Verfügung, es ist das Datenblatt von Raytheon zur 6088.

Zurück zur Hauptseite