Kleinsuper
von Vinzenz Fest

Hallo Jochen,
Beim lesen des alten Hefts "Standartschaltungen mit U-Röhren", in dem alle möglichen sparsamen Bastelschaltungen mit der UCH4 und UBL1 abgebildet sind, kam mir die Idee auch mal einen "Sparsuper" zu bauen.
- Es sollte aber doch, der Sicherheit zu Liebe, ein Wechselstromgerät sein.
Trotzdem sind die Abmessungen nicht allzu groß geraten. Das liegt daran dass das Gerät nur ein Zweikreisbandfilter hat und auf eine NF-Vorstufe verzichtet wurde. Auch eine Netzdrossel wurde nicht verwendet.

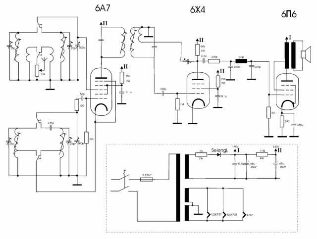
Schaltbild
(Mit der Maustaste das Bild anklicken, es wird dann in voller Auflösung dargestellt.)

Da ich Noval-Röhren nicht besonders aufregend finde, wurden wieder einmal russische Röhren verwendet - und zwar die 6A7 als Mischer, die 6Sch4 als Audion und die 6N6C als Endröhre. Im Netzteil kam, als Tribut an Optik und Nostalgie, ein alter Selengleichrichter in Säulenform zum Einsatz.




Der Spulensatz für den Petagridmischer war eine besondere Herausforderung. Die Lage der Anzapfung in der Oszillatorspule ist nicht unkritisch. Hier heißt es experimentieren. Die Anzapfung ist jetzt bei weniger als einem Viertel der Windungen.
Die Antennenopplung der Eingangskreise erfolgt bei Kurzwelle hochinduktiv und bei Mittelwelle niederinduktiv.
Die hochfrequente Lautstärkeregelung hat sich bei Kurzwelle als ungünstig erwiesen, da sich die Stationen, bei der Änderung der Lautstärke, um einiges verschieben.






Das äußere wurde diesmal Nussfurniert. Dies lässt sich, bei kleinen Flächen, recht gut mit Pattex durchführen. Das ganze wurde dann Hochglanzlackiert mit Sprühlack. (3 x lackieren und schleifen).


Freundliche Grüße aus Österreich,
Vinzenz Fest

Zurück zur Hauptseite