US-Röhrensuper
- von Vinzenz Fest



Hallo Jogi,
Als ich bei Pollin die vielen tollen USA-Röhren gesehen habe konnte ich nicht widerstehen. Es musste gleich eine Ladung voll gekauft werden.
Es musste natürlich etwas damit gebaut werden. Die Röhren mussten aber noch ein bischen warten. Jetzt, in den Ferien, habe ich endlich Zeit gehabt.
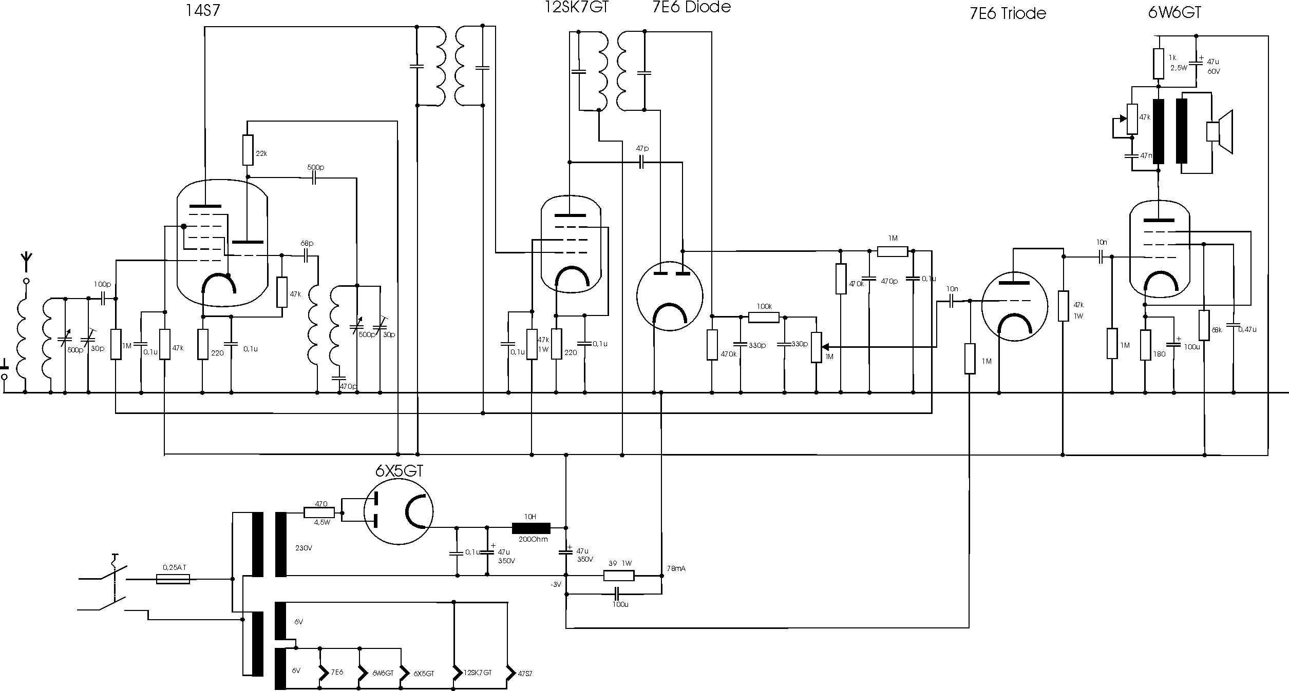
Entstanden ist ein MW-Super mit mit der 14S7 als Mischer, der 12SK7GT als ZF-Verstärker, der 7E6 als Demodulator und NF-Vorstufe, der 6W6GT als Endröhre und der 6X5GT als Gleichrichter. (Die 6W6GT und die 6X5GT gibt es nicht bei Pollin.)

Das Gehäuse ist aus Lärchensperrholz gefertigt, welches lasiert und lackiert wurde. Damit das Ganze nicht so langweilig aussieht habe ich das Lautsprecherbrett schräg gemacht.




Für den Vorkreis und den Oszillator habe ich zwei alte Stefra-Spulen verwendet, die ich bei Ebay gefunden habe. Eigentlich waren auch zwei passende Bandfilter dabei, bei einem ist aber der Ferritkern zerbröselt.

Durch die unterschiedlichen Heizspannungen der Röhren konnte ich keinen normalen Röhrentrafo verwenden. Desshalb sind Heiz- und Annodentrafo getrennt. Das hat leider zur Folge, dass ich nur Einweggleichrichtung verwenden konnte um einen handelsüblichen Trenntrafo zu verwenden.

Schaltbild
Um das Schaltbild in voller Auflösung auf dem Bildschirm zu bekommen, bitte mit der linken Maustaste anklicken.

Die Schaltung weist keinerlei Besonderheiten auf.








Freundliche Grüsse,
Vinzenz

Zurück zur Hauptseite