Der Russen-Super
- von Vinzens Fest



Hallo Röhrenfreunde,
jetzt habe ich gerade wider ein Projekt fertig.

Nach der Sparversion eines Supers kommt jetzt wieder ein größeres Gerät. - Ein Fünfkreissuper mit Magischem Auge für Mittel- und Kurzwelle.


Unterm Chassis wurde einfach drauf los gebastelt. Trotzdem funktioniert das Radio gut.


Weil ich mich mit Pentagridmischern schon etwas angefreundet habe, kamen noch mal russische Stahlröhren zum Einsatz. Der Spulensatz entspricht dem des Kleisupers.



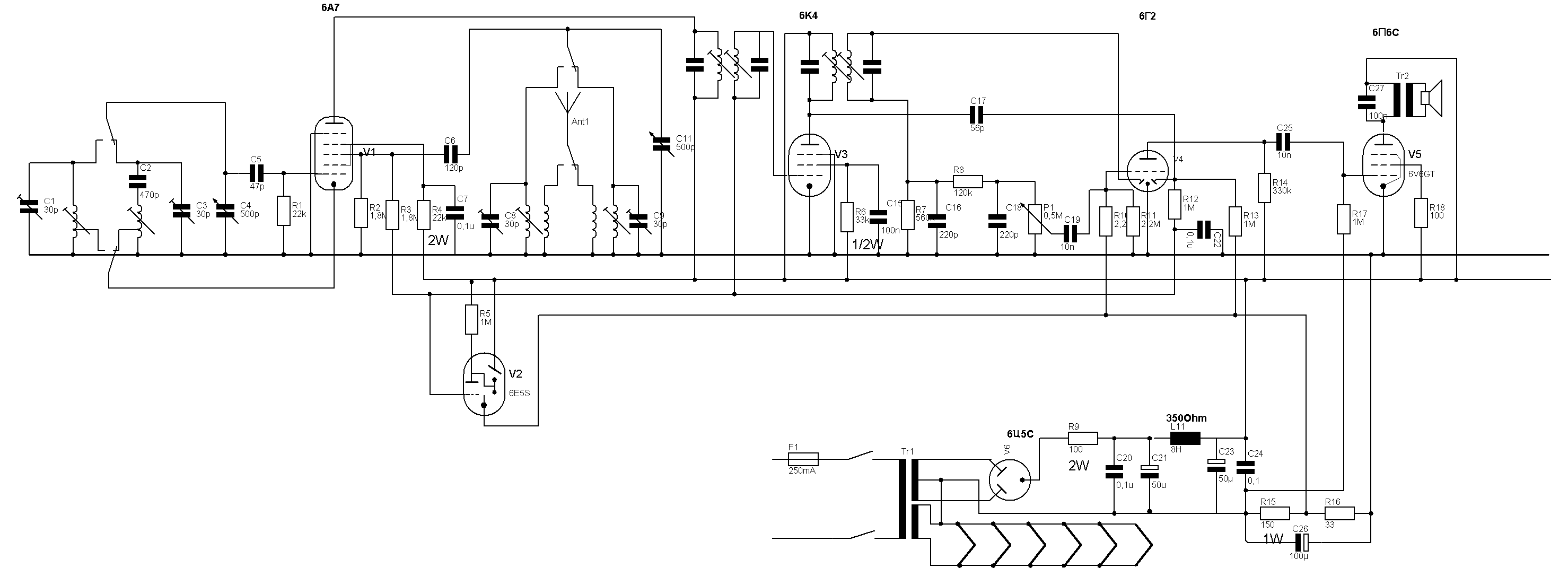
Schaltbild
Um das Schaltbild in voller Auflösung auf dem Bildschirm zu bekommen, bitte mit der linken Maustaste anklicken.

Die Schaltung birgt, für einen Radiokenner, keine großen Überraschungen. Ich habe diesmal besonders viel Wert auf das Gehäuse gelegt.
Das Radio soll aussehen wie ein Gerät aus den 40ern. Die Skala musste dieses Mal unbedingt oben und schräg sein.
Leider musste ich die beiden Steher der Skala nachträglich an das Gehäuse anpassen. Das sieht jetzt ein wenig gepfuscht aus, dies sieht man aber zum Glück von außen nicht. Der Skalenseilzug funktioniert auch problemlos.




Der Wellenschalter wurde auf die Seite verlagert (wie bei vielen alten Radios) um vorne nur zwei Drehknöpfe zu haben.
Das Gehäuse wurde nussfurniert, lackiert und zum Schluss mit Aluleisten verziert.


Nette Grüße,

Vinzenz Fest

Zurück zur Hauptseite