6K3-Zweikreiser
- von Vinzens Fest



Ich bin schon seit langem ein Bewunderer deiner Seite. Sie ist für mich die beste Inspiration für meine Basteleien.

Bis jetzt hab ich Röhrenschaltungen meist nur provisorisch auf Holzbrettchen mit Reisnägeln aufgebaut.
Endlich aber hab ich ein Radio, mitsamt Gehäuse, richtig aufgebaut. Es ist ein Zweikreiser, der mit zwei russichen 6k3 und einer 4P1L arbeitet.
Die 6K3 entspricht der amerikanischen Type 6SK7.
Zum Glück habe ich bei Ebay einen Trafo mit 6V und 4V Heizwicklung für die 4P1L ergattern können. Der ist zwar schon etwas angerostet, erfüllt aber seien Zweck. - Er passt auch besser zum rostigen Drehko. ;-)

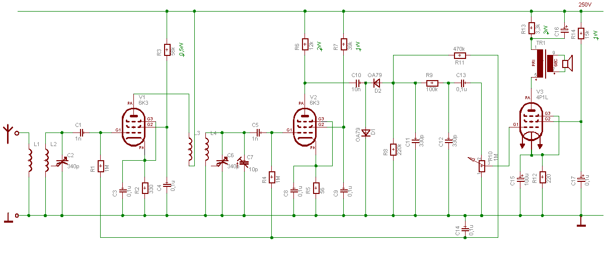
Schaltbild
Um das Schaltbild in voller Auflösung auf dem Bildschirm zu bekommen, bitte mit der linken Maustaste anklicken.

Die Schaltung entspricht im Prinzip zwei hintereinander geschalteten Einkreisern. Problematisch ist bei der Schaltung, dass es zu Rückkopplungen zwischen dem ersten und zweiten Kreis kommen kann. Vor allem, weil ich für die Spulen Conrad Ferritstäbe genommen habe, die normalerweise als Antennen eingesetzt werden. Um die Verstärkung der ersten Röhre zu drosseln, habe ich ihren Kathodenkondensator weglassen müssen. Dieses Problem sollte sich bei Verwendung von besseren Spulenbausätzen mit Abschirmung (Reinhöfer) vermeiden lassen.

Der Schwundausgleich funktioniert nicht wirklich gut. Man kann ihn entfallen lassen. Dann könnte man die zweite Röhre auch als Audion schalten und auf die Dioden verzichten.
Der 3,3k Widerstand in der Annodenleitung der 4P1L ist dazu gut, die Anodenspannung der Röhre auf 150V zu begrenzen, mit der sie laut Datenblatt arbeitet.



Für weitere Verbesserungsvorschläge bin ich offen und dankbar.

Gruss, Vinzenz

Zurück zur Hauptseite