Nixie - Uhr mit 6 russischen IN-18 Röhren
von Werner Kaltenhauser

Da man sich im fortgeschrittenen Alter (44 Jahre) schon ab und zu mal zurückbesinnt, geisterten mir immer wieder Erinnerungen an die schönen Nixieanzeigen meiner Jugend- und Lehrzeit durch den Kopf. Mit Entdeckung einer Softwarenixieuhr für den PC war der Weg vorgegeben - daraus entstand die Idee zum Bau einer realen Nixieuhr.
Gedankengänge hierbei:
Ergebnis zu:







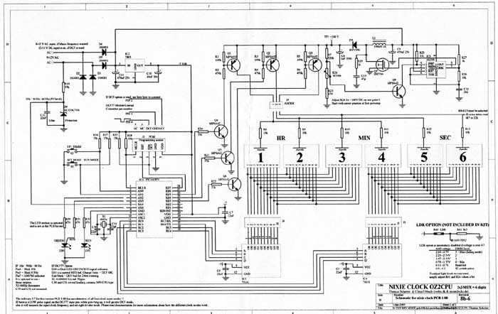
Soweit so gut, nun geht’s an den Bau der Uhrenelektronik, der unten angefügte Schaltplan liegt dem gut beschriebenen Bausatz bei. Alles sehr professionell ausgeführt und problemlos nachzuvollziehen.





Claus Urbach verwendet in seiner sehr universellen Schaltung einen PIC- Prozessor, der einen großen Funktionsumfang der Uhrenplatine zulässt - 2, 4 oder 6 Röhrendisplays und alphanumerische Nixies - alles ist möglich. Weitere Infos siehe oben erwähnte Homepage.
In meinem Fall werden 6 Röhren über die bekannten Nixietreiber 74141 im 2 x 3 Muliplexverfahren angesteuert, was eine Helligkeitssteuerung der Nixies in 3 Stufen sowie einen zusätzlichen Über-blendmodus von einer Ziffer zur nächsten ermöglicht, eine automatische Helligkeitsregelung der Röhren kann mit einem zusätzlichen LDR ebenfalls integriert werden. Auch eine DCF- Synchroni-sierung ist möglich. Die Anodenspannung wird auf der Uhrenplatine mittels eines kleinen Schalt-netzteiles erzeugt und ist mit einem Poti je nach Last einstellbar. Ich entschloss mich dieses Anoden-netzteil abschaltbar auszuführen, um die Röhren zu schonen, wenn niemand Zuhause ist - das Uhrwerk läuft dabei brav weiter. Man kann zwischen einem 12- u. 24 Stundenmodus wählen, AM / PM- An-zeige erfolgt mittels einer LED auf der Uhrenplatine.
Die Röhrenplatine ist bei mir mittels Steckerleiste mit der Uhrenplatine verbunden und mit Abstands-bolzen verschraubt, die IN-18 werden über 66 auf die Röhrenplatine gelötete Mouser- Pins wie in eine Fassung gesteckt, das ergibt eine kompakte Einheit. Alles zusammen sieht dann so aus:

Was für ein schöner Anblick - sie funktionierte auf Anhieb. Aber es gibt noch zu tun - nämlich alle Schalter, LED und Buchsen wieder von der Platine entfernen und stattdessen Kabel für die Verlegung dieser Teile in die externe Schaltereinheit anlöten. Aus der schön aufgeräumten Urbach´schen Platine (inzwischen auf der Grundplatte montiert) entwickelte sich ein wüster Kabelsalat wie hier ersichtlich:

Dagegen musste was unternommen werden, ich mag keinen Kabelverhau - also die Leitungen nach unten an den hinteren Platinenhaltern durchführen und fixieren, die Aluplatte ist rückseitig bis auf einen 20mm breiten Rand 7 mm tief ausgefräst:

Das sieht jetzt schon ein wenig besser aus. Nun werden die Kabel im Boden zu der Bedieneinheit verlegt und dort verdrahtet. Diese enthält jetzt:
1. 2 Taster zum Stellen und zur Funktionswahl der Uhr;
2. Schalter für die Anodenspannung (Röhren aus);
3. LED in Fassung für den Sekundentakt bzw. DCF- Empfang;
4. Buchse für DCF- Empfängerplatine;
5. Buchse für externes Steckernetzteil;
Die Vorwiderstände der 2 Glimmlämpchen finden im Grundplattenboden Platz und danach Testlauf:

Nun fehlt nur noch das "invertierte Aquarium" und dann kann man erstmals das Gesamtwerk betrachten. Ich hoffe, daß das Ergebnis auch für Andere vorzeigbar ist (Frauen wurden vorsichtshalber nicht befragt J ). So hatte ich mir jedenfalls meine Nixieuhr vorgestellt - Technik pur.

Nun noch einmal alles ordentlich polieren (diese Uhr benötigt Fensterputzen!), danach konnte die Nixieuhr den ihr zugedachten Platz einnehmen.
Zusammenfassend bleibt zu sagen:
Sowohl der Bau der Nixieuhr als auch das Ergebnis haben mir großen Spaß gemacht.
Die Uhr läuft netzsynchron sehr genau, den DCF- Empfänger habe ich deshalb nicht in Betrieb und komplett Aus wird
wegen abschaltbarer Nixies nicht geschaltet, also ist kein dauerndes Stellen nötig.
Aber Achtung: Es ist ein gewisses Suchtpotential erkennbar: Die Zeit vergeht augenscheinlich um ihrer selbst Willen im
warmen Glimmen der IN-18 - und man sitzt da und schaut zu, wird selbst in gewisser Weise selbst zeitlos.
Infektiös könnte das Teil auch sein - ein Arbeitskollege will nach einmaligem Kontakt jetzt auch eine Nixieuhr,
allerdings mit kleinen Röhren IN 8-2. Na mal sehen…
Viele Grüße,
Werner Kaltenhauser
Das Datenblatt zur IN-18 findet sich in diesem Link als PDF-File.