Phono-Adapter


Die nachfolgend beschriebene Schaltung kann man heute eigentlich nur noch mit einem Augenzwinkern, als Kuriosität, betrachten - doch zu der Zeit als sie veröffentlcht wurde - 1948 - da war sie sicherlich für manchen hochinteressant. Einer der Gründe dafür : die damals verwendeten Geräte waren zumeist Allstromgeräte und diese besaßen in den allermeisten Fällen (zur Sicherheit) keinen Phonoeingang. Die hier vorgestellte Schaltung ist zwar auch eine Allstromschaltung - jedoch arbeitete sie als Kurzwellensender mit geringer Reichweite.
Und das ist es was sie für den einen oder anderen evtll. doch wiederum interessant machen könnte...
- Hier nun der Original-Text :

PHONO-ADAPTER
Ein Zusatzgerät zur drahtlosen Übertragung von Schallplatten auf kurze Entfernungen.
Allstromausführung 110/220 V, Leistungsaufnahme 6 bzw. 12 Watt.

Während er bei uns noch weniger bekannt ist, erfreut sich der Phono-Adapter in Amerika großer Beliebtheit.
Unter einem Phono-Adapter versteht man einen kleinen, meist netzgespeisten Oszillator, der von der Schalldose des Plattenspielers moduliert wird. Durch Verwendung eines solchen Zusatzgerätes erspart man bei größerer Entfernung des Empfangsgerätes vom Plattenspieler die normalerweise erforderliche abgeschirmte Leitung. Bei Radiogeräten ohne Plattenspieleranschluß oder zu geringer Niederfrequenz-Verstärkung ermöglicht der Phono-Adapter einwandfreie Schallplattenwiedergabe, da auch die Hochfrequenz-Verstärkerröhren zur Uebertragung herangezogen werden.


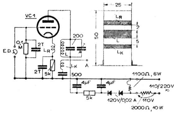
Um das Gerät in der Anschaffung so billig als nur möglich zu halten, wurde die einfachste Form der Schaltung angewendet. Die Schwingungserzeugung erfolgt zwischen Kathode und Anode einer indirekt beheizten Triode (VC 1), wobei der Anodenkreis abgestimmt ist. Die Modulationsspannung, welche der Tonabnehmer liefert, wird dem Steuergitter, welches für Hochfrequenz mit einem Kondensator von 2000 bis 3000 pF überbrückt ist, aufgedrückt. Die modulierte Hochfrequenzspannung gelangt über die Ankopplungswicklung an die Antenne. Der Netzteil ist mit einem Trockengleichrichter ausgeführt und verwendet zur Siebung zwei Becherkondensatoren von je 1 µF in Verbindung mit einem Siebwiderstand von 5 kOhm. Das Gerät ist für den Anschluß an 110 Volt Netzspannung gebaut, da die abgegebene Hochfrequenzspannung für den gedachten Zweck völlig ausreicht und auch die Siebmittel entsprechend bemessen werden können. Bei Anschluß an 150 V bzw. 220 V Netzspannung wird vor das gesamte Gerät ein Vorwiderstand von 800 Ohm bzw. 2000 Ohm gelegt. In manchen Fällen erwies sich die Ueberbrückung des Gleichrichters mit einem Kondensator von 10 000 pF als erforderlich, so daß es ratsam erscheint, diesen von vornherein vorzusehen.
Das Gerät arbeitet im Kurzwellenbereich, dementsprechend sind Spule und Parallelkapazität bemessen. Bei Empfängern, welche nur Mittelwellenbereich aufweisen, kann ohne weiters auch an Stelle der Kurzwellenspule im Sender eine normale Mittelwellen-Audionspule Verwendung finden.
Um den Stromverbrauch möglichst niedrig zu halten, wurde eine Röhre mit nur 50 mA Heizstromverbrauch vorgesehen, doch eignet sich bei entsprechender Aenderung des Vorwiderstandes im Heizkreis jede beliebige, indirekt geheizte Triode.
Die Ausführung des Gerätes wurde möglichst flach und klein gehalten, um den nachträglichen Einbau in jeden Plattenspieler zu ermöglichen. Meist jedoch wird das Gerät wahrscheinlich außerhalb des Plattenspielers aufgestellt und kann in diesem Fall natürlich mit beliebiger Abmessung ausgeführt werden. Die Verdrahtung ist nicht kritisch, lediglich die Verbindung von der Spule zur Röhre soll möglichst kurz gehalten werden.
Mit dem Trimmer, welcher parallel zur Spule liegt, stellen wir de Frequenz des Adapters an eine Stelle, auf der keine Störung durch einen Kurzwellen-Rundfunksender eintritt. Die Spule, welche nach nebenstehender Zeichnung ausgeführt wird, erhält folgende Wickeldaten:
LR 6 Wdg. 0,25 E S, L 8 Wdg. 0,6 E, LK 5 Wdg. 0,25 E S.


Mit diesem billigen, einfach herzustellenden Gerätchen lassen sich recht nette Versuche durchführen. Um eine Störung über größere Entfernungen zu verhindern, darf als Antenne nur eine solche von maximal l m Länge angeschlossen werden.

Materialzusammenstellung:

l Spule, LR, L, LK lt. Angabe im Text,
l Trockengleichrichter 120 V, 20 mA,
l Vorwiderstand 1100 Ohm, 6 Watt,
l Vorwiderstand 2000 Ohm, 12 - 15 W,
l Topffassung, achtpolig,
1 Röhre VC l,
2 Becherkondensatoren 4 µF, 250 V,
1 Rollwickelkond. 500 pF, 1000 V,
2 Rollwickelkond. 2000 pF, 500 V,
l Rollwickelkond. 10 000 pF, 1000 V,
l Calitkondensator 100 - 200 pF,
l Trimmer, Endkapazität 50 - 100 pF,
l Widerstand 5 kOhm, 0,5 W,
l Widerstand 5 kOhm, l W,
l Widerstand 0,1 Megohm, 0,25 W.

Zurück