25-Watt-Mischpultverstärker 53 (1953)

Das Gebiet der Elektroakustik ist für den Funkfreund seit jeher ein besonders dankbares
Arbeitsfeld gewesen, denn die dabei auftretenden Fragen betreffen tonfrequente Dinge. Sie sind damit für den Praktiker
leichter verständlich als hochfrequente Probleme. Auch der Fachmann wird auf diesem Gebiet häufig zum Selbstbau
greifen müssen, um die in der Elektroakustik auftretenden Sonderaufgaben zu bewältigen.
Das RIM-Programm umfaßt deshalb sowohl komplette Verstärker, wie auch eine Anzahl von Zusatzgeräten, mit
denen sich manche alte Anlage vervollständigen und verbessern läßt.
Der RIM-Mischpultverstärker 53 ist als Universalverstärker entworfen. Das heißt, er vereinigt eine Anzahl
von Eigenschaften, die bei der Musikübertragung im Heim, in großen Räumen und auch im Freien erwünscht
sind.
Vierfachmischung.
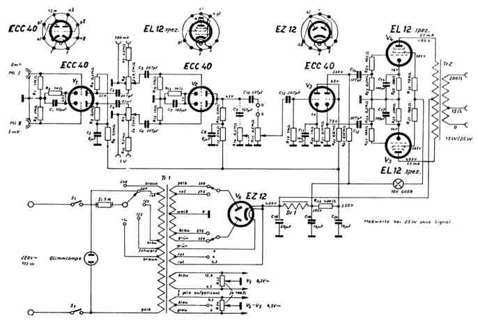
Das Gerät besitzt, wie aus nachfolgender Schaltung ersichtlich ist, zwei getrennte mischbare Mikrophoneingänge,
sowie zwei getrennte Phonoeingänge, die beliebig untereinander gemischt werden können. Die beiden Mischstufen,
sowie die Phasenumkehrstufe sind mit der für Anfangsstufen besonders geeigneten Doppelröhre ECC 40 bestückt.
25 Watt ! - oder Sparschaltung: 15 Watt.
In der Gegentakt-Endstufe werden zwei Röhren EL12-Spezial verwendet. Damit läßt sich eine Sprechleistung von
maximal 25 Watt erzielen. Für die Fälle wo eine Leistung von 15 Watt ausreicht, ist eine Sparschaltung vorgesehen
die die Anodenspannung von 350 Volt auf 275 Volt herabsetzt.
Als Qualitätsverstärker
kann dieses Gerät auch in hochwertigen Musikanlagen verwendet werden. Deshalb wurde auf geringe Brummspannung höchster
Wert gelegt. Dann empfielt es sich außerdem, an Stelle der einfachen Tonblende die RIM-Klangregelstufe einzusetzen,
die eine weitgehende Höhen- und Tiefenanhebung gestattet.
Der Aufbau des Gerätes erfolgt in einem Standardgehäuse, dessen äußere Form dem technischen
Verwendungszweck angepaßt ist. Das Oberteil des pultförmigen Gehäuses ist abnehmbar.
Der Preis
der Einzelteile, ohne Röhren, jedoch mit Gehäuse, beträgt ca. DM 185.-.
Der Preis der Baumappe (bei Voreinsendung des Betrages, einschl. Porto) DM 3.-.
Das Schaltbild dieses Verstärkers mußte ich stark komprimieren um die Seitenanzeige noch
erträglich zu halten, daher wurde es ziemlich unleserlich. Ich biete deshalb hier das Schaltbild noch einmal, in
unkomprimierter Form als Zip-File, zum Download an :