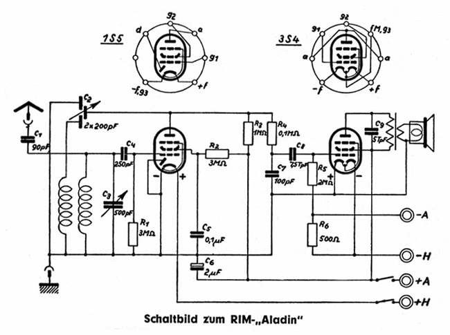
RIM Aladin (1951)

Der ideale Taschenempfänger für den Sportfreund, Schifahrer und Wanderlustigen. Der Aladin-Taschenempfänger
ist ein vollwertiger Reiseempfänger mit Rimlock-Röhrenbestückung.
Die Audionstufe und die leistungsfähige Endstufe gewährleisten eine für den Empfang des Bezirkssenders
ausreichende Empfindlichkeit. Als Antenne genügt eine Wurfantenne in der Länge von etwa 2 bis 4 m, und eine
zusätzliche Erde bringt noch eine erheblichere Verbesserung des Empfanges. Am Abend ist bei günstigen
Empfangsverhältnissen auch Fernempfang möglich.
Der Stromverbrauch des Gerätes ist infolge Verwendung von nur 2 Röhren sehr niedrig. Die eingebaute
Taschenlampenbatterie wird mit 50 mA, das ist die Stromstärke eines Sparlämpchens, beansprucht, während die
Anodenbatterie mit nur etwa 8 mA belastet wird.
Die Heizbatterie kann im Betrieb voll ausgenützt werden, da das Gerät auch bei einer entsprechend niedrigeren
Heizspannung noch arbeitet, während bei Koffersupern der Oszillator bei einer Heizunterspannung von einigen Zehnteln
Volt bereits aussetzt und demnach der Empfang vollständig ausbleibt.
Wie wir sehen, ist das Gerät mit den Batterien in einem formschönen und auch handlichen Gehäuse eingebaut.
Das Gehäuse ist mit Bezugsstoff überzogen und in verschiedenen Farben erhältlich. Das Gerät wiegt
betriebsfertig 1400 gr, und hat die Abmessungen 215 x 130 x 70 mm.
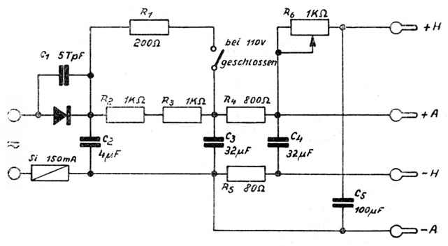
Das Aladin - Netzteil
Dieses Gerät ist für den Batterieempfänger Aladin bestimmt, kann jedoch auch für andere
Batteriegeräte mit 60 Volt Anodenspannung und einem Heizstromverbrauch von 50 mA verwendet werden. Der Vorsatz, der
den Aladin in einen Voll-Netzempfänger verwandelt, ist in einem getrennten Gehäuse untergebracht, das mit einem
Sechsstiftstecker seitlich am Empfänger angesetzt wird. Der Vorteil dieser Anordnung liegt darin, daß bei
Netzbetrieb die Batterien im Gerät gelassen werden können. Die Umstellung von Batterien auf Netz und umgekehrt
kann in kürzester Zeit durch wenige Handgriffe vorgenommen werden.
Die Aladin - HF-Vorstufe
In manchen Fällen ist eine Steigerung der Empfindlichkeit des Alqdin wünschenswert. Dies kann durch
Vorschalten einer aperiodischen Vorstufe erreicht werden.
Die Teile dieser Vorstufe, die im wesentlichen aus der Röhre 1 S 5 und der Hochfrequenzdrossel F 21 bestehen, lassen
sich noch zusätzlich im Gerät einbauen, wenn man den freien Platz ausnützt.