RlM - Allwellen-Kraftdreier für alle Stromarten (1939)

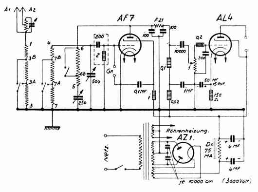
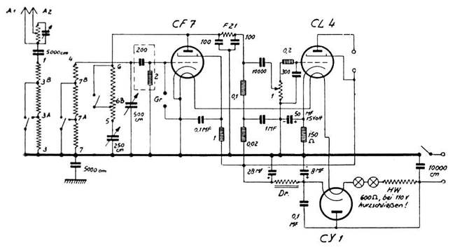
Die beiden Schaltbilder lassen erkennen, daß es sich um einen hochwertigen Dreier handelt,
der mit Fünfpolröhren bestückt ist und der demgemäß eine ganz beachtliche Empfangsleistung
aufweist. Der Wellenbereich, über den sich die Empfangsmöglichkeiten des Gerätes erstrecken, reicht von 20
bis zu 2000 Meter. Der Kurzwellenbereich zeichnet sich durch besonders gute Wirksamkeit aus.
Schaltung und Aufbau sind so einfach als möglich gehalten, was zu einem erfolgsicheren Nachbau erheblich beiträgt.
Die schöne und übersichtliche Skala enthält die Namen der Sender. Die Einstellpunkte entsprechen der
Abstimmung des Gerätes.
Die Preise der gesamten Einzelteile stellen sich für die Allstromausführung auf 92.- RM., für die
Wechselstromausführung auf 84.- RM. und für die Gleichstromausführung auf 77.- RM.