RIM-Kleinverstärker "Konzertmeister 58"

Technische Daten:
Schaltung: Kleinverstärker mit guten Klangregel-Eigenschaften.
Frequenzbereich: 50 Hz - 20 KHz (ca. +/- 3 dB)
Sprechleistung: 3 Watt
Klirrfaktor: 5% bei 1000 Hz (3,5 Watt)
Störabstand: 63 dB
Ausgang: 5 Ohm
Baßreglerbereich: + 20 dB ..... -15 dB (50 Hz)
Höhenreglerbereich: + 22 dB,... - 8 dB (16 KHz)
Röhrenbestückung: ECC 83, EL 84, Selengleichrichter
Stromversorgung: 110, 125, 220, 220 Volt Wechselspannung 50-60 Hz
Stromverbrauch: 31 Watt
Abmessungen: 170x120x150 mm
Gewicht des kompl.Gerätes: 2200 Gramm
Allgemeines
Ein großer Frequenzumfang - von tiefsten Bässen bis zu den gerade noch hörbaren höchsten Tönen -
ist das Merkmal moderner elektroakustischer Wiedergabeanlagen.
Gerade in den letzten Jahren erfuhr der übertragene Frequenzbereich unter dem Einfluß der UKW-Qualität eine
erhebliche Ausweitung. Der Hörer wurde schnell verwöhnt und stellt nun an jede elektroakustische Wiedergabe
höhere Ansprüche. Wenn in den Jahren von 1938 bis 1950 noch ein Wiedergabebereich zwischen 80 und 8000 Hz als
ausreichend angesehen wurde, so haben sich die Erwartungen heute dahingehend geändert, daß eine befriedigende
Wiedergabe eine Durchlaßbreite von mindestens 50-12000 Hz verlangt. Nur eine Wiedergabe-Anlage mit diesen Kenndaten
vermag UKW-Sendungen, moderne Schallplatten und Tonbänder in befriedigender Weise in Schall zu verwandeln.
Die Entwicklung zur größeren Breite des übertragenen Bereiches hin ist aber bei dem genannten Wert nicht
stehen geblieben. Besonders in England und den USA wurde sie bis zur "High Fidelity" (Hi-Fi)-Technik
weitergetrieben und vervollkommnet. Ob die Verwirklichung solcher erhöhten Forderungen (Frequenzbereich z.T. von 20 Hz
- 100 KHz, Klirrfaktor kleiner als 1% bei Nennleistung usw.) so wesentlich ist, daß die durch den Mehraufwand an
Röhren, Siebmitteln und Spezialteilen damit bedingte Preiserhöhung der Hi-Fi-Verstärker sich auch lohnt, ist
der Entscheidung jedes Einzelnen überlassen. Für Anhänger dieser Technik dürfen wir auf den RIM
Klein-Hi-Fi-Verstärker "Musikus" hinweisen.
Der nachstehend beschriebene "RIM-Konzertmeister 58" hat trotz seines großen Frequenzbereichs nicht den
Ehrgeiz, ein Hi-Fi-Verstärker zu sein.
(Mit einem guten Ausgangsübertrager kann leicht und locker diese (veraltete) HiFi-Norm weit
überschritten werden !!)
Wie die technischen Daten zeigen, erfüllt er alle an einen Qualitäts-Kleinverstärker gestellten Forderungen
und erreicht dieses Ziel mit geringstem Aufwand.
Für den vorwiegenden Einsatz als Verstärker zur Schallplatten- und Tonbandwiedergabe kam es besonders auf gute
Klangregelung - für Höhen und Bässe getrennt einstellbar - an. Die beim Vorläufertyp
"RIM-Konzertmeister 53", sowie dessen nachfolger, dem "RIM-Konzertmeister 55" heutigen Ansprüchen
nicht mehr genügende Regelung führte zu besonderer Beachtung dieses Punktes bei der neuen Ausführung. Die
bisher als Vorverstärker benutzte Röhre EF 40 bzw. beim 55 die EF 80, deren spezielle Eigenschaften (geringes
Klingen, Brummen und Rauschen) sich kaum auswirkten, wurde durch die Doppeltriode ECC 83 ersetzt.
Das zwischen die beiden Triodensysteme der ECC 83 geschaltete Klangregelnetzwerk, dessen Funktion in der
Schaltungsbeschreibung eingehender erläutert ist, verleiht der Wiedergabekurve des "RIM-Konzertmeister 58"
die erwünschte Schmiegsamkeit. Durch entsprechende Einstellung von Baß- und Höhenregler ist die Anhebung
oder Absenkung der tiefsten und höchsten Töne über bzw.unter die Lautstärke des Mitteltonbereiches
möglich. Damit läßt sich z.B.bei Schallplattenwiedergabe die durch den Schneidvorgang bedingte Absenkung der
Bässe aufheben, das Nadelrauschen verringern oder Schwächen der Wiedergabe-Lautsprecher verdecken. Die nachstehende
Kurve zeigt die größtmöglichen Anhebungs- und Absenkungswerte; jede Zwischenstellung ist gleichfalls
einstellbar.
Neben den erwähnten Reglern für Bässe und Höhen enthält der "RIM-Konzertmeister 58" auch
einen Lautstärkeregler. Für ihn kam eine Spezialschaltung zur Anwendung, die besonders den Betrieb bei kleiner
Lautstärke berücksichtigt und in der Schaltungsbeschreibung erklärt wird. Ein Netzschalter ist im Schaltbild
nur angedeutet, da er nicht - wie üblich - mit einem der Regler kombiniert ist. Die enge Nachbarschaft von
Tonfrequenzleitungen (am Regler) und der Netzleitung (am angebauten Schalter) führt meist zu einer Überlagerung
der Tonfrequenz mit Netzbrummen, das sich nach entsprechender Verstärkung höchst unangenehm im Lautsprecher
bemerkbar macht.
Die praktische Form des Einbaus in Truhen, Schränke oder Plattenspieler erfordert ohnehin meist eine getrennte
Unterbringung des Netzschalters, wenn der Verstärker nicht durch einen bereits vorhandenen Schalter mitgeschaltet
werden kann. Diesem Umstand trägt des Fehlen des Netzschalters Rechnung.
Da nach dem Einbau meist nur die Achsen der drei Regler (Lautstärke, Baßregler, Höhenregler) sichtbar
bleiben, wird mit dem Bausatz eine dauerhaft beschriftete, eloxierte Abdeckplatte geliefert, die sich direkt unter den
Bedienungsknöpfen anbringen und keine Zweifel über die Bedeutung der Regler aufkommen läßt.
Die Erweiterungsmöglichkeit auf Mikrofon-Wiedergabe (mit RIM-Transistor-Vorverstärker) oder drei mischbare
Eingänge (mit RIM-Kleinmischpult) sind Vorzüge, die den Wünschen des grossen Interessentenkreises am
"RIM-Konzertmeister 58" entgegenkommen und den Einsatzbereich dieses Qualitäts-Kleinverstärkers
wesentlich ausweiten.
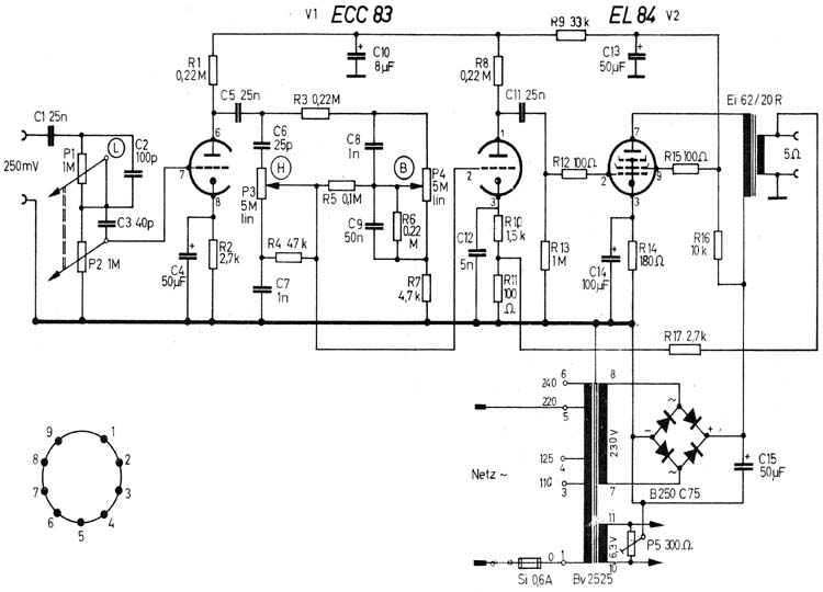
A. Die Schaltung.
Die Tonfrequenz-Spannung, mit der sich die volle Ausgangsleistung von 3,5 Watt am Ausgang einstellt, liegt bei 200 mV (0,2
V). Jeder Kristalltonabnehmer, die meisten magnetischen Tonabnehmer mit Vorverstärker, viele UKW-Vorsätze und fast
alle Tonbandgeräte liefern diese Ausgangsspannung und sind zur Speisung des "RIM-Konzertmeister 58" geeignet.
Wenn wir eine Eingangsspannung dieser Größe an die auf der Chassisrückseite angeordneten Eingangsbuchsen
legen, fließt sie über den Kondensator C 1, der zur Abriegelung von Gleichspannungen dient, zum
Lautstärkeregler P 1/P 2. Der normalerweise an jedem Lautstärkeregler bei kleiner Lautstärke auftretende
Verlust an hohen Tönen wird hier durch die Hinzunahme eines zweiten Reglers (P 2) beseitigt. P 1 wirkt hier lediglich
als veränderliche Höhenanhebung, deren Größe zusammen mit dem Lautstärkeregler P 2 geregelt wird,
da beide Potentiometer durch eine gemeinsame Achse verbunden sind. Die durch C 2 und C 3 an den Reglern vorbeigeleiteten
hohen Frequenzen sind durch diesen Schaltungskniff anteilmäßig stets auf den am Höhenregler P 3 eingestellten
Wert gehalten, ohne daß die Regelung der Lautstärke ihren Anteil an der Ausgangsspannung verändern kann. P 2
als eigentlicher Lautstärkeregler ist gleichzeitig auch Gitterableitwiderstand für das nachfolgende
Röhrensystem.
Die erste Verstärkerstufe ist das linke System der Doppeltriode ECC 83. Die Gittervorspannung zur Einstellung des
Arbeitspunktes erzeugt sich die Röhre am Kathodenwiderstand R 2, an dem beim Fliessen des Anodenstromes ein
Spannungsabfall entsteht. Die Kathode der Röhre wird um diesen Spannungswert positiver als der Schaltungsnullpunkt, das
über P 2 an Masse liegende Steuergitter folglich um den gleichen Betrag negativer als die Kathode.
Das Überbrücken des R 2 mit C 4 läßt den Tonfrequenz-Wechselstrom am R 2 vorbeifließen und
verhindert einen Verstärkungsrückgang, der sonst am R 2 eintreten würde.
Die vom Netzteil gelieferte Anodenspannung liegt über R 1 an der Anode des Röhrensystems. Die feste Gittervorspannung
(vom R 2) legt die Größe des von der Kathode zur Anode fließenden Anodenstromes fest und bestimmt auch den
Spannungsabfall, der am Arbeitswiderstand R 1 entsteht.
Beim Eintreffen der Tonfrequenz am Steuergitter überlagert sie sich der festen Gittervorspannung und vergrössert
und verkleinert sie abwechselnd, entsprechend der Eigenschaft jeder Wechselspannung, laufend zwischen negativen und positiven
Werten zu schwanken. Diese Spannungsschwankungen am Steuergitter führen zu größeren Änderungen des
Anodenstromes und ergeben kräftige Schwankungen der Spannung am R 1. Die verstärkte Tonfrequenz läßt
sich an der Anode abgreifen und über C 5 in das Klangregelnetzwerk einspeisen.
Es besteht aus C 6/P 3/C 7/R 3/R 5/R 4/C 8/C 9/R 6/P 4 und R 7, seine Wirkungsweise ist leicht zu verstehen: Das über
C 5 eingespeiste Tonfrequenzgemisch besteht aus unterschiedlichen Frequenzen innerhalb des Gesamtfrequenzbereiches. Die
tiefen Frequenzen (ca. 50-100 Hz) können nicht über C 6 fließen, da seine kleine Kapazität ihnen einen
hohen Widerstand entgegensetzt. Nur hohe Frequenzen (ca.10-15 KHz) läßt C 6 ungehindert zum Potentiometer P 3
gelangen. Steht der Abgriff dieses Reglers ganz oben, dann ist der Weg zum Steuergitter des zweiten Triodensystems der ECC
83 frei, hohe Frequenzen kommen ungeschwächt zur Verstärkung. Je weiter wir den Schleifer nach unten
bewegen, desto stärker wird die ableitende Wirkung des C 7, sodaß in der untersten Stellung kaum noch hohe
Töne zum Steuergitter kommen können.
Für die tiefen Frequenzen bleibt nur der Weg über R 3 zum P 4 offen. Steht sein Schleifer am oberen Ende, ist der
Weg für die Bässe über R 5 frei. Je weiter der Schleifkontakt nach unten bewegt wird, desto mehr bekommt C 8
Einfluß, dessen Größe für den Durchgang tiefster Töne ein Hindernis darstellt. Da außerdem
C 9 mehr und mehr kurzgeschlossen wird, erfolgt in der untersten Stellung des Schleifers eine Ableitung tiefer Frequenzen
über R 7 nach Masse, sodaß ihr Anteil an der Steuerspannung für die zweite Röhre stark absinkt.
Der Bereich der Mittellagen erfährt durch dieses Netzwerk eine Schwächung von etwa 1 : 10. Die Anhebung für
Bässe oder Höhen ist also nichts anderes, als ein Aufheben der Abschwächung getrennt nach Höhen und
Bässen. Das nachgeschaltete zweite System der ECC 83 gleicht den Verstärkungsverlust im Netzwerk aus und liefert
darüber hinaus noch eine wirksame Verstärkung der Eingangsspannung; seine Wirkungsweise entspricht dem bereits
beschriebenen ersten System.
Die an seiner Anode mit C 11 abgegriffene Tonfrequenz hat, trotz der Verluste im Klangregelnetzwerk, durch die
Verstärkung in zwei Röhrensystemen bereits eine Größenordnung erreicht, die zur Steuerung der
Endröhre EL 84 ausreicht. Auch die Endröhre arbeitet mit
Kathodenwiderstand R 14, überbrückt mit C 14, zur Vorspannungserzeugung. Sein Wert kann wegen des größeren
Anodenstromes dieser Röhre kleiner sein, obwohl die Endröhre eine höhere Gittervorspannung braucht. Der
Arbeitswiderstand der EL 84 wird durch die Primärwicklung des Ausgangs-Transformators EI 62/20 R dargestellt.
Die Sekundärwicklung besteht nur aus wenigen Windungen dicken Drahtes und weist das richtige Übersetzungsverhältnis
auf, um den kleinen Widerstand (5 Ohm) der Schwingspule des Lautsprechers an den großen Arbeitswiderstand der EL 84
anzupassen.
Ein Teil der an der Sekundärseite vorhandenen Tonfrequenzspannung wird über R 17 in den Kathodenwiderstand des
zweiten Triodensystems zurückgeführt. Diese Gegenkopplung verbessert die Wiedergabe-Eigenschaften des
"RIM-Konzertmeister 58".
Die Qualität des Ausgangstransformators hat wesentlichen Anteil an der Breite des übertragenen Frequenzbereiches.
Ist nämlich sein Eisenpaket, über das die Übertragung aller Frequenzen von der Primär- zur
Sekundärseite erfolgt, zu knapp bemessen, dann wird die Übertragung der tiefsten Töne Schwierigkeiten bereiten,
Lautstärkeverlust und Verzerrungen sind die Folge. Hohe Töne lassen sich wiederum auch über kleine Eisenkerne
übertragen, wenn nicht zu hohe Kapazitäten der Wicklung gegen den Eisenkern sie schon vorher nach Masse ableiten.
Wenn die guten Eigenschaften des Verstärkers zur Wirkung kommen sollen, darf nur eine hochwertige Ausführung (im
Bausatz EI 62/20 R) mit verschachtelter Wicklung (zur Verringerung der Wicklungskapazität) und ausreichendem Eisenkern
eingesetzt werden. Wer glaubt, auch mit billigeren Typen auszukommen, wird sehr bald die Richtigkeit dieser Angaben
nachprüfen können. Für Übervorsichtige haben wir auch den größeren (und teureren)Typ M 65
versuchsweise eingebaut und die Werte nachgemessen. Die damit erreichte Verbesserung ist so geringfügig, daß sich
die Mehrausgabe nicht lohnt. (Ein Kern M 85b, vernünftig verschachtelt, ergibt sehr wohl ehebliche
Verbesserungen im tiefen Frequenzbereich!)
Die Stromversorgung aus dem Wechselstromnetz benutzt den kräftigen Netztransformator Bv 2525, dessen Primärseite
auf alle üblichen Netzspannungen umschaltbar und durch eine Sicherung gegen Überlastung geschützt ist. Eine
reichlich bemessene Heizwicklung liefert die Heizspannung für die beiden Verstärkerröhren, ihr elektrischer
Mittelpunkt ist am P 5 zur Einstellung des geringsten Brummens veränderlich gehalten. Die Anodenspannung wird durch
einen Selengleichrichter B 250 C 75 gleichgerichtet und mit C 15 gesiebt. Seine große Kapazität (50 uF) erlaubt
die Entnahme der Anodenspannung für die Endröhre ohne weitere Siebung, da hinter der Endröhre keine
Verstärkung mehr nachfolgt.
Für die Versorgung des Schirmgitters der EL 84 wirkt R 16, zusammen mit C 13, als Siebglied. Die Anodenspannung der
beiden Verstärkerstufen ist mit R 9 und C 10 zusätzlich geglättet.
Eine Schutzwicklung (zwischen Primär- und Sekundärwicklung des Bv 2525)unterdrückt nicht nur störende
Netzeinstreuungen in den Verstärker, sie bietet auch mehr Sicherheit gegen gefährliche Schlüsse zwischen Netz
und Chassis.
Günstige Anordnung und der Einsatz von Qualitäts-Einzelteilen sichern zuverlässig die Einhaltung der
Betriebswerte auch bei Dauerbelastung. Der "RIM-Konzertmeister 58" belohnt uns für die geringe Mühe des
Aufbaus mit langem und störungsfreiem Betrieb.
B. Aufbau.
Das Chassis des Verstärkers wird montagefertig, d.h. gestanzt, gebogen und oberflächenbehandelt, geliefert. Es
macht jegliche Bohr- oder Biegearbeit entbehrlich und erlaubt den Aufbau des Verstärkers mit Schraubenzieher,
Flachzange und Lötwerkzeug in kürzester Zeit und auch ohne spezielle "Bastelecke". Die nachstehende
Reihenfolge hat sich bei unseren Mustergeräten bewährt.
1. In die Chassisgrundplatte sind die Röhrenfassungen für ECC 83/V 1 und EL 84/V 2 von unten her einzusetzen.
Die 3mm-Befestigungsschrauben werden von der Oberseite her durchgesteckt. Bei der Fassung für V 1 wird vor dem
Aufschrauben der einen Mutter noch eine Erdlötöse aufgesetzt, bevor die 3mm-Mutter aufgeschraubt und festgezogen
wird. Die Fassung für V 2 trägt gleichfalls auf einer Befestigungsschraube eine Lötöse für
Erdverbindungen.
Die andere Halteschraube muß
länger sein, da sie gleichzeitig noch einen einpoligen Lötösenstreifen festhalten muß.
Laut Skizze sitzt daher auf der eigentlichen Haltemutter noch eine weitere Mutter.
Auf das herausstehende Ende der Schraube
gehört der zweipolige Lötösenstreifen, dessen eine Lötöse nach dem Zusammenbiegen sich leicht
herausschieben läßt.
Die freigewordene Öffnung wird auf
das freie Ende der Schraube aufgeschoben und mit einer zusätzlichen Mutter gehalten.
2. Die beiden größeren Lötösenleisten (5- und 6-polig) und die zweipolige Leiste sind lt. Skizze an
den im Plan eingezeichneten Stellen zu montieren. Die Halteschraube der fünfpoligen und ein poligen Leiste muß
einen Senkkopf haben, da auf der Chassisoberseite, die Schraubenköpfe nicht herausstehen dürfen. Der nötige
Abstand zwischen Lötösenleiste und Chassisblech wird durch 3mm-Abstandsrollen hergestellt.
3. An der Chassisrückseite werden die beiden Doppelbuchsen für Eingang und Ausgang und zwischen ihnen der
Flachgleichrichter B 250 C 75 mit 3mm-Schrauben und Muttern befestigt.
4. Der Netztransformator Bv 2525 wird auf die Chassisoberseite aufgesetzt und mit vier 4mm-Schrauben und Muttern
befestigt.
5. Der Sicherungshalter sitzt neben dem Netztransformator, seine Anschlußlötfahnen treten durch zwei
Ausstanzungen zur Chassisunterseite durch. Um eine Berührung der zur Halterung der Kontaktfedern benutzten Nieten mit
dem Chassisblech zu verhindern, darf keinesfalls der dünne Isolierstoffstreifen zwischen Pertinax und Chassisblech
vergessen werden! Zur Befestigung dienen wieder 3mm-Schrauben. Vor dem Durchstecken der hinteren Schraube wird noch die
Halteschelle für das Netzkabel zwischen Sicherungshalter und Chassisblech eingeschoben.
6. Der Doppelelektrolytkondensator C 13/15 - 2x50 uF - ist isoliert in die passende Öffnung einzubauen. Zwischen
dem Kontaktring mit der Lötöse und dem Chassisblech muß deshalb der mitgelieferte Pertinaxring sitzen. Die
Lötöse des Kontaktringes ist vor dem Anziehen der Haltemutter so zu biegen, daß er durch die neben dem Elko
angeordnete Chassisöffnung nach unten ragt, ohne aber Berührung mit dem Chassis zu bekommen.
7. Der Ausgangstransformator EI 62/20 R gehört auf die Chassisoberseite, auch er ist mit 3mm-Schrauben (unter
Beifügung von Beilagscheiben) zu montieren. Die Lage der Anschlüsse auf der Anschlußleiste sollte mit der
Verdrahtungszeichnung übereinstimmen.
8. Der "Entbrummer" P 5/300 Ohm wird neben dem Ausgangstransformator nach Abschrauben der Haltemutter von unten
her durchgesteckt und mit seiner Mutter gehalten. Seine Anschlüsse sollen gleichfalls nach der Montage so liegen, wie
es der Verdrahtungsplan zeigt.
9. Zum Schluß sind die drei Potentiometer (P 1/2, P 3, P 4) an der Reihe. Sie gehören in die
Chassisvorderseite und sind mit ihren Muttern darin festgehalten. Die Anschlüsse müssen genau wie in der Zeichnung
liegen, nur P 1/2 ist um eine Vierteldrehung nach rechts zu drehen, um die Leitung zwischen C 1 und P 1 so kurz als
möglich zu halten.
10. Ein genauer Vergleich des montierten Gerätes mit der Verdrahtungszeichnung soll falsch montierte Einzelteile
entdecken helfen, damit sie jetzt richtig eingebaut werden können.
C. Verdrahtung.
Aufgrund der großen Datenmenge dieses Verdrahtungsbildes habe ich es hier, mit
Rücksicht auf die Ladezeit, sehr stark verkleinert und komprimiert dargestellt. Mit einem Mausklick kann man es sich
in der Originalgröße (138.030 kByte) anzeigen lassen.
Sie kann ausschließlich nur mit Elektrolötkolben und Kolophonium als Flussmittel (in Form von
Fadenlötzinn besonders vorteilhaft) durchgeführt werden.
1. Zwei ca. 25 cm lange isolierte Schaltdrähte werden gleichmäßig miteinander verdrillt und von den
Anschlüssen 10/11 des Netztrafos Bv 2525 durch die Chassisöffnung zur Chassisunterseite geführt (Leitung C,D).
Sie laufen weiter zu den Lötfahnen 4 und 5 an der Fassung der EL 84/V 2, dann zu 4/5 und 9 an der Fassung der ECC 83/V
1 und unter P 1/2 hindurch zum Entbrummer P 5/300 Ohm. Diese verdrillte Heizleitung ist vom Netzwechselstrom durchflossen
und deshalb die Quelle von Brummeinstreuungen in benachbarte Leitungen. Um die Einstreugefahr so klein als möglich zu
halten, soll die Heizleitung überall ganz dicht am Chassisblech anliegen. Dadurch wird der größte Teil der
Streufelder im Chasfis kurzgeschlossen und ungefährlich. Unterhalb P 1/2 ist diesem Punkt besondere Beachtung zu
schenken.
2. Zwei weitere verdrillte Drähte von ca.23 cm Länge verbinden Anschluß 7 und 8 am Netztransformator mit
den beiden Anschlüssen des Gleichrichters B 250 C 75, die durch das Wechselstromzeichen (eine geschlängelte Linie)
gekennzeichnet sind (Leitung E,F).
3. Mit einem 20 cm langen Stück verdrillter Leitung (L,M) werden die Ausgangsbuchsen (neben der Fassung für V
2) mit den Anschlüssen rot - gelb am Ausgangstrafo EI 62/20 R verbunden.
4. Das letzte Stück verdrillter Leitung (G,N) führt von den Primäranschlüssen schwarz und braun am
Ausgangstrafo bis zur Chassisöffnung. Hier läuft Leitung G oberhalb des Chassis entlang bis zur Öffnung neben
dem Netztrafo und endet am Anschluß 7 der Fassung für V 2. Leitung N dagegen geht durch die Chassisöffnung
zum Pluspol des C 15.
5. Stärkerer, blanker Schaltdraht dient als Verbindung zwischen der Erdlötöse neben der Fassung V 2 und
dem Mittelröhrchen der Fassung, von dort weiter zur linken Ausgangsbuchse und zum Minusanschluß des Gleichrichters,
bis sie an der Lötöse des Kontaktringes vom Doppelelko C 13/15 endet.
6. Der gleiche blanke Schaltdraht stellt auch die Erdverbindungen vom Mittelröhrchen der V 1 her : Eine zur rechten
Eingangsbuchse, eine zur Lötöse an der Halteschraube der Fassung V 1, eine zum Anschluß des P 2 und weiter
zum Mittelabgriff des P 5 und die letzte zu einem Anschluß auf dem Lötösenstreifen hinter P 4.
7. Ein Stückchen des blanken Schaltdrahtes verbindet auch die Anschlüsse von P 1 und P 2 laut Verdrahtungsplan.
8. Mit isoliertem Schaltdraht verbinden wir :
a) P 1 mit der einpoligen Lötöse neben der Eingangsbuchse (auch diese Leitung ganz dicht ans Chassisblech legen).
b) P 2 Mittelabgriff mit Anschluß 7 der Fassung V 1.
c) P 3 Mittelabgriff mit Anschluß 2 der Fassung V 1.
d) Linken Anschluß P 4 mit Lötöse auf der vierpoligen Lötleiste.
e) 1.und 4. Lötöse der fünfpoligen Lötleiste miteinander.
f) 3. Lötöse dieser Leiste mit der rechten Ausgangsbuchse.
g) Pluspol C 15 (Leitung N) mit Pluspol des Gleichrichters.
h) Pluspol C 13 mit der einpoligen Lötöse an der Fassung V 2.
i) Einen Pol des Sicherungshalters mit Anschluß 5 am Netztrafo (Leitung B).
k) Eine Litze des Netzkabels mit dem freien Pol des Sicherungshalters, die andere mit Anschluß 1 am Netztrafo (bei 220 V
Netzspannung).
9. Die Netzlitze liegt auf der Chassisoberseite längs des Sicherungshalters und wird von der Kabelschelle, die von
einer Halteschraube des Sicherungshalters gehalten ist, gegen Zug gesichert. U.U. ist zwischen Schelle und Kabel etwas
Isolierband o.a. zu legen, um nach Anziehen der Halteschraube genügenden Druck zu erreichen.
10. Damit ist der schwarz gezeichnete Teil des Verdrahtungsplanes fertiggestellt, ein genauer Vergleich zwischen
Gerät und Zeichnung soll fehlende Leitungen oder Schaltfehler entdecken und beseitigen helfen.
11. Es folgt der Einbau aller im Verdrahtungsplan rot eingezeichneten Kleinteile.
Die Kennzeichnung der Widerstände erfolgt bei den mit dem Bausatz gelieferten Typen durch den Farbenkode. Den
Schlüssel dafür finden Sie auf der dritten Umschlagseite (nach Entnahme der Zeichnungen sichtbar) aufgedruckt. Die
Anschlußdrähte der Widerstände und Kondensatoren sind soweit als möglich zu kürzen, um unnötige
Leitungslängen zu vermeiden. Die Polarität der Elektrolytkondensatoren (Pluszeichen) und das erdseitige Ende der
anderen Kondensatoren (Strich) wurden in die Zeichnung aufgenommen, damit beim Nachbau die gleiche Anordnung eingehalten
werden kann.
Das Anschrauben des Hetzsteckers an das Netzkabel schließt die Arbeit ab.
12. Kontrolle der Gesamtverdrahtung des Hachbaugerätes mit dem Verdrahtungsplan. Diese Überprüfung sollte
möglichst nicht am gleichen, sondern an einem der nächsten Tage vorgenommen werden. Ein kleiner zeitlicher Abstand
läßt Fehler deutlicher und schneller erkennen.
Wenn die Prüfung zu unserer Zufriedenheit verlaufen ist, schütteln und stoßen wir das verdrahtete Chassis
auf dem Arbeitstisch, um Lötzinnspritzer und Drahtreste daraus zu entfernen.
D. Inbetriebnahme.
Die Inbetriebsetzung eines Selbstbaugerätes erfolgt zweckmäßigerweise in Stufen, um bei Fehlschaltungen nicht
allzu großes Unheil anzurichten. Für den ersten Einschaltversuch lassen wir deshalb die Röhren noch in ihrer
Verpackung, setzen nur die Sicherung (0,6 A) ein und überzeugen uns, daß Leitung B am richtigen Anschluß
der Primärseite des Netztrafos Bv 2525 liegt. Führt unser Netz eine andere Wechselspannung als 220 V, wäre
Leitung B vom Anschluß 4 ab- und an die auf dem Typenschild des Trafos angegebene Lötöse anzulöten.
Da ein Netzschalter fehlt, genügt das Einstecken des Netzsteckers in die nächste Steckdose, um den
"RIM-Konzertmeister 58" unter Spannung zu setzen. Mit einem 6 V-Fahrrad- oder Skalenlämpchen, das wir mit den
Lötfahnen 4 und 5 an der Fassung der V 2 in Verbindung bringen, stellen wir zunächst fest, ob die Heizleitung
wirklich nur ca. 6 V Spannung führt. Diese primitive Prüfung gilt nur für den Fall, daß uns ein
passendes Meßinstrument noch nicht zur Verfügung steht und verhilft unseren Röhren zu einem längeren
Leben. Brennt das Lämpchen normal, haben wir die Gewißheit, daß der Heizkreis und die Schaltung der
Primärseite des Hetztrafos richtig sind. Der fehlende Stromverbrauch der (noch nicht eingesetzten) Röhren bewirkt
die Zuführung einer hohen Gleichspannung (ca. 350 V) an alle spannungsführenden Punkte. Dabei stellen sich
unbeabsichtigte Masseverbindungen schnell heraus. Wenn es also irgendwo zu rauchen anfängt, dann Gerät abschalten
und die Leitungen vom und zum heißgewordenen Widerstand genauestens auf Verbindung mit dem Chassisblech untersuchen!
Erst wenn diese Vorprüfung ohne Besonderheiten verlaufen ist, wären die Röhren einzusetzen. Das muß mit
etwas Vorsicht geschehen, da die Fassungskontakte im Anfang dem Einschieben der Röhrenstifte einen gewissen Widerstand
entgegensetzen. Das muß so sein, denn der Kontakt zwischen Stift und Fassungskontakt soll über lange Zeit
bestehen bleiben. Widerspenstige Kontakte dürfen nicht etwa durch das Einführen von Drähten o.a. aufgebogen
werden, sondern sollen sich bei richtig aufgesetzter Röhre einem mäßigen Druck auf die Röhre fügen
und die Stifte eingleiten lassen. Evtl. verbogene Röhrenstifte sind vor dem Einsetzen mit einer Flachzange
vorsichtig gerade zu biegen.
Nach Einsetzen der Röhren wird das Gerät wieder eingeschaltet. Nun ist es an der Zeit, sich vom Vorhandensein der
richtigen Betriebsspannungen zu überzeugen. Mit einem Universalinstrument 5000 Ohm/V gegen das Chassis gemessen, sollten
sich in den Bereichen 500,250, 50 und 10 V folgende Spannungen ergeben:
Ladeblock C 15 : 300 V Siebblock C 13 : 245 V
V 2/EL 84
Punkt 7 : 280 V
Punkt 9 : 245 V
Punkt 3 : 7,2 V
V 1/ECC 83
Punkt l : 100 V
Punkt 3 : 0,8 V
Punkt 6 : 135 V
Punkt 8 : 0,9 V
Wird die Leitung zwischen Pluspol des Gleichrichters und C 15 aufgetrennt und ein Drehspul-Meßgerät
zwischengeschaltet, dann ergibt sich ein Gesamtstrom von 43 - 45 mA (ohne Eingangssignal).
Wenn die genannten Spannungen mit einer Genauigkeit von ca. +/- 10 % vorhanden sind, dann ist es endlich soweit: Nach
Anschluß eines Breitband - Lautsprechers oder einer Lautsprecher - Kombination mit einem Anpassungswiderstand von 4 -
6 Ohm an die Ausgangsbuchsen und eines Plattenspielers o.a. an die Eingangsbuchsen werden wir die ersten Töne unseres
Selbstbauverstärkers vernehmen.
Ein zu starker Brumm läßt sich jetzt schnell eingrenzen: Bleibt er auch bei herausgezogenem Eingangsstecker
bestehen, dann wäre der Entbrummer P 5/300 Ohm langsam durchzudrehen, bis sich der geringste Brumm ergibt. Bei richtiger
Erdung ist das Minimum des Brumms ganz eindeutig erkennbar. Tritt der Brumm dagegen erst nach Einstecken der Eingangsleitung
auf, müßte entweder die Leitung umgepolt (Abschirmung an den Masseanschluß des Eingangssteckers) oder die
Unterbrechung in der Abschirmung der Eingangsleitung behoben werden.
Ist nur ein Heulton zu hören, dann sind die Anschlüsse der Sekundärseite (rot/gelb) am Ausgangstrafo
vertauscht und müßten umgepolt werden.
Die Wiedergabelautstärke ist am linken Regler, der Anteil der hohen Töne am mittleren und der Anteil der tiefen
Töne am rechten Regler einzustellen. Bereits bei dieser ersten Probe können wir feststellen, wie schmiegsam und in
weiten Grenzen regelbar die Wiedergabe - Charakteristik ist. Auch die Wirkung der Sonderschaltung des Lautstärkereglers
ist beim Zurückregeln der Lautstärke deutlich zu erkennen. Die brillante und unverwaschene Wiedergabe ist der Lohn
für die kleine Mühe des Aufbaus.
E. Einbau- und Betriebshinweise.
1. Der "RIM-Konzertmeister 58" ist als Einbaugerät vorgesehen. Es konnten somit alle
Berührungs-Schutzmaßnahmen entfallen. Die offen zugänglichen Anschlüsse an den Transformatoren, an
denen Netz- und Anodensponnung liegt, machen es aber nicht ratsam, das Gerät ohne Gehäuse zu betreiben, besonders
dann, wenn auch Nichtfachleute es bedienen sollen. Der Einbau in vorhandene Möbel bzw. in Holz- oder Metallgehäuse
ist dann keine Möglichkeit, sondern eine Notwendigkeit.
Ist oberhalb des eingebauten Verstärkers nur wenig Raum vorhanden, um der aufsteigenden heißen Luft (besonders
an der EL 84) Gelegenheit zum Abzug zu geben, so empfiehlt sich bei Holzgehäusen das darüberliegende Holz durch
ein Stückchen Asbestplatte (ca.100 x 100 mm) direkt über der Endröhre zu schützen. Bei
Metallgehäusen wären an dieser Stelle einige Lüftungslöcher anzubringen.
2. Wenn vor dem "RIM-Konzertmeister 58" ein UKW-Vorsatz (RIM-Sopran 58 oder RIM-Pilot UKW I/II) betrieben
werden soll, kann seine Anodenspannung noch dem Netzteil des Verstärkers entnommen werden, da dieser absichtlich nicht
voll ausgelastet wurde. Am Siebblock C 13 lassen sich (evtl.nach Verkleinerung des R 16/10 KOhm) 250 V/27 mA entnehmen. Die
Heizleistung für das UKW-Gerät müßte allerdings einem getrennten Heiztransformator entnommen werden, da
der Verstärker Mittelpunkterdung und das UKW-Gerät einseitige Erdung der Heizleitung aufweist. Die Reserve im
Heizkreis des Bv 2525 beträgt 1,4 A, sodaß sich daraus Signal- und Beleuchtungslämpchen zusätzlich
speisen lassen.
3. Die erwähnte Leistungsreserve im Netzteil eröffnet für die Stereophonische Wiedergabe eine günstige
Lösung: Die für echte Stereo-Wiedergabe notwendigen zwei getrennten Verstärkerkanäle lassen sich mit dem
"RIM-Konzertmeister 58" recht preiswert erstellen. Wird ein Verstärker in der vorstehend beschriebenen Form
aufgebaut, dann ist für den zweiten Verstärkerkanal nur nochmals der gleiche Verstärkerteil hinzuzufügen,
der seine Betriebsspannungen aber aus dem Netzteil des ursprünglichen Verstärkers bezieht. Um eine Überlastung
der Anodenwicklung des Bv 2525 zu vermeiden, wären die Kathodenwiderstände der beiden EL 84/V 2 (R 14) von 180 Ohm
auf 200 Ohm zu vergrössern. Mit dieser Anordnung muŁ Stereo-Wiedergabe kein Wunschtraum bleiben, sondern ist in die
Reichweite jedes Bastlers gerückt.
Wir wünschen für Aufbau und Betrieb des "RIM-Konzertmeister 58" recht guten Erfolg und viel Vergnügen!
Für Erweiterungsvorschläge und Erfahrungsberichte ist stets dankbar
Ihr
RIM-Bastelonkel
Anmerkungen
Wenn die Achse eines Potentiometers oder Drehkondensators gekürzt werden muß, sollte das Teil in jedem Fall
wieder ausgebaut werden. Das Absägen der Achse bekommt dem Lager im Gehäuse nicht, es ist der starken Biege- und
Druckbelastung nicht gewachsen. Besser ist es, die benötigte Achslänge anzuzeichnen, das Bauteil auszubauen und
das abzuschneidende Achsstück in einen Schraubstock einzuspannen. Mit Eisensäge oder Laubsäge mit Metallblatt
wird die Achse an der bezeichneten Stelle durchschnitten. Bei den letzten Sägestrichen ist das Bauteil mit der Hand
festzuhalten, um sein Herunterfallen zu verhüten. Nach leichtem Abrunden der Schnittkanten mit einer Feile ist das
Bauteil wieder einbaufertig und wird ohne Beanstandung seinen Dienst tun.
Achtung bei der Verarbeitung des isolierten Schaltdrahtes! Das Entfernen der Isolationsschicht muß so vorsichtig
geschehen, daß der Draht an der Schnittstelle nicht beschädigt wird. Zu starker Druck beim Schneiden macht die
Übergangsstelle brüchig. Deshalb Messerdruck klein halten oder Abisolierzange verwenden!
München, den 4.Juli 1958
Thi/Wa/250.