Universal-Mischverstärker (1961)

Unser Universalröhrenmischverstärker repräsentiert in jeder Hinsicht den modernsten
Stand der Technik und wird praktisch jeglichen Anforderungen hinsichtlich der vielseitigen Verwendungsmöglichkeit,
technischen Ausstattung, Wiedergabegüte, Betriebszuverlässigkeit und der Formgebung gerecht.
Überprüfen wir doch einmal den Aufbau unseres Mischverstärkers unter besonderer Berücksichtigung dieser
Merkmale.
Unser Röhrenmischpult besitzt 4 Tonquelleneingänge, mit unterschiedlichen Eingangsempfindlichkeiten zum
Anschluß zweier nieder- bzw. hochohmiger Mikrofone und 2 Tonträgereingänge wie Schallplatte, Tonband oder
Rundfunk. Sämtliche 4 angeschlossenen Tonfrequenzquellen sind miteinander mischbar. Um eine möglichst große
übersprechdämpfung zwischen den vorverstärkten Mikrofonkanälen zu erreichen, wurde pro Kanal eine
getrennte, spezielle Eingangsröhre verwendet, die sich u. a. auch durch Kling- und Brummfreiheit auszeichnet. Ferner
konnte dadurch ein größerer Störabstand erreicht werden.
Die Mischung der vier Eingänge erfolgt rückwirkungsfrei und das so hergestellte Tonbild kann noch zusätzlich
mit Hilfe der getrennten Höhen- und Tiefenregelung mit der gewünschten Klangfarbe versehen werden.
Unser Mischverstärker besitzt einen sehr hohen Verstärkungsfaktor, so daß die am Verstärkerausgang
auftretende Tonspannung zur Aussteuerung von Leistungsendstufen, Verstärkern mit TA-Eingängen und
Tonbandgeräten etc. gut ausreicht. Daher kann unser Mischverstärker als Steuerverstärker zur Aussteuerung
mehrerer Leistungsverstärker, zum Ausbau einer bereits vorhandenen Verstärkeranlage oder als Röhrenmischpult
für Tonband- und Schmalfilmamateure verwendet werden.
Ein besonderer techn. Vorteil ist sein "erdfreier" Ausgang, der bei Schuko-Netzanschlüssen lästige Brumm- oder
Erdschleifen vermeidet.
Ein zweckmäßiger, elektrischer Aufbau unter gleichzeitiger Ausnutzung der Vorteile, die hochwertige
Miniaturbauteile bieten, ermöglichte den freien Zugang zu allen Bauelementen. Insbesondere wurde die Einzelteilauswahl
sehr sorgfältig durchgeführt. So wurden beispielsweise ein besonders streuarmer Netztransformator und
Ausgangsübertrager mit Mumetallabschirmung verwendet, um jegliche elektrische Verkoppelungen, Streueinwirkungen etc. zu
vermeiden.
Nur durch die Verwendung von hochwertigen und teilweise kostspieligen Bauelementen konnten diese hervorragenden technischen
Daten erreicht und der gesamte Verstärker in einem verhältnismäßig kleinen und formschönen
Flachgehäuse untergebracht werden. Ein Mischpult und Steuerverstärker für hohe Ansprüche - unser
Mischverstärker in Flachbautechnik.
Nachdem es bei Gesamtklirrfaktormessungen vorkommen kann, daß sich beide Komponenten gegenseitig aufheben können,
veröffentlichen wir Ihnen beiliegende Meßtabelle, die Sie über den ausgezeichneten Klirrfaktorverlauf
unseres Mischverstärkers informiert:
Die nachfolgende Beschreibung entstammt dem Buch von Heinz Richter, "Elektroakustik für
Alle" :
Ein Selbstbau-Universal-Mischverstärker (Radio-Rim)
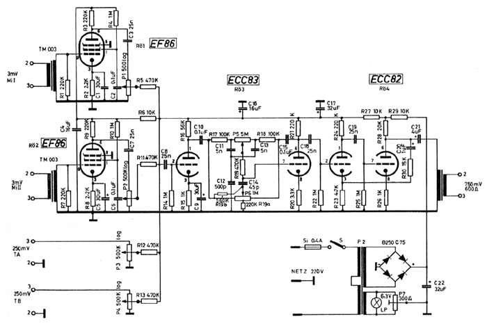
Dieses Gerät dient als Vorsatz für schon vorhandene Endverstärker. Die elektrische
Schaltung des Mischverstärkers kann man in folgenden Stufen einteilen: Mikrofonvorstufen mit den Röhren EF 86,
Mischstufe, Klangregelstufe mit der Röhre ECC 83, Verstärkerstufe, Ausgangsstufe, Netzteil.
Die beiden Mikrofonvorstufen wurden mit je einer brumm-und klingarmen NF-Pentode (EF 86) bestückt und zunächst
für den Anschluß niederohmiger, dynamischer Mikrofone mit einem Quellenwiderstand von ca. 200 Ohm ausgelegt.
Selbstverständlich können auch hochohmige Mikrofone angeschlossen werden. In diesem Fall sind lediglich die
Eingangsübertrager wegzulassen und R 1 bzw. R 7 durch 1 MOhm-Widerstände zu ersetzen. Nachdem hochwertige,
dynamische Mikrofone sowohl einen nieder- als auch hochohmigen Ausgang besitzen, empfiehlt es sich, zur Vermeidung von
Übertragungsverlusten bei langen Mikrofonleitungen den Anschluß niederohmig auszuführen. Die
Lautstärkeregler der beiden Mikrofonvorstufen P1 / P2 und die Eingangsregler P 3 (TA) und P 4 (TB) bilden die
Mischstufe. Diese ermöglicht die beliebige Mischung und Überblendung von vier angeschlossenen Tonquellen. Durch
die Verwendung von Entkopplungswiderständen (R 5, R 11, R 12, R 13) wird ein rückwirkungsfreies Mischen der vier
Tonquellen in einem beliebigen Amplitudenverhältnis gewährleistet.
In der folgenden Klangregelstufe können sowohl die hohen als auch tiefen Frequenzen unabhängig voneinander
kontinuierlich angehoben oder geschwächt werden, wobei diese Stufe auch noch gleichzeitig das Tonfrequenzgemisch etwa
20-fach verstärkt.
Neben den großen Regelbereichen des Höhen- und Baßreglers besitzt das Klangregelnetzwerk, welches zwischen
den beiden Triodensystemen der Doppeltriode ECC 83 angeordnet ist, weitere schaltungstechnische Finessen: Das Entzerrerwerk
wurde nämlich so ausgelegt, daß die jeweilige Stellung der Klangregler die Gesamtverstärkung, bezogen auf
1000 Hz, praktisch nicht beeinflußt und bei genauer Mittelstellung des Höhen- und Baßreglers eine lineare
Übertragung gewährleistet wird.
Nach der Klangregelstufe gelangt das Tonfrequenzgemisch auf das Steuergitter des ersten Triodensystems der
Verstärkerstufe mit der Röhre ECC 82 (1. Triodensystem) und wird nochmals verstärkt.
Die Verstärkerausgangsstufe besteht aus dem zweiten Triodensystem der ECC 82, und die Auskopplung des
Tonfrequenz-gemisches erfolgt über C 21 und einen Spezialausgangsüber-trager. Der Ausgangsübertrager arbeitet
ohne Gleichstromvorbelastung, so daß dieser trotz der hohen Übertragungsforderungen hinsichtlich Klirrfaktor und
Frequenzgang in Miniaturtechnik ausgeführt werden konnte. Der Übertrager selbst ist wiederum gegen
Streufeldeinwirkungen mit einem Mu-metall-Abschirmungsmantel umgeben. Die Ausgangsimpedanz der
Übertragersekundärseite beträgt nur 600 Ohm (750 mV). Die "Niederohmigkeit" der Ausgangsstufe hat
wesentliche übertragungstechnische Vorteile.
Auffallend ist der äußerst stark ausgelegte Gegenkopplungskanal von der Anode des zweiten Systems der ECC 82
über C 20 und R 30 zur Kathode des ersten Triodensystems, deren Kathodenwiderstand nicht mit einem Kondensator
überbrückt ist. Gleichfalls fällt der verhältnismäßig große Kapazitätswert des
Koppelkondensators C 21 auf, der im Interesse einer einwandfreien Übertragung der tiefsten Frequenzen mit 4 pF bemessen
wurde.
Als Netztransformator wurde ein besonders streuarmer Typ in Sonderausführung gewählt, wodurch die benachbart
aufgebauten Verstärkerstufen absolut keinen Streufeldeinwirkungen ausgesetzt werden. Die Primärseite des
Netztrafos ist auf die üblichen Netzspannungen umschaltbar, und eine Feinsicherung schützt den Transformator vor
evtl. auftretenden Kurzschlüssen. Als Netzschalter wird ein zweipoliger Kippschalter verwendet. Die von einer
Sekundärwicklung des Netztrafos gelieferte Anodenwechselspannung wird von einem Selengleichrichter in
Brückenschaltung gleichgerichtet. Die Siebkette ist reichlich bemessen, und sämtliche Verstärkerstufen sind
ausreichend entkoppelt. Die Betriebsbereitschaft des Gerätes wird durch ein Lämpchen angezeigt, welches von der
6,3 V-Heizwicklung des Netztrafos gespeist wird. Zur einwandfreien Symmetrierung der Heizspannung dient der
"Entbrummer" P 7 (300 Ohm).