RIM 45/50 W Ultralinear-Mischpultverstärker
"Musikant"

RIM Musikant (1966) mit getrennten Höhen- und Baßreglern
für sämtliche Eingänge.
Mit eingebautem "Fünffach-Mischpult" zur Mischung von 5 Tonquellen.
Diese Baumappe bekam ich von einem Schweizer Besucher meiner Seiten, Georg Zimmermann, als
Geschenk zugesandt - Hallo, Georg, auf diesem Wege, noch einmal : Herzlichen Dank dafür !!

Allgemeines
Dieser 45 Watt-Mischverstärker wurde vor allem für unsere begeisterten Musikfreunde geschaffen, schaltungstechnisch
und komfortmäßig so ausgelegt, daß der Verstärker den vielseitigen elektroakustischen Anforderungen
moderner Kapellen und Orchester gewachsen ist.
Jeder Tonquelleneingang ist mit einem eigenen Höhen- und Baßregler versehen. So können die miteinander
mischbaren Tonquellen auch in der Klangregelung einzeln eingestellt bzw. korrigiert werden. Insgesamt besitzt daher der
Verstärker ein Klangregister von 5 Höhenreglern und 5 Baßreglern. Darüberhinaus besteht die
Möglichkeit, das Summensignal zusätzlich nochmals im Frequenzgang mit Hilfe der getrennt arbeitenden Summen-
und Höhen- sowie Baßregler zu korrigieren. Hierdurch lassen sich besondere Toneffekte durch
"Überanhebung" oder extreme Abschwächung erzielen. Entsprechend diesen zahlreichen
Klangregelmöglichkeiten und den dadurch erzielbaren großen Regelbereichen enthält der Verstärker eine
leistungsstarke Endstufe mit 2 Kraftverstärkerendröhren EL 34 in Ultralineartechnik.
Summenregler sowie Aussteuerungsanzeige durch magisches Band zählen ebenfalls zu den Besonderheiten des Verstärkers.
Besonderes Augenmerk wurde auf die verhältnismäßig leichte Selbstbaumöglichkeit und auf die
Betriebssicherheit gelegt.
So wurde die elektrische Schaltung dieses modernen Mischverstärkers mit Hilfe von 6 RIM-Funktions-Bausteinen in
gedruckter Schaltungstechnik aufgebaut. Dadurch werden natürlich Verdrahtungsfehler weitgehend vermieden und die
einzelnen Bausteine können verhältnismäßig leicht ausgetauscht werden.
Das Gerät kann mit unserem 25/40 Watt-Sechserlautsprecherkoffer in "Uberseeausführung" leicht kombiniert
werden. Die Kombination 45/50 Watt-Mischverstärker "Musikant" und 25/50 Watt-Sechserlautsprecherkoffer stellt
eine leistungsfähige Verstärkeranlage dar, die durch das Nachhallgerät "Rimechon III" noch erweitert werden
kann. Bei voller Ausnüzung der Frequenzleistung ist ein Zusatzlautsprecher von ca. 30 Watt erforderlich.
Die vielen technischen Möglichkeiten, die dieser leistungsstarke Verstärker mit seinen zahlreichen Eingängen
zum Anschluß von Mikrofonen, Gitarre, Elektrobaß- und Echo- bzw. Nachhallgeräten - wobei jeder Eingang
einen eigenen Höhen- und Baßregler besitzt mit Summennachhallanschluß (dazu Anschluß eines
Nachhallgerätes natürlich erforderlich) bietet, machen diesen zu einem universellen Verstärker modernster
Prägung für gehobene Ansprüche.
Dem Fortgeschrittenen dürfte daher der Selbstbau dieses wirklich vielseitig verwendbaren und modernen
Mischverstärkers keine besonderen Schwierigkeiten bereiten.
A. Schaltungseinzelheiten
Die elektrische Schaltung des Verstärkers wurde weitgehend in gedruckter Schaltungstechnik mit RIM-Funktionsbausteinen
aufgebaut. Der elektrische Aufbau des Verstärkers besteht aus:
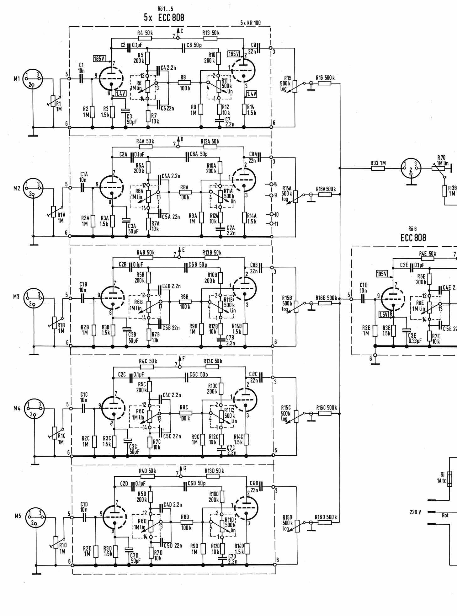
I. Fünf Eingangsbausteine mit Klangregelnetzwerk mit je einer Röhre ECC 808.
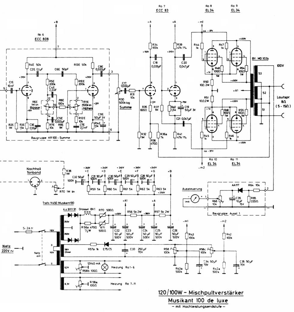
II. Summenklangregelbaustein mit Röhre ECC 808 und Hallanschluß.
III. Phasenumkehrstufe mit Röhre ECC 81.
IV. Ultralineargegentaktendstufe mit 2 x EL 34.
V. Verdrahtungsbaustein "Aussteuerungsanzeige" (EM 84).
VI. Netzteil mit Siliziumgleichrichter.
I. Die Eingangsstufen
Wie aus dem Schaltbild ersichtlich ist, besteht der Eingangsteil aus fünf Vorverstärkerbausteinen mit je zwei
Klangreglern und hohen Eingangsempfindlichkeiten (max. 10 mV) zum Anschluß spannungsarmer Tonquellen wie z.B. Mikrofon,
Gitarrentonabnehmer, Hammondorgel etc.
Die Eingangsempfindlichkeiten sind mit Hilfe der 1 MOhm Pegelregler fest einstellbar. Dadurch können auch Tonquellen
mit größeren Spannungsabgaben (z.B. Plattenspieler, Tonbandgeräte) an den Verstärker angeschlossen
werden.
Sollten niederohmige dynamische Mikrofone, Impedanz ca. 200 Ohm, an die Eingänge angeschlossen werden, so ist lediglich
die Zwischenschaltung eines Eingangsübertragers (z.B. Schnurübertrager in Miniaturausführung) erforderlich.
Hochohmige Kristallmikrofone und dynamische Mikrofone mit eingebautem Übertrager können direkt angeschlossen
werden.
Die Klangregelnetzwerke der Eingangsbausteine, bestehend aus einem Höhen- und Baßregler mit frequenzabhängigen
Gliedern, wurden zwischen den beiden Triodensystemen der Röhre ECC 808 angeordnet und so ausgelegt, daß sowohl
der Höhen- wie auch Tiefenregler weitgehend unabhängig voneinander arbeiten. Die großen Regelbereiche der
beiden Klangregler ermöglichen so eine individuelle Beeinflussung des Klangbildes der jeweils angeschlossenen Tonquelle.
Ia. Die Mischstufe
Jeder der fünf Vorverstärkerbausteine besitzt einen eigenen Lautstärkeregler. Es können daher fünf
Tonquellen miteinander in einem beliebigen Verhältnis rückwirkungsfrei gemischt werden. Das nahezu
rückwirkungsfreie Mischen, Einblenden und Umblenden der angeschlossenen Tonquellen wird durch die Verwendung von
Entkopplungswiderständen (R 16, a,b,c,d) erreicht.
II. Summenklangreglerstufe
Anschließend gelangt das Tonfrequenzsignal über C 1E auf das Steuergitter des ersten Doppeltrioden-Klangregelsystem
der Röhre ECC 808, eines weiteren Triodensystems-Klangregelbausteines. Dieser Klangregelbaustein ist ähnlich den
Eingangsbausteinen ausgelegt und wird zur zusätzlichen Klangbeeinflussung des Summensignals verwendet.
Zum Anschluß von Hallgeräten wird ein Teil des Summensignals über den Widerstand R 33 (1 MOhm) und
über Stift 1 der Hallgeräteanschlußbuchse auf den Eingang des Hallgerätes gegeben und das durch das
Hallgerät verhallte "Tonfrequenzsignal" gelangt vom Ausgang des Hallgerätes über Stift 3 und dem
Hallpegelregler R 70, der eine amplitudenmäßige Einstellung des Halls ermöglicht, wieder zurück auf das
Steuergitter des ersten Triodensystems von Rö 7. Das erste System der Röhre ECC 81 arbeitet als normale
Verstärkerstufe.
III. Phasenumkehrstufe
Das zweite System arbeitet als Phasendrehstufe in Kathodyne-Schaltung und liefert die erforderliche amplitudengleiche
Steuerspannung mit einem Phasenunterschied von 180°.
Die beiden in Gegentaktschaltung arbeitenden Endröhren werden somit über die beiden Kondensatoren von 0,047 µF
(C 20, 21) mit je einer um 180° phasenverschobenen Spannung gleicher Amplitude angesteuert. Erhält z.B. eine
Endröhre eine Steuerspannung von + 20 V, so bekommt die zweite eine Steuerspannung von - 24 V.
IV. Ultralineargegentaktendstufe
Auf Grund der extremen Klangregelmöglichkeiten wurde die Gegentaktendstufe mit zwei leistungsstarken
Kraftverstärkerendröhren (2 x EL 34) bestückt. Die Endstufe besitzt ferner eine Schirrmgittergegenkopplung.
Die Schirmgitter der Endröhren werden daher über zwei Anzapfungen der Primärseite des mehrfach
"verschachtelt" gewickelten Ausgangsübertragers mit Kern M 102b gespeist. Eine weitere Gegenkopplung führt
über R 50 zurück zum aufgeteilten und nicht überbrückten Kathodenwiderstand des ersten Triodensystems
von Rö 7 und dient ebenfalls zur Reduzierung der Endstufenverzerrungen.
Die Ultralinear-Gegentaktendstufe arbeitet mit festen Gittervorspannungen. Über einen Spannungsteiler wird ein Teil der
Anodenwechselspannung dem Gitterspannungsgleichrichter E 250 C 50 zugeführt und die so gleichgerichtete Wechselspannung
gelangt als negative Gittervorspannung auf die Steuergitter der beiden Endröhren.
Mit Hilfe der voneinander unabhängig einstellbaren Regler lassen sich die erforderlichen Gittervorspannungen und damit
die Anodenströme bei den Endröhren einwandfrei und mühelos einstellen. Zur Erleichterung dieser
Abgleicharbeiten wurde in die Kathodenleitungen der Endröhren 10 Ohm-Meßwiderstände zwischengeschaltet.
Für den Abgleich braucht daher keine Anodenleitung zur Messung der Anodenströme aufgetrennt werden. Die richtige
Arbeitspunkteinstellung der Endstufe sowie deren Symmetrierung kann daher mit Hilfe eines Voltmeters vorgenommen werden, mit
dem man einfach den Spannungsabfall an den Meßwiderständen auf den Sollwert durch Drehen der Regler bringt.
Um ein Selbstschwingen der steilen Endröhren zu vermeiden, sind unmittelbar an den Steuergitter- und
Schirmgitter-Anschlüssen der beiden Endröhren Schutzwiderstände angebracht.
Neben den meistgebrauchten niederohmigen Sekundäranschlüssen besitzt der Ausgangsübertrager einen 330
Ohm-Ausgang, der eine leistungsmäßig unterschiedliche Anpassung von Lautsprecher-Ringleitungen,
Lautsprecher-Kombinationen und an den Mischverstärker gestattet.
V. Verdrahtungsbaustein "Aussteuerungsanzeige" (EM 84)
Ein Teil der Ausgangsspannung wird an der 330 Ohm-Wicklung der Sekundärseite des Ausgangsübertragers abgenommen,
durch die Diode OA 85 gleichgerichtet und zur Steuerung des magischen Bandes verwendet.
Die Bauteile für das magische Band wurden zu einem Baustein zusammengefaßt und auf der Chassisunterseite
befestigt. Diese optische Aussteuerungsanzeige erweist sich insbesondere dann als sehr vorteilhaft, wenn Verstärker und
Lautsprecher in verschiedenen Räumen untergebracht sind (Anzeige von akustischen Rückkopplungen und
Übersteuerungen).
VI. Netzteil
Der Netztransformator liefert die für den Mischverstärker erforderliche hohe Anodenspannung.
Ebenfalls besitzt der Netztrafo zwei 6,3 V-Heizwicklungen zur Speisung der Verstärkerröhren. Zur Symmetrierung der
Heizkreise werden die Entbrummer R 62 und R 63 verwendet.
Die Gleichrichtung der hohen Anodenspannung erfolgt über jeweils zwei in Serie geschaltete Silizium-Gleichrichter in
Mittelpunktanordnung, wodurch ein geringer Innenwiderstand des Netzteiles erreicht wird.
Eine reichlich bemessene Siebkette sorgt für eine welligkeitsarme Anodenstromversorgung und Entkopplung der einzelnen
Verstärkerstufen.
Für die feste Gitterspannungserzeugung ist ein eigener Flachselengleichrichter vorgesehen.
Die Primärseite des Netztransformators ist auf die üblichen Netzspannungen umschaltbar und mit einer Feinsicherung
1 A tr. abgesichert.
B. Aufbau.
Nachdem die mechanischen und elektrischen Bauteile unseres "Musikant" bereits montagefertig geliefert werden,
bereitet der Aufbau und die Verdrahtung keine besonderen Schwierigkeiten, sofern die allgemeinen Aufbau- und
Verdrahtungsregeln eingehalten werden. An dieser Stelle sei insbesondere auf folgende Ratschläge hingewiesen :
1. Bitte, keine Selbstbaugeschwindigkeitsrekorde aufstellen. Der Zusammenbau des Gerätes soll ein Hobby sein und keine
Akkordarbeit.
2. Die Anordnung der Bauteile ist immer wieder in zeitlichen Abständen auf ihre Richtigkeit an Hand der Pläne zu
überprüfen.
3. Und nochmals: In Ruhe und ohne Hast, wohlüberlegt den Zusammenbau vornehmen!
Nachdem wir uns diese Grundregeln eingeprägt haben, können wir den Aufbau des Verstärkers nach folgender
Reihenfolge vornehmen:
I. Bestückung der gedruckten Platinen der Verstärkerbausteine.
Zur Bestückung der gedruckten Platinen benötigt man einen möglichst kleinen Lötkolben, der nicht
über 30 W haben sollte. Auf keinen Fall Lötfett verwenden, da dieses in gewissem Maße den elektrischen Strom
leitet und außerdem die Lötstellen nach einiger Zeit auflöst. Als Flußmittel genügt das
Kolophonium, welches in der Seele des Lötdrahtes eingebettet ist. Weiterhin sollte beachtet werden, daß
möglichst nur einmal an einer Stelle gelötet wird, damit sich nicht die Leiterbahnen durch wiederholtes Ausdehnen
und Zusammenziehen infolge Temperaturwechsel von der Isolierplatte lösen. Günstig ist es, die Bauteile nur in der
vorgezeichneten Lage durch die Bohrungen zu stecken, in gerader Lage zu halten und möglichst kurz anzulöten.
Vorsicht, keine eng beieinanderliegenden Leiterbahnen versehentlich miteinander verlöten! Widerstands- und
Belastungswerte genauestens einhalten. Nach nochmaliger Überprüfung der so bestückten Leiterplatten legen wir
diese kurz beiseite und wenden uns dem Flachgehäuse zu.
II.Vom Flachgehäuse Haube und Bodenplatte abmontieren.
III. Wir beginnen mit dem Aufbau des passivierten Verstärkerchassis :
Die bestückten Leiterplatten der Klangregelbausteine werden mit Hilfe von 3 Schrauben mit Isolierringen und
Abstandsröllchen auf das Chassisoberseite laut Plan festgeschraubt. Bitte beachten Sie dabei, daß keine leitende
Verbindung zwischen den Leiterbahnen der gedruckten Leiterplatten und dem Chassis durch die Befestigungsschrauben entstehen
darf. Daher besitzt jede der 3 Befestigungsschrauben eine Fiberisolierscheibe.
C. Verdrahtung
Bevor wir mit der Verdrahtung beginnen, bitten wir Sie, folgende Ratschläge bei der Durchführung der
Verdrahtungsarbeit zu beachten.
1. Keine Verdrahtungsrekorde aufstellen! Daher mit Ruhe und Überlegung die Verdrahtungsarbeiten durchführen.
2. Richtig löten! Die wichtigsten Lötregeln enthält unser Merkblatt über "Richtiges Löten".
3. Anschluß und Lage der verschiedenen Bauelemente und Leitungen genauestens laut Verdrahtungsplan einhalten.
4. Die Verdrahtungsfortschritte sind immer wieder an Hand der Verdrahtungspläne in Verbindung mit dem Schaltplan auf
ihre Richtigkeit zu überprüfen! Auf diese Weise können Schalt- und Verdrahtungsfehler sehr rasch gefunden
werden und man erspart sich eine spätere, mit größeren Schwierigkeiten durchzuführende, Fehlersuche.
5. Die Anschlußdrähte der Widerstände und Kondensatoren sind bei diesem Aufbau soweit als möglich zu
kürzen und die erforderliche Länge der Anschlußdrähte an Hand des Verdrahtungsplanes festzustellen und
genauestens einzuhalten. Bei Nichtbeachtung dieses Ratschlages entsteht sonst ein "Drahtverhau", der ein einwandfreies und
stablies Arbeiten des Gerätes in Frage stellt. Daher ist auch der genauen Lage - und Anordnung der Bauelemente besondere
Aufmerksamkeit zu schenken.
5a.Insbesondere müssen die Erd- bzw. Masseleitungen laut Plan genauestens eingehalten werden. Ein falscher Erdungspunkt
kann zu starkem Brummen oder Schwingen des Verstärkers führen. Bedenken Sie, daß die extremen Höhen-
und Baßanhebungsmöglichkeiten bei hoher Eingangsempfindlichkeit eine vollkommen einwandfreie und genauestens laut
Plan durchgeführte Verdrahtung erforderlich machen. Daher auf einwandfreie Verdrahtung der Erdleitungen und
Erdungspunkt von abgeschirmten Leitungen genauestens laut Plan achten. Hierfür isolierten Schaltdraht von mindestens
0,7 mm Stärke verwenden.
6.Beachten Sie bitte die Belastbarkeitsangaben der Widerstände und die Polaritätsangaben bei den
Elektrolyt-Kondensatoren, Gleichrichter und Diode.
7. Die elektrischen Werte der Widerstände sind meistens durch Farbringe gekennzeichnet. Die Widerstandswerte dieser
Widerstände können Sie mit Hilfe des auf der Innenseite des Baumappenumschlages aufgedruckten internationalen
Farbcodes leicht ermitteln.
8. Obere und untere Pole (bzw. Lötfahnen) der zweipoligen Lötstützpunkte nicht verwechseln. Die zeichnerische
Darstellung der Lötstützpunkte wollen Sie bitte der Skizze entnehmen.

Der durchgehende Strich stellt dabei den oberen Pol (bzw.die obere Lötfahne) dar.
9. Die Kennzeichnung der verschiedenen, isolierten Leitungen erfolgt im Verdrahtungsplan der Übersicht halber mit Hilfe
von Farbangaben oder Buchstaben. Natürlich können auch Schaltdrähte, die andere Farben besitzen und dieselbe
Isolationsgüte und denselben Querschnitt haben, verwendet werden. Beachten Sie jedoch bitte die vorgeschriebenen
Drahtanschlüsse und Leitungsführungen.
10. Netzleitungen und Anodenleitungen müssen aus gut isoliertem Schaltdraht hergestellt werden.
Die Verdrahtung selbst erfolgt nach dem Aufbau- bzw. Verdrahtungsplan unter Zuhilfenahme des elektrischen Schaltplanes.
Gleichfalls geben die Verdrahtungsfotos einen Überblick über die richtige Anordnung der Bauteile und Verdrahtung
des Gerätes.
a) Am zweckmäßigsten beginnt man mit der Anfertigung und Verlegung der verdrillten Heizleitungen, deren
Leitungsführung und Anschlüsse genauestens lt.Plan einzuhalten sind. Zur Vermeidung von Brummeinstreuungen sind
die Heizleitungen ganz dicht am Chassis zu verlegen.
b) Es folgt nun die Anfertigung, Verlegen und Verdrahten der im Aufbauplan schwarz eingezeichneten weiteren Leitungen.
c) Kontrolle der Gesamtverdrahtung an Hand des Verdrahtungsplanes.
1. Nachdem die Drahtverbindungen verlegt und nochmals kontrolliert wurden, werden die Kleinteile (Kondensatoren,
Widerstände, Gleichrichter, Diode) eingelötet. Beim Einfertigen der Kleinteile ist den Punkten 5-9 der
Verdrahtungsratschläge besondere Aufmerksamkeit zu schenken. Bitte keine Widerstände verwechseln und auf die
richtige Polarität des Gleichrichters und der Dioden für das magische Auge achten.
2. Empfindlichkeitsregler R 64 des magischen Bandes in Mittelstellung bringen.
3. Den Abschluß bildet eine nochmalige Kontrolle der Verdrahtung mit Hilfe sämtlicher Pläne.
Etwaige vergessene Leitungen, Bauteile oder sonstige Verdrahtungsfehler kommen dabei zum Vorschein.
D. Inbetriebnahme
Nach Durchführung einer nochmaligen Aufbau- und VerdrahtungsGesamtkontrolle unter Heranziehen sämtlicher
Pläne können wir mit der stufenweisen Inbetriebnahme unseres Mischverstärkers wie folgt vorgehen :
1. Zunächst setzen wir die Sicherung ein.
2. Sofern unser Netz eine andere Wechselspannung als 220 V führt, müßte der NetztrafoAnschluß laut
Anschlußschema des Transformators abgeändert werden.
Beachte: An den Anschlüssen des Netztrafos, der Silizium-Gleichrichter (Anschlüsse und Gehäuse der
Silizium-Gleichrichter) sowie an verschiedenen Lötstützpunkten des Gerätes liegen sehr hohe Spannungen, daher
sollte das Gerät nicht ohne Bodenplatte und Haube betrieben werden.
3. Nach nochmaliger Überprüfung des Netzkabelanschlusses verbinden wir den Schukostecker mit der nächsten
Schukosteckdose und schalten das Gerät ein.
4. Nun muß an den Heizfadenanschlüssen aller Röhren eine Wechselspannung von etwas mehr als 6,3 V liegen.
5. Nach dieser groben Vorprüfung sind die beiden Gittervorspannungsregler R 58 und R 59 auf volle negative Vorspannung
einzustellen. Die Schleifer der Regler dürfen nicht
an Masse liegen, sondern müssen unmittelbar an den Regleranschlußenden stehen, die mit dem Minus des Gleichrichters
verbunden sind. Diese Einstellung ist unbedingt durchzuführen, bevor die Röhren eingesetzt werden, damit
die Endröhren infolge zu geringer negativer Vorspannung nicht zerstört werden.
5a. Sämtliche Lautstärkeregler einschließlich Lautstärke-Summenregler auf Null (linker Anschlag) stellen.
6. Dann sind die Röhren in ihre Passungen einzusetzen und ein Lautsprecher mit einer Impedanz von ca. 3-7 Ohm am 5
Ohm-Ausgang des Verstärkers anzuschließen.
7. Es folgt nun der Abgleich der beiden Endröhren EL 34 auf gleiche Anodenruheströme. Das geschieht
folgendermaßen:
a) Nachdem R 58 und R 59 auf volle negative Gittervorspannung eingestellt wurden, wird ein Voltmeter
(Universal-Meßinstrument, Gleichspannungs-Drehspulinstrument u.a.) mit einem 6 V-Bereich und einem Innenwiderstand von
mindestens 333 Ohm V parallel zu dem Kathodenwiderstand von den Röhren EL 34 angeschlossen und mit Hilfe des jeder
Röhre zugeordneten Gittervorspannungsreglers wird der Schleifer des Reglers gedreht, bis das Voltmeter einen
Spannungsabfall von 0,6 V an den 10 Ohm-Meßwiderständen(R 46, R 47) anzeigt.
b) Hat man so z.B. durch Einstellung von R 58 an R 47 den vorgeschriebenen Spannungsabfall von 0,6 V erreicht, so wird
anschließend durch langsames drehen von R 59 derselbe Spannungsabfall an R 46 auf den vorgeschriebenen Wert eingeteilt.
Nachdem die beiden Abgleichvorgänge nicht unabhängig voneinander sind, kann es vorkommen, daß der richtig
eingestellte Spannungsabfall von Rö 9 durch den Abgleich von Rö 8 etwas verschoben wird. Dadurch wird ein
Nachregeln erforderlich und der Abgleichvorgang muß evtl. zwei- bis dreimal wiederholt werden.
Am besten läßt sich jedoch der Abgleichvorgang durchführen, wenn man gleichzeitig je ein Meßinstrument
parallel zu R 46 und R 47 anschließt. Damit lassen sich beide Endröhren ohne besondere Schwierigkeit auf gleiche
Spannungsabfälle an den Kathoden-Meßwiderständen und damit auf gleiche Anodenruheströme abgleichen.
Wer jedoch den Abgleich nicht selbst vornehmen will, schickt seinen "Musikant", sorgfältig verpackt und mit einem
kurzen Begleitschreiben versehen, frei an uns ein. Den Abgleich nehmen wir dann gegen geringes Entgelt vor. Dadurch haben
auch Sie die Gewähr, daß die Endstufe Ihres Verstärkers einwandfrei arbeitet.
8. Sind die Abgleicharbeiten abgeschlossen, so wird das Gerät wieder eingeschaltet und 2 bis 3 Minuten abgewartet. Mit
einem Schraubenzieher drehen wir an dem Entbrummer R 62 und R 63 und stellen die beiden auf Brumm-Minimum ein (bei
angebrachtem Bodenblech).
Sollte statt des erwarteten Brummens ein lauter Heulton zu hören sein, ist die Polung der Gegenkopplung vom
Ausgangstransformator zur Rö 7 über R 50 falsch. Wir überprüfen diese Leitung nochmals an Hand
des Verdrahtungsplanes. Falls sie nicht stimmt, vertauschen wir die Leitungen an den Anschlüssen des
Ausgangstransformators miteinander.
9. Spannungsüberprüfung.
Die wichtigsten Spannungen an Anoden- und Kathodenanschlüssen können Sie dem Schaltplan entnehmen. Diese
Spannungen wurden mit einem Universalmeßinstrument mit 20.000 Ohm / V gemessen. Die Spannungsüberprüfung ist
berührungssicher, wohlüberlegt durchzuführen, da an verschiedenen Lötstützpunkten,
Trafoanschlüssen etc. sehr hohe und gefährliche Spannungen liegen. Die Spannungsüberprüfung ist bei
zugedrehtem Summenlautstärkeregler und ohne angeschlossene Tonfrequenzquelle durchzuführen.
10. Akustische Überprüfung
Nach Anbringen der Bodenplatte und Abdeckhaube sowie bei angeschlossenem Lautsprecher verbinden wir den Schukostecker mit
der nächsten Schukosteckdose und schließen an einen Eingang eine Tonquelle, z.B. einen Plattenspieler polrichtig
(Normsteckeranschlüsse beachten) an.
Beachte: Die Eingangspegelregler können bei geschlossenem Gehäuse durch die in der Gehäusehaube
vorhandenen Bohrungen mit Hilfe eines entsprechenden Schraubenziehers, der bis zur Klinke isoliert sein sollte, eingestellt
werden.
Bei Mikrofonanschluß sind die Eingangspegelregler nach rechts auf größte Empfindlichkeit zu drehen.
Beim Anschluß von Tonbandgeräten, Plattenspieler und sonstigen Geräten mit großer Spannungsabgabe
ist zur Vermeidung von Verzerrung, die durch Übersteuerung der Eingangsstufen entstehen, der jeweilige
Eingangspegelregler nach links (fast bis zum linken Anschlag) zu drehen.
Dann schalten wir das Gerät ein.
Nachdem wir den dazugehörigen Eingangslautstärkeregler sowie den Lautstärkesummenregler etwa ein Drittel
aufgedreht haben, müßten wir nun die erste Tonwiedergabe in dem angeschlossenen Lautsprecher hören und das
magische Band als Aussteuerungsanzeige müßte sich in Richtung Mitte bewegen.
Danach wären noch zu überprüfen :
1. Mischung und Überblendung von 5 angeschlossenen Tonquellen.
2. Die Wirksamkeit der jedem Eingang zugehörigen Höhen- und Baßregler.
3. Die Wirksamkeit des Summenlautstärkereglers mit Klangregelung.
Betriebshinweise:
a) Die verschiedenen Tonquelleneingänge sollten mit Hilfe der Eingangspegelregler nur soweit "empfindlich"
einge stellt werden, als diese für die Vollaussteuerung des Verstärkers erforderlich sind.
b) Die Lautstärkeregler der nicht benötigten Eingänge sollten auf Null (linker Potentiometeranschlag) zur
Verbesserung des Störabstandes eingestellt werden.
c) Volle Baßanhebungen bei voll eingestelltem Eingangsbaßregler und Summenbaßregler setzt auch eine
entsprechend belastbare Lautsprecherkombination mit einer Mindestbelastbarkeit von ca. 60 Watt voraus. Bei zu schwach
ausgelegten Lautsprechern kann u.U. dadurch die Lautsprechermembrane beschädigt werden.
d) Extrem eingestellte Baß- und Höhenkorrekturen sollten nicht bei Vollaussteuerung vorgenommen werden.
e) Bei Verstärkern dürfen Sie niemals vergessen, den Ausgangstrafo durch Lautsprecher oder Belastungswiderstand
gleicher Größe zu belasten. Die Tonfrequenz-Wechselspannung an der Sekundärseite kann sonst zu
Spannungsüberschlägen im Transformator führen und diesen u.U. unbrauchbar machen !
Wichtige Hinweise
1. Beachten Sie bitte beim Selbstbäu die VDE-BeStimmungen, die der Verband Deutscher Elektrotechniker zur
Gefahrenvermeidung beim Betrieb elektrotechnischer Geräte aufgestellt hat.
2. Für den Selbstbau von Geräten gelten die VDE-Bestimmungen nur bedingt, solange der fachkundige Erbauer damit
hantiert. Wird aber ein Selbstbaugerät verschenkt oder durch Familienmitglieder bedient, sichert nur die Einhaltung
der VDE-Vorschriften vor Schadenersatzforderungen.
3. Irgendwelche Schäden, die durch RIM-Erzeugnisse entstehen, berechtigen nicht zu einem Schadenersatzanspruch
irgendwelcher Art.
4. Technische Änderungen ohne Vorankündigung vorbehalten.
Ihre
RADIO-RIM
G.m.b.H.
Anmerkungen
Anm.01 :
Es ist keine Zeitersparnis,wenn die bereits montierten Potentiometer bzw. die Drehkondensatoren zur Kürzung
der Achsen nicht mehr ausgebaut würden. Die Lagerung der Achse im Gehäuse ist nicht so stark, daß sie der
Biege-und Druckbelastung durch das Absägen der Achse in eingebautem Zustand gewachsen wäre. Die Folge dieses
Vorgehens wäre ein stetes zeitweiliges Aussetzen des Potentiometers bzw. Drehkondensators im Betrieb. Nur durch
Auswechseln der entsprechenden (defekten) Teile könnte der Fehler behoben werden.
Die kleine Mühe des Ausbauens macht sich also stets bezahlt. Wenn die benötigte Achslänge vor dem Ausbau mit
einem Messer o.a. an der Achse angezeichnet wurde, läßt sich die im Schraubstock eingespannte Achse an der
bezeichneten Stelle mit einer Eisensäge oder Laubsäge mit Metallsägeblatt sauber abschneiden. Der
Potentiometerkörper wird dabei mit einer Hand leicht festgehalten,um ein Herunterfallen beim letzten Sägestrich
zu verhindern.
Einige Striche mit der Flachfeile über die scharfe Sägekante der gekürzten Achse erleichtern das Aufsetzen
des Knopfes. Ein so pfleglich behandelter Regler ist schnell wieder eingebaut und funktioniert einwandfrei.
Anm.02 :
Vorsicht beim Entfernen der Isolation des Schaltdrahtes! Wenn die Umhüllung mit einem Messer eingeschnitten und dann
abgezogen wird, darf der Druck des Messers nicht zu groß werden, da sonst der Draht an dieser Stelle bricht.
Anm.03 :
Die Abschirmleitungen verdienen eine äußerst vorsichtige Behandlung, da auch die besonders hochwertige
Isoliermasse des Innenleiters unter der Einwirkung der Lötkolbenhitze schmilzt. Es ist abzuraten, auf dem abschirmenden
Isoliergeflecht zu löten, da sonst evtl. die Abschirmung durch die geschmolzene Isolation hindurch mit dem Innenleiter
Verbindung bekommt.
Wir raten zu folgendem bewährten Vorgehen: Die Außenisolation wird auf etwa 2-3 cm Länge vorsichtig mit
einem Messer entfernt, ohne das abschirmende Kupfergeflecht zu verletzen. Den freigelegten Abschirmschlauch schieben wir
zusammen und erweitern mit einem Messer oder einer Pinzette in der Nähe der stehengelassenen Außenhülle
eine Masche des Geflechtes. Durch die geschaffene Öffnung zieht man mit der Pinzette den Innenleiter seitlich heraus.
Das unverletzte Kupfergeflecht hat dadurch seine Stabilität behalten und wir können es gegebenenfalls nach
entsprechender Kürzung gleich als Erdverbindung benutzen. Durch dieses Vorgehen wird vermieden, daß der
Innenleiter evtl.Schluß mit Masse bekommt. Falls die Zeichnung zeigt, daß die Abschirmung nur an einer Seite an
Masse liegt, machen Sie es bitte genauso. - Es hat seinen Grund!
Anm.07 :
Die Senkkopfschrauben, deren Köpfe nach Abdeckung durch die beschriftete Frontplatte nicht mehr zugänglich sind,
müssen besonders kräftig angezogen werden. Beim Lockerwerden der Schrauben wäre eine nachträgliche
Befestigung ohne Demontage des Gerätes nicht mehr möglich. Neben dem guten Anziehen der Schrauben hat sich auch
das Festlegen der Gegenmutter mit einem Tropfen UHU-Hart sehr bewährt.
Da die Front- und die Abdeckplatte ohne Zwischenraum aufeinanderliegen müssen, ist darauf zu achten, daß der
Kopf der Senkkopfschraube auch wirklich soweit in der Frontplatte verschwindet, daß kein Teil übersteht.
Gegebenenfalls wäre die Ansenkung zu erweitern.
Anm.10 :
Das für die vorliegende Baumappe angewendete Druckverfahren ergibt leider eine nicht immer völlig scharfe
Wiedergabe der Fotos. Da die fotografische Darstellung nur als Unterstützung der Verdrahtungszeichnungen gedacht ist,
um im Zweifelsfalle die Lage einer Leitung oder eines Einzelteiles aus dem Foto entnehmen zu können, halten wir die
Qualität der Wiedergabe für ausreichend. Vor allem bitten wir zu beachten, wie kurz Leitungen und Anschlüsse
im Mustergerät gehalten sind.
München, den 7.August 1958
Thi/W/500.
Stand November 1966
RIM - Bausteinfibel in Neuauflage. Schutzgebühr DM 3.50 Nachnahme Inland DM 5,20.
Vorkasse Ausland DM 4,10.
So urteilt die Fachpresse - eine Stimme von vielen - über die RIM-Bausteinfibel :
Mechanikus Heft 11/1966
"RIM-Bausteinfibel
Die neuerdings immer aufwändiger werdenden Schaltungen verleiten dazu, größere Schaltungssysteme aus kleineren,
leicht überschaubaren Funktionsgruppen, sog. Schaltungsbausteinen, zusammenzusetzen. Die Bausteine können auf
diese V/eise universell verwendet werden. Will man ein Gerät ändern, lassen sich die Baugruppen leicht austauschen,
ohne daß gleich die ganze Schaltungsanordnung nutzlos wird. Für den Hersteller ergibt sich durch die
Bausteintechnik der Vorteil, daß er mit größeren Stückzahlen rechnen und so die Preise günstiger
gestalten kann. Die Gesamtschaltung wird beträchtlich übersichtlicher, denn es kommt nur noch darauf an, die
einzelnen Bausteine richtig zusammenwirken zu lassen. Man setzt also gewissermaßen eine Schaltung aus kleinen
schwarzen Kästchen ("Black-Boxes", wie die Amerikaner sagen) zusammen, ohne daß man sich noch viel
Gedanken über den Inhalt dieser Kästchen zu machen braucht. In der elektronischen Datenverarbeitungstechnik wird
dieses Prinzip schon seit langem angewendet; ohne dieses Prinzip wären die großen Rechner, die eine Unmenge in
kürzester Zeit nach einem beliebigen komplizierten Programm verarbeiten, nicht herstellbar. Die hier
zusammengeschalteten logischen Bausteine in Dünnfilmtechnik und die Festkörperschaltkreise sind für die
Zwecke des Bastlers allerdings noch nicht verwendbar.
Für diesen Zweck ist es günstiger, die Bausteine aus konventionellen Bauteilen auf einer kleinen gedruckten
Schaltungsplatte zusammenzusetzen; denn hierbei kann die bisher übliche Schaltungstechnik leicht angewendet werden. Der
Einbau von Transistoren und Röhren erfolgt auf die gleiche Weise. Die Bausteine sind dann mechanisch und elektrisch
relativ unempfindlich, no daß sie sich auch in der Hand des unerfahrenen Bastlers bewähren können. Nach
diesen Gesichtspunkten haben die Firmen Görler und Radio-Rim ein Bausteinsystem für die Radiotechnik und
Elektroakustik entwickelt, das sich vor allem durch Preisgünstigkeit, Verringerung der für den Bastler
erforderlichen Entwicklungsarbeit, Verringerung des Verdrahtungsaufwandes auszeichnet. Auch komplizierte Geräte lassen
sich damit auf einfache Weise aufbauen. Die Raum- und Gewichtseinsparung ist beträchtlich. Eine hohe
Zuverlässigkeit ergibt sich durch die elektrisch erprobte Anordnung, Dimensionierung und durch die Auswahl der
Schaltungskomponenten.
Die Firma Radio-Rim liefert eine Bausteinfibel, die.die Daten aller verfügbaren Bausteine enthält. Bei jedem
aufgeführten Baustein ist das dazugehörende Schaltbild angegeben, so daß sich der Bastler die für
seine Zwecke geeigneten Bausteine auswählen kann. Das umfangreiche Lieferungsprogramm umfaßt u.a.
Vorverstärker mit Röhren oder Transistoren, Mischverstärker, Bausteine, Klangregelbausteine, Phasenumkehrstufen
zur Ansteuerung von Leistungsendstufen, ein Vibratorbaustein, verschiedene ZF-Verstärker, UKW-Tuner,
Transistor-Endstufen und auch einen kompletten MW-Super-Baustein mit Ferritantenne. - Manche dieser Bausteine werden
übrigens auch in den Bausätzen der Radio-Rim-Geräte verwendet."
Merkblatt über richtiges Löten
Eine jahrzehntelange Erfahrung lehrt uns, daß die meisten Fehler in Bastelgeräten auf unsachgemäße
oder sogenannte "kalte" Lötstellen zurückzuführen sind.
Die wichtigsten Löt-Grundregeln- und Merkmale haben wir nachstehend zusammengefaßt:
1. Was wird zum Löten benötigt?
Ein Elektrolötkolben mit 50-100 Watt Heizleistung.
Ein Lötkolbenständer als Unterlage für den heißen Lötkolben.
Eine Rolle Kolophonium-Lötdraht, in dessen Inneren das Flußmittel Kolophonium eingebettet ist.
Ein kleines Messer oder ein Stückchen feines Sandpapier zum Reinigen nicht blanker Lötstellen, und nicht zuletzt
eine ruhige Hand und ein klein wenig Geduld!
2. Welche Vorbereitungen sind zu treffen?
Falls der Kupfereinsatz des Lötkolbens - wie üblich schwarz oxydiert ist, sollte er blank gefeilt und mit
Sandpapier geglättet werden. Erst jetzt wird der Kolben eingeschaltet. Beginnt die Oberfläche des Kupfers sich zu
verfärben, so streicht man mit dem Lötdraht darüber, bis das Zinn zu schmelzen beginnt. Dadurch wird die
ganze Oberfläche der Kupferspitze - evtl. unter Zuhilfenahme eines Lappens - verzinnt. Die Löttemperatur des
Kolbens ist dann erreicht, wenn das Lötzinn beim Berühren des Kolbens sofort schmilzt und das Kolophonium
verdampft.
Je heißer der Kolben, desto schneller die Lötung!
Die zu verlötenden Teile sollten unbedingt mit Messer oder Sandpapier von Oxydresten gereinigt werden. (Bei fabrikneuen
Teilen nicht erforderlich.)
Nur völlig blanke Teile ergeben gute Lötstellen.
Zunächst sind die zu verbindenden Teile (z.B. Lötöse und Schaltdraht) zu verzinnen. Dazu betupft man die
heiße Lötkolbenspitze kurz mit Lötzinn, um sie gewissermaßen "feucht" zu machen. Die
Lötkolbenspitze legt man nun an die Breitseite der Lötöse und berührt die andere Seite der
Lötöse mit dem Lötzinn. Hat die Öse die Löttemperatur erreicht, beginnt das Zinn zu fließen.
Das gleichzeitig ausfließende Kolophonium wirkt als Flußmittel und erleichtert die mühelose Verbindung
zwischen der Oberfläche und dem Zinn. Wenn auch der Schaltdraht, wie eben beschrieben, verzinnt iat, sind die
Lötvorbereitungen abgeschlossen.
Fadenlötzinn darf nur auf der Lötstelle zum Fließen gebracht werden, sonst verdampft das
Flußmittel wirkungslos.
Der Lötdraht wird schnell von der Lötstelle entfernt, sobald ein geringer Teil zum Schmelzen kam. Es soll ja kein
Zinnklumpen, sondern nur ein hauchdünner Überzug entstehen. Auch der Kolben wird nur solange an der Lötstelle
belassen, bis das Zinn glänzend fließt. Sollen die Lötösenlöcher freibleiben, hat sich das
Hindurchstecken einer Bleistiftspitze bewährt.
3. Was ist beim Lötvorgang zu beachten?
Nach dem Zusammenhalten der beiden zu verlötenden Teile sind die beiden Zinnschichten mit dem Lötkolben nochmals
zum Fließen zu bringen. Eine einwandfreie Lötstelle besteht also nur aus einer hauchdünnen Zinnschicht als
Verbindung. Dicke Klumpen zeigen an, daß entweder mit zu kaltem Kolben gelötet, oder der Kolben nicht bis zum
Erreichen der Fließtemperatur an der Lötstelle belassen wurde.
Während des Abkühlens darf die Lötstelle nicht erschüttert werden, sonst wird ihre Oberfläche matt.
Dies wäre ein Zeichen einer ungenügenden Verbindung. Die Abkühlung kann durch Anblasen mit dem Mund
beschleunigt werden
4. Sonstige wichtige Hinweise.
Beim Löten an wärmeempfindlichen Teilen (Kristall-Elemente, Dioden, Transistoren, keramischen Kondensatoren,
Präzisionswiderständen usw. sind die Anschlußdrähte länger als normal zu lassen. Während des
Lötvorgangs faßt man diesen Anschlußdraht mit einer Flachzange und unterbindet damit die Wärmeleitung
und so die Beschädigung des Bauteils.
In bestimmten Zeitabständen sollte der Kupfereinsatz aus dem Kolben herausgenommen und der Zunder aus dem
Heizkörperkanal entfernt werden. Ist der Fortsatz der Kupferspitze, der in diesen Kanal hineinragt, schon so dünn,
daß er nicht mehr genügend Hitze aufnehmen und zur Spitze weiterleiten kann, dann ist eine neue Spitze
einzusetzen. Die neuen zunderfreien Spitzen haben eine viel geringere Abnutzung als die älteren Spitzen. Es iat
manchmal schwer, die empfohlene Verzinnung der Anschlußpunkte im montierten Chassis vorzunehmen.
Daher: Vor dem Einbau alle Lötösen verzinnen. Es erleichtert und beschleunigt die Arbeit wesentlich.
Drähte durch Lötösen nur hindurchstecken, niemals aber herumwickeln! Über den Vorteil dieser
Lötmethode wird man sich dann bewußt, wenn man diese Lötstellen wieder auftrennen muß!
Es gibt Metalle (z.B. Eisen und verschiedene Widerstandsmaterialien), bei denen Kolophonium als Flußmittel nicht
ausreicht, um eine innige Bindung zwischen Material und Lötzinn herbeizuführen. In diesen Fällen ist die
Verwendung von Lötfett am Platze. Man verzinnt dabei das in Frage kommende Teil außerhalb des Gerätes
und wäscht die Lötstelle anschließend mit Wasser oder Spiritus ab. Die Wirkung des Lötfetts
beschränkt sich nämlich nicht nur auf die Lötstelle. Beim Verdampfen während des Lötvorgangs
schlagen sich auch in der Umgebung der Lötstelle säurehaltige Rückstände nieder.
...und wenn Sie nun unsere Löt-Grundregeln in der Praxis befolgen, dann quot;Potz Kolophoniumrauch und
Brandblasenquot;, können Sie löten und ersparen sich viel Ärger. Guten Erfolg und viel Spaß!
Ihr
RIM-Bastelonkel
Das Schaltbild dieses Gerätes ist im Original eine DIN-A1-große Seite.. - ich habe sie
auf erträgliche und immer noch hervorragend erkennbare DIN-A3-Größe herunterkopiert. Da sie aber trotzdem
immer noch zum herunterladen "gefährlich" groß war, teilte ich sie in zwei A4-große
Hälften (mit genügend großem Überhang) auf, die ich hier einzeln hineinstelle. - Einfach mit einem
Mausklick die entsprechende Hälfte, im Icon erkennbar, anwählen, dann wird die entsprechende Seite in richtiger
Größe geladen und kann dann abgespeichert werden. - Viel Erfolg !
Von einem weiteren Besucher meiner Seiten (Danke, Holger !!) bekam ich das RIM-Jahrbuch 1971 ausgeliehen, dort fand
ich die etwas ältere Variante des Musikant - aber auch die Musikant DeLuxe-Version mit 4 x EL 34 in Ultralinear-Version. Die
Schaltung sowie die Daten setze ich mit auf diese Seite. Verändert hat sich - außer der Endstufe - nichts weiteres
in der Schaltung - die Mischverstärkerstufen mit der ECC 808 sind identisch geblieben.
Ich stelle hier jetzt zunächst ein Foto und die Daten dieser "DeLuxe"-Version vor, danach den Teil der Endstufe,
worin sich die Änderungen befinden.
(Die Bildausgabe des Schaltbildes ist prozentual angegeben - wird sie auf den heimischen Rechner heruntergeladen, ist die
Bildqualität sehr gut.)
Die Trafo-Berechnung für EL34 Ultralinear-Trafo, 2 x und 4 x EL 34.
M102b-Kern.
310 Windungen, 0,26 mm - dann kommt die 1. Schirmgitteranzapfung (obere Röhre), dann kommen
19 Windungen 1,32mm, dann
80 Windungen 0,26mm - dann kommt die Mittelanzapfung
jetzt wieder 80 Windungen 0,26 mm - dann kommt die zweite Schirmgitteranzapfung (untere Röhre), dann
19 Windungen 1,32mm, weiter mit
310 Windungen 0,26 mm. - Das war die erste Hälfte.
Und jetzt das ganze noch einmal von vorn :
310 Windungen, 0,26 mm - dann kommt die 1. Schirmgitteranzapfung (obere Röhre)
19 Windungen 1,32mm
80 Windungen 0,26mm - dann kommt die Mittelanzapfung
80 Windungen 0,26 mm - dann kommt die zweite Schirmgitteranzapfung (untere Röhre)
19 Windungen 1,32mm
310 Windungen 0,26 mm
Die dünnen Drahtwindungen (310 + 80 + 80 + 310 = 780 Wdg.) ergeben zusammen
0,38 mm Drahtstärke - es werden die erste Hälfte mit der zweiten Hälfte (310 + 80 + 80 + 310 = 780 Wdg.)
parallelgeschaltet. - Mittelanzapfung erste Hälfte mit Mittelanzapfung zweite Hälfte
zusammengeschaltet, etc.
Die dicken Drahtwindungen (19 + 19 = 38 Wdg.) werden mit der zweiten Hälfte (19 + 19 = 38 Wdg.) in Reihe
geschaltet, ergeben 4 Ohm + 4 Ohm = 8 Ohm, plus die 2. Häfte, 4 Ohm + 4 Ohm = 16 Ohm (8 Ohm erste + 8 Ohm zweite
Hälfte, = 64 Windungen gesamt).
Restlicher verbleibender Platz im Wickelraum für die Isolierlagen : 7,5 mm.