RIM Pfiffikus (1937)

Der Pfiffikus ist ein kleines und recht leichtes Batterie-Koffer-Gerät. Er wiegt einschließlich Lederkoffer betriebsbereit nur 5 kg. Dabei ist der Preis des Gerätes einschließlich des wirklich schönen Koffers durchaus erschwinglich.
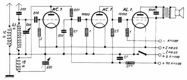
Wie das Schaltbild zeigt, arbeitet der Pfiffikus mit einem normal geschalteten Audion, einer Niederfrequenzstufe und der Endstufe, die mit einer Fünfpolendröhre bestückt ist. Die Kopplung zwischen den Stufen geschieht mit Widerständen und Kondensatoren. Bei aller Einfachheit enthält die Schaltung doch die für den einwandfreien Betrieb notwendigen Entkopplungsglieder. Mit Rücksicht darauf, daß ein solcher Kofferempfänger wohl immer nur an einer Behelfsantenne betrieben wird, ist der Langwellenbereich weggelassen worden. Befriedigender Langwellenempfang wäre nämlich bei einem Gerät dieser Klasse nur mit einer wirklich guten Antenne möglich.


Zu erwähnen ist noch, daß das Gerät sparsam arbeitet. Es braucht bei 2 Volt Heizspannung einen Heizstrom von nur 250mA und bei einer Anodenspannung von 100 Volt einen Anodenstrom von 11 mA und eine Gittervorspannung von 7,5 Volt.


Das Gestell ist aus dem Lederkoffer herausgezogen und steht auf der Innenseite des Kofferdeckels. Wir sehen hier den Aufbau des Gerätes, der Empfänger selbst ist außerordentlich flach. Seine Tiefe wird im wesentlichen durch den permanentdynamischen Lautsprecher bestimmt. Hinter dem Empfänger sind die Batterien angeordnet, die mit passenden Metallbändern sicher in ihrer Lage gehalten werden.
Bitte, sehen Sie sich dieses vorbildliche Gerät in der RIM, Bayerstraße 25 an. Es lohnt sich.

Zurück zur Hauptseite