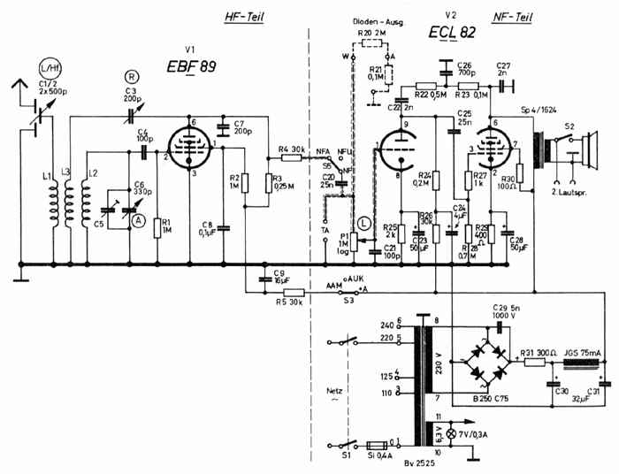
RIM Pilot (1961)

Leider gab es im RIM-Jahrbuch keine weitergehende Beschreibung. Da aber die Spulen eines
Mittelwellenempfängers schon hinreichend auf anderen Seiten beschrieben wurden kann man, wie ich meine, auch hierauf
verzichten. (Tip: In der "Bastelschule" gibt's noch zwei weitere, vor längerer Zeit von mir dort vorgestellte
RIM-Schaltungen, der Piccolo 49 und der Piccolo 58. Die hier beschriebenen Spulen sind exakt die gleichen..)
Warum RIM aber für diese Schaltung die Röhre EBF 89 verwendete, wo doch die EF 89 ausgereicht hätte.. -
das wird heute wohl keiner mehr herausfinden können. Vielleicht konnte RIM die Röhre damals billig einkaufen,
vielleicht mußten die eingelagerten EBF 89 auch weg bevor sie schlecht wurden - oder vielleicht hörte es sich auch
nur besser an : "EBF" .. - klingt doch weitaus "größer" als nur "EF" ..