RIM Praktikus (1960)

Der einfachste Netzempfänger - das Audion mit NF-Stufe - für lautstarken Empfang wird
sich trotz der großen Beliebtheit moderner Detektor- und Transistorempfänger immer behaupten.
Für den Einkreiser genügt eine kleine Antenne (oft nur 1-2 m Draht), welche u. U. auch wegen der Trennschärfe
notwendig ist, denn es ist ja nur ein Abstimmkreis vorhanden.
Wegen seiner Anspruchslosigkeit benutzt man ein solches Gerät gerne als Zweitempfänger.
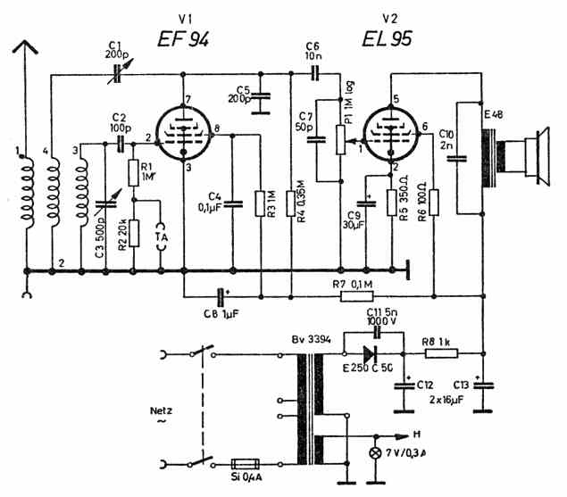
Damit überall lautstarker Empfang auch schwächerer Sender möglich ist, hat die "Praktikus" -
Schaltung Pentoden-Audion und Pentoden-Endstufe, wodurch eine sehr gute Verstärkung erreicht wird.
Der häufig geäußerte Wunsch einer Möglichkeit zur Schallplattenwiedergabe läßt sich damit
ebenfalls gut erfüllen. Durch Aufteilung des Gitterableitwiderstandes im Audion entsteht eine besonders einfache
Anschlußstelle für den Tonabnehmer, die gleichzeitig für eine ausreichende Verstärkung sorgt.
Obwohl bei Rundfunkempfang ein Differentialdrehko in der Antennenzuleitung zur Regelung der Lautstärke genügt
hätte, wurde ein Lautstärkeregler vor der NF-Stufe eingebaut, damit dieser auch bei Schallplattenübertragung
wirksam ist.
Die Gesamtschaltung des "Praktikus" wurde bewußt einfach gehalten, ohne die Möglichkeit von
Abänderungen nach eigenem Gutdünken auszuschließen. Aus diesem Grund ist eine Mittelwellenspule ohne
Wellenschalter vorgesehen.
Der Einbau eines Mehrbereich-Spulensatzes, Baßanhebung oder eine andere Art des TA-Anschlusses läßt sich
ohne Schwierigkeit verwirklichen.
Ein einfaches Zweitgerät mit guter Leistung, der geeignete Ausgangspunkt für weitere Versuche, das ist der
RIM-"Praktikus".