RIM Regiemaster

Dieser Verstärker ist wegen seiner drei miteinander mischbaren Eingänge universell
verwendbar. Er eignet sich vor allem für Klein-Studios, Kapellen, Schulen, usw.
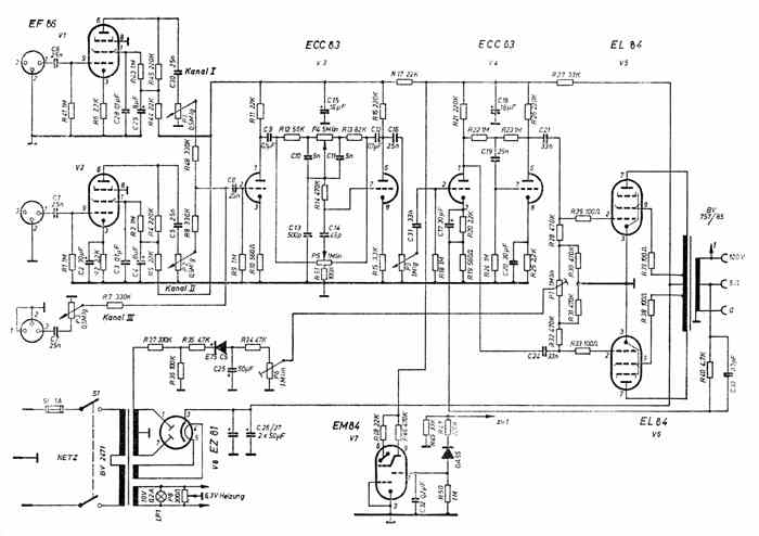
Die Schaltung zeigt das nachfolgende Abbild. Sie kann aufgeteilt werden in Mikrofonvorstufen, Mischpult mit
Flachbahn-Kanalregler, Klangregelstufe mit Summenregler, Phasenumkehrstufe, Ultra-linear-Gegentaktendstufe mit optischer
Aussteuerungsanzeige, Netzteil.
Wie aus dem Schaltbild ersichtlich ist, verfügt der Verstärker über zwei Mikrofonvorstufen oder besser gesagt
zwei Eingänge mit hohen Eingangsempfindlichkeiten zum Anschluß von spannungsarmen Tonquellen. Beide Vorstufen
wurden mit je einer brumm- und klingarmen NF-Spezialröhre EF 86 bestückt und für den Anschluß
hochohmiger Mikrofone, wie dynamische Mikrofone mit Übertrager, magnetische Tonabnehmersysteme etc. ausgelegt.
Sollen jedoch an die Eingänge niederohmige Mikrofone angeschlossen werden, so sind lediglich noch zusätzlich zwei
Miniatur-Eingangsübertrager nach dem Einloch-Montageprinzip einzubauen.
Zur Vermeidung von Verstärker-Übersteuerungen, die beim Anschluß von Mikrofonen und Tonabnehmern mit hoher
Spannungsabgabe an Mikrofoneingänge auftreten können, wurde der zweite Mikrofoneingang (Kanal I) etwas
unempfindlicher gemacht. Die Empfindlichkeit dieses Kanals reicht jedoch zum Anschluß von Mikrofonen und magnetischen
Gitarreabnehmern etc. mit größerer Spannungsabgabe durchaus aus. Der Kathodenwiderstand wurde daher bei der
Röhre V l zur Vermeidung von Verstärkungsverlusten bewußt nicht überbrückt und bildet somit ein
wirksames Gegenkopplungsglied.
Die Mischstufe besteht aus den Flachbahn-Lautstärkereg-lem P 1 (Mikrofon I, Kanal I), P 2 (Mikrofon II, Kanal II) und
P 3 (Platte, Tonabnehmer, Tonband etc.). Durch die Verwendung von sogenannten Flachbahnreglern - die häufig bei
Tonstudios Verwendung finden - wird die Abstimmung, Mischung und Überblendung der drei Tonquellen besonders erleichtert.
Die großen Regelbereiche dieser Flachbahnregler gewährleisten eine Lautstärkeregelung in "Nuancen".
Dank der Verwendung von Entkopplungswiderständen (R 48, R 8, R 7) konnte ein rückwirkungsfreies Mischen und
Überblenden der drei Tonfrequenzen erreicht werden.
Anschließend gelangt die von der Stellung der drei Lautstärkeregler abhängige Tonfrequenzmischung über
C 8 in die Klangregelstufe.
Die Klangregelstufe wurde zwischen den beiden Triodensystemen von V 3 (ECC 83) angeordnet und so ausgelegt, daß sowohl
die hohen als auch die tiefen Frequenzgebiete unabhängig voneinander angehoben oder geschwächt werden können.
Gleichzeitig wurde das Klangregelnetzwerk so dimensioniert, daß die jeweilige Stellung der Klangregler, bezogen auf
1000 Hz, die Gesamtverstärkung kaum beeinflußt.
Das so durch die Klangregelstufe frequenzmäßig beeinflußbare Tonfrequenzgemisch gelangt dann über C 16
und dem Lautstärke-Summenregler und C 31 auf das Steuergitter des ersten Triodensystems von V 4. Dieses System arbeitet
als normale Verstärkerröhre und liefert die Steuerspannung für V 5.
Gleichzeitig erhält das zweite Triodensystem von V 5 als Gitterwechselspannung einen Teil der Ausgangsspannung des
ersten Triodensystems. Die Gegenkopplungsglieder R 22 und R 23 wurden so dimensioniert, daß die von dem ersten und
zweiten Triodensystem von V 5 gelieferten und um 180° phasenverschobenen Ausgangsspannungen amplitudenmäßig
übereinstimmen.
Neben der Gewinnung zweier amplitudengleicher Steuerspannungen mit einem Phasenunterschied von 180° für die Versorgung
der Gegentaktendstufe liefert die Phasenumkehr-stufe noch eine zusätzliche Spannungsverstärkung, so daß die
Gegentaktendstufe mit der zur Erzielung von 16 W Ausgangsleistung notwendigen Gitterwechselspannung von ca. 10 Volt
"angesteuert" werden kann. Die beiden in Gegentaktschaltung arbeitenden Endröhren EL 84 (V 5 und V 6) werden
nun über C 21 und C 24 mit je einer um 180° phasenverschobenen Steuerspannung gleicher Amplitude angesteuert.
Während beispielsweise V 4 eine Steuerspannung von + 9 Volt erhält, bekommt die Röhre V 5 eine
Gitterwechselspannung von - 9 Volt. Die Primärwicklung des Gegentaktübertragers BV 757 / 85 ist daher in zwei
symmetrische Hälften primärseitig aufgeteilt, wobei die Zuführung der Anodengleichspannung vom Netzteil her
über die Mittelanzapfung erfolgt. Durch die gleichzeitige, amplitudengleiche und phasenverschobene Aussteuerung der
beiden Endröhren erhält man daher bei der Gegentaktanordnung eine verhältnismäßig große und
verzerrungsarme Ausgangsleistung.
Die Verzerrungsarmut des Verstärkers resultiert aber nicht nur allein aus der Gegentaktanordnung der Endstufe, sondern
ist auch zu einem Großteil auf die sogenannte "Ultralinearschaltung" seiner Gegentaktendstufe
zurückzuführen.
Bei dieser Schaltung werden die Schirmgitter der Endröhren über zwei Anzapfungen der Primärseite des mehrmals
"verschachtelt" gewickelten Ausgangsübertagers gespeist. Die dadurch entstehende nichtlineare Gegenkopplung
reduziert den Klirrfaktor erheblich und mindert den Innenwiderstand der Endstufe.
Ein weiterer Gegenkopplungskanal führt über die Gegenkopplungsglieder R 40, C 33 zurück zum aufgeteilten
Kathodenwiderstand des ersten Triodensystems der Phasenumkehrstufe und dient zur Linearisierung und Stabilisierung des
Verstärkers.
Die exakte Einstellung der vorgeschriebenen negativen Gittervorspannung der Endröhren sowie der einwandfreie Abgleich
ihrer Anodenruheströme kann durch die Einstellregler P 6, P 7 vorgenommen werden.
Um ein Selbstschwingen der steilen Endröhren zu vermeiden, sind unmittelbar an den Fassungsanschlüssen der beiden
Endröhren die Schutzwiderstände R 29, 33, R 38, 39 angebracht.
Wie bereits erwähnt, verfügt der Ausgangsübertrager neben den meistgebräuchlichen niederohmigen
Anschlüssen auch über einen sogenannten 100 V-Ausgang (800 Ohm bei 12,5 W), der eine leistungsmäßig
unterschiedliche Anpassung von Lautsprechern, Hi-Fi-Kombinationen und Tonsäulen an den Verstärker gestattet.
Ein Teil der Ausgangsspannung wird an der 100 V-Wicklung der Sekundärseite des Ausgangsübertragers abgenommen,
durch die Diode OA 85 gleichgerichtet und zur Steuerung des magischen Bandes verwendet.
Diese optische Aussteuerungsanzeige erweist sich insbesondere dann als sehr vorteilhaft, wenn Verstärker und
Lautsprecher in verschiedenen Räumen untergebracht sind. (Anzeige von akustischen Rückkopplungen und
Übersteuerungen).
Der Netzteil liefert die für den Verstärker notwendige, hohe Anodenspannung sowie sämtliche Heizspannungen.
Ebenfalls besitzt der Netztransformator B V 2471 eine zweite Heizwicklung zur Speisung der Gleichrichterröhre EZ 81,
die in Doppelwegschaltung die hohe Anodenwechselspannung des Netztransformators gleichrichtet. Da die Gleichrichterröhre
EZ 81 indirekt geheizt wird, werden beim Einschalten des Gerätes die Elektrolytkondensatoren besonders geschont, zumal
die Anheizzeit der Gleichrichterröhre und der "stromziehenden" Endröhren ungefähr gleich ist. Eine besonders
hohe, schädliche Spitzenspannung kann daher beim Einschalten des Gerätes an den Elkos nicht auftreten.
Die Primärseite des Netztrafos ist auf die üblichen Netzspannungen umschaltbar und eine Feinsicherung schützt
den Transformator vor evtl. auftretenden Kurzschlüssen und Überlastungen. Als Netzschalter wird ein zweipoliger
Kippschalter verwendet.
Für eine welligkeitsarme Anodenstromversorgung und ausreichende Entkopplung der einzelnen Verstärkerstufen sorgt
die Siebkette C 26 / 27, R 27, C 18, R 17, C 15, R 5, C 4, R 44, C 29.
Zur Symmetrierung der Heizspannung dient der "Entbrummer" P 8.
(Diese Schaltung mitsamt Text, Schaltbild und Fotos entnahm ich dem Buch von Heinz Richter,
"Elektroakustik für Alle")
Das Schaltbild des Verstärkers mußte ich stark komprimieren um die Seitenanzeige (Ladezeit)
noch erträglich zu halten, daher wurde es ziemlich unleserlich. Ich biete deshalb hier das Schaltbild noch einmal, in
unkomprimierter Form als Zip-File, zum Download an :