Echo- und Nachhallgerät Rimechon (1961)


Der vielgeäußerte Wunsch unserer technischen, begeisterten Musikfreunde, ein Echo- und Nachhallgerät in Bausatzform zu entwickeln, hat uns dazu veranlaßt ein Toneffektgerät, unser "Rimechon" herauszubringen.
Dem einfallsreichen Musiker und Sänger wird damit nicht nur die Möglichkeit gegeben, den bekannten "Les Paul Effekt" nachzuahmen, beim Spiel eines Instrumentes den Eindruck eines Spielers mit mehreren Instrumenten zu erwecken, sondern selbst in akustisch ungünstigen und kleinsten Räumen kann eine Tonwiedergabe erreicht werden, die man sonst nur in großen, halligen Sälen gewohnt ist.


Neben diesem sogennanten Hall-Sound-Effekt, wie er bei ausländischen Nachhallgeräten bezeichnet wird, können natürlich weitere raumakustische und sphärenartige Effekte mit unserem "Rimechon" erzielt werden.
Besonders erwähnenswert ist auch die "Playback-Möglichkeit". Mit Hilfe dieser Playback-Tricks lassen sich bestimmte Rhythmusarten, Begleitinstrumente etc. beliebig wiederholen.
Unser leicht transportables und vielseitig verwendbares Toneffektgerät "Rimechon" ist für den einfallsreichen Musiker geschaffen und ermöglicht ihm, neue Spieltechniken anzuwenden.


Leider besitze ich auch für dieses Gerät keine Baumappe, keine Bauanleitung. Deshalb kann ich hier nur ein paar kleinere Tips abgeben für denjenigen der keine Vorstellung von der Funktionsweise eines solchen Gerätes hat.
Wie ein Tonbandgerät funktioniert weiß sicherlich jeder. Ein Tonkopf, ein Löschkopf - alles so wie bei einem Cassettenrecorder - fertig. Das Band, das am Tonkopf vorbeiläuft, wird mittels einer Gummiandruckrolle an die Kapstanwelle angedrückt, welche wiederum von unten, oft direkt, von einem Motor angetrieben wird. (Ich weiß noch von einem Tonbandgerät, welches ich früher einmal besaß, deren Antriebswelle gleichzeitig die Kapstanwelle war, der Motor besaß eine verlängerte Achse.)
Baut man nun bogenförmig drei (oder vier ..) weitere Tonköpfe im jeweiligen Abstand von ca 1 bis 1,5 cm dazu, nimmt ein Stück Bandmaterial, etwa 40 - 50 cm, deren Enden man zusammenklebt so daßein Endlosband entsteht, so hat man (fast) alles was man benötigt.
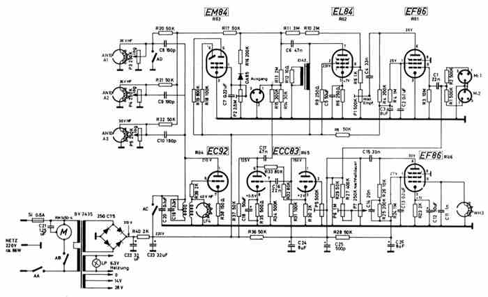
Auf dem Schaltbild erkennt man links oben die drei Tonköpfe, auch, wie sie angeschlossen werden. Man sieht also, wie leicht es wäre, einen oder gar mehrere Tonköpfe zusätzlich einzubauen. Rechts unten im Schaltbild erkennt man den Löschgenerator mit der EF 86 und, ganz rechts unten, den Löschkopf.
Von einem alten Flohmarkt-Tonbandgerät kann man sich die Kopfplatte (die Platte, die Tonkopf und Löschkopf sowie die Gummiandruckrolle - unterhalb derer den Motor - trägt) samt Motor ausbauen und mit drei oder sogar mehreren weiteren Tonköpfen hat man sich mit einigem Geschick die komplette Mechanik zusammengebaut.


Das Schaltbild auch dieses Gerätes mußte ich sehr stark komprimieren, um die Seitenanzeige (die Ladezeit) noch erträglich zu halten - daher wurde es ziemlich unleserlich. Ich biete deshalb hier das Schaltbild noch einmal, in unkomprimierter Form als Zip-File, zum Download an :
Rimechon-S-unkomprimiert.zip

*************************************************

Den nachfolgenden Text sowie die beiden Fotos entnahm ich dem Buch von Heinz Richter, "Elektro-Akustik für Alle" (Hallo, Michael - Danke für's ausleihen !) :

Sehr interessant ist ein von der Fa. Radio-Rim herausgebrachtes Echogerät ("Rimechon"), mit dem man die verschiedensten Echo- und Nachhalleffekte erzeugen kann. Nachstehend folgt eine kurze Beschreibung der Wirkungsweise :
Die Magnetisierung eines endlosen, mit einer magnetisierbaren Schicht versehenen Tonbandes erfolgt mit Hilfe von drei Magnettonköpfen. Diese drei Aufnahmeköpfe sind entlang des Magnettonbandes in einem bestimmten Abstand voneinander angeordnet. Bei Tonaufnahme wird nun gleichzeitig das magnetisierbare Tonband an drei Stellen im Rhythmus der Sprechströme magnetisiert. Zur besseren Magnetisierung des Tonbandes wird dabei der Sprechwechselstrom von dem vom HF-Generator erzeugten Vormagnetisierungsstrom überlagert. Die Verstärkung der von den angeschlossenen Tonfrequenzquellen (Mikrofon, Gitarretonabnehmer etc.) abgegebenen kleinen Tonspannungen erfolgt dabei durch den sogenannten Aufsprechverstärker.
Die Sprechströme der drei Aufnahmeköpfe können mit Hilfe von drei Reglern je nach gewünschtem Echo-Nachhalleffekt eingestellt werden. Das endlose Tonband kann somit - je nach Stellung der drei Regler - bis an drei Stellen gleichzeitig im Rhythmus der vom Aufsprechverstärker verstärkten Tonspannungen der Tonquellen magnetisiert werden.
Dieses so "besprochene" endlose Magnettonband läuft nun mit einer Bandgeschwindigkeit von 23 cm/sec an den Wiedergabetonköpfen vorbei, welche die Magnetisierung des Tonbandes auf dem Wege der Induktion wieder in Tonspannung umwandeln.
Ein Aufnahme-Impuls kann also gleichzeitig bis zu dreimal auf dem Tonband an drei verschiedenen Stellen des Tonbandes festgehalten werden und wird daher auch von beiden, in einem bestimmten Abstand zueinander entlang des Tonbandes angeordneten Wiedergabeköpfen in zeitlicher Reihenfolge in Tonimpulse umgewandelt. Die von den beiden Wiedergabeköpfen gelieferten, äußerst kleinen Tonspannungen werden anschließend vom Wiedergabeverstärker verstärkt und gelangen mit der vom Aufsprechverstärker abgezweigten direkten Tonspannung auf den Ausgang. Die am Ausgang vorhandene Tonspannung setzt sich daher aus der direkten nachhallosen Tonspannung und den vom Wiedergabeverstärker gelieferten, zeitlich nachfolgenden Tonspannungen zusammen.
Darüberhinaus können nun auch die vom Wiedergabeverstärker gelieferten Tonspannungen bis zum Einsatz der Selbsterregung wiederum in den Aufsprechverstärker eingespeist werden, so daß sich durch dieses Zusammenwirken und mit Hilfe der Regler, dem Rückkopplungsregler sowie einem Schalter die unterschiedlichsten Echo- und Nachhalleffekte erzielen lassen.
Nach Passieren der Wiedergabeköpfe wird das endlose Tonband gelöscht und dann wiederum von den Aufsprechköpfen im Rhythmus der Sprechwechselströme magnetisiert.



Zurück zur Hauptseite