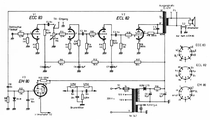
RIM Signalverfolger (1961)

Die "statische" Fehlersuchmethode durch überprüfen der Meßpunkte auf
Einhaltung der verschiedenen elektrischen Meßwerte wie Spannung, Strom, Widerstand etc. wird von der
"dynamischen Methode" ergänzt.
Bei der dynamischen Methode wird beispielsweise ein auf den Verstärkereingang gegebenes Signal von Stufe zu Stufe
verfolgt und so die defekte Stufe festgestellt. Diese wird dann statisch durchgemessen und der vorhandene Fehler kann auf
diese Weise schnell gefunden werden.
Wie der Name dieses Gerätes bereits schon andeutet, lassen sich mit unserem Signalverfolger nieder- und hochfrequente
Signale verfolgen und die außerordentliche, hohe Verstärkung des Signalverfolgers erlaubt selbst die
Signalverfolgung von der Antennenbuchse des Gerätes her. Als Indikator wird ein magisches Auge verwendet und mit
Hilfe eines Umschalters kann die Anzeige auch durch den eingebauten Lautsprecher erfolgen.
Gleichfalls ist dieses Gerät auch als Niederfrequenzverstärker zu verwenden.
Erst der Umgang mit diesem Gerät zeigt, wie vielseitig es bei der Fehlersuche eingesetzt werden kann.