3-Watt-Stereoverstärker RIM Stereomaster (1961)

Zur weiteren Vervollkommnung unseres Stereoprogrammes haben wir unseren "Stereomaster"
geschaffen, der sich durch seine hohe Übertragungsgüte sowohl als monauraler Qualitätsverstärker wie
auch als Stereoverstärker auszeichnet.
Datenmäßig besitzen beide Verstärkerzüge unseres Stereomasters die ausgezeichneten technischen
Eigenschaften unseres HiFi-Bausteines Musikus M.
Beide Verstärkerkänäle wurden so ausgelegt, daß sie den Anforderungen der Stereotechnik entsprechen.
Mit anderen Worten: Zur Vermeidung von Qualitäts- und Lautstärkeunterschieden zwischen beiden Kanälen wurden
die Eingangsregler sowie die Höhen- und Baßregler in Tandemausführung, bei der zwei elektrisch gleichwertige
Potentiometer auf einer Achse sitzen, angeordnet.
Ein weiterer Regler, der sogenannte "Balanceregler", ermöglicht die Abstimmung beider Kanäle auf
gleiche Lautstärke - auch während der Stereowiedergabe.
Ferner besitzt unser Stereomaster ein Mischpult zur Mischung oder Überblendung von zwei Stereo- oder
Mono-Tonfrequenzquellen.
Besonders vorteilhaft ist auch die leichte Umschaltmöglichkeit des Stereoverstärkers auf Einkanalbetrieb mit Hilfe
eines Druck-Zugschalters, der mit dem Balanceregler gekoppelt ist.
Beide Verstärkerzüge sind in einem mechanisch stabilen und gefälligen Flachgehäuse untergebracht und
sämtliche Bauteile des Verstärkers wie Röhren, Widerstände etc. sind durch Abnehmen der Haube oder der
Bodenplatte leicht zugänglich.
Fur eine ausreichende Abführung der im Gerät entstehenden Wärme sorgt die perforierte, zweifarbige Haube.
Die ausgezeichnete Wiedergabequalität des Verstärkers ist vor allem der reichlichen Dimensionierung der Bauteile
und deren sorgfältiger Auswahl zu verdanken. Sein äußerst niedriger Klirrgrad innerhalb des gesamten
Wiedergabebereiches machen ihn zu einem preiswerten Qualitäts-Stereoverstärker fur naturgetreue Mono- und
Stereo-Musikübertragung.
Die nachfolgende Beschreibung dieses Verstärkers entnahm ich dem Buch von Heinz Richter,
"Elektroakustik für Alle" :
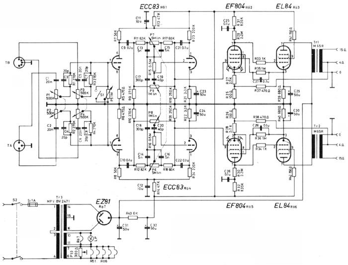
Ein Selbstbau-Stereoverstärker ("Stereomaster", Radio-Rim)
Da eine Stereowiedergabe nur dann zu einem Klangerlebnis wird, wenn beide Verstärkerkanäle eine
naturgetreue Tonwiedergabe gewährleisten und sich in jeder Hinsicht elektrisch gleich verhalten, wurde der
"Stereomaster" mit folgenden speziellen Regeleinrichtungen ausgerüstet : Der Balanceregler (P 5)
ermöglicht die Abstimmung beider Verstärkerkanäle auf gleiche Lautstärke. Gleichzeitig können damit
die Empfindlichkeiten beider Übertragungskanäle ausgeglichen werden. Die Tandem-Lautstärkeregler der zwei
Eingänge TA und TB sorgen dafür, daß beide Verstärkerzüge gleichzeitig um gleiche elektrische
Werte geregelt werden. Ebenso wurden die Höhen- und Baßregler (H = P 9/8, B = P 7/6) in Tandem-Ausführung,
bei der zwei elektrisch gleichwertige Potentiometer auf einer Achse sitzen, angeordnet.
Da beide Kanalverstärker schaltungsmäßig vollkommen gleich ausgelegt sind, bedarf es nur der
Erläuterung eines Verstärkerzuges.
Allgemein kann man den elektrischen Aufbau der Kanalverstärker funktioneil folgendermaßen aufteilen: Mischstufe
mit Balanceregler und Mono-Stereoschalter, Klangregelstufe mit der Röhre ECC 83, Verstärkerstufe mit der
Röhre EF 804, Endstufe mit der Endröhre EL 84, Netzteil mit der Gleichrichterröhre EZ 81.
Die Mischstufe besteht aus den Tandem-Eingangsreglern P 1 (P 2) und P 3 (P 4). Durch die Verwendung von
Entkopplungswiderständen R 1 (R 2) und R 3 (R 4) wird ein rückwirkungsfreies Mischen und Überblenden von zwei
Stereo- oder Mono-Tonfrequenzquellen gewährleistet. Die Entkopplungswiderstände wurden mit den Kondensatoren C 3
(C 4) und C 7 (C 8) zur Linearisierung des Frequenzganges überbrückt. Anschließend gelangen die von der
Stellung der beiden Mischregler abhängigen Tonfrequenzen auf das Steuergitter des ersten Triodensystems der
Klangregelstufe. Der Gitterableitwiderstand dieser Röhre wird gleichzeitig zur Abstimmung beider
Verstärkerzüge auf gleiche Lautstärke verwendet.
Bei Monobetrieb wird der Druck-Zugschalter S 1 geschlossen, so daß beide Verstärkerzüge bei
Einkanalübertragung parallel geschaltet sind (max. 6 W-Sprechleistung).
Die Klangregelstufe selbst ist so ausgelegt, daß sowohl die hohen als auch die tiefen Frequenzen unabhängig
voneinander angehoben oder geschwächt werden können, wobei die Doppeltriode dieser Stufe die von der Mischstufe
her kommende Tonfrequenz noch etwa 9fach verstärkt.
Neben den großen Regelbereichen des Höhen- und Baßreglers besitzt das Klangregelnetzwerk weitere
schaltungstechnische Finessen: Das Entzerrerwerk wurde nämlich konstruktiv so ausgelegt, daß selbst bei geringer
Aussteuerung des Kanalverstärkers die Klangregelung bereits wirksam ist und die jeweilige Stellung der Klangregler die
Gesamtverstär-kung (b. 100 Hz) praktisch nicht beeinflußt.
Die Tonfrequenz gelangt dann von der Klangregelstufe her auf das Steuergitter der Röhre EF 804. Im Gegensatz zu den
üblichen Verstärkerstufen, die mit einem niedrigeren Arbeitswiderstand arbeiten, liegt im Anodenkreis dieser
Röhre ein Arbeitswiderstand von 2,2 MOhm, wobei die Schirmgitterspannung der Verstärkerpentode am
Kathodenwiderstand R 39 der Endröhre abgenommen wird. Dadurch wird eine hohe Stufenverstärkung erreicht und eine
direkte Kopplung der Verstärkerstufe mit dem St* uergitter der Endröhre ermöglicht. Es erübrigt sich
daher ein Kopplungskondensator, der zu Phasendrehungen und Qualitätsverlusten führen kann. Die Zuleitungen zum
Steuergitter wie auch zum Schirmgitter der Endröhre EL 84 enthalten UKW-Schutzwiderstände zur Unterdrückung
einer evtl. Selbsterregung der Endstufe durch HF-Schwingungen.
Die Gittervorspannung der Endröhre EL 84 wird durch die Differenz zwischen der Anodenspannung der EF 804 und dem
Spannungsabfall am Kathodenwiderstand der EL 84 bestimmt. Damit der richtige Arbeitspunkt der Endröhre eingehalten
wird, wurde der Kathodenwiderstand mit 700 Ohm dimensioniert und zur Vermeidung von Verstärkungsverlusten mit
einem 50 uF-Kathodenkondensator überbrückt.
Aufgrund der Erkenntnis, daß die Gesamtwiedergabegüte eines Verstärkers wesentlich von der Qualität
des Ausgangsübertragers bestimmt wird, fiel die Wahl auf einen hochwertigen Breitbandübertrager der
Ausführung M 65 R. Dieser Übertrager zeichnet sich neben seinem ausreichend bemessenen Kernquerschnitt auch durch
geringere Streuinduktivität aus, so daß dieser ein breites Frequenzband von 30 - 16000 Hz weitgehend
amplitudenlinear verarbeitet.
Von der 4 Ohm-Sekundärwicklung des Ausgangsübertragers führt ein Gegenkopplungskanal über R 37
zurück zum aufgeteilten Kathodenwiderstand der EF 804, der zur Linearisierung und Stabilisierung des Verstärkers
dient und dessen Klirrfaktor reduziert.
Der Netzteil liefert die für beide Verstärkerzüge notwendigen Anoden- und Heizspannungen. Zur Gleichrichtung
der hohen Anodenwechselspannung wird eine Gleichrichterröhre EZ 81 in Doppelwegschaltung verwendet.
Da die Gleichrichterröhre indirekt geheizt wird, werden beim Einschalten des Gerätes die Elektrolytkondensatoren
besonders geschont, zumal die Anheizzeit der Gleichrichterröhre und der stromziehenden Endröhren ungefähr
gleich ist.
Die Siebkette des Netzteües ist reichlich bemessen und sämtliche Verstärkerstufen sind ausreichend entkoppelt.
Zur einwandfreien Symmetrierung der Heizspannung dient der "Entbrummer" P 10 (300 Ohm).
Die Primärseite des Netztransformators ist auf die üblichen Netzspannungen umschaltbar und eine Feinsicherung
schützt den Transformator vor evtl. auftretenden Kurzschlüssen. Als Netzschalter wird ein zweipoliger Kippschalter verwendet.
Die Betriebsbereitschaft des Geräts wird durch ein 10 V-Lämpchen angezeigt, welches aus einer 6,3-V-Heizwicklung
des Netztransformators gespeist wird.