Deutsche Militärröhren und -Fassungen - Die RL12P35

Jegliche gewerbliche Nutzung - auch Internet-Auktionen - wird hiermit untersagt!



Die folgenden Bilder zeigen die Sende-Pentode RL12P35

Diese Röhre wurde als 35-Watt-Sendepentode im KW-Bereich 50 m bis 4,5 m verwendet




















Für an diesen Daten Interessierte habe ich hier einen Link auf eine PDF-Datei von TFK zur RL12P35 platziert.

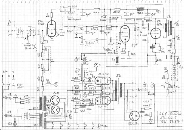
Von Rhode & Schwarz (R&S) wurde um 1945 ein "Kraftverstärker" mit der Bezeichnung ATL auf den Markt gebracht, mit der RL12P35 als Endstufe.
Dr. Sieghard Brodka schrieb dazu in der GFGF-Vereinszeitschrift "Funkgeschichte den folgenden Beitrag dazu:


Sieghart sandte mir nun ein Schaltbild zur Veröffentlichung auf dieser Seite zu, gezeichnet wurde es von Dr. Martin Schmid - herzlichen Dank an ihn!

Schaltbild R&S-Kraftverstärker ATL
(Mit der Maustaste das Schaltbild anklicken, es wird dann in voller Auflösung dargestellt.)


Zurück