Polytronic-ABC
- von Joachim Dahm / JED





(Bild bitte anklicken, um es in voller Auflösung darzustellen)

Bei aller Euphorie über die Radiomann-Erinnerungen, die auch - vielleicht sogar vorwiegend - Reminiszenzen an die Jugend sind, sollten wir nicht unterschlagen, dass es selbstverständlich auch im anderen Teil Deutschlands etwas ähnliches gab: Einen Experimentierkasten, der für seine Besitzer den ersten oder zumindest intensiveren Kontakt zur Elektronik darstellte und sicher auch öfters einen Einfluss auf die berufliche Entwicklung oder die Freizeitgestaltung hatte - das Baukastensystem Polytronic ABC.

Im Unterschied zum Kosmos Radiomann lag allerdings der Schwerpunkt nicht so sehr auf Radio, mehr auf allgemeiner Elektronik, wenn auch die Stufe B als Zusatz Funktechnik bezeichnet wurde und die entsprechenden Bauteile enthielt: Spulen, Drehkondensator, Diode und Kopfhörer.
Somit war sie eigentlich ein Zusatz HF & NF, oder, angelehnt an's Handbuch: Wechselspannung & Frequenz.
Sie beschäftigte sich mit den entsprechenden Grundlagen und Schaltungen, eben bis hin zu Sendern und Empfängern, wofür vom "Ministerium für Post und Fernmeldewesen" sogar explizit die Frequenz 135kHz zum Experimentieren mit diesem Baukasten freigegeben war - natürlich nur genauestens nach Anleitung!
Die Stufe C würde man heute sicher als konkretere Einführung in die Mechatronik bezeichnen. Sie enthielt u. a. einen Motor, ein Relais, einen Thermistor und zwei Elektroden als Wasserstandsfühler - vielleicht von der Intention her eine Art Vorstufe zur Fischertechnik-Elektronik?


(Bild bitte anklicken, um es in voller Auflösung darzustellen)

Ein weiterer Unterschied zum Radiomann liegt im verwendeten System, das in gewisser Weise eher den Kosmos-Kästen Radio & Elektronik bzw. Elektronik-Labor X nahe steht: Die Bauteile sind auf kleine Brettchen montiert und werden, auf einer Grundplatte mit Lochraster nur mechanisch aufgesteckt, mittels Drähten verbunden.


(Bild bitte anklicken, um es in voller Auflösung darzustellen)

Hier hat sich der VEB Polytronic Saalfeld allerdings etwas besonderes einfallen lassen: Es werden dünne, sehr flexible Litzen verwendet, deren Enden mechanisch und elektrisch durch einfaches Klemmen mit speziellen Gabelkontakten verbunden sind - da wäre es nur noch ein sehr kleiner Schritt zu professioneller Schneid-Klemmtechnik gewesen, die sogar das Abisolieren überflüssig gemacht hätte!

Diese Gabelkontakte passen nun auf Hohlnieten, die ihrerseits die Bauteile auf den genannten Brettchen befestigen und kontaktieren. Diese Kontaktröhrchen können bis zu drei Gabelkontakte halten. Hiermit geht ein Schaltungsaufbau wirklich leicht und schnell von der Hand und es sind sogar während des Betriebes der Schaltung Änderungen möglich, da hakeliges Ein- und Ausfädeln von mit der Zeit nicht mehr sonderlich geraden, glatten Drahtenden entfällt. Außerdem unterliegen die elektrischen Komponenten keinem Verschleiß.


(Bild bitte anklicken, um es in voller Auflösung darzustellen)

Leider ist aber das Grundmaterial der Bauteileträger recht anfällig für Alterungsprozesse.
Piacryl neigt, wie jedes Acrylglas (PMMA), zu Schwund und Spannungsrissen. Daher brechen oder reißen heute die Haltezapfen der Träger mitunter leicht ab, wenn man zu fest an einem verklemmten Baustein zieht und wackelt, anstatt einfach seine beiden Zapfen gleichzeitig (!) von unten aus der Experimentierplatte herauszudrücken.

Ein weiterer Unterschied zu den Kosmos-Kästen (und vielen anderen) besteht darin, dass das selbe System auch in Schule und beruflicher Bildung eingesetzt wurde, wozu es andere Zusammenstellungen und Anleitungen gab. Die Bezeichnung war dann Schüler-Experimentiergerät.

So kam also die DDR-Jugend auch von dieser Seite her mit Polytronic-Experimentiersystemen in Berührung, was die Anzahl der Elektronik-Adepten trotz des (vermutlich) recht hohen EVP eines ABC-Kastens von 92,50 M vielleicht doch ähnlich ausfallen ließ, wie im Westen.

Zur Verdeutlichung eines Schaltungsaufbaus mit Bauteilen ausschließlich aus dem ABC-Kasten beschränke ich mich auf den leistungsstärksten Empfänger, ein 2-Transistor-Audion ohne Rückkopplung, allerdings mit einer Anleihe an die vorhergehende Schaltung, bei der eine Arbeitspunkteinstellung für das Audion vorgesehen ist.
Trotz der fehlenden Rückkopplung ein erstaunlich leistungsfähiges Experiment.


(Bild bitte anklicken, um es in voller Auflösung darzustellen)

In den folgenden Röhrenschaltungen wird die Ankopplungsspule als Rückkopplungsspule verwendet. Da die Spulenträger auf dem Gewinderohr mit HF-Kern frei verschoben werden können, lässt sich, ähnlich wie beim Radiomann, trotz der an sich zu hohen Windungszahl eine brauchbare Kopplung als Basis einstellen.


(Bild bitte anklicken, um es in voller Auflösung darzustellen)

Der erste Aufbau mit EF98 lehnt sich nur in etwa an die Radiomann-Schaltung an. Eigentlich ist es eine Art ECO-Audion, da die Rückkopplung über eine Spule in der Kathodenleitung erfolgt.
Versuche ergaben eine sinnvolle RK-Regelung über die Schirmgitterspannung bei maximalem Abstand der Spulen und unter Parallelschaltung eines Widerstandes von 560 Ohm zur Ankoppelspule bei einer Betriebsspannung von 9V (Blockbatterie). Zum Heizen hätten natürlich 4 Monozellen in den Polytronic-Batteriehaltern dienen können, ein Netzteil erschien aber praktischer.

Ein weiterer Test beschäftigte sich mit dem Einfluss des Gitterkondensators. Hier bestätigten sich selbstredend die Angaben aus der einschlägigen Literatur: Ein zu kleiner Kondensator reduziert die Empfangsleistung bzw. Lautstärke, weil er dann mit Cgk einen ungünstigeren Spannungsteiler für die HF bildet, ein zu großer verschlechtert die Höhenwidergabe, da er die NF über die Spule nach Masse ableitet - bei den verwendeten 330pF werden die Höhen schon ganz leicht (angenehm) beschnitten.

Der Einfluss des Gitterableitwiderstandes wurde natürlich auch untersucht, neben den Widerständen 47 kOhm und 270 kOhm aus dem ABC-Fundus wurde noch der üblichere Wert von 2,2 MegOhm, wie beim Radiomann-Audion, ausprobiert. Dies gestaltete sich aufgrund der beschriebenen Vorteile des Verdrahtungssystems im laufenden Betrieb sehr einfach. Versuche mit einem 1 Megohm-Trimmer waren vergleichsweise schlechter reproduzierbar.


(Bild bitte anklicken, um es in voller Auflösung darzustellen)

Als Fazit ergab sich: Wurde auf die Rückkopplung verzichtet, war der Wert 2,2 Megohm zu bevorzugen, da dann der Schwingkreis am wenigsten bedämpft wurde, mithin die Wiedergabe trotz des geringen Anodenstroms am lautesten ausfiel. Gleichzeitig war erwartungsgemäß auch die Trennschärfe am besten.
Burkhard Kainka weist in seinem Buch "Röhren-Projekte von 6 bis 60 V" ja auch darauf hin, dass die Steilheit der EF98 mit geringerem Anodenstrom nur wenig abfällt. Es überdeckt hier also der Effekt der geringeren Bedämpfung den der höheren Steilheit bei weniger negativer Gitteranlaufspannung und damit höherem Anodenstrom.


(Bild bitte anklicken, um es in voller Auflösung darzustellen)

Ganz anders das Bild, wenn die aktive Entdämpfung eingebaut wurde: Wie zu vermuten, war der Rückkopplungseinsatz mit kleinerem Widerstand härter und begann zu ziehen. Gleichzeitig stieg aber auch die erreichbare Lautstärke zumindest signifikant an. Der Arbeitspunkt schien sich also zu optimieren.
Seltsamerweise galt das aber nicht im ganzen Mittelwellenbereich. Beromünster war mit 47 kOhm besser zu hören, während Sender am oberen Ende mit 270 kOhm bzw. 2 Megohm deutlicher aufnehmbar waren. Vielleicht spielte hier die zu große Windungszahl der Koppelspule eine Rolle, zumal ja auch üblicherweise keine getrennte Spule verwendet wird, sondern eine Anzapfung der Schwingkreisinduktivität, die aber beim Polytronic-ABC leider nicht vorhanden ist.


(Bild bitte anklicken, um es in voller Auflösung darzustellen)

Andererseits muss auch klar erwähnt werden, dass abendlicher Rundfunkempfang mit seinen Schwunderscheinungen und eine Beurteilung nach Gehör keine allgemeinverbindlichen Aussagen zulassen - aber es handelte sich ja auch nur um unterhaltsame Experimente, keine wissenschaftlichen Untersuchungen.
Auch musste hier keine Schaltung endgültig optimiert werden, da sie ja jederzeit wieder aufwandslos zu ändern ist.


(Bild bitte anklicken, um es in voller Auflösung darzustellen)

Sicher hängen die Ergebnisse außerdem sehr von der verwendeten Antenne mit ihrem Einfluss auf den Schwingkreis ab, trotz einer Ankopplung über nur 27 pF.

Versuche mit einer EF97 brachten wenig Veränderung: Die Lautstärke schien etwas geringer, die Rückkopplung ein wenig weicher. Beides aber hart an der Wahrnehmbarkeitsgrenze und somit vielleicht eher "herbeierwartet".


(Bild bitte anklicken, um es in voller Auflösung darzustellen)

Da waren die Differenzen zwischen zwei EF98-Exemplaren fast deutlicher. Also wurde die EF97 für eventuelle Tests mit HF-Vorstufe zurückgelegt, eine spezielle Beschaffung möchte ich daher noch nicht anraten, zumal die EF98 ja bei eBay eher wie Sauerbier angeboten wird, da sich vor einiger Zeit wohl bei einem Schweizer Händler noch ein größerer Posten einen oder mehrere, vielleicht zu sehr spekulierende Käufer "gesucht" hatte, die sie jetzt wieder loswerden wollen.

Das Ende der Versuche mit nur einer EF98 markiert nun die für eine getrennte RK-Wicklung üblichere Einfügung in die Anodenleitung. Dazu wurde sonst nichts geändert und erstaunlicherweise ergaben hier die Versuche mit den Gitterwiderständen eindeutig die Überlegenheit der 47 kOhm-Lösung.
Die erreichbare Lautstärke entschädigte m. E. deutlich für den etwas härteren RK-Einsatz. Sicher ist auch sowieso mit einem Trimmpoti, trotz aufgesetzter Rändelscheibe, keine sonderlich feinfühlige Einstellung möglich.


(Bild bitte anklicken, um es in voller Auflösung darzustellen)

Kurzwellenversuche werde ich also keine anstellen, zumal auch der Polytronic-Drehko mit seinem kleinen Knopf und ohne Untersetzung etwas fummelig zu bedienen ist. Ich werde noch versuchen, ihn etwas leichtgängiger zu machen.


(Bild bitte anklicken, um es in voller Auflösung darzustellen)

Das Bild zeigt die letzte Schaltung, alles andere lässt sich aus dem Text entnehmen.


Aufgrund weiterer Tests gibt es noch etwas nachzutragen: Leider ist mit dem Polytronic-Schwingkreis nicht der gesamte Mittelwellenbereich abzudecken, da der Kondensator nur von 50-270 pF variiert. Deshalb habe ich einmal den Spulenkern ganz nach oben gedreht (praktisch in die Koppelspule hinein) und so weitere Empfangsversuche angestellt.
Dabei erwies sich wieder die starke Abhängigkeit aller Schaltungsdetails voneinander. Insgesamt habe ich mich auf einen Gitterwiderstand von 270 kOhm als Kompromiß "geeinigt", vielleicht sollte man noch 510 kOhm probieren - mal schauen. Das Bild zeigt die "Widerstands-Batterie" zum Testen.

(Bild bitte anklicken, um es in voller Auflösung darzustellen)

Die Kopplung war mit derart massiv verschobenen Kern arg verändert, sodass ich den Parallelwiderstand durch 1,8 kOhm ersetzte und je nach Gitterwiderstand auch auf den Vorwiderstand vorm RK-Poti verzichten musste bzw. ihn hätte reduzieren sollen. Hierbei wurde dann auch die von Wolfgang Holtmann schon an anderer Stelle (Forum Radiomuseum) beschriebene Erscheinung beobachtet, dass ein auf voller Betriebsspannung liegendes Schirmgitter bei der EF98 zu massivem Lautstärkerückgang führt (http://www.radiomuseum.org/forum/dm300_und_ef98_wir_experimentieren_weiter.html).

Aus den bisherigen Erfahrungen könnte man ableiten, dass ein fest aufgebautes Audion mit niedriger Betriebsspannung eine veränderbare Spulenkopplung haben sollte (Grobjustage), RK-Feinregelung über die Schirmgitter-Spannung, evtl. eine variable Gitterableitung und am besten auch eine einstellbare Antennenkopplung, wenn man in allen Empfangssituationen das Maximum herausholen will. Da hat man es mit einem Experimentierkasten vergleichsweise einfach...


(Bild bitte anklicken, um es in voller Auflösung darzustellen)

Weitere Experimente erfolgten mit der unveränderten Schaltung, aber anderen Röhren. Das erste galt der EL95, die mit 9 Volt jedoch kein brauchbares Ergebnis lieferte.
Da ich meinen Batterie-Anschlussbaustein mit zwei 9-Volt-Block-Clips ausgestattet habe, war die nächste Stufe dementsprechend 18 Volt Anodenspannung, und da erwachte die EL95 zu ähnlicher oder gar höherer Leistung, als die EF98 bei 9 Volt.
Allerdings sollte die Schirmgitterspannung hoch sein, der Vorwiderstand vor dem Poti also wegfallen. Wenn man dann noch mit einem niedrigen Gitterwiderstand arbeitet, wird's lauter als die EF98.
Die RK war aber bei der von mir verwendeten Röhre dann schon recht "hakelig".

Weniger gute Ergebnisse brachte eine 12BA6, die oder deren Schwester 6BA6 man auch öfters als Vorschlag für Niederspannungsversuche im WWW antrifft, total enttäuschend fand ich eine 6AK6, von der ich mir aufgrund von Informationen dort wirklich mehr erhofft hatte - ich werde sie mir später noch mal für andere Schaltungen vornehmen.
Angeregt durch die gute Leistung der EL95 habe ich dann auch der EF mal doppelte Ladung verpasst und den Aufbau entsprechend etwas modifiziert (Spulenabstand): Sie bleibt mein absoluter Favorit.
Der Leistungsgewinn ist zwar nicht überragend, aber durch Feintuning lässt sich doch noch etwas mehr herausholen.
So einfach und schnell kann man Versuche mit einer fest aufgebauten Schaltung sicher nicht machen, wenn auch der Nachteil eine gewisse Instabilität ist. Einen Teil davon werde ich versuchen zu beseitigen, indem ich alle Kontaktröhrchen mit "Metarex" blank poliere. Das hat sich bei den völlig schwarz angelaufenen Kontakten des Röhrenbausteins schon als sehr wirkungsvoll erwiesen.

Als nächstes möchte ich dann eine NF-Stufe mit EF98 anhängen und zuletzt ein paar Versuche mit Trioden veranstalten. Zunächst soll nun aber noch das "Geheimnis" des Röhrenadapters aufgedeckt werden - dazu einfach zwei Fotos...:


(Bild bitte anklicken, um es in voller Auflösung darzustellen)

Wie zu sehen ist, kann man bei geschickter Platzierung der Röhrenfassungen acht Leiterbahnen direkt benutzen, der Rest muss mit Drähten verbunden werden. Die Trennungen wurden mit einem simplen Tool für Veroboard gemacht.
Anscheinend stammen diese Bausteine ursprünglich z. B. aus einem Baukasten Polytronic Elektronik-Mikroelektronik A2, wie ich einer ebay-Auktion entnehmen konnte. Meine "Sammlung" enthielt jedoch eine größere Zahl davon auf einer entsprechend bedruckten Speicherplatte - wohl aus noch einem anderen System.


(Bild bitte anklicken, um es in voller Auflösung darzustellen)

- - - ~ ~ ~ o o o ~ ~ ~ - - -

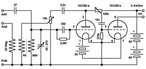
Da 9V-Batterien wirklich keine teuren Stromquellen darstellen, wenn man sie mit 1-2 mA belastet und auch oft fast leere aus anderen Geräten diese Belastung bei noch bei akzeptabler Spannungslieferung vertragen, habe ich den Trioden-Versuch doch nicht mit einer 6J6 = ECC91, sondern mit einer 3A5 = DCC90 in Anlehnung an die RIM-Piccolo-Schaltung durchgeführt. - Das spart einiges an Heizleistung und ist einem Batterieempfänger sicher angemessener.
Die Änderungen gegenüber dem Original betreffen die strikt getrennten Heiz- und Anodenbatterien sowie die Verwendung eines Potis anstelle des zweiten Drehkos für die Rückkopplungs-Einstellung. Auch hier ist wieder die weite Justierbarkeit der Kopplung bei der Polytronic-Spule hilfreich.
Zusätzlich wird noch eine Antennenspule von 20 Windungen dünnen Schaltdrahtes zwischen MW- und Ankopplungsspule aufgebracht.


(Bild bitte anklicken, um es in voller Auflösung darzustellen)

Damit kann man (auch in den vorhergehenden Schaltungen) den 27 pF-Kondensator einsparen, der ja kein Originalteil des Kastens ist.
Nicht umhin kommt man aber wieder um einen Kondensator in der Größenordnung von 1 - 2,2 nF, einen weiteren von 100 - 330 pF und hier auch einen Gitterableitwiderstand von 1 - 2,2 MOhm.
Der Gitterwiderstand für die NF-Stufe ist wieder ein "Kompromiss der vorhandenen Bauteile", der Lautstärkerückgang wurde mit einem 1 MOhm-Poti aus einem Schülersystem getestet und bei der gewählten Schaltung der Kathoden (Heizfäden) als wenig nennenswert empfunden. (Man kann die dementsprechende Stellung des Potis auf dem Bild erkennen.)
Durchaus praktisch für Ortssenderempfang ist hingegen der Einsatz des 100 kOhm-Potis anstelle des im "ABC " nicht vorhandenen Widerstandes.
Noch etwas besser geeignet, als das 10 kOhm-Poti erschien eines von 1 kOhm zur RK-Einstellung, wenn es denn im eigenen Fundus zur Verfügung steht.


(Bild bitte anklicken, um es in voller Auflösung darzustellen)

Dem aufmerksamen Betrachter der Bilder wird nicht entgehen, dass die RK-Spule dort etwas anders angeschlossen ist, als im Schaltplan. Das entstand aus dem Bestreben, den Rückkopplungspfad durch grüne Klemmen zu markieren (Kabellänge) und das Poti bedienungsgünstig zu platzieren.
Es funktioniert aber genauso (gut): Mit Reduzieren der Rückkopplung wird nicht nur ein Vorwiderstand wirksam, sondern auch die Spule mehr und mehr kurzgeschlossen (Spannungsteilerschaltung). Andere Varianten sind natürlich evtll. auch einen Versuch wert (Vorwiderstand, Shunt).
Je nach Spule, Röhre, Batteriespannung, vorhandenem Poti etc. läßt sich da vielleicht eine bessere Lösung finden, wenn der Aufbau der Festlegung eines endgültigen Gerätes dient, was sich bei der DCC90 viel eher anbietet, als bei der EF98.

Die Beschaltung der Heizfäden ergab sich unter den gegebenen Umständen (nach Gehör) als das Optimum, wobei wegen der räumlichen Anordnung eine Vertauschung beider Trioden gegenüber der Originalschaltung vorgenommen wurde. Aber auch in dieser sind die Anschlüsse gegenüber den Angaben im Datenblatt vertauscht: Eigentlich sollte bei Serienschaltung 1 der negative und 7 der positive sein. Das waren tatsächlich die interessantesten Versuche, da wegen der getrennten Heizbatterie eine Umpolung völlig gefahrlos (für die Röhre) durchführbar war und alle Varianten inklusive der Masseverbindung und der Verbindung des 270 kOhm-Gitterwiderstandes schnell verglichen werden konnten.
Man erkennt in den beiden Bildern (nach Vergrößerung) die Verbindungen mit den blauen und den roten Klemmen, die genau diesem Zweck dienen. Sie sind hier im Endzustand: Der Heizfaden- Mittenanschluß (4) stellt den Massebezug her, somit liegt auch die 2. Gitterableitung an ihm.
Beide (evtll. längere) Kabel lassen sich aber auch ans positive oder negative Heizfadenende rangieren und diese können über die Verbindungen zum Batteriehalter vertauscht werden (1 & 7).


(Bild bitte anklicken, um es in voller Auflösung darzustellen)

Wieder einmal erwies sich dabei die Bequemlichkeit und Schnelligkeit des Polytronic- Verdrahtungssystems als Vorteil. Ein im Datenblatt ebenfalls gefordertes Überbrücken des negativeren Heizfadens mit einem Widerstand zur "Ableitung des Kathodenüberstroms" dürfte sich bei 0,5 - 1 mA erübrigen und ist auch in der Piccolo-Schaltung nicht vorgesehen.
Wer will, kann natürlich auch noch die Parallelschaltung der Heizfäden ausprobieren oder vielleicht durch wirklich reproduzierbare Tests mittels Prüfsender und Millivoltmeter eine noch ergiebigere Variante finden.


(Bild bitte anklicken, um es in voller Auflösung darzustellen)
- Auf Polytronic adaptierter "Piccolo" mit DCC90 / 3A5

Apropos "gegebene Umstände": Eine ganz wesentliche Verbesserung aller Versuche bzw. der Bequemlichkeit ihrer Durchführung ist durch "Freihändigkeit" möglich. Man sollte also wirklich einen vernünftigen Kopfhörer benutzen.
Ein alter Doppelkopf-Fernhörer ist ja schon ein Fortschritt, ein hochohmiger Funk-Kopfhörer sicher ein größerer, aber wer noch einen Sennheiser HD-414 oder HD-424 hat (zu denen es immer noch Ersatz-Ohrpolster gibt), ist auch klanglich klar im Vorteil. Kein Joghurtbecher-Sound mehr und sogar Bässe, vom besseren und bequemeren Sitz einmal ganz abgesehen.
Es empfiehlt sich allerdings einer mit Würfelstecker anstatt Klinke, da man dann die Systeme gleichphasig in Serie schalten kann (ca. 4 kOhm), anstatt gegenphasig, was einen unangenehm extracranialen "sphärischen" Sourround-Sound beschert...

So, das war's jetzt also von den Wiederbelebungsversuchen eines leider häufig unterschlagenen Experimentiersystems und von seiner "Anpassung" an die Röhrenbude. Ich hoffe, es findet dadurch wieder mehr Interesse, um auch dieses Stück DDR-Technikgeschichte nicht so schnell in Vergessenheit geraten zu lassen.

Weitere Bilder und Aufbauten sollen noch folgen, vielleicht kann - und mag - Jogi ja auch einen Platz in seiner "Röhrenbude" für dieses Unterfangen bereitstellen, als Ergänzung zur Radiomann-Historie, um auch ein wenig Ostalgie zuzulassen.

Hier nun in der Hoffnung, dass ich für weitere Versuche bald endlich wieder Zeit habe, Bilder von einer Neuerwerbung zweier Kästen (leider ohne Handbücher, daher aber zu einem guten Preis, was mir mehr entgegen kam, denn ich will ja nur Röhrenschaltungen aufbauen). Es handelt sich um den "elektronik 5", der bis auf einen Trafo nicht so viel Interessantes für Röhrenversuche enthält, wenn man schon einen "A-B-C" besitzt (die Röhren-Tauglichkeit des Trafos muss ich aber noch eruieren, immerhin wird sich wohl ein Spannungswandler damit bauen lassen).


(Bild bitte anklicken, um es in voller Auflösung darzustellen)

Das zweite Bild zeigt die Teile unter einer der Platten - für uns interessant höchstens die Kabel mit den Bananensteckern, die man sich aber auch selbst mittels der typischen Verbindungskabel-Bauteile erstellen kann. In der zusätzlichen Vertiefung fehlt der Lichtschutztubus für den LDR, er steckt bereits darauf. Die Bananenbuchsen am grauen Batteriehalter sind mit Sicherheit nicht original.


(Bild bitte anklicken, um es in voller Auflösung darzustellen)

Dann noch die Bilder von den Speicherplatten und welche vom Zusatzkasten "elektronik 6", der für Rohrenversuche die interessanteste Variante in Verbindung mit einem "A-B-C" sein dürfte. Wenn er denn komplett ist: Am besten mit dem gleichen Drehko und den gleichen Spulen, die man schon im letzten hat (Es gab in Auktionen schon alle Varianten) und mit den speziellen Bauteilehaltern für eigene Komponenten. Es sind von der Variante 1 sieben und von Variante 2 zehn (s.u.). Außerdem gehören noch 2 Transistorhalter mit Steckfassungen zum Kasten, die ich ursprünglich für selbstgebau hielt.


(Bild bitte anklicken, um es in voller Auflösung darzustellen)

Auch hier noch ein Blick in den tiefsten "Keller" des Kastens und auf die Speicherplatte (es fehlt in den Bildern je noch eine Aufbauplatte).


(Bild bitte anklicken, um es in voller Auflösung darzustellen)

Interessant sind die kleineren C's und das 1MO-Poti. Die aufgeräumten Kabelhalter gegenüber dem "A-B-C" haben natürlich auch ihren Reiz... In dem schrägen Fach hat sich ursprünglich Litze für weitere Verbindungskabel befunden.


(Bild bitte anklicken, um es in voller Auflösung darzustellen)

Weiter unten zwei Detailfotos.


(Bild bitte anklicken, um es in voller Auflösung darzustellen)

Man erkennt die zwei Spulen als die ältere Bauform. Aber auch hier ist die Ankoppelspule jeweils verschiebbar, da in sich stabil gewickelt und nur durch ein dazwischen gelegtes Gummibändchen auf dem Körper gehalten.


(Bild bitte anklicken, um es in voller Auflösung darzustellen)

Sie sind wegen der "freischwebenden" Litzen natürlich mit größerer Vorsicht zu behandeln. Es wird sich bei Zweikreiser-Experimenten noch herausstellen, ob die Induktivität identisch mit den moderneren Spulen ist.

Ebenfalls interessant ist wie erwähnt evtl. der Trafo, bestehend aus zwei auswechselbaren angezapften Spulen sowie einem U- und einem I-Kern. Es ist auf dem zweiten Bild erkennbar, dass der I-Schenkel über Befestigungszapfen an seinen "Beinchen" verfügt, während das U-Teil nur durch die Spulen positioniert wird. Hier ist also durch Verschieben einerseits die Induktivität veränderbar (vielleicht für NF-Schwingkreis bzw. -Generator-Versuche), andererseits wird immer ein Luftspalt vorhanden sein. Ich bin mal gespannt, ob das als Zwischen- oder gar Ausgangstrafo brauchbar ist - die gut sichtbaren Windungszahlen lassen mit dem Wechseln der drei Spulen jedenfalls einige Kombinationen zu.

Sehr interessant fürs Röhrenbasteln sind die schon erwähnten leeren Bauteilehalter, von denen es zwei Sorten gibt: Eine mit schraubbaren Metallklemmen zum häufigeren Wechsel der Bauteile und eine andere mit schraubbaren Hohlnieten und Lötösen zur Selbstherstellung dauerhafter Module. Das Gewinde muss man allerdings selbst mit den Senkkopf-Schrauben in die Hohlnieten schneiden, was diese leicht lädiert, da man sie dabei mit einer Zange festhalten muss. Aber trotzdem besser, als überschüssige Bauteile abzukneifen und an ihre Drahtstummel die benötigten neuen im Eilverfahren anlöten zu müssen.


(Bild bitte anklicken, um es in voller Auflösung darzustellen)

Das Piacryl wird durch Hitze nämlich butterweich, da ist ein Anlöten an Lötösen vor dem "Einbau" wesentlich stressfreier. Und man ist ja nun teilweise auf Eigenfabrikation angewiesen, da die vorhandenen Bauteilewerte sich eher nach den Erfordernissen von Transistorschaltungen richten. Es fehlen halt einfach ein paar kleinere C's und besonders größere R's.

Ein Vorbesitzer der Kästen hat die letztgenannten Haltersätze aber dem Selbstbau eines Röhrenadapters geopfert, indem er die Hohlnieten davon benutzte und einen der Halter zerschnitt, um die Steckzapfen für seine Eigenkreation zu gewinnen. Ich war also vermutlich doch nicht der erste, der sich eine "Polytubitronic" Ergänzung gebastelt hat - jeder halt nach seinen Möglichkeiten und vorhandenem Material.


(Bild bitte anklicken, um es in voller Auflösung darzustellen)

Übrigens gab dieser im Angebot nicht mal erwähnte Röhrenbaustein den Ausschlag zu meinem Gebot - eigentlich war ich schon länger nur noch auf einen zweiten Drehko und die moderneren Spulen aus, ein weiterer kompletter A-B-C-Kasten war mir aber in der letzten Zeit immer zu teuer. Dann hat mich aber dieser auf dem Angebotsfoto relativ deutlich erkennbare Zusatz einfach neugierig gemacht - hätte ja durchaus auch ein Original sein können...

Die Glühlampe und die Glimmlampe sind eigentlich nur zur Dokumentation einer anderen Glühbirnenart mit auf dem Foto (der A-B-C enthält ein Zwergbirnchen) und zum Untermauern der Vermutung, dass mit diesem Kasten ein Spannungswandler gebaut werden kann. Woher sollten sonst Zünd- und Brennspannung einer Glimmlampe kommen - es wird ja wohl niemand ein solch offenes System mit Netzspannung versorgt haben. Glücklicherweise habe ich aus einem anderen Konvolut ja den zweiten Trafo; so sind vielleicht einige zusätzliche Experimente ohne "äußere" Hilfsmittel denkbar.

Ich hoffe, auf den Fotos ist alles wesentliche zu erkennen, um das Interesse am Polytronic-System wieder etwas anzufachen und verbleibe dann mal mit der Aussicht auf weitere "Original"- Polytronic Röhrenversuche...

Viele Grüße
Joachim/JED

~~~~~~~~~~~~~~~~~~~~~~~~~~~~~~~~~~~~~~~~~~~~~~~~~~~~~~~~~~~~~~~~~~~~~~~~~~~~~~~~

In meinem Forum beschrieb Tommes seine interessanten Erfahrungen zum Polytronik - Baukasten.

~~~~~~~~~~~~~~~~~~~~~~~~~~~~~~~~~~~~~~~~~~~~~~~~~~~~~~~~~~~~~~~~~~~~~~~~~~~~~~~~




Zurück