Restauration eines Rundfunk-Selektografen SO82
von Ernst Schlemm



Der Rundfunk-Selektograf SO82
- Ein Reparaturbericht
Zur oszillografischen Darstellung und Optimierung der Durchlasskurven eines Rundfunkempfängers benötigt man einen Markengenerator, einen Wobbelgenerator und ein Oszilloskop.
Der Selektograf SO82 vereinigt diese drei Komponenten in einem einzigen Gerät. Mit ihm ist es möglich, sämtliche in der Praxis vorkommenden Abgleicharbeiten an Rundfunkempfängern durchzuführen.
Der SO82 wurde in den sechziger Jahren von der PGH Radio und Fernsehen, Karl-Marx-Stadt, DDR, noch vollständig in Röhrentechnik produziert. Seine Bauelemente sind frei verdrahtet und zumeist leicht zugänglich, daher ist er trotz seines insgesamt ziemlich komplexen Aufbaus problemlos restaurierbar.
Die wirklich vorbildliche Original-Bedienungsanleitung lässt keinen Wunsch offen. Es werden die Anwendung des Selektografen, seine Funktionsweise und der Service umfassend und verständlich beschrieben. Ich kann mich also nachfolgend auf die Dokumentation der Restaurationsarbeiten, Auffälligkeiten beim nötigen Neuabgleich und einige praktische Anwendungsbeispiele beschränken.
Die achtzehnseitige Bedienungsanleitung gibts als pdf- Datei hier: Bedienungsanleitung.pdf (~ 18 MByte!)

Mechanischer Aufbau
Ein Rahmen aus Stahlprofilen dient zur Befestigung der Aluminiumfrontplatte und zur Aufnahme der Hauptbaugruppen: Wobbler, Markengenerator, Oszilloskop und Netzteil.
Die Baugruppen des Selektografen sind entsprechend ihrer elektrischen Funktion auch mechanisch als getrennte Einheiten aufgebaut und können für Servicezwecke nach Lösen von jeweils vier Befestigungsschrauben und Ablöten der elektrischen Verbindungen einzeln aus dem Rahmen entnommen werden.

Restauration
Eine erste Funktionsprüfung ergab folgendes:
Die Helligkeit der Bildröhre B7S1 war zu gering, der Hf-Generator war leicht und der Wobbler stärker verstimmt, sonst war das Gerät im Prinzip funktionsfähig.
Die Bedienungsanleitung hatte der Vorbesitzer mitgeliefert, ein Schaltplan war leider nicht dabei. Im RM.org existierten zum SO82 Schaltunterlagen, diese aber in schlecht zu entziffernder Qualität und ohne das Anodenspannungsversorgungsteil.
Der Schaltplan musste komplett neu gezeichnet werden, beginnend mit dem geregelten Netzteil und weiter unter Zuhilfenahme der Unterlagen aus dem RM.org. Eine Geduldsarbeit, diese aber mit dem positiven Effekt dass sich beim Zeichnen die Schaltung Stück für Stück entwirrte.

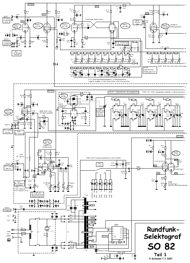
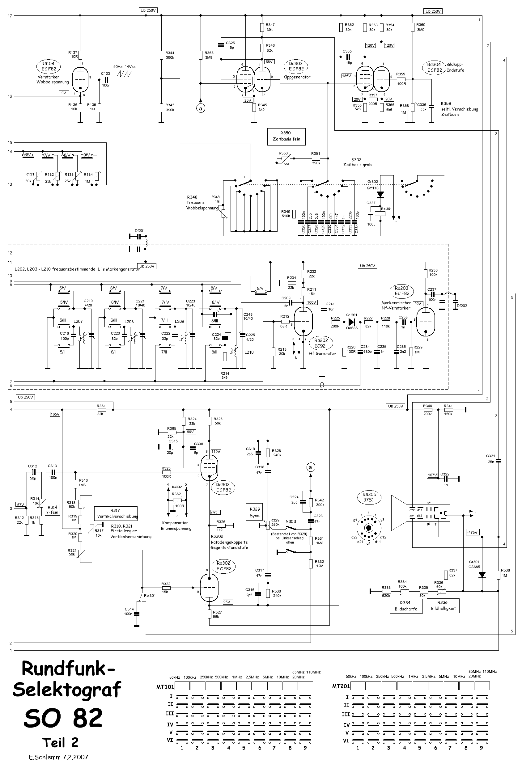
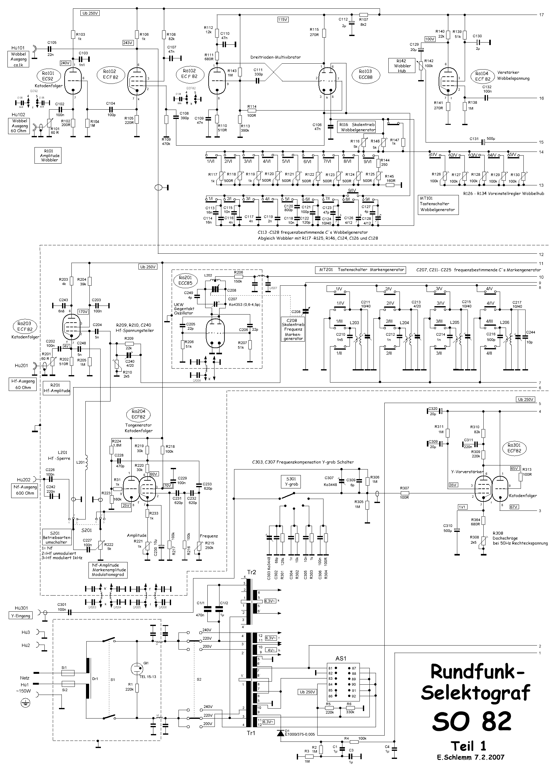
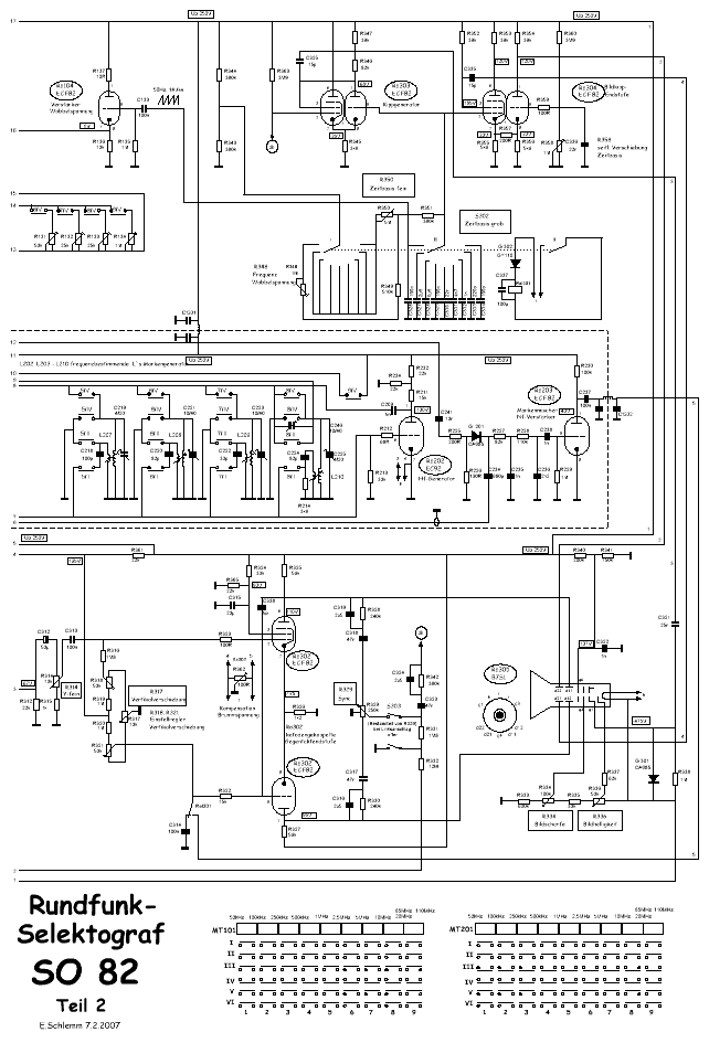
Zunächst die Schaltung des Selektografen Teil 1 und 2 und die des Netzteils AS1. Dann folgen Bilder des Chassis ohne Gehäuse und Frontplatte.

Schaltbild Selectograf - Teil 1

Schaltbild Selectograf - Teil 2

Schaltbild Netzteil AS1
(Mit der Maustaste das jeweilige Schaltbild anklicken, es wird dann in voller Auflösung dargestellt.)

Front:


Rückseite:


Netzteilseite:


Oszi-Seite:


Unterseite:

Stabilisiertes Netzteil AS1 zur Anodenspannungsversorgung:
Röhren: EZ81, EZ81, EC360, EF80, STR 85/10

Das stabilisierte Netzteil mit der Längsregelröhre EC360 wurde nicht in Chemnitz hergestellt, sondern wahrscheinlich komplett verdrahtet von TPW (Technisch-Physikalische Werkstätten Thalheim/Erzgebirge) bezogen. Es trägt die Bezeichnung SVT 250B.
Fast immer weisen Papierkondensatoren in einem über vierzig Jahre alten Gerät Feinschluss oder gar kompletten Schluss auf. Hier war der Feinschluss nur geringgradig, d.h., die Glimmlampe des C-Testers flackerte durchschnittlich in zwei bis drei Sekundenabständen. Die kunstharzvergossenen Papierkondensatoren waren für ihr Alter also nicht schlecht, viel besser als einige Westprodukte aus derselben Zeit.
Es empfiehlt sich aber dennoch, sie gegen neue auszutauschen. Sicherheitshalber auch die Elkos. Man kann versuchen, die Elkos neu zu formieren - aber wer weiss, wie lange solch eine Kur vorhält. Alle anderen Kondensatoren, die vielen Styroflexkondensatoren, die keramischen C´s und auch alle Trimmer waren einwandfrei.

Als Resultat waren erstmal am Ausgang des Netzteils präzise +250V einstellbar.

Oszilloskop
Röhren: B7S1, ECF82, ECF82, ECF82, ECF82
Gleichrichter : E1000/375-0005
Dioden: OA685, GY110
Hier das Datenblatt der B7S1 als pdf-Datei.

Die geringe Helligkeit der B7S1 hatte ihre Ursache nicht in der Röhre an sich (Dank an dieser Stelle an Holm Tiffe, der mir zu Vergleichszwecken eine B7S1 schenkte!), sondern lag am angestiegenen Innenwiderstand des Selengleichrichters Gr1. Ein Austausch war durch Reihenschaltung einer 1N4007 und eines Widerstandes von 33k möglich. Als optimal erwies sich eine Spannung von etwa -475V an Katode und Gitter 1. Ist die Spannung zu hoch (1N4007 ohne Reihenwiderstand ergibt -590V), dann wird der Elektronenstrahl von der Horizontal-Endstufe nicht mehr bis zum Bildrand abgelenkt, ausserdem stimmt die Kalibrierung des Y-Verstärkers nicht mehr. Ist die Spannung zu niedrig, so ist die Helligkeit nicht ausreichend und die Y- Kalibrierung stimmt ebenfalls nicht. Eine diesbezügliche Spannungsangabe fehlte im Schaltplan.
Nach Auswechseln aller Elkos und Papier- C´s und Prüfung der Betriebsspannungen konnte das Oszilloskop abgeglichen werden:




1. Die seitliche Positionierung der Zeitbasis wird mit R358 eingestellt und reagiert ziemlich sensibel auf Tausch von Rö304.
2. Bei Linksanschlag von S302 (Zeitbasis grob, Wobbelbetrieb) wird mit R348 die Frequenz der Wobbelspannung korrigiert. Dazu zuerst den Synchronisationsregler auf Linksanschlag stellen, die 50Hz- Netzfrequenz-Synchronisation ist damit eingeschaltet.
Dann 50Hz z.B. aus einem Heiztrafo auf den Eingang des Oszilloskops geben und das entstehende Schirmbild mit R348 zum Stillstand bringen.
3. Die Zeitbasis muss mit R317 (Vertikalverschiebungsregler) mindestens um je 10mm nach oben und unten verschoben werden können. Der Variationsbereich wird mit R318 und R321 festgelegt. Bei einer schwachen Rö302 ist der Bereich der möglichen Vertikalverschiebung zu klein.
4. Einstellung des Brummspannungsminimums im Y-Verstärker: S301 (Y-grob) und R317 (Y-fein) auf maximale Empfindlichkeit = Rechtsanschlag stellen und dann mit R362 auf minimale Welligkeit des Schirmbildes abgleichen.
5. Das Rechteckverhalten des Y-Verstärkers lässt sich optimieren, indem man C338 (5pF) durch einen Trimmer ersetzt und bei verschiedenen Frequenzen auf insgesamt bestmögliche Rechteckdarstellung nachgleicht.
6. Mit R308 ist die Feinkorrektur des Y-Verstärkungsfaktors zum Zweck der Kalibrierung möglich. Eine nennenswerte Beeinflussung der Dachschräge der 50Hz Rechteckabbildung durch R308 konnte ich nicht feststellen.

Frequenzmarkengenerator
Röhren: ECC85. ECF82, EC92
Diode: OA685
Besonderheiten: Der Markengenerator des Selektografen ist auch separat als vollwertiger Messender einsetzbar.
Einige Kondensatoren sind ohne die Demontage des Tastenaggregates nicht zu erreichen.














Abgleich:
An Hü 201 (Hf-Ausgang 60 Ω) wird ein Frequenzmesser oder besser eine Kombination aus Oszilloskop und nachgeschaltetem Frequenzmesser angeschlossen. Betriebsartenumschalter S201 auf Hf unmoduliert. Wobbler aus.
Der Abgleich der Bereiche 1-8 erfolgt jeweils an den oberen Bereichsenden mit C211- C225 und an den unteren Bereichsenden mit L203- L210. Der Bereich 9 wird mit C207 und L210 eingestellt.
Der Abgleich muss, wie beim Rundfunkempfänger, in jedem einzelnen Bereich so lange wechselweise mit L und C wiederholt werden, bis die Skala stimmt.
Gegebenfalls sind andere Abgleichpunkte, als die an den Bereichsenden auszuprobieren, um die Skaleneichung zu optimieren.
Eine Grobeinstellung der Hf-Amplitude ist, allerdings nur für alle Bereiche gemeinsam, mit dem Spannungsteiler C240/R210 möglich.
Die mit R201 einstellbare grösste Ausgangsspannung des Hf-Generators soll in den Bereichen 1-8 ≥ 40m Veff und im Bereich 9 ≥ 100 µVeff betragen, die kleinste Ausgangsspannung im Bereich 1-8 bei < 10 µVeff und im Bereich 9 bei < 2µVeff liegen. 1 kHz amplitudenmoduliert soll mit R222 ein Modulationsgrad von 0 bis 50 % einstellbar sein.

Nf- Generator:
Röhre: ECF82
Der Nf- Generator liefert eine 1 kHz- Festfrequenz wahlweise zur Amplitudenmodulation des Hf-Generators und für Signalzuführungszwecke.

Abgleich:
Oszi mit Frequenzzähler an Hü 202 (Nf- Ausgang), Betriebsartenumschalter S201 auf Nf.
Die Frequenz des Tongenerators wird mit R215 auf 1kHz gestellt, die Amplitude soll am Ausgang Hü 202 nach Herstellerangaben bei voll aufgedrehtem Regler R222 1,5 Veff betragen. Die Amplitude wird mit R221 voreingestellt.
Bei Rechtsstellung des Betriebsartenschaltes S201 gelangt die Nf über die Hf- Sperre L201 ans Gitter von Rö203 und führt zu einer Amplitudenmodulation der Hf des Markengenerators, wobei der Modulationsgrad von der Höhe der Amplitude des Nf- Generators bestimmt wird. Bei einer Nf-Amplitude von 1,5 Veff entstanden aber ein Modulationsgrad von fast 100% und Modulationsverzerrungen.
Reduzieren der Nf-Amplitude auf 0,775 Veff (2,19 Vss)mit R221 (was für Signalzuführungszwecke ja ausreicht) ergab dann den erwünschten maximalen Modulationsgrad von ungefähr 50 %.
Die beiden Bilder zeigen die mit 1 kHz amplitudenmodulierte Ausgangsspannung des Hf-Generators mit etwa 30 % und 50 % Modulationsgrad.




Wobbler:
Röhren: EC92, ECC88, ECF82, ECF82








Nach Abgleich des Markengenerators kann die Nacheichung der Trägerfrequenz des Wobblers entsprechend Tabelle 1 auf Seite 10 der Bedienungsanleitung erfolgen. Die Abgleichreihenfolge ist, wie angegeben, einzuhalten.
Zunächst muss die Betriebsart "Wobbeln" eingestellt werden, dazu: - Kippgrobschalter S302 auf Linksanschlag = Wobbeln
- Betriebsartenschalter S201 in Mittelstellung = Hf unmoduliert
- Markenamplitudenregler R222 auf Rechtsanschlag = Maximum
- Regler Wobbelhub R142 auf Rechtsanschlag = Maximum
- Synchronisationsregler R329 auf Linksanschlag (50Hz)
Als Beispiel der Abgleich des Bereiches 7: 1. Drücken der Bereichstaste 7 des Markengenerators und des Wobblers.
2. Beide Skalen auf 11MHz einstellen.
Bei richtigem Abgleich würde die Frequenzmarke jetzt genau in der Mitte des Rasters, also in der Mitte des Wobbelbereiches liegen, bei leichtem Fehlabgleich neben der Mitte, bei grober Verstimmung des Wobblers wäre sie gar nicht sichtbar.


3. Zum Nachgleichen muss zuerst (siehe Tabelle 1) der Regler R123 auf Rechtsanschlag gebracht werden, dann kann mit C124 die Marke auf Rastermitte verschoben werden.
4. Jetzt beide Skalen auf 4,5MHz einstellen und mit R146 die Marke auf Rastermitte bringen.
Die Bereiche 8 und 9, sowie 1 bis 6 werden danach, wie in Tabelle 1 angegeben, abgeglichen.
Eine Überlegung dazu:
Die Wobbelfrequenz ist beim Selektografen unveränderlich 50Hz, d.h. die Trägerfrequenz des Wobblers wird mit 50Hz frequenzmoduliert, der Frequenzhub (Wobbelhub) ist aber mit R142 kontinuierlich einstellbar, etwa zwischen 7 % und nahezu 0, im Bereich 9 zwischen 1 % und 0.
Die Trägerfrequenz von beispielsweise 455 kHz durchläuft bei einem Wobbelhub von 7 % 50 mal pro Sekunde einen Wobbelbereich von etwa 423-487 kHz, bei einem Hub von 1 % 50 mal pro Sekunde einen Wobbelbereich von nur noch ca. 450-460 kHz.
Auf dem Oszillografenschirm sollen bei einem Wobbelhub von 7 % 2 cm links von der Rastermitte die Frequenz 423 kHz und 2 cm rechts von ihr 487 kHz abgebildet werden, bei 1 % Wobbelhub links 450 und rechts 460 kHz. Eine gewobbelte Bandfilterkurve und die Frequenzmarke erscheinen bei kleinerem Wobbelhub breiter, genauso läuft die Marke beim Verstellen der Skala bei kleinem Wobbelhub schneller durchs Bild.




Also: Der Abgleich ist umso genauer, je kleiner der Wobbelhub eingestellt ist!
Wobei aber, weil die Marke bei kleinem Wobbelhub "auseinandergezogen" wird, beim Abgleich mehr Fingerspitzengefühl erforderlich ist, um die Marke auf Rastermitte abzugleichen. Hilfreich ist hierbei, mit R222 die Markenamplitude zu verkleinern.

Die nächsten beiden Bilder zeigen die auseinandergezogene Frequenzmarke mit kleiner werdendem Wobbelhub.




Eine zweite Variante des Abgleichs der Trägerfrequenz des Wobblers: - Den Wobbelhub mit R142 auf Minimum einstellen, die Amplitude mit R 101 auf Maximum.
- Einen Frequenzzähler an Hü 102 anschliessen und dann nach Tabelle 1 abgleichen.
Abgleich des Wobbelhubes:
Nach Angaben des Herstellers soll der Wobbelhub in den Bereichen 1-8 ≥ 5 % sein und im Bereich 9 ≥ 1 %.
Man überprüft die Sache, indem man den Einstellregler Wobbelhub R142 auf Maximum stellt, die Frequenzmarke zunächst auf die Mitte des Rasters bringt und die Frequenz des Markengenerators abliest. Dann wird der Markengenerator soweit verstellt, bis die Marke zwei cm verschoben ist. Die Frequenz des Markengenerators wird jetzt erneut abgelesen. Die Zu- bzw. Abnahme der Frequenz in Prozent ausgedrückt ist der Wobbelhub. Mit den Reglern R126 bis R134 kann er nachgeeicht werden.

Die folgenden zwei Bilder zeigen Oszillogramme am Wobbelausgang 60 Ω, bei minimalem und maximalem Hub des Wobblers.




Zubehör
Vom umfangreichen Original-Zubehör waren nur noch das "Demodulatorkabel" und das "Anschlusskabel 60 Ω" vorhanden, deren unhandliche, weil dicke und verhärtete Koax-Zuführungskabel durch RG59 ersetzt wurden.
Gegebenenfalls fehlendes Zubehör kann man sich nach den Plänen auf Seite 17 und 18 der Bedienungsanleitung aber auch leicht selber herstellen.
Als Trafo 1 im "Anschlusskabel mit Antennenweiche" eignet sich ein kleiner 60/240 Ohm UKW-Anpassungsübertrager (Oppermann) und als "Messkabel für Oszillograf" z.B. RG59 mit zwei Krokodilklemmen.

Praktische Anwendungsbeispiele
1. Vorabgleich von Bandfiltern:
Die Vorgehensweise ist auf Seite 7 der Bedienungsanleitung beschrieben.
Man sieht in den folgenden vier Oszillogrammen den Vorabgleich eines 455 kHz-Bandfilters. Zunächst ein gut abgeglichenes Filter bei großem Wobbelhub, dann derselbe Abgleich bei kleinerem Hub und zwei Bilder eines fehlabgeglichenen Filters.








2. Ratiodetektor und Abgleich eines FM-Zf-Verstärkers:
Siehe auf Seite 8 der Bedienungsanleitung. Der Abgleich wurde an einem UKW-Empfänger mit dreistufigem Zf-Verstärker durchgeführt. Man erkennt auf dem ersten Schirmbild die Umwandlerkennlinie des Ratiodetektors und dann die Gesamt-10,7 MHz-Durchlasskuve des Zf-Verstärkers bis zum Gitter der Begrenzerröhre.

FM_Ratiodetektorkurve:


FM_Zf_Gesamtkurve 10,7 MHz:

Die Bandbreite der Durchlasskurve eines Bandfilters oder Zf- Verstärkers ergibt sich durch den Frequenzabstand der beiden Punkte auf der Durchlasskurve, in denen die Spannung auf den 0,707-fachen Wert der Resonanzspannung abgesunken ist.
Um die Bandbreite zu messen, wird die Höhe der Resonanzkurve mit R314 beispielsweise auf 3 cm eingestellt, die gesuchten Grenzfrequenzen liegen dann beim 0,707-fachen Wert, also bei 2,1 cm.
Diese beiden Punkte werden nacheinander mit dem Markengenerator aufgesucht und die jeweilige Frequenz auf der Skala abgelesen. Ihre Differenzfrequenz ist die gesuchte Bandbreite.
An steil abfallenden Flanken erscheint die Marke in die Länge gezogen und ihre Ablesegenauigkeit wird schlechter. Man muss genau hinsehen und die Mitte der Marke abschätzen. Die Schirmbilder zeigen die auf 2,1 cm Höhe liegenden Marken bei 10,6 und 10,8 MHz. Die Gesamtbandbreite des Zf-Verstärkers beträgt daher etwa 200 kHz.

FM-Gesamtkurve 10,6 MHz:


FM_Zf_Gesamtkurve 10,8 MHz:

Ratiodetektor:
Die fünf Bilder vermitteln einen Eindruck von der Durchlassbreite eines Ratiodetektors. Die Marke steht im oberen Knick bei 10,5 MHz, danach bei 10,6; 10,7, 10,8 MHz und im unteren Kennlinienknick bei 10,9 MHz. Die Marken 10,6 und 10,8 MHz liegen deutlich innerhalb des geraden Kennlinienteils, ein Frequenzhub größer als +/- 100 kHz wird also noch verzerrungsfrei übertragen.










Weitere Anwendungsgebiete des Sekektografen, wie der Abgleich von AM-Zf-Verstärkern, Oszillator und Vorkreis, sein Einsatz als Oszilloskop sowie bei der Signalzuführung und -verfolgung sind in der Betriebsanleitung ausführlich beschrieben und bedürfen hier keiner näheren Erläuterung.

Fazit
Wenn auch nicht unbedingt eine Schönheit, so ist der Selektograf doch von beachtlichem Gebrauchswert, seine Technik ist zuverlässig, noch überschau- und reparierbar und sein Preis heutzutage einfach zu niedrig.

Einen Gruss an alle Radio-Enthusiasten
Syke, Februar 2007
Ernst



Zurück zur Hauptseite