Der Kosmos - Radiomann mit der Röhre EF98 -
Der Aufbau # 112

Sämtliche auf dieser und den hierzu gehörenden Unterseiten gezeigten Fotos und Texte (auch auszugsweise) bedürfen, sollten sie an dritte weitergegeben werden, meiner ausdrücklichen Zustimmung.
Jegliche gewerbliche Nutzung wird hiermit untersagt.


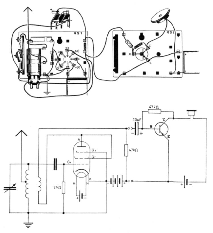
Diese Seite zeigt den aus dem Bauanleitungsheft in der Seite 78/79/80 beschrieben Aufbau eines Audionempfängers mit Rückkopplung und mit Transistor-Nachverstärker.



















Zurück zur Hauptseite