Ein Bericht über die Entwicklung eines Computer - Roe-Pruef-und-Messgeraetes
-von Helmut Weigl

Hinweis ! Diese Seite ist ausschliesslich nur für den privaten und nicht für den gewerblichen Gebrauch (z.B. Internet-Auktionen !) bestimmt. Es dürfen keine Fotos und Texte ohne meine vorherige Zustimmung verwendet werden !




Übersicht Bild 2
(Mit der Maustaste das Bild anklicken, es wird dann in voller Auflösung dargestellt.)


Vorwort
Bisher war ich nur im Besitz eines einfachen Leistungsprüfers mit dem nur eine sehr grobe Prüfung von Röhren möglich ist. Je mehr ich mich mit Röhren beschäftigte, desto größer wurde der Wunsch nach einem besseren Gerät. Leider sind diese Geräte nur zu einem hohen Preis zu haben.
In Ebay werden diese Geräte oft weit jenseits der 500,00 EUR Grenze verkauft. Spitzenreiter hinsichtlich des Preises scheinen die Funke - Röhrenprüfgeräte zu sein.
Mit dem Ende der Röhrenära war vor Jahrzehnten auch mit der Weiterentwicklung der Röhrenprüfgeräte Schluß. Die Preise sind mir für ein Röhrenprüfgerät - mit technischem Stand vor 40 Jahren - zu hoch (für einen Sammler von Röhrenprüfgeräten mag dies anders sein).
Also mußte ein selbstgebautes Gerät her, wobei wieder die Frage des "Wie" entstand. Einfach eines der alten Geräte nachbauen wäre zwar möglich, aber auf Grund der nicht mehr oder schwierig erhältlichen mechanischen Teile, wie kräftigen Stufenschaltern, Steckverteiler, Spezialtrafos, aufwendig und wohl auch teuer.
Nach langem Überlegen reifte mein Entschluß, etwas vernünftiges, modernes bauen zu wollen. - Nicht weil ich so ein Gerät unbedingt benötigen würde, sondern weil mich die Idee der Entwicklung reizte: Ein durch einen Computer gesteuertes Gerät, das einfachste Bedienung und universelle Nutzbarkeit und Meßmöglichkeiten vereinbart.

Das Konzept:

Das Gerät (nachstehend "RoeTest" genannt) soll folgende Eigenschaften haben: - Fadentest
- Kurzschlußtest
- Statische Daten (Emission, Steilheit, Durchgriff, Verstärkungsfaktor, Innenwiderstand)
- Kennlinien
- Vakuum
- Regeneriermodus
- manueller Modus (Spannungen per Hand wie bei einem herkömmlichen Gerät einstellbar)
- Prüfung von magischen Augen
- beliebige Sockelschaltung
- für möglichst große Anzahl von Röhrentypen geeignet
- Ausdruck eines Datenblattes mit Prüfdaten
- Speicherung der Röhrendaten in einer Datenbank
- Sicherheit für Computer (galvanische Trennung von Computer und Prüfgerät) Gerät(Kurzschluß), Röhren (überstrom) und Mensch (soweit möglich)
Wie soll das RoeTest grundsätzlich aussehen? Die Röhrendaten (Röhrenart, Sockelbelegung, Grenzwerte, Meßbedingungen, Sollwerte, etc.) werden Datenbanken gespeichert. Bei Messung werden die Daten zur jeweiligen Röhre aus den Datenbanken abgerufen. Die Software nimmt automatisch alle Einstellungen am Gerät vor (Sockelzuordnung zu den 6 "Schienen" Masse, Heizspannung, Anodenspannung, G1-, G2-, und G3-Spannung), steuert die Spannungen des RoeTest. Das Roetest liefert laufend Meßwerte über Spannungen und Ströme an den PC zurück, wo die Daten ausgewertet werden.
Um magische Augen prüfen zu können, gibt es einen Modus mit welchem die G2-Spannung über Widerstände an die Schienen (zuletzt Röhren) gelegt werden können. Des weiteren kann eine für den Durchgangstest zuständige Schaltung an die Schienen gelegt werden.

Für die Umsetzung der Grobidee kamen mir die verschiedensten Gedanken. Wie sollten mit den kleinen Spannungen des PCs die hohen Spannungen am RoeTest eingestellt werden? Ich spielte mit Gedanken wie motorgesteuerten Potis, motorgesteuerten Drehschaltern oder auch alten Drehwählern aus früherer Fernsprechtechnik u.a.
Im Endergebnis habe ich die Elektromechanik bis auf die zahlreichen Relais wieder verworfen und elektronische Lösungen bevorzugt.
Im RoeTest sind keine Röhren eingebaut. Die gesamte Schaltung ist mit moderner Halbleitertechnik aufgebaut.

Vorläufige Bilder vom (zu diesem Zeipunkt) noch nicht fertigen RoeTest (ohne Gehäuse) und Software:

Übersicht Bild 3

Übersicht Bild 4
(Mit der Maustaste das jeweilige Bild anklicken, es wird dann in voller Auflösung dargestellt.)



Die Umsetzung des RoeTest ist wie folgt:

Die Verbindung vom PC zum RoeTest:
Die Verbindung erfolgt über eine serielle Schnittstelle, und zwar eine Midi-Schnittstelle. Eine Schnittstelle für Musikinstrumente - ungewöhnlich? -> Richtig, aber für diesen Zweck ideal: - mit dieser Schnittstelle habe ich schon Programmiererfahrung
- die meisten PC-s haben eine Midi-Schnittstelle (manchmal auch als Joystick-Schnittstelle bezeichnet)
- falls nicht braucht nur eine (billig-) Soundkarte eingebaut werden.
- Midi-Schnittstellen wurden für galvanische Trennung über Optokoppler entwickelt (in einer Richtung im käuflichen Midi-Kabel für PC's, in der anderen Richtung im RoeTest).
- Midi-Schnittstellen sind zwar technisch veraltet und langsam, aber für diesen Verwendungszweck schneller als nötig
- Treibersoftware ist in Windows-Betriebssystemen bereits enthalten
- Nachteil: Die Datenbreite von nur 7 Bit erfordert eine Verteilung der Daten auf mehrere zu übertragende Bytes (für Software kein Problem).
Logik im Gerät:
Im RoeTest arbeitet ein Pic-Mikrocontroler 16F87x. Dieser empfängt die Signale vom PC und arbeitet die Befehle ab (Relais, D/A-Wandler). Gleichzeitig nimmt er die Messungen von 5 Spannungen und 3 Strömen vor (eingebaute A/D-Wandler) und sendet die Daten an den PC zurück.

Die Messungen:
Die hohen Spannungen werden zunächst mit simplen Spannungsteilern auf für 5-Volt-Logik ungefährliche Pegel vermindert, dann in einem Meßverstärker (Operationsverstärker) auf 0-5V Pegel gebracht und einem A/D-Wandler (10 Bit - im Pic) zugeführt. Die Strommessungen kommen ohne Spannungsteiler aus, brauchen aber einen Shunt-Widerstand in der Masseleitung von der Stromquelle zur Röhre.
Das Prinzip der Strommessung ist zwar einfach, benötigt aber diverse Stromquellen (= Trafowicklungen).

I²C-Bus:
Ein Mikrocontroler hat unmöglich die vielen Pins um die vielen Steuerfunktionen direkt schalten zu können. Ich habe im RoeTest die preiswerten I²C-Bus-IC's (Philips) verwendet. Über diese 2-Draht-Verbindung können I/O-Erweiterungen und D/A-Wandler angesteuert werden. Der Leitungsverbrauch hält sich so erträglich.

Schaltfunktionen:
Alle Schaltfunktionen erfolgen über Relais: 6 Schienen auf denen Spannungen (Masse, Heizspannung, Anodenspannung, G1-, G2-, und G3-Spannung) oder andere Funktionen (z.B. Durchgangsprüfer) über Relais zugeschaltet werden können. Auf diese Schienen können bis zu 10 Röhren-Pins beliebig zugeordnet werden. Die Zuordnung erfolgt mit Relais (6 x 10 = 60 Relais) und der dazugehörigen Ansteuerschaltung.

Alle Spannungen wie folgt gesteuert:
Über D/A-Wandler (sämtliche 8 Bit = 256 Stufen) wird eine Spannung von 0-5V erzeugt. Zur Verbesserung der Auflösung gibt es in den Bereichen Heizspannung (hier wird gleichzeitig zur Verlustleistungsbegrenzung die Eingangsspannung mit umgeschaltet) Anodenspannung und G1-Spannung umschaltbare Bereiche. Die Umschaltung der Bereiche erfolgt mit Relais. Die Spannung wird mit einem "Hochspannungs-Operationsverstärker" auf das erforderliche Spannungslevel (bis zu 306 V) verstärkt. Heiz-, Anoden- und G2-Spannungen werden über einen Leistungsteil geführt. G1- und G3-Spannungsquellen benötigen wegen der geringen Ströme keinen Leistungsteil.

Das Blockschaltbild läßt bereits die umfangreiche Schaltung erahnen:

Blockschaltbild
(Mit der Maustaste das Bild anklicken, es wird dann in voller Auflösung dargestellt.)


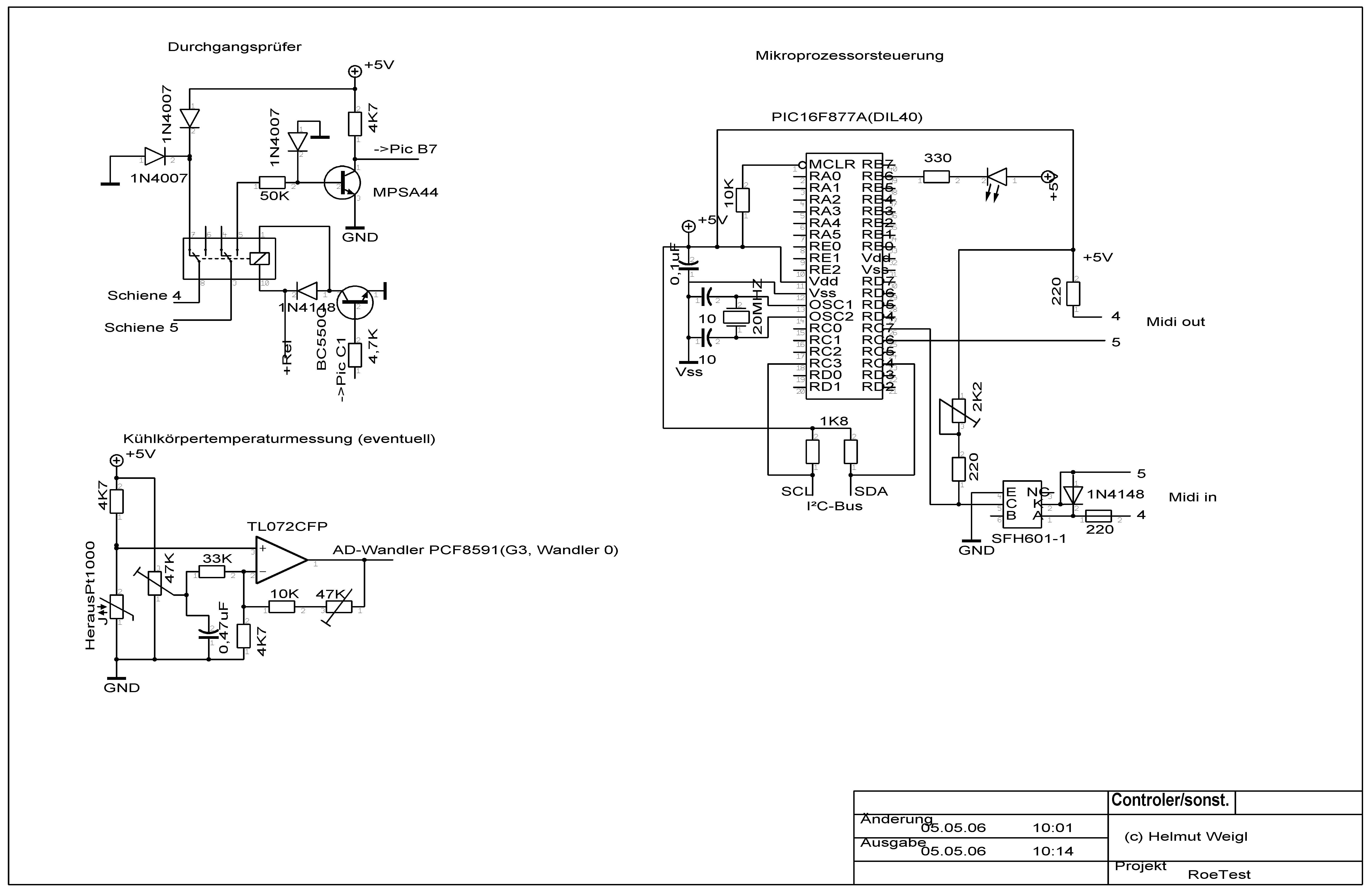
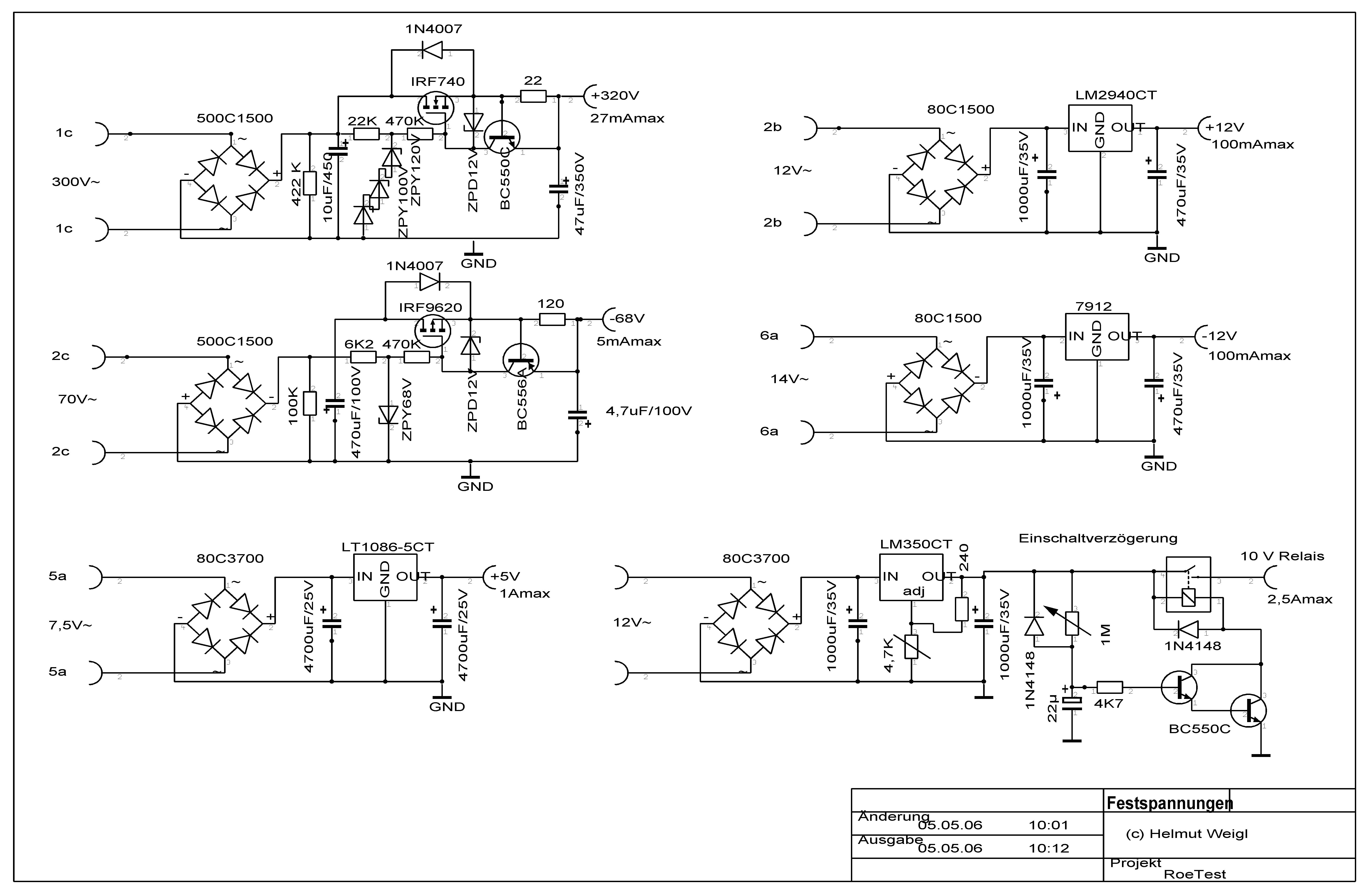
Nachstehend die Schaltpläne (Version Stand Mai/2006):

Schaltbild 1

Schaltbild 2

Schaltbild 3

Schaltbild 4

Schaltbild 5

Schaltbild 6

Schaltbild 7

Schaltbild 8
(Mit der Maustaste das jeweilige Schaltbild anklicken, es wird dann in voller Auflösung dargestellt.)

Details zu Schaltplänen:

Hochspannungsoperationsverstärker:


Um die von den D/A-Wandlern gelieferte Spannung von 0-5 Volt auf die gewünschten Spannungen (bis 306 V bei Anodenspannung) definiert zu verstärken, bietet sich ein Operationsverstärker an. Da mir kein (zumindest leicht erhältliches, billiges) Bauteil bekannt ist, habe ich mir meinen eigenen Hochspannungsoperationsverstärker gebaut.
Dazu benötigt man lediglich 3 Transistoren und 4 Widerstände.
Als Transistioren verwendete ich MPSA44 und 94. Die Widerstände wurden so bemessen, daß die maximalen Verlustleistung der Transistoren unterschritten werden. Je nach Einsatz von PNP/NPN Transistoren lassen sich OP's für positive oder negative Ausgangsspannung bauen (witzig?). Meine Hochspannungs-OP's können bis zu 400 Volt vertragen und arbeiten überraschend linear.

Die Hochspannungs-OP's arbeiten mit externer Beschaltung als Nicht-Invertierender- Verstärker. Der Gegenkopplungsgrad (Verstärkung) und Offset sind einstellbar und müssen abgeglichen werden (folgt).
Die Versorgungsspannungen der Hochspannungs-OP's sind unsymmetrisch: Für die "positiven" OP's (Heizung, Anodenspannung, Schirmgitterspannung) + 320 V/-12V, für die "negativen" OP's (G1-Spannung und G3-Spannung) -68/+12V. Wichtig ist eine stabile Stromversorgung. Bei Anodenspannung, Heizspannung und G1-Spannung gibt es umschaltbare Bereiche. Mittels Relais werden einfach die Gegenkopplungs- und Offsetwiderstände/Potis umgeschaltet.

Bei den negativen Spannungsbereichen für G1 und G3 wird zwischen dem positiven Ausgangssignal der D/A-Wandler und dem Hochspannungs-OP einfach eine Inverterstufe mittels einem normalen OP geschaltet (aus + mach -).

Leistungsteil:
Die hohen Ströme für Anodenspannung, Schirmgitterspannung und Heizspannung benötigen einen Leistungsnachbrenner. Dieser besteht aus einer einfachen, bewährten Schaltung mit Mosfet (IRF740) und bipolarem Transistor als Kurzschlußschutz, sowie einigen Schutzdioden. Die Widerstände für die Strombegrenzung sind auszuprobieren, da diese etwas bauteileabhängig sind (max. Strom ist etwas höher als der geforderte Strom im Regelbetrieb). Durch die Strombegrenzung - in Verbindung mit großem Kühlkörper - werden die Spannungsversorgungen dauerkurzschlußfest.

Relaistreiber:
Die Relais werden über einheitliche Treiber aus Transistor, Vorwiderstand und Schutzdiode angesteuert. Der diskrete Aufbau ist preiswert. Zudem können die Treiber direkt bei den einzelnen Relais positioniert werden. Spezielle Treiber IC's würden keinen Vorteil bringen.

Die Relaistreiber für Pin-Relais (Relais-Matrix - Schienen) werden über I²C-IC's angesteuert. Für Pin 1-8 werden PCF8574's und für 9-10 PCF8574A's eingesetzt. Die IC's unterscheiden sich lediglich in der I/O-Adresse (mit 3 externen Adresspins sind nur bis zu 8 gleiche IC's an einem Bus anzuschließen, deshalb 2 verschiedene IC's).

Alle anderen Relaistreiber werden direkt über I/O-Pins des PIC-Controlers gesteuert.

Fest-Spannungsversorgungen:
Soweit die Festspannungen in normalen, niedrigen Bereichen liegen, werden die normalen 3-Bein-Spannungsregler verwendet. Diese sind von Haus aus kurzschlußfest. Für höhere Festspannungen wird wieder die bewährte Konstruktion mit Mosfest + Transistorkurzschlußschutz verwendet. Für die Relais-Spannungsversorgung ist noch eine Einschaltverzögerung vorgesehen. Diese wurde nachträglich auf noch freies Lochraster der Relais-Platine aufgebaut, nachdem sich zeigte, daß die Pin-Relais beim Einschalten des Geräts alle gleichzeitig einschalteten (Abschalten mit Software dauert etwas). Dies hätte die Stromversorgung überbeansprucht.

Auf Grund der vielen unabhängigen Spannungen sind diverse Trafowicklungen erforderlich. Dies war bei Beginn des Projekts noch nicht absehbar. Zu Beginn des Projekts ließ ich mir einen Spezial-Trafo wickeln. Zwischenzeitlich erfolgten mehrere Änderungen, sodaß zusätzliche Wicklungen benötigt wurden. Im Gerät sind nun 4 Trafos eingebaut.
Dabei verwendete ich, was ich gerade verfügbar hatte (einen speziell gewickelten Trafo, einen Trafo aus einer alten Radio-Leiche, einen selbst umgewickelten Trafo und einen vorhandenen Ringkern-Trafo).
Zu den Trafos und Spannungen habe ich nachstehende Tabelle angelegt:

Tabelle
(Mit der Maustaste das Bild anklicken, es wird dann in voller Auflösung dargestellt.)

Mechanischer Aufbau:
Die Schaltung ist insgesamt sehr umfangreich. Da das Gerät einigermaßen kompakt werden sollte, und die vielen kleinen Bauteile für eine Handverdrahtung ungeeignet sind, entschied ich mich für den Aufbau auf Platinen. Die Schaltung fand - mit Ausnahme der Trafos - auf 2 (einseitigen) Platinen im Format 21 x 30 cm (ca. A4) platz.

Platine 1 (Relaisplatine):
Mikrocontrolersteuerung, Midi-Schnittstelle, Netzteil für 5V-Versorgung, Relaismatrix mit Ansteuerung, Durchgangsprüferschaltung

Platine 2 (Hauptplatine):
5 steuerbare Netzteile, restliche Festspannungen, Meßschaltungen, incl. aller notwendigen Bereichsumschaltungen, Vaakumrelais ...

Teilweise sind die Bauteile ziemlich gedrängt. Man sieht - vor allem meiner Hauptplatine - deutlich an, daß es sich um einen Prototyp handelt:

Wegen der einfacheren Fertigung wurden nur einseitige Platinen hergestellt. Von vorne herein waren etliche Drahtverbindungen vorgesehen. Diese Vorgehensweise ist für den Selberbauer eher ein Vorteil (niedrigerer Entwicklungsaufwand) eine beidseitige Platine wäre auch auf Grund der engen Bestückung und der Gefahr von Signalverkopplungen schwierig.

Nach Fertigstellung der Platinen gab es noch zahlreiche Schaltungsänderungen. Dies erforderte weitere Brücken, durchgetrennte Leiterbahnen, frei hängende Bauteile.

Die 5 steuerbaren Netzteile sind im Prinzip ähnlich aufgebaut und unterscheiden sich nur in wenigen Details wie z.B. die Anzahl der umschaltbaren Bereiche (Spannungserzeugungs- und Meßbereiche). Ich habe deshalb die Layouts ähnlich gestaltet und nur die notwendigen Bauteile bestückt, bzw. weggelassen. Auf diese Weise bleibe ich flexibel, falls sich herausstellen sollte, daß ich später Erweiterungen der umschaltbaren Bereiche benötigen würde (z.B. zweiter Bereich für Schirmgitterstrommessung).

Die beiden Platinen werden übereinander eingebaut. Aus Gründen der Wartungsfreundlichkeit ist die obere Platine an einem mit Scharnieren aufgehängten Rahmen befestigt. Dieser kann einfach aufklappt werden. Man kann so leicht an Ober- und Unterseite beider Platinen heran. Alle Potis für Abgleicharbeiten sind von unten erreichbar nach Abnahme des Gehäusebodens.
Die Trafos (Hauptgewicht) kommen nach unten, der Kühlkörper nach oben. Oben wird außerdem ein Tragegriff befestigt. Das Gerät kann liegend und stehend benutzt werden.

Dies alles erkennt man in der Fotosereie im unten anhängenen Link.

Die Frontplatte:
Während meiner monatelangen Entwicklungsphase habe ich an Röhrenfassungen gesammelt, was ich auftreiben konnte. Mit den eingebauten Fassungen dürfte mein Bedarf vorerst gedeckt sein. Sollte ich später zusätzlche Röhrenfassungen benötigen wäre genügend Erweiterungsfläche vorhanden. Für alle Fälle habe ich die 10-Röhren-Pins zusätzlich an Bananenbuchsen herausgeführt. Diese können vielfältig verwendet werden, z.B.: - Anschluß von Meßgeräten (für Abgleich)
- Verwendung des RoeTest als Labor-Netzgerät
- Anschluß von Röhren für die keine Fassung eingebaut ist
- Anschluß zusätzlicher Bauteile (z.B. Abblockkondensatoren bei sehr steilen Röhren)
Die Kabelverbindungen zur Frontplatte sind steckbar, so daß im Falle der Erweiterung diese einfach abgenommen und bearbeitet werden kann.

Als Material für Frontplatte und Boden habe ich Stahlblech genommen (war im früheren Leben das Gehäuse einer Waschmaschine - als Bastler nimmt man eben was gerade verfügbar ist). Das Stahlblech wurde gebohrt und lackiert mit Felgensilber aus der Spraydose (hat sich bei mir schon öfter für diesen Zweck bewährt). Sämtliche Schrauben auf der Frontplatte sind aus Edelstahl. Diese sind auch später noch schön. Mit verzinkten Schrauben hatte ich bei früheren Projekten nur Probleme. Nach ständigem Anfassen mit schwitzigen Händen würden diese bald häßlich aussehen.

Zur Unterdrückung von Schwingneigung ist eine Abschirmung der Verbindungen zu den Röhrenfassungen unbedingt erforderlich. Ich löste diese wie folgt: - Aufschrauben von Alu-Schienen
- jeweils eine Leitung verlegt (alle Fassungen mit Stift 1 verbunden)
- Alu-Haushaltsfolie über die Leitung geklebt
- nächste Leitung ...
Die Alufolien müssen alle Kontakt zum Gehäuse haben und sicher befestigt sein. Diese würden Kurzschlüsse verursache, falls sie Leitungen berühren, oder auf andere Bauteile herunterfallen würden.

Zum Aufbau nachfolgende Bilder im Zip-Format (es sind sehr viele!): Bilder.zip (ca. 11 MByte !!)

Die Software:
Die Software besteht aus mehreren Teilen. - Datenbank(en)
- Auswerte und Steuersoftware für PC (Windows)
- Software für Pic-Mikrocontroler
1. Datenbanken
Da man ja nicht jedes Rad wieder neu erfinden muß, habe ich für die Datenhaltung ein fertiges Datenbankprogramm verwendet, daß sich für andere Zwecke bereits jahrelang bewährt hat. Ich verwendete die nach meiner Meinung hervorragende Anwendung Approach aus dem Lotus-Smart-Suite-Paket. Die Anwendung ist sehr leistungsstark, vielseitig und gleichzeitig benutzerfreundlich und kann ich auch für andere Datenbankanwendungen aller Art weiterempfehlen. Die Software lag in der Vergangenheit vielen Neu-PC's kostenlos bei, ist aber auch gebraucht - z.B. in ebay - preiswert (um ca. 5 Euro) zu erhalten. Wem die vielen eingebauten Möglichkeiten immer noch nicht ausreichen, kann die in den Lotus-Produkten eingebaute Script-Sprache (Basic-Dialekt) für fast unbeschränkte Möglichkeiten nutzen.
Ich verwende die nicht mehr aktuelle Version 9.5, die angeblich nicht ganz kompatibel zur neuesten Windows-Version sein soll.
Ich habe jedoch noch keine Probleme festgestellt - zumindest bin ich, obwohl ich Approch sehr intensiv benutze, nicht an die Grenzen gestoßen. Der Warnhinweis bei der Installation kann getrost vernachlässigt werden.

Zur Datenverwaltung habe ich 5 verknüpfte Datenbanken angelegt: - RoeSockel - Röhrensockel (Bilder und Bezeichnungen)
- RoeArt - Röhrenart (Pinbezeichnungen, erlaubte Prüfungen ...)
- RoehrenB - Röhrenbestand (meine Bestandsverwaltung)
- RoeTest - Roehrendaten (die Daten zur Röhre - ähnlich einer Röhrentabelle)
- Regeneri - Regenerierdaten
Im heutigen Zeitalter ist es für Hobbyisten sehr einfach geworden an Röhrendaten zu kommen. Neben preiswert erhältlichen Röhrendatenbüchern ist vor allem das Internet eine kostenlose und unerschöpfliche Quelle geworden.
An dieser Stelle möchte ich allen unermüdlichen Enthusiasten danken, die ihr Wissen anderen zur Verfügung stellen. Ich bin gegen die fortschreitende Kommerzialisierung aller Lebensbereiche. Wissen sollte für alle kostenlos bleiben.

Leider habe ich keine maschinenlesbare Datenquelle gefunden. Alle gefundenen Internetseiten stellen die Daten entweder als gescannte pdf-Datei zur Verfügung oder bieten die Daten in html-Seiten an. Für den Menschen ist es kein Problem, die Daten zu interpretieren. Die dumme Maschine Computer kann dies nicht. Für den Computer sind die Daten erst in eine lesbare, geordnete Art in Form von Datenfeldern zu bringen. Die Röhrendaten mußte und muß ich leider von Hand erfassen. Derzeit habe ich die Daten von etwa 180 Röhren erfaßt (überwiegend orientiert an meinem Bedarf). Zum Glück müssen die Daten für jede Röhre nur einmal erfaßt werden und dann nie mehr.
Bei meinem alten Leistungsprüfer mußte ich jedesmal nachschlagen.

Fotos von den Datenbanken:












Die Datenbanken stelle ich hier zur weiteren - privaten - Verwendung zur Verfügung. Ich behalte mir alle Rechte ausdrücklich vor. Eine gewerbliche Verwendung mache ich von meiner ausdrücklichen Zustimmung abhängig. Die Datenbanken dürfen weitergegeben werden, wenn diese hinsichtlich der Datenstruktur und meines Copyright-Vermerkes nicht verändert werden.
Eine Haftung für Richtigkeit der Daten oder Folgeschäden lehne ich ausdrücklich ab.

Hinweis auf fremde Rechte:
In der Sockeldatenbank sind Bilder der Sockel enthalten. Diese habe ich für meine Zwecke aus der Internetseite des Herrn Franz Hamberger geladen u. tlw. bearbeitet. Die Daten dürfen, nach den Bedingungen des Herrn Hamberger, für private Zwecke verwendet werden. Herr Hamberger hat mir die Erlaubnis erteilt, die Sockelbilder in meinem Projekt zu verwenden.
Weiterer Hinweis: Ich würde mich freuen, wenn sich Nutzer fänden, die mir ihre eingepflegten Röhrendaten übersenden würden. In diesem Falle könnte ich die Daten zusammenführen und allen Nutzern wieder zur Verfügung stellen.

Die Datenbanken funktionieren wegen gegenseitiger Verknüpfungen nur, wenn sie - alle - in ein gemeinsames Verzeichnis kopiert werden (und natürlich Lotus-Approach installiert ist).

Datenbankdateien zum download (in einem Zip-File) :
  • RoeTest.dbf
  • RoeTest.apr
  • RoeTest.adx

  • RoeArt.dbf
  • RoeArt.apr
  • RoeArt.adx

  • RoeSockel.dbf
  • RoeSockel.apr
  • RoeSockel.adx
  • RoeSockel.dbt

  • Regeneri.dbf
  • Regeneri.apr
  • Regeneri.adx

  • RoehrenB.dbf
  • RoehrenB.apr
  • RoehrenB.dbt

  • roetest.su
  • Und hier das Zip-File mit den Datenbankdateien

    2. Auswerte und Steuersoftware für PC (Windows)
    Die Windows-Software schrieb ich mit C++Builder. Dieses moderne Tool vereinfacht die grafische Gestaltung, durch die Einbindung beliebiger Komponenten, erheblich.

    Nach dem Programmstart erscheint das Hauptfenster. Oben befinden sich die virtuellen Meßinstrumente (je nach Zweck unterschiedlich am Bildschirm bezeichnet - bei Magischen Augen ist beispielsweise ist das Instrument anstelle mit "Anodenspannung" mit "Leuchtschirm" bezeichnet): - Heizspannung
    - Heizstrom
    - Anodenspannung
    - Anodenstrom
    - G2-Spannung
    - G2-Strom
    - G1-Spannung
    - G3-Spannung
    Die Zeigerinstrumente dienen hauptsächlich zur Erkennung der Tendenz, während die darunter liegenden digitalen Anzeigen ein leichtes Lesen des Meßwertes ermöglichen.

    Im linken Bereich befinden sich die Röhrendaten (Pin-Belegung, Heizspannung, -Strom, Grenzwerte, Vorgabedaten für Messungen) die aus den Datenbanken gelesen werden (aus Platzgründen scrollbar). In den Karteikarten im mittleren Bereich erfolgen alle Ausgaben von Meldungen und Meßergebnissen/Kennlinien. Im rechten Bereich befinden sich Schaltflächen zum Aufruf aller Funktionen.

    Verschiedene Bilder vom Hauptbildschirm






    Die Messung gestaltet sich einfach: - Röhrendaten laden
    - Röhre einsetzen
    - gewünschten Button drücken (Fadentest, Kurzschlußtest, statische Daten, Kennlinien)
    - warten bis Röhre aufgeheizt ist (Heizung wird für Softanlauf langsam hochgeregelt)
    - Messung starten.
    Per Software sind verschiedene Fehlerroutinen eingebaut. Wird beispielsweise einer der Meßströme über einen festgelegten Wert - abhängig nach Röhre - überschritten, erfolgt ein Abbruch.

    Die Meßergebnisse lassen sich in einem Prüfprotokoll ausdrucken oder mit PDF-Druckertreiber als PDF-Datei speichern. Außerdem können die Meßdaten gespeichert und wieder geladen werden. Dies ist erforderlich wenn z.B. Kennlinien verschiedener Röhren verglichen werden sollen.

    Wenn wir beim Vergleichen sind:
    In einem Auswertefenster können bis zu 5 beliebige Kennlinien miteinander verglichen werden. Dies können z.B. 2 verschiedene Röhren, oder auch die Systeme einer Röhre (z.B. Doppeltrioden, siehe die drei Fotos weiter oben, am Beispiel einer ECC85) sein. Natürlich macht es nur Sinn, gleichartige Kennlinien zu vergleichen.

    Kennlinien vergleichen:


    Als kleine Spielerei kann man auch noch den Klirrfaktor bei einem bestimmten Arbeitsbereich rechnen lassen (hier bei einer EF80):


    Neben der automatischen Messung gibt es auch einen manuellen Modus. Hier können alle Spannung per Schieberegler manuell eingestellt werden. In diesem Modus werden auch Magische Augen geprüft. Hier kommt es nicht auf die Messung von irgendwelchen Strömen an, sondern darauf, was das menschliche Auge sieht (Leuchtkraft, Steuerwirkung). Übrigens stellt sich das RoeTest durch die Röhrenart "Mag.Auge" von selbst um (Einschaltung von Widerständen von 470 KOhm in die Anodenzuleitungen der Triodensysteme). Im manuellen Modus gibt es natürlich keine Automatik, folglich auch keinen Softanlauf, oder Abschaltung bei Überströmen.


    Zur Erleichterung von Einstellarbeiten und für Hardwaretests gibt es verschiedene Hilfsfunkionen in eigenen Bildschirmfenstern.

    Später habe ich noch einen Regeneriermodus geplant, der in Teilen schon programmiert ist. Hier soll eine halbautomatische Regenerierung von Röhren ermöglicht werden. Die Regenerierung wird nach den von Herrn Erb in "Radios von Gestern" beschriebenen Verfahren durchgeführt (dort nachzulesen). Während der Regenerierung wird der Anodenstrom im Zeitverlauf grafisch mitgeschrieben ... dies ist nur eine Zukunftsplanung. Um diese Funktion zu verwirklichen benötige ich erst wieder etwas Zeit und vor allem noch eine größere Menge regenerierfähiger Röhren.

    3. Software für Pic-Mikrocontroler
    Der Pic-Mikrocontroler 16F877 übernimmt die komplette Steuerung des RoeTest. Die Software empfängt dazu die Midi-Befehle vom Windows-PC und führt die Befehle aus. Dies wären z.B.: - Relais ein- und ausschalten
    - Spannungen für die gesteuerten Netzteile setzen
    - Bereichsumschaltungen
    - Durchgangsprüfung
    - Pinzuordnung schalten
    - Einschaltung von Anodenwiderständen bei Mag.Augen
    Daneben frägt der Mikrocontroler laufend die 8 A/D-Wandler-Kanäle ab (Spannungs- und Strommessungen) und sendet die Daten als verschlüsselte Midi-Daten an den PC zurück. Meßbereichsumschaltungen (Auto-Range) führt der Pic selbständig durch.

    Immer wenn Spannungen an den Röhrenfassungen anliegen, blinkt per Software eine LED als Warnhinweis.

    Der Pic-Mikrocontroller ist trotz der Taktfrequenz von nur 20 MHz so leistungsfähig, daß er nur gering ausgelastet wird. Er muß sogar gebremst werden, damit er den PC (Pentium IV, 3 GHz) nicht mit zu schnellen Midi-Daten überfordert.

    Probleme, Hindernisse, Schwierigkeiten:
    Hürden gab es genügend. Neben alltäglichen Problemen auf Grund der umfangreichen Schaltung, wie Fehler im Platinenlayout, falsche Bestückung, Kurzschlüsse und Unterbrechungen, waren viele weitere Probleme zu überwinden.
    Im Gerät kommen sowohl hohe Spannungen (z.B. Anodenspannung - vor Regelung 350 V), hohe Ströme (Heizstrom bis 4 A, Ströme für Relais), als auch Spannungen im Mikrovoltbereich (Messspannungen) und Milliamperebereich vor. Alles war kompakt unterzubringen.
    Neben ausreichend dimensionierten Leiterbahnbreiten und ausreichenden Abständen der Leiterbahnen, waren diese so zu verlegen, daß sich die Ströme/Spannungen nicht gegenseitig störten.

    Ganz wichtig wurde in diesem Zusammenhang die Masseführung. Auch die Verbindung zwischen den 2 Platinen (Hochspannungssteckverbinder und ein 40-poliger Steckverbinder aus der Computertechnik - Festplattenkabel). Anfänglich führte ich eine gemeinsame Masse von Platine 1 zu Platine 2. Die Spannungsabfälle über die Masseleitungen verursachten im ersten Aufbau Meßfehler (Relaisströme ließen Zeiger mehr oder weniger ausschlagen).
    Die Lösung war eine getrennte Masseführung für die Relaisströme, sowohl über ein eigenes Verbindungskabel zu Platine 1, als auch innerhalb der Platine 2. Alle Masseverbindungen der Relais auf Platine 2 wurden aufgetrennt und mit Drahtverbindungen neu verlegt. Es war ein hartes Stück Arbeit, bis alle Spannungen/Ströme/Messungen wirklich unabhängig waren.

    Ein weiteres großes Problem war die Temperaturdrift. Die Schaltungen wurden so optimiert, daß möglichst wenig Wärme erzeugt wird. Die Verlustleistung der gesteuerten Netzteile wird an einem aussenliegenden Kühlkörper abgeführt. Die Mosfet's sind deshalb nicht direkt auf die Platine eingelötet, sondern über kurze Kabel am Kühlkörper befestigt.
    Die Stabilisierung der Spannungen für Offsetabgleich der gesteuerten Netzteile erfolgt durch temperaturkompensierte Zenerdioden, und zwar separat je gesteuertem Netzteil. Vor dem genauen Messen und Abgleich sollte die Schaltung erst einige Zeit warm laufen. Außerdem sollte das RoeTest nur bei Zimmertemperatur betrieben werden (= Normalfall).

    Die Versorgungsspannung müssen absolut stabil sein, um die 10-Bit-A/D-Wandler auch ausnutzen zu können und keine Messfehler zu produzieren. Aus diesem Grunde ist für die 5-Volt-Versorgung des Pic's, die auch als Referenzspanung für die A/D-Wandler dient, unbedingt ein Präzisions-Spannungswandler einzusetzen. Auch an den anderen Spannungswandlern sollte nicht gespart werden.

    Um eine hohe Spannungskonstanz für die höheren, diskret aufgebauten Festspannungen zu erreichen, wurden die Zenerspannungsstabilisierungen mit niedrigen Strömen (= wenig Erwärmung) realisiert, und außerdem ein separater Trafo eingebaut (die Belastungen der anderen Trafowicklungen hätten Spannungsabfälle produziert, die durch die Zenerdioden nicht voll ausgeregelt würden).

    Der zuerst mit Hardware realisierte Offset-Abgleich für die als Messverstärker dienenden OP's wurde wieder verworfen (Temperaturdrift) und anstelle dessen eine Software-Offset-Kompensation verwirklicht.

    Natürlich gab es auch Rückschläge. Durch selbst verursachte Kurzschlüsse während des Experimentierens wurden mehrmals etliche Bauteile abgebrannt (zum Glück ist der PC über die Midi-Schnittstelle galvanisch getrennt).

    Zum verzweifeln brachte mich auch die anfangs unbemerkte Schwingneigung. Neben Messfehlern verursachten wilde Schwingungen auch Ausfälle bei den Mos-FETs und den Strombegrenzungs-Transistoren. Erst nach einigen Rätseln stellte ich Schwingungen mit dem Oszilloskop fest. Wilde Schwingungen traten vor allem bei steilen Röhren und hohen Anodenströmen auf. Schuld sind die langen Leitungen von den Spannungsquellen über die Relais bis zu den vielen Röhrenfassungen. Die Anodenspannung/Schirmgitterspannung koppelte auf die Gitter zurück.
    Ein Versuch mit Feritperlen brachte keine Besserung. Nach vielem Probieren konnte ich die Schwingungen mit folgenden Maßnahmen in den Griff bekommen: a) Abschirmung
    - Metallgehäuse
    - konsequente Abschirmung der Gitterzuleitungen:
    . abgeschirmtes Kabel auf der Platine bis zum Steckverbinder.
    . Der Steckverbinder wird so beschaltet, daß die empfindlichste Leitung - G1 - am weitesten von der Anodenspannung entfernt ist und durch die dazwischenliegende Masseleitung abgeschirmt wird.
    . Verbindungskabel zur Platine 2 für die Gitterzuleitungen geschirmt.
    . Relaisschienen wieder wie die Steckverbindung angeordnet - Reihenfolge der Schienen: G1, Masse, G3, Heizung, Schirmgitter, Anode.
    . Zuleitung von Platine 2 zu den Röhrenfassungen sämtliche abgeschirmt.
    . Schirmung der Zuleitungen zu den Fassungen mit Alufolie.

    b) Abblockung der Spannungen mit Kondensatoren (da nur Gleichspannungen verwendet werden, ist dies problemlos möglich):
    - An die Unterseite der 10 Bananenstecker auf der Frontplatte wurden C's mit jeweils 470 pF (Keramik) gegen Masse gelötet.
    - An den Eingang der Leitungen G1 und G3 an die Platine 2 wurden jeweils Kondensatoren (X2) mit 0,22 uF gelötet.
    Selbst bei der steilsten Röhre meines Bestandes (EF184) trat jetzt kein Schwingen mehr auf.

    Trafos: Der eigens für mich hergestellte Netztrafo hielt bezüglich der Heizspannung die von mir geforderten Spezifikationen nicht ein. Bei Belastung sank die Spannung zu weit ab (bei 1,8 A nur noch 12 V , bei niedrigeren Spannungen ist ein höherer Strom möglich). Um die Heizspannung absolut stabil zu halten, habe ich eine Software-Nachregelung realisiert - der Heizstrom ist jetzt lastunabhänig.
    Derzeit verzichte ich auf ein Auswechseln des teueren Trafos, da der Heizstrom noch ausreicht (bei 12 V Heizspannung benötigte ich bisher keinen höheren Strom).
    Nichts was nicht auch Vorteile hätte: Die einbrechende Trafospannung nimmt einen Teil der Verlustleistung vom Mosfet weg.

    Im Nachhinein kann ich behaupten, daß eigentlich alles, was schief gehen kann, auch schief ging!

    Kompromisse:
    Wie überall im Leben gibt es Kompromisse. Wünschenswert wären Spannungen mit mehreren Tausend Volt und Ströme im 100-Ampere-Bereich um alle Arten von Röhren abdecken zu können. Die von mir getroffenen Entscheidungen bezüglich der Messspannungen und -ströme und des Bauteileaufwands sind ein sinnvoller Kompromiß, mit dem die meißten üblichen Röhren gemessen werden können.
    Als weitere Einschränkung gilt: Mein Gerät arbeitet ausschließlich mit Gleichspannungen/-Strömen, auch für die Heizung. Problem sind hier die direkt geheizten Wechselstrom-Röhren mit Gitter (Gleichrichterröhren sind kein Problem). Ein Vergleich mit den Herstellerdaten bei Wechselstromheizung ist nicht möglich. Die effektive Heizleistung spielt keine Rolle, da diese bei Wechsel- und Gleichstromheizung keine Unterschiede macht. Problem ist hier der unterschiedliche Bezug des Potentials des Gitters auf die Masse.
    Die genauen Auswirkungen konnte ich in keiner mir zugänglichen Literatur finden. Es wäre sicherlich interessant, falls jemand Versuche mit Gleich- und Wechselstromheizung machen würde (welche Abweichungen der Kennlinien gibt es; gibt es bestimmte Gesetzmäßigkeiten; wäre eine Umrechnung zwischen Wechsel- und Gleichstromheizung möglich?).
    Auch wird die Kurzschlußprüfung im RoeTest derzeit nur im unbeheizten Zustand durchgeführt. Eine spätere Erweiterung ist wünschenswert.

    Ungenauigkeiten:
    Bei käuflichen Geräten - gleich welcher Art - kann man selten etwas über Ungenauigkeiten, Nachteile oder Unzulänglichkeiten lesen. In den Werbeprospekten werden immer nur die Vorteile des Produkts hervorgehoben. Dabei weiß jeder, daß die glänzenden Prospekte oft nicht das halten, was sie versprechen (... ich traue keiner Werbung).
    Nur wenn man die genauen Probleme kennt, kann man diese auch bei der Interpretation der Meßergebnisse berücksichtigen. Aus diesem Grunde nun zu den Ungenauigkeiten:

    In vielen Vergleichen zwischen Röhren- und Transistortechnik wird davon gesprochen, daß Halbleiter viel linearer als Röhren seien - von wegen!! Auch Halbleiter sind nicht immer linear. Das größte Problem sind die MOS-Fet's. Im unteren Teil der Kennlinie ergibt sich eine deutliche Krümmung, die ähnlich wie eine Röhren - Kennlinie aussieht. Bei kleinen Spannungseinstellungen wirkt sich diese Nichtlinearität deutlich aus. Trotz Abgleich bleibt eine Ungenauigkeit bei kleinen Spannungen.

    Beim Abgleich wird - ähnlich wie beim Abgleich von Empfängern an zwei Abgleichpunkten - wie folgt vorgegangen: z.B. Anodenspannungsbereich 300 Volt (Testmodus, Software-Offsetkompensation aus): - Schieberegler auf 300 V, mit Poti auf 300 V am Ausgang abgleichen
    - Schiebepoti auf 50 V, mit Poti auf 50 V am Ausgang abgleichen
    Die Einstellungen so lange wiederholen, bis ein ausreichender Gleichlauf erfolgt.

    Nächster Anodenspannungsbereich 50 Volt: - Schieberegler auf 50 Volt, mit Poti auf 50 Volt am Ausgang abgleichen
    - Schieberegler auf 12 Volt, mit Poti auf 12 Volt am Ausgang abgleichen
    Die Einstellungen so lange wiederholen, bis ausreichender Gleichlauf erfolgt.

    -> Ergebnis des Abgleichs: - der obere Spannungsbereich von 50-300 Volt ist weitgehend linear
    - der untere Spannungsbereich ist ab ca. 6 Volt bis 50 Volt ausreichend linear (bei der wichtigen Spannung von 12 Volt stimmt diese auf Grund des Abgleichs ganz genau). Eine niedrigere Anodenspannung wird kaum benötigt. Falls doch, kann im "manuellen Modus" die Ausgangsspannung genau eingestellt werden. Ähnlich erfolgen die Abgleiche für Schirmgitter- und Heizspannung (Heizspannung->Softwarenachregelung).
    Bei G1- und G3-Spannungen gibt es keine Mos-Fet-Leistungsnachbrenner und auch keine Belastung. Diese Spannungen werden äußerst genau eingehalten.

    Daneben gibt es natürlich auch weitere Bauteiletoleranzen, die die Genauigkeit beeinflussen, Beispiel: Für die verwendeten I²C-Bus-D/A-Wandler gibt der Hersteller im Datenblatt eine max. Abweichung von 0,5% an.
    Digitale Ungenauigkeit:
    Die gesteuerten Netzteile arbeiten mit einer Auflösung von 8 Bit. Dies sind 256 Stufen. Bei einer Anodenspannung von 306 V entspricht dies einer Auflösung von 1,2V. Möchte man z.B. eine Spannung von 250 Volt einstellen, kann stattdessen entweder 249,6 oder 250,8 Volt eingestellt werden (das RoeTest verwendet den nächstliegenden Wert, also 249,6 Volt). Die digitale Abweichung kann also maximal die Hälfte der Auflösung betragen (hier 0,16%). Bei den wichtigsten Spannungsbereichen (Heizung, Anodenspannung und G1-Spannung) gibt es deshalb einen zweiten Spannungsbereich mit besserer Auflösung (z.B. G1-Spannung 0-51 Volt - Auflösung 0,2 Volt, 0-5,1 Volt - Auflösung 0,02 Volt).

    Eine weitere Beschränkung findet sich in der Auflösung der Meßbereiche. Man sollte die Kennlinien nicht mit dem Lineal nachmessen. Insbesondere bei Kennlinien mit niedrigen Strömen (Größenordnung Anodenstrom unter 1 mA, Schirmgitterstrom noch extremer) ist mit nicht glattem Verlauf der Kennlinien zu rechnen. Wünschenswert ist zumindest eine Erweiterung auf einen zweiten Meßbereich für die Schirmgitterströme.

    Die Berechnung des Klirrfaktors sollte nicht zu ernst genommen werden. Kleine Wackler im Kennlinienverlauf gehen in die Klirrfaktorberechnung voll ein.

    Die einzelnen Ungenauigkeiten können sich addieren. Ingesamt ist die Meßgenauigkeit ausreichend und entspricht meinen Vorstellungen. Es werden bessere Werte als mit vielen alten Röhrenmeßgeräten erreicht (in Bedienungsanleitungen alter Geräte habe ich von Meßfehlern von 2% je Spannung/Meßinstrument und 5% Gesamtfehler gelesen, hinzu kommt die Ableseungenauigkeit der analogen Meßinstrumente. Auch dürften viele der oft über 40 Jahre alten Geräte auf Grund der Alterung höhere Abweichungen aufweisen).
    Eine Meßgenauigkeit von 0,00.. %, vergleichbar mit einem modernen Multimeter, ist mit dem RoeTest nicht erreichbar. Aber darauf kommt es auch gar nicht an. Es spielt wirklich keine Rolle, ob eine Röhre Anodenströme von 10,5 oder 10,6 oder 10,4 mA erreicht!

    Weitere Bilder im Zip-Format : Bilder2.zip (ca. 6 MByte !)

    Zum Abschluss noch einige von mir estellte Prüfberichte im PDF-Format:

    Pruefbericht EF80

    Pruefbericht EF89

    Pruefbericht EL11

    Pruefbericht EZ80

    An dem Projekt gibt es noch vieles zu verbessern. Vorerst werde ich mich erst etwas zurücklehnen und verschnaufen, und mich an vielen anderen, kleinen Projekten versuchen, die ich seit Monaten zurückstelle.

    Mantel, den 22.6.2006

    #######################################################


    Hallo Jochen,
    es gibt wieder viel Neues von meinem RoeTest:

    - Software, Bau- und Bedienungsanleitung und Pic-Mikrocontroler sind bei mir erhältlich
    - Software wurde weiter verbessert
    - neben int. Gleichstromheizung ist es nun möglich, ext. Wechselstromheizung anzuschließen, oder eine Wechselstromheizung per Software zu simulieren
    - es gibt einen Leistungsprüfer-Modus
    - Glimmstabis können getestet werden

    Updates (aktuelle Software-, Bedienungs- und Bauanleitung) gibt es zum Download.
    Bezüglich Röhrenheizung mit Gleich- oder Wechselstrom habe ich mir umfangreiche Gedanken gemacht, und diese in beigefügtem Bericht festgehalten. Die Arbeiten waren Grundlage für mein RoeTest (Simulation einer Wechselstromheizung per Software).

    Viele Grüße
    Helmut