Graetz-Stereodekoder

Sämtliche auf dieser und den hierzu gehörenden Unterseiten gezeigten Fotos und Texte (auch auszugsweise) bedürfen, sollten sie an dritte weitergegeben werden, meiner ausdrücklichen Zustimmung.
Jegliche gewerbliche Nutzung wird hiermit untersagt.


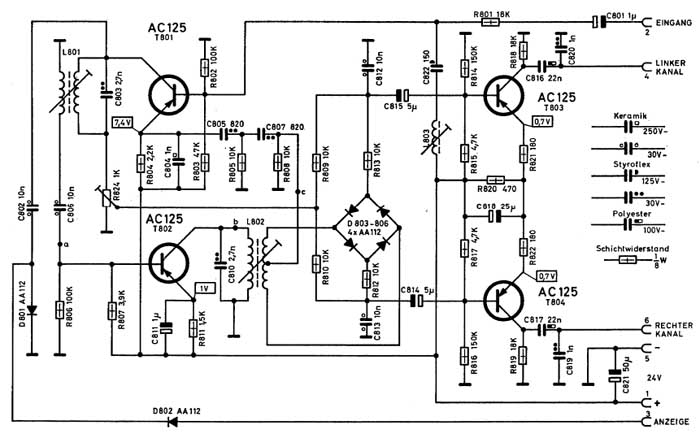
Der hier gezeigte Dekoder wurde von Greatz hergestellt. Seine Typenbezeichnung ist 101C 790901.
Er wurde mit vier Germanium-Transistoren aufgebaut.




















Der Dekoder wurde mir freundlicherweise von Jörg Borchers zum Fotografieren ausgeliehen.
Das folgende Schaltbild zeigt die Schaltung dieses Dekoders:


Der folgende Link zeigt die kompletten Service-Unterlagen zum obigen Stereodekoder. Ich stelle es hier als PDF-File zur Verfügung (ca. 1 MByte).

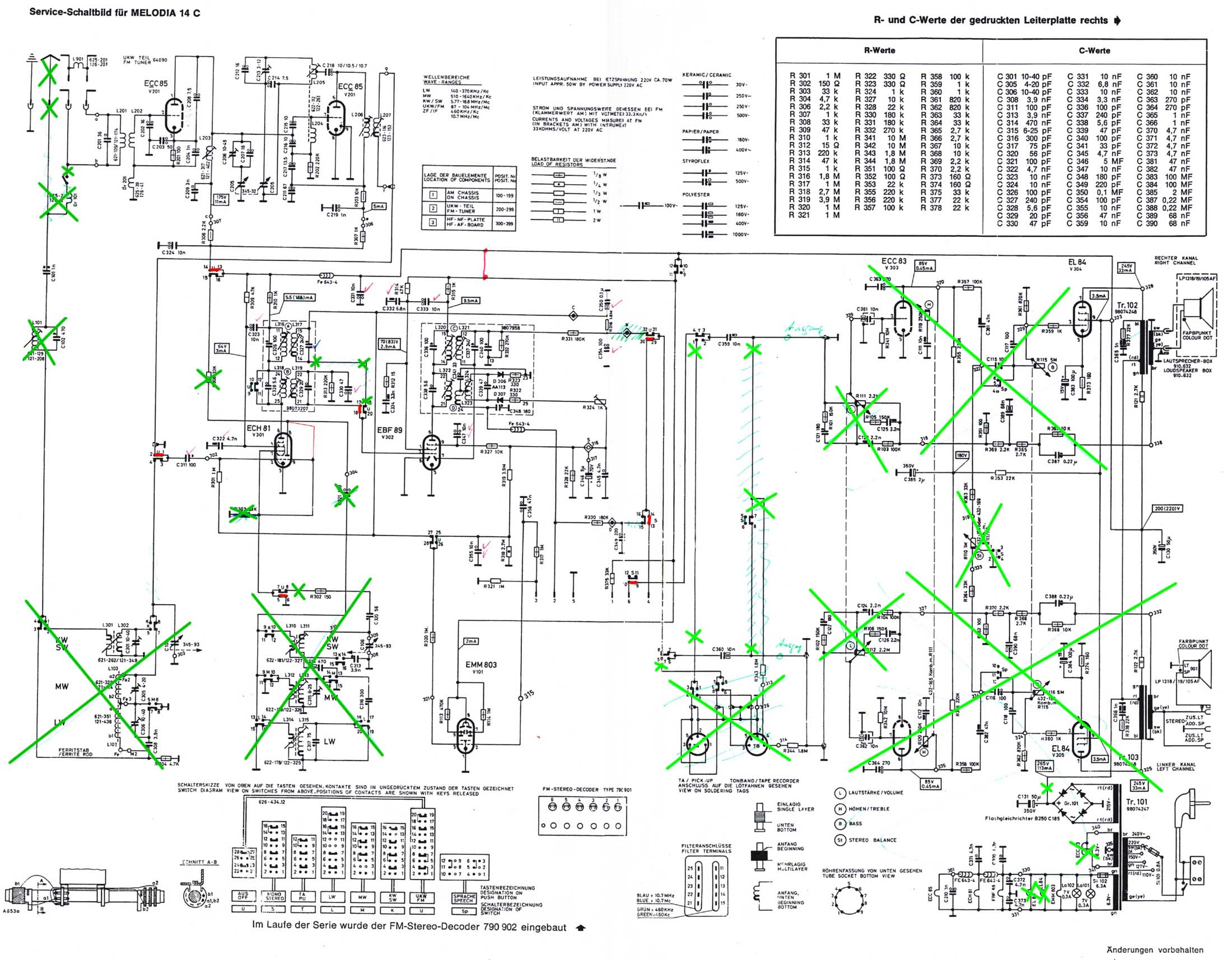
Dieser Dekoder wurde u.a. im Greatz Melodia 14 c eingebaut:


Jörg Borchers, der, wie der obige Link zeigt, seinen Melodia zu einem riesigen, aus 28 Röhren bestehenden Tuner mit massiger EL34-Gegentaktendstufe, PCL86-Eingangsstufe und PCL86-Kopfhörerverstärker, etc, etc, separierte aus diesem Schaltbild das UKW-Mischteil, den hier vorgestellten Stereodekoder und den ZF-Verstärker mit Demodulator heraus:

Original-Dchaltbild Melodia 14 c
(Mit der Maustaste das Bild anklicken, es wird dann in voller Auflösung dargestellt.)

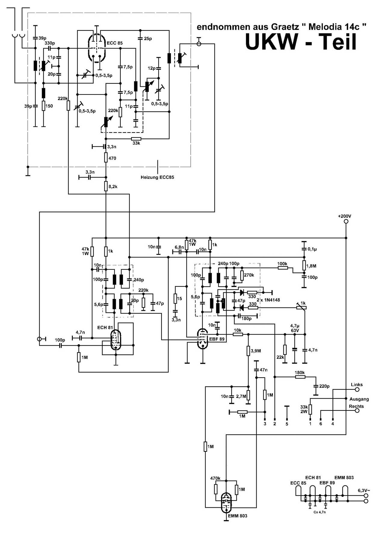
Das folgende Schaltbild zeigt das nun bei Jörg real existierende Schaltbild des UKW-Tunerteils:

Original-Dchaltbild Melodia 14 c
(Mit der Maustaste das Bild anklicken, es wird dann in voller Auflösung dargestellt.)